См. также:
Электросхемы MAN TGX EURO 6
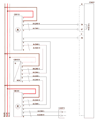
Полные схемы в высоком качестве и описания смотрите в
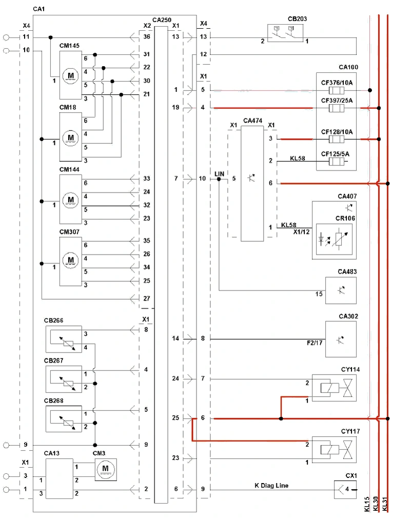
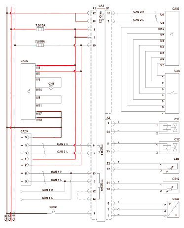
Блок климата кабины


- СА1, Модуль климат-контроля
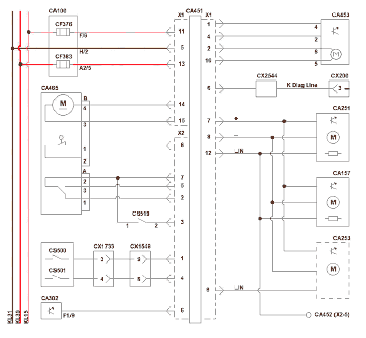
- СА100, Центральный ЭБУ
- СА13, Блок вентилятора отопителя
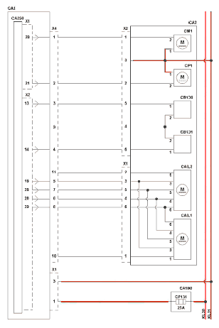
- СА2, Независимый распределительный блок климат-контроля
- СА250, ЭБУ системы климат-контроля
- СА3.1, Модуль распределения воздуха 1
- САЗ.2, Модуль распределения воздуха 2
- СА302, Центральный компьютер ZBR.
- СА407, Панель приборов
- СА474, Климат-контроль
- СА483, Дополнительный подогреватель
- СВ100, Датчик контакта аккумулятора
- СВ101, Датчик контакта испарителя
- СВ203, Выключатель высокого / низкого давления, климат-контроль кабины
- СВ266, Датчик температуры воды в испарителе
- СВ267, Датчик наружной температуры
- СВ268, Датчик температуры в теплообменнике
- CF125, Предохранитель дополнительной подсветки
- CF128, Предохранители постоянных потребителей
- CF131, Предохранитель вентилятора, вывод KI30
- CF376, Предохранитель в кабине, вывод KI15
- CF397, Предохранитель отопителя кабины
- СМ1, Рециркуляционный насос
- СМ144, Серводвигатель люка
- СМ145, Двигатель перепускного люка
- СМ18, Блок распределения воздуха
- СМ3, Двигатель вентилятора
- СМ307, Исполнительный механизм/шаговый двигатель заслонки свежего воздуха/рециркуляции.
- СР1, Главный гидравлический насос
- CR.106, Управление яркостью освещения
- СХ1, Диагностический разъем
- CY114, Муфта компрессора
- CY117, Электроклапан нагревателя
- К Diag Line, Диагностическая линия К
Модуль двери


- СА100, Бок предохранителей и реле
- СА156, Основное зеркало заднего вида, сторона пассажира
- СА157, Зеркало заднего вида, сторона водителя
- СА251, Широкоугольное зеркало заднего вида, сторона водителя
- СА252, Широкоугольное зеркало заднего вида, сторона пассажира
- СА253, Левое дополнительное зеркало заднего вида
- СА254, Правое дополнительное зеркало заднего вида
- СА302, Центральный компьютер ZBR.
- СА451, Модуль двери водителя
- СА452, Модуль двери пассажира
- СА453, Двигатель стеклоподъемника, дверь водителя
- СА454, Двигатель стеклоподъемника, пассажирская дверь
- СА465, Замок двери водителя
- СА466, Замок пассажирской двери
- СА473, Двигатель электропривода люка
- CS500d, Выключатель поднятия стеклоподъемника
- CS500p, Выключатель поднятия стеклоподъемника
- CS501d, Выключатель опускания стеклоподъемника
- CS501p, Выключатель опускания стеклоподъемника
- CS518, Выключатель, поворотная защелка, дверь пассажира
- CS519, Выключатель, поворотный болт, дверь водителя
- СХ1546, Разъем, правая дверь
- СХ1547, Разъем, левая дверь
- СХ1733, Разъем крыши
- СХ200, Диагностический разъем
- СХ2544, Распределитель питания К-линии
- К Diag Line, Диагностическая линия К
ECAS CAN 2, Электронный контроль воздушной подвеской

- CEl MAN, ЭБУ ECAS
- CEV4, Электроклапан 3/2, задняя ось
- CEV6, Электроклапан, задняя ось правая сторона
- СР4, Датчик давления в подвеске, задняя ось, правая сторона
- CS2, Датчик высоты положения задней оси с правой стороны СТ1, RCU (блок дистанционного управления)
- К Diag Line, Диагностическая линия К
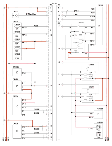
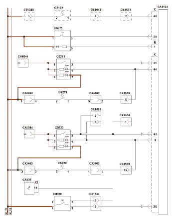
Электронное управление двигателем (EDC) D20/D26


- СА1124, Блок управления трансмиссией (РТМ — Powertrain Manager)
- СА410, Педаль акселератора
- СА435, Блок управления двигателем
- СА968, Муфта вентилятора с электронным управлением
- CAN Н Diag Line, Диагностическая линия CAN High (высокий)
- CAN L Diag Line, Диагностическая линия CAN Low (низкий)
- CB104, Датчик давления масла
- СВ1049, 2-й датчик температуры охлаждающей жидкости
- СВ1055, Датчик NOx
- СВ123, Датчик температуры впускного воздуха
- СВ124, Датчик температуры охлаждающей жидкости
- СВ270, Датчик уровня и температуры масла
- СВ322, Кислородный датчик
- СВ323, Датчик расхода и температуры воздуха
- СВ377, Датчик давления топлива
- СВ487, Датчик давления в общей топливной магистрали
- СВ488, Датчик числа оборотов коленвала
- СВ489, Датчик числа оборотов двигателя на коленвалу
- СВ623, Комбинированный датчик давления и температуры воздуха над впуске
- СВ694, Комбинированный датчик температуры и давления для впускного воздуха радиатора NT
- СВ695, Датчик разности давления сажевого фильтра
- СВ696, Датчик температуры системы рециркуляции выхлопных газов (EGR)
- CF163, Предохранитель регулировки двигателя, вывод KI30
- CF236, Предохранитель регулировки двигателя, вывод KI15
- CF355, Главный предохранитель
- СМ 100, Двигатель стартера
- СМ 119, Привод воздушной заслонки, регулировка расхода приточного воздуха
- СМ289, Двигатель привода системы рециркуляции выхлопных газов (EGR)
- CQ101, Выключатель пуска двигателя
- CR134, Группа сопротивлений EDC
- CR283, Нагрузочный резистор
- CS677, Переключатель регенерации сажевого фильтра
- CS678, Отключить переключатель регенерации фильтра твердых частиц
- СХ200, Диагностический разъем
- СХ3212, Подключите CRT / SCR систему по борьбе с загрязнением
- CY332, Дозирующий клапан ZME (Мргор)
- CY340, Пропорциональный электроклапан турбокомпрессора
- CY341, Инжектор, цилиндр 1
- CY342, Инжектор, цилиндр 2
- CY343, Инжектор, цилиндр 3
- CY344, Инжектор, цилиндр 4
- CY345, Инжектор, цилиндр 5
- CY346, Инжектор, цилиндр 6
- CY437, Клапан подогрева бака AdBlue
- CY460, Отсечной клапан пневмосистемы
- CY493, Пропорциональный электроклапан турбокомпрессора 2
- CY496, Клапан управления системы охлаждения
- CZDR, Коммуникационный интерфейс ZDR
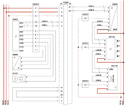
Электронное управление двигателем (EDC) D3876



- СА1124, Блок управления трансмиссией (РТМ — Powertrain Manager)
- СА410, Педаль акселератора
- СА435, Блок управления двигателем
- СА968, Муфта вентилятора с электронным управлением
- СВ104, Датчик давления масла
- СВ1049, 2-й датчик температуры охлаждающей жидкости
- СВ1055, Датчик NOx
- СВ123, Датчик температуры впускного воздуха
- СВ124, Датчик температуры охлаждающей жидкости
- СВ270, Датчик уровня и температуры масла
- СВ322, Кислородный датчик
- СВ323, Датчик расхода и температуры воздуха
- СВ377, Датчик давления топлива
- СВ487, Датчик давления в общей топливной магистрали
- СВ488, Датчик числа оборотов коленвала
- СВ489, Датчик числа оборотов двигателя на коленвалу
- СВ623, Комбинированный датчик давления и температуры воздуха над впуске
- СВ694, Комбинированный датчик температуры и давления для впускного воздуха радиатора NT
- СВ695, Датчик разности давления сажевого фильтра
- СВ696, Датчик температуры системы рециркуляции выхлопных газов (EGR)
- СВ704, Датчик давления выхлопных газов
- CF163, Предохранитель регулировки двигателя, вывод KI30
- CF236, Предохранитель регулировки двигателя, вывод KI15
- СМ 100, Двигатель стартера
- СМ 119, Привод воздушной заслонки, регулировка расхода приточного воздуха
- СМ289, Двигатель привода системы рециркуляции выхлопных газов (EGR)
- CS677, Переключатель регенерации сажевого фильтра
- CS678, Отключить переключатель регенерации фильтра твердых частиц
- СХ200, Диагностический разъем
- СХ3212, Подключите CRT / SCR систему по борьбе с загрязнением
- CY332, Дозирующий клапан ZME (Мргор)
- CY340, Пропорциональный электроклапан турбокомпрессора
- CY341, Инжектор, цилиндр 1
- CY342, Инжектор, цилиндр 2
- CY343, Инжектор, цилиндр 3
- CY344, Инжектор, цилиндр 4
- CY345, Инжектор, цилиндр 5
- CY346, Инжектор, цилиндр 6
- CY371, Регулятор давления в магистрали впрыска
- CY437, Клапан подогрева бака AdBlue
- CY460, Отсечной клапан пневмосистемы
- CY493, Пропорциональный электроклапан турбокомпрессора 2
- CY496, Клапан управления системы охлаждения
- CY515, Выпускной электроклапан тормозной системы
EST-52, Ретардер

- СА1, ЭБУ ретардера
- СА25, Диагностический разъем ZF
- СА36, ЭБУ Е
- СА6, Рычаг пуска ретардера
- СВ12, Датчик температуры масла
- СВ9, Датчик температуры охлаждающей жидкости в ретардере
- СЕ46, Датчик давления масла
- СН1, Сигнальная лампа ретардера
- CS1O, Кнопка ретардера
- CY1, Контроль давления соленойда
- CY2, Привод пропорционального клапана ретардера
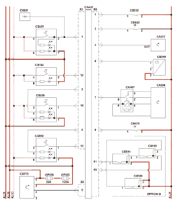
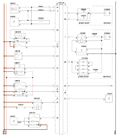
INS STON, Панель приборов


- СА100, Центральный ЭБУ
- СА1124, Блок управления трансмиссией (РТМ — Powertrain Manager)
- СА143, ЭБУ ECAS
- СА302, Центральный компьютер ZBR
- СА317, Делитель аккумулятора
- СА358, Блок управления загрузочного люка
- СА407, Панель приборов
- СА408, Тахограф
- СА429, Рычаг управления скоростью
- СА564, Радиоприемник
- СА715, Подогреватель топливного фильтра
- СВ359, Датчик уровня масла
- CF125, Предохранитель дополнительной подсветки
- CF156, Предохранитель вывод KI30
- CF164, Предохранитель ECAS (электронно-пневматическая подвеска)
- CF355, Главный предохранитель
- CF375, Предохранитель, вывод KI15
- CF398, Предохранитель комбинации приборов
- CF412, Предохранитель комбинации приборов
- CF583, Предохранитель, вывод KI15
- CF600, Предохранитель вывод KI30
- СК467, Реле, загрузочная дверь
- CS1112, Выключатель освещения
- CS185, Выключатель поперечной блокировки, первая задняя ось
- CS186, Выключатель поперечной блокировки, вторая задняя ось
- CS192, Реле давление, система управления подъемным кузовом самосвала
- CS193, Контроллер омывателя ветрового стекла/омыватель фар/стеклоочиститель
- CS252, Реле замка ремня безопасности
- CS254, Выключатель продольной задней блокировки
- CS267, Выключатель управления тяговым усилием
- CS329, Клавиша проверки освещения
- CS401, Переключатель освещения для зимнего обслуживания
- CS470, Выключатель подъемной оси
- CS954, Выключатель вверх / вниз
- CS956, Выключатель нормального уровня I/II
- CV901, Светодиодный индикатор для зимнего обслуживания
- СХ200, Диагностический разъем
- К Diag Line, Диагностическая линия К
KSM VDO, Специальный модуль параметризации

- СА302, Центральный компьютер ZBR
- СА312, Особый модуль управления потребителя (KSM)
- CF428, Предохранитель, вывод KI15
- CF429, Предохранитель вывод KI30
- CR288, Сопротивление
- СХ1996, Промежуточный разъем управления оборотами двигателя - интерфейс FFR/PTM
- СХ1997, Промежуточный разъем управления оборотами двигателя - интерфейс KSM/PTM СХ200, Диагностический разъем
- СХ2544, Распределитель питания К-линии
- СХ3311, Разъём 2 промежуточных оборотов вращения - KSM/ РТМ интерфейс
- К Diag Line, Диагностическая линия К
Продолжение смотрите в энциклопедии...










