Автономные водяные отопители Thermo Pro 90, 90 HDD
Wiring diagrams
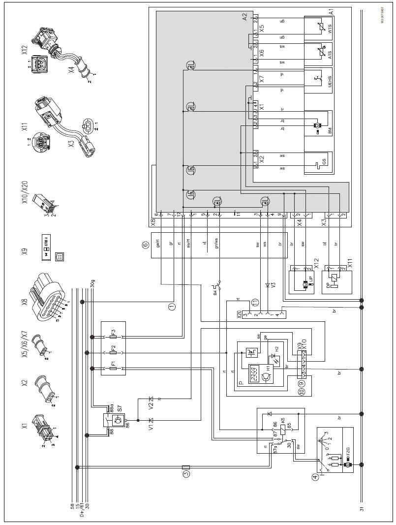
System wiring diagram for Thermo Pro 90 with MultiControl control element with battery disconnector

System wiring diagram for Thermo Pro 90 with SmartControl control element (ADR)

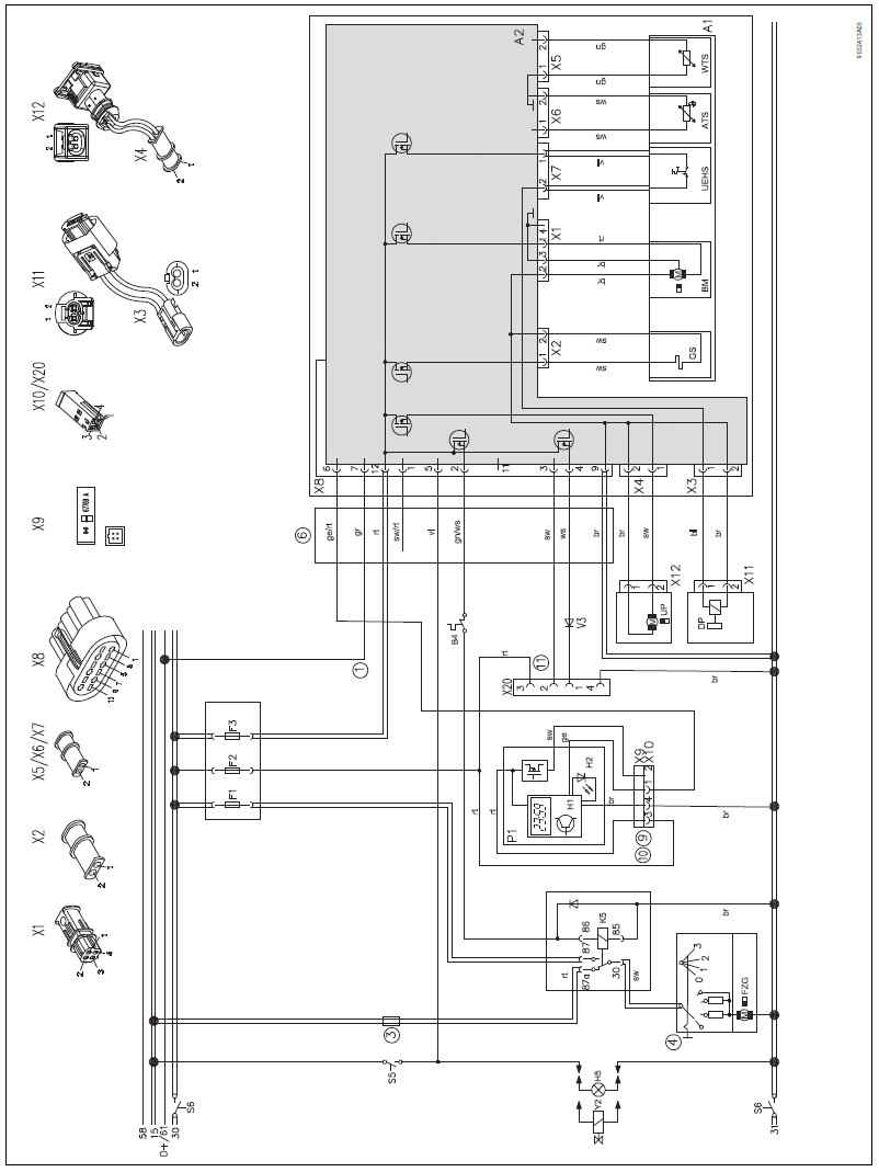
System wiring diagram for Thermo Pro 90 HDD with MultiControl control element

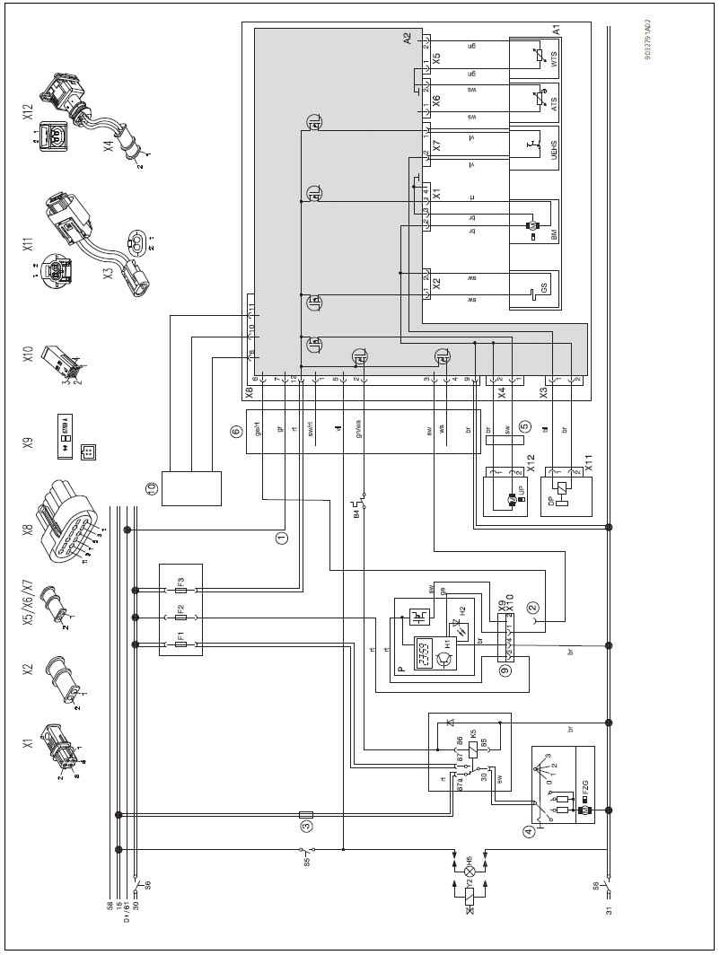
System wiring diagram for Thermo Pro 90 HDD with SmartControl control element (ADR)
