ATC (Автоматический контроль температуры) DAF
Работа системы кондиционирования воздуха, электрическая часть
XF105

Если переключатель системы кондиционирования воздуха (C760) включен, и зажигание автомобиля включено, на реле системы кондиционирования воздуха (G279) подается напряжение, за счет чего
включается положение 1 вентилятора обогревателя.
Переключатель системы кондиционирования воздуха (C760) также подает напряжение на датчик (F754), который, если температура не слишком низкая, подает напряжение на переключатель
(E509). В результате реле системы кондиционирования воздуха (G267) включает компрессор
кондиционера (B043).
Датчик (F754) является датчиком температуры, который прерывает электрическую цепь при слишком
большом снижении температуры в испарителе.
Переключатель (E509) является реле давления, которое размыкается, если давление в системе становится слишком высоким или слишком низким.
Вытеснение воздуха в наибольшем объеме происходит на высокой скорости вентилятора обогревателя.
На низкой скорости вентилятора воздух дольше контактирует с поверхностью испарителя, и
производится больше тепла.
Поэтому самый холодный воздух получается при самой низкой скорости вентилятора обогревателя.
Блок-схема
XF105, ≤ 200740
Схема K102052 относится к:
XF105, неделя спецификации не позднее 40 недели 2007 г.

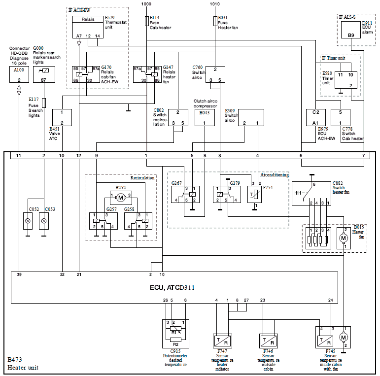
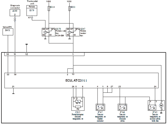
- A100 Разъем, диагностика HD-OBD (16-контактный)
- B015 Вентилятор обогревателя
- B043 Компрессор кондиционера
- B451 Клапан, ATC
- B473 Обогреватель
- B252 Клапан рециркуляции
- C052 Лампа панели управления обогревателя, левая
- C053 Лампа панели управления обогревателя, правая
- C760 Переключатель, кондиционирование воздуха
- C802 Переключатель, рециркуляция
- C882 Переключатель вентилятора обогревателя
- C915 Потенциометр требуемой температуры
- D311 ECU ATC
- E117 Предохранитель, прожектор
- E509 Датчик давления системы кондиционирования воздуха
- F745 Датчик температуры в кабине с датчиком вентилятора
- F746 Датчик наружной температуры кабины
- F747 Датчик радиатора, температура обогревателя
- F754 Датчик температуры системы кондиционирования воздуха
- G000 Реле, габаритные огни
- G257 Реле рециркуляции
- G258 Реле рециркуляции
- G267 Реле системы кондиционирования воздуха
- G279 Реле системы кондиционирования воздуха
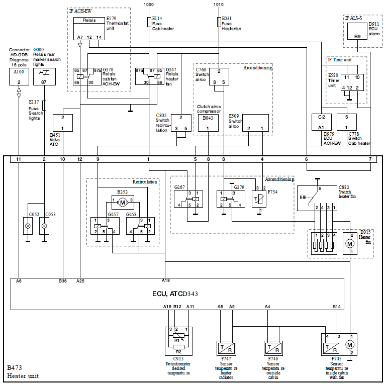
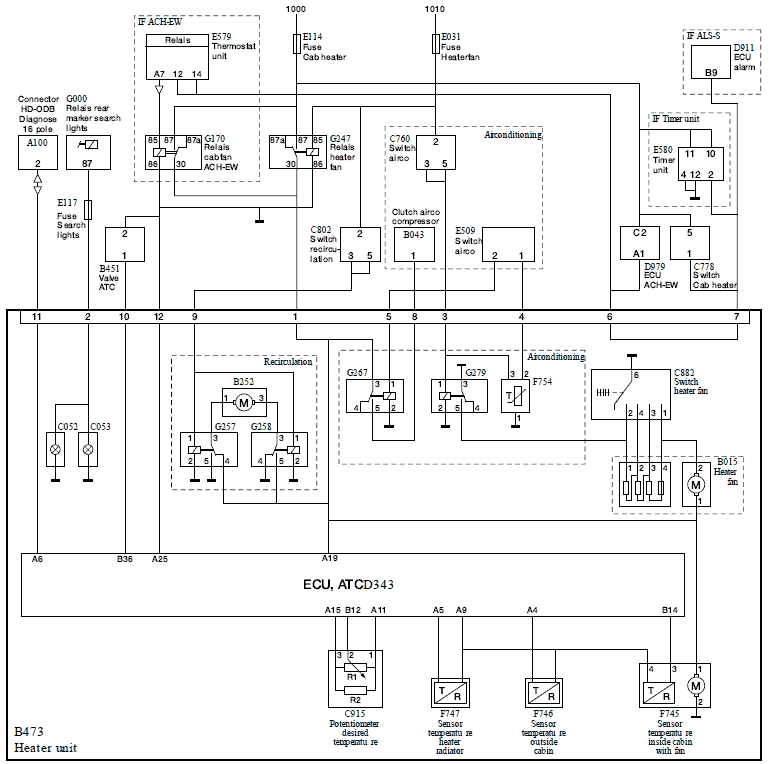
XF105, ≥ 200741
Схема относится к K102570
XF105, неделя спецификации не ранее 41 недели 2007 г.

- A100 Разъем, диагностика HD-OBD (16-контактный)
- B015 Вентилятор обогревателя
- B043 Компрессор кондиционера
- B451 Клапан, ATC
- B473 Обогреватель
- B252 Клапан рециркуляции
- C052 Лампа панели управления обогревателя, левая
- C053 Лампа панели управления обогревателя, правая
- C760 Переключатель, кондиционирование воздуха
- C802 Переключатель, рециркуляция
- C882 Переключатель вентилятора обогревателя
- C915 Потенциометр требуемой температуры
- D343 ECU ATC
- E117 Предохранитель, прожектор
- E509 Датчик давления системы кондиционирования воздуха
- F745 Датчик температуры в кабине с датчиком вентилятора
- F746 Датчик наружной температуры кабины
- F747 Датчик радиатора, температура обогревателя
- F754 Датчик температуры системы кондиционирования воздуха
- G000 Реле, габаритные огни
- G257 Реле рециркуляции
- G258 Реле рециркуляции
- G267 Реле системы кондиционирования воздуха
- G279 Реле системы кондиционирования воздуха
Информация о расположении, обогреватель, система кондиционирования воздуха и ATC (Автоматический контроль температуры)
XF105, XF105_BRA

Управление ATC, общие сведения

Температура в кабине регулируется системой ATC. Контролируя поток охлаждающей жидкости через радиатор обогревателя, можно регулировать степень нагрева воздуха, проходящего через радиатор обогревателя. Контроль осуществляется с помощью трех датчиков температуры.
Первый датчик (F746) расположен перед обогревателем и измеряет температуру воздуха снаружи. Эта температура соответствует температуре воздуха, поступающего в обогреватель.
Второй датчик (F745) устанавливается после радиатора обогревателя и измеряет температуру воздуха после прохождения через обогреватель.
Третий датчик температуры (F747) измеряет фактическую температуру в кабине.
Поворотный регулятор температуры (C915) передает ЭБУ значение температуры, заданное водителем. ЭБУ (D311/D343) рассчитывает значение температуры воздуха на входе в кабину, необходимое для достижения температуры в кабине, заданной с помощью поворотного регулятора. ЭБУ может контролировать температуру воздуха, нагреваемого обогревателем, с помощью клапана ATC (B451), который является клапаном обогревателя с электронным управлением.
Управление ATC, электронное, неделя спецификации не позднее 40 недели 2007 г.
CF75IV, CF85IV, XF105

Если зажигание включено, срабатывает реле вентилятора обогревателя (G247). Т.е. на контакты 2 и 10 ЭБУ (D311) через контакт 1 разъема обогревателя подается питание. ЭБУ соединяется с "массой" на контакте 21 через контакт 12 разъема обогревателя.
Линия диагностики подключается к контакту 39 ЭБУ через контакт 11 разъема обогревателя.
Необходимая водителю температура в кабине задается с помощью регулятора потенциометра (C915). Данная температура контролируется тремя датчиками температуры (F745, F746 и F747). Степень нагрева воздуха радиатором обогревателя определяет температуру в кабине. Поток охлаждающей жидкости через радиатор обогревателя и следовательно температура радиатора обогревателя регулируется клапаном ATC (B451).
Сигнал от ЭБУ (D311) к клапану ATC идет по линии соединения с "массой", клапан подключен к контакту 22 ЭБУ (D311) через контакт 10 разъема обогревателя.
Скорость потока воздуха регулируется вручную с помощью регулятора частоты вращения вентилятора.
M.AIRCO
Система кондиционирования воздуха функционирует независимо от системы ATC и включается и выключается вручную. Если система кондиционирования включена и температура опускается ниже уровня, установленного поворотным регулятором температуры, система ATC открывает клапан ATC, чтобы установился необходимый уровень температуры.
CF85IV, XF105, ACH-EW
Если включается дополнительный обогреватель, питание подается на обогреватель через реле (G170). Это позволяет регулировать температуру в кабине и работу вентилятора обогревателя поворотными регуляторами при выключенном двигателе.
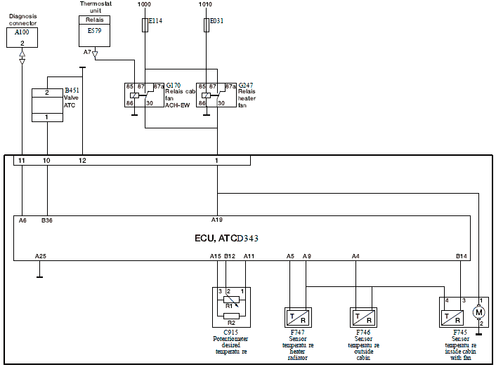
Управление ATC, электронное, неделя спецификации не ранее 41 недели 2007 г.
CF75IV, CF85IV, XF105

Если зажигание включено, срабатывает реле вентилятора обогревателя (G247).
Следовательно на ЭБУ (D343) подается питание через контакт 1 разъема A19 обогревателя.
Линия диагностики подключается к контакту A6 ЭБУ через контакт 11 разъема обогревателя.
Необходимая водителю температура в кабине задается с помощью регулятора потенциометра (C915). Данная температура контролируется тремя датчиками температуры (F745, F746 и F747). Степень нагрева воздуха радиатором обогревателя определяет температуру в кабине. Поток охлаждающей жидкости через радиатор обогревателя и следовательно температура радиатора обогревателя регулируется клапаном ATC (B451).
Сигнал от ЭБУ (D343) к клапану ATC идет по линии питания, клапан подключен к контакту 22 ЭБУ (D343) через контакт 10 разъема обогревателя.
Скорость потока воздуха регулируется вручную с помощью регулятора частоты вращения вентилятора.
M.AIRCO
Система кондиционирования воздуха функционирует независимо от системы ATC и включается и выключается вручную. Если система кондиционирования включена и температура опускается ниже уровня, установленного поворотным регулятором температуры, система ATC открывает клапан ATC, чтобы установился необходимый уровень температуры.
CF85IV, XF105, ACH-EW
Если включается дополнительный обогреватель, питание подается на обогреватель через реле (G170). Это позволяет регулировать температуру в кабине и работу вентилятора обогревателя поворотными регуляторами при выключенном двигателе.
Потенциометр выбора температуры (C915)

Требуемую температуру в кабине можно настроить с помощью поворотного регулятора температуры воздуха. Поворотный регулятор состоит из регулируемого резистора, который изменяет свое значение сопротивления в каждом положении регулятора. За счет этого электронный блок может определить температуру в кабине, необходимую водителю.
Датчик температуры наружного воздуха (F746)

Датчик температуры наружного воздуха используется для измерения температуры воздуха, поступающего в радиатор обогревателя. Датчик температуры наружного воздуха представляет собой датчик NTC (с отрицательным температурным коэффициентом) (при повышении температуры, сопротивление понижается).
Воздействие датчика температуры наружного воздуха на систему
Измеренная температура наружного воздуха влияет на работу клапана электрообогревателя. Электронный блок может подготовить радиатор обогревателя для быстрого подъема или опускания температуры наружного воздуха, поддерживая требуемую температуру в кабине на том же уровне. Без датчика температуры наружного воздуха система выполняла бы регулировку радиатора обогревателя слишком поздно в случае сильного изменения температуры, и температура в кабине не поддерживалась бы на постоянном уровне.
Датчик температуры радиатора обогревателя (F747)

Датчик температуры радиатора обогревателя используется для измерения температуры обогревателя. Датчик температуры представляет собой датчик NTC (с отрицательным температурным коэффициентом) (при повышении температуры, сопротивление понижается).
Воздействие датчика температуры радиатора обогревателя на систему:
На основании измеренной температуры обогревателя электронный блок получает информацию о нагреве воздуха, поступающего в кабину. По прошествии определенного времени данная температура останется неизменной как требуемая температура в кабине, настроенная с помощью поворотного регулятора.
Если температура в кабине ниже требуемой, воздух нагревается до требуемого значения температуры в
кабине.
Датчик температуры в кабине с вентилятором (F745)

Для измерения температуры в кабине используется датчик температуры внутри кабины.
Датчик температуры представляет собой датчик NTC (с отрицательным температурным коэффициентом) (при повышении температуры, сопротивление понижается). Чтобы получить
правильные показания температуры в кабине, датчик температуры внутри кабины устанавливается с вентилятором. Данный вентилятор обеспечивает постоянное движение воздуха из кабины рядом с датчиком и предотвращает застой воздуха вокруг датчика. За счет этого обеспечивается точное измерение температуры воздуха.
Воздействие датчика температуры в кабине на систему
Измеренная температура в кабине влияет на работу регулирующего клапана. Данный датчик температуры измеряет температуру внутри кабины.
Электронный блок вычисляет разницу между воздухом в кабине и воздухом в обогревателе. В результате электронный блок получает значение, которое используется для управления температурой на выходе обогревателя для достижения требуемой температуры в кабине.
Клапан автоматического контроля температуры (ATC) (B451)

Клапан ATC - это клапан обогревателя с электронным управлением, клапан расположен на обратной линии водяного контура охлаждения радиатора обогревателя.
ЭБУ регулирует работу клапана ATC, что позволяет контролировать температуру в кабине. Количество
охлаждающей жидкости, поступающей в радиатор обогревателя, зависит от положения клапана ATC. ЭБУ получает информацию от датчика температуры в кабине и в зависимости от заданной температуры
задействует или не задействует клапан ATC.
Зажигание выключено, обогрев не требуется

Если зажигание выключено, ЭБУ не задействует клапан АTC. В этом случае блок двигателя (4) соединен с контуром радиатора (1) обогревателя, перепускной клапан (2) закрыт. Такая схема имеет два преимущества:
- Возможность слива жидкости из всей системы охлаждения, включая радиатор обогревателя, в случае необходимости.
- Возможность обогрева внутреннее пространство кабины при выключенном зажигании, если установлен дополнительный водяной обогреватель кабины.
Зажигание включено, обогрев не требуется

Если зажигание включено и водителю не требуется обогрев, ЭБУ включает клапан ATC. В этом случае блок двигателя (4) соединен с перепускным клапаном (2), контур радиатора (1) обогревателя закрыт.
При включении клапана ATC поток жидкости перестает поступать к радиатору обогревателя, и
следовательно через каналы в кабину поступает более холодный воздух.
Зажигание включено, требуется обогрев

Если зажигание включено и водителю требуется обогрев, ЭБУ не задействует клапан ATC. В этом
случае блок двигателя (4) соединен с контуром радиатора (2) обогревателя.
При выключенном клапане ATC охлаждающая жидкость проходит через радиатор обогревателя. В
результате температура радиатора обогревателя повышается, и через каналы в кабину поступает более
горячий воздух.
Резистор вентилятора обогревателя
Резистор вентилятора обогревателя
- R1 4,2 Ом ± 10%
- R2 1,4 Ом ± 10%
- R3 2,2 Ом ± 10%
Настройка вентилятора обогревателя
- Положение 1 R1+R2+R3
- Положение 2 R2+R3
- Положение 3 R3
- Положение 4 отсутствие сопротивления
Датчик температуры (F754)
Отключение компрессора ≤ 5,5 °C
Включение компрессора ≥ 7 °C
Реле давления (E509):
Отключение компрессора приблизительно 1,2 бара и приблизительно 30 бар
Включение компрессора приблизительно 2,4 бара и приблизительно 23 бара