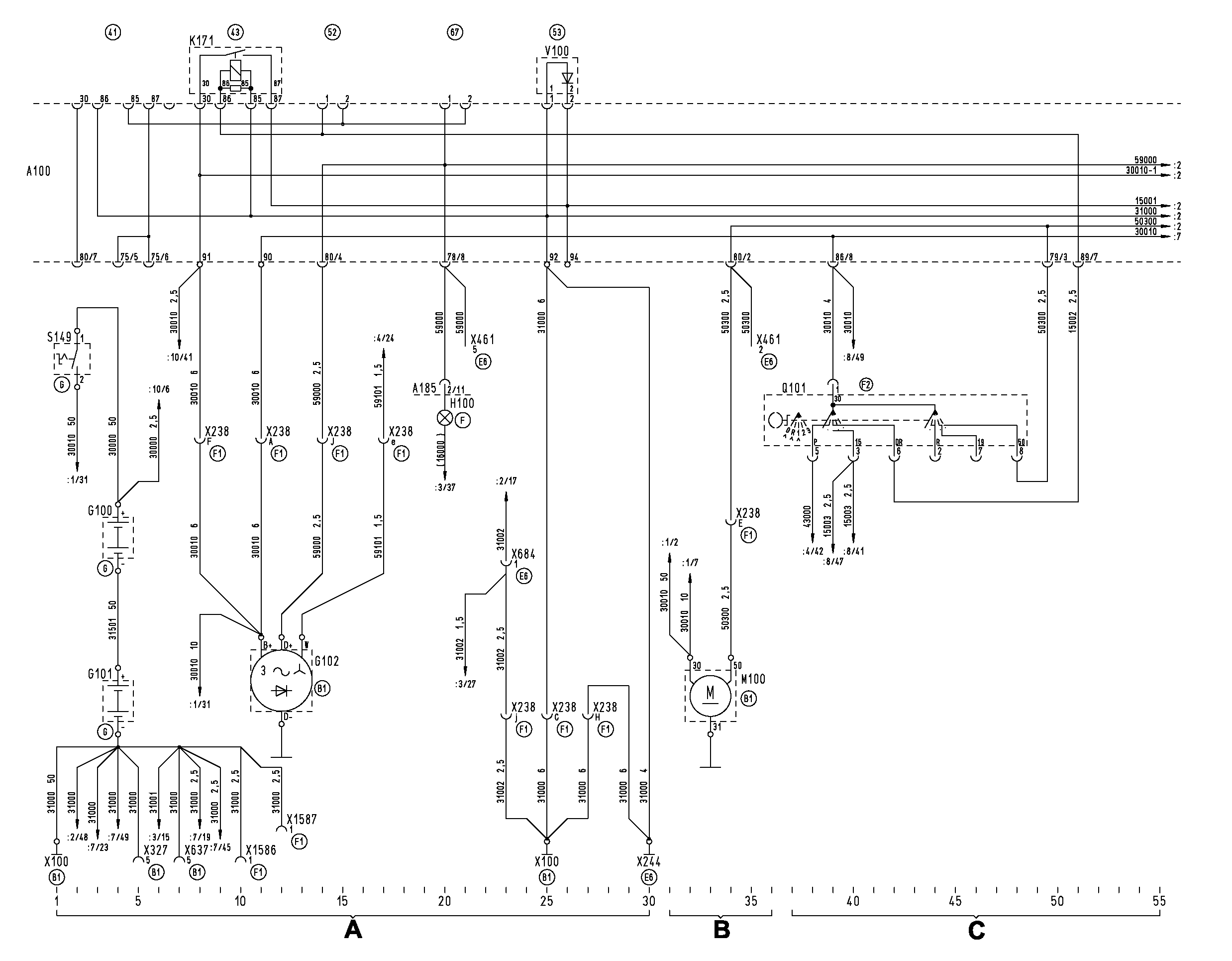
Электросхемы MAN L2000 / M2000-L
Напряжение питания. Пусковое устройство. Замок вала рулевого колеса противоугонного устройства
- А = Напряжение питания
- В = Пусковое устройство
- С = Замок вала рулевого колеса противоугонного устройства
- А100 (108) Центральное распределительное устройство электрооборудования
- А185 (167) Блок сигнализаторов
- G100 Аккумулятор 1
- G101 Аккумулятор 2
- G102 (109) Генератор
- Н100 (104) Сигнализатор зарада аккумуляторной батареи
- К171 (150) Реле расхода (клемма 15)
- М100 (100) Стартер
- Q101 (102) Выключатель стартера
- S149 (100) Разъединительный выключатель аккумулятора
- V100 (100) Диод защиты от помех клемма 15
- Х100 Точка заземления двигателя
- Х238 Штекерное соединение (Stvd) кабины с двигателем
- Х244 Распределитель точек заземления на щитке приборов, правый
- Х327 Штекерное соединение (Stvd) электромагнитного золотника рамы
- Х461 Штекерное соединение (Stvd) специального оснащения
- Х637 Контрольный выключатель (Stvd) дифференциального блокировочного механизма (Задняя часть рамы)
- Х684 Штекерное соединение (Stvd) электрической цепи 31002
- X1586 Штекерное соединение (Stvd) соединения штепсельной розетки 1 прицепа
- X1587 Штекерное соединение (Stvd) соединения штепсельной розетки 2 прицепа
Электрофакельное устройство облегчения пуска двигателя, осушитель воздуха, звуковой сигнал,
сигнализатор запирания кабины водителя
- А - Электрофакельное устройство облегчения пуска двигателя
- В - Осушитель воздуха
- С - Звуковой сигнал
- D - Сигнализатор запирания кабины водителя
- А100 (100) Центральное распределительное устройство электрооборудования
- А101 (101) Прибор управления электрофакельным устройством облегчения пуска двигателя
- А185 (167) Блок сигнализаторов
- А230 (193) Система электронного управления сигнализаций запирания кабины
- В100 (100) Термореле электрофакельного устройства облегчения пуска двигателя
- F106 (107) Предохранитель электрофакельного устройства облегчения пуска двигателя
- F107 (103) Предохранитель фары заднего хода, звукового сигнала, стеклоподъемника
- Н101 (105) Сигнализатор электрофакельного устройства облегчения пуска двигателя
- Н102 (101) Звуковой сигнал
- Н149 (105) Сигнализатор запирания кабины
- Н169 (116) Звуковой сигнал (двойной тон)
- К102 (150) Реле электрофакельного устройства облегчения пуска двигателя
- R100 (100) Факельная свеча накаливания 1
- R101 (100) Факельная свеча накаливания 2
- R107 (106) Осушитель воздуха
- S103 (103) Кнопка звукового сигнала
- S108 (107) Выключатели на рулевом управлении (мерцающее светосигнальное устройство, стеклоочиститель и фара дальнего света)
- S178 Выключатель запирания кабины водителя
- Х238 Штекерное соединение (Stvd) кабины с двигателем
- Х315 Штекерное соединение (Stvd) кабины с фарой
- Х316 Штекерное соединение (Stvd) "кабина водителя - рама"
- Х346 Штекерное соединение (Stvd) входа правого
- Х369 Штекерное соединение (Stvd) переключения звукового сигнала
- Х460 Штекерное соединение (Stvd) специального оснащения
- Х461 Штекерное соединение (Stvd) специального оснащения
- Х574 Штекерное соединение (Stvd) контура тормозного привода
- Х685 Штекерное соединение (Stvd) электрической цепи 16500
- Y100 (100) Электромагнитный золотник электрофакельного устройства облегчения пуска двигателя
Запас давления в контурах 1 - 3 управления тормозом. показание запаса топлива в баке, индикация показаний давления масла, показания температуры охлаждающей жидкости, сигнализаторы
- А - Запас давления в контурах 1 - 3 управления тормозом
- В - Показание запаса топлива в баке
- С - Индикация показаний давления масла
- D - Показания температуры охлаждающей жидкости
- Е - Сигнализаторы
- А100 (100) Центральное распределительное устройство электрооборудования
- А185 (167) Блок контрольных ламп
- А186 (194) Блок сигнализаторов
- B101 (101) Датчик запаса давления в контуре 1 управления тормозом
- В102 (101) Датчик запаса давления в контуре 2 управления тормозом
- В103 (102) Датчик запаса топлива
- В105 (104) Датчик температуры охлаждающей воды
- В118 (325) Выключатель давления масла
- В196 Датчик запаса давления в контуре 3 управления тормозом
- Н108 (105) Сигнализатор запаса топлива
- Н109 (105) Сигнализатор давления масла
- Н110 (105) Сигнализатор температуры охлаждающей воды
- Н111 (105) Центральный поблескивающий маячок "СТОП"
- Р102 Индикаторный прибор запаса давления в контуре 1 управления тормозом
- Р103 Индикаторный прибор запаса давления в контуре 2 управления тормозом
- Р104 Индикаторный прибор запаса топлива
- Р105 Индикаторный прибор давления масла
- Р106 Индикаторный прибор температуры охлаждающей воды
- Р108 Индикаторный прибор температуры рабочего масла
- Х238 Штекерное соединение (Stvd) "кабина водителя - двигатель”
- Х315 Штекерное соединение (Stvd) "кабина водителя - фара”"
- Х316 Штекерное соединение (Stvd) "кабина водителя - рама"
- Х368 Штекерное соединение (Stvd) включения топливного бака
- Х574 Штекерное соединение (Stvd) в контурах 1 и 2 управления тормозом
- Х708 Штекерное соединение (Stvd) индикации состояния охлаждающей жидкости
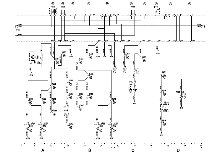
Сигнал торможения, сигналы заднего хода, остановка двигателя, моторный тормоз, стояночный тормоз
- А - Сигнал торможения
- В - Сигналы заднего хода
- С - Остановка двигателя, моторный тормоз
- D - Стояночный тормоз
- А100 (100) Центральное распределительное устройство электрооборудования
- А185 (167) Блок сигнализаторов
- А189 (195) Сигнализатор запирания левой двери
- А190 (195) Сигнализатор запирания правой двери
- В109 (276) Кнопочный выключатель контрольной лампы стояночной тормозной системы
- Е102 Фара заднего хода, правая
- Е103 Фара заднего хода, левая
- F109 (103) Предохранитель сигнала торможения, системы обогрева лобового стекла и окон, моторного тормоза
- F110 (101) Предохранитель выключения двигателя
- Н112 Сигнал торможения, левый
- Н113 Сигнал торможения, правый
- Н117 (105) Сигнализатор стояночной тормозной системы
- S104 (478) Вставить выключатель заднего хода
- S161 (599) Сигнал торможения, фиксирующий приближение
- Х118 (103) Перемычки на Центральном распределительном устройстве электрооборудования автомобиля (поз. 63)
- Х238 Штекерное соединение (Stvd) "кабина водителя - двигатель
- Х316 Штекерное соединение (Stvd) "кабина водителя - рама"
- Х326 Распределитель для электрической цепи 43300
- Х347 Штекерное соединение (Stvd) левого входа
- Х360 Штекерное соединение (Stvd) моторного тормоза прицепа - 54 г
- Х460 Штекерное соединение (Stvd) специального оснащения
- Х461 Штекерное соединение (Stvd) специального оснащения
- Х568 (104) Перемычки на Центральном распределительном устройстве электрооборудования автомобиля (поз. 59)
- Х625 Штекерное соединение (Stvd) "Двигатель - коробка передач"
- X1586 Штекерное соединение (Stvd) штепсельной розетки 1 прицепа
- X1587 Штекерное соединение (Stvd) штепсельной розетки 2 прицепа
- Y102 Электромагнитный золотник остановки двигателя, моторного тормоза
Сигнал поворота
- А - Мигающее светосигнальное устройство
- А100 (100) Центральное распределительное устройство электрооборудования автомобиля
- А185 (167) Блок сигнализаторов
- А189 (195) Сигнал контроля запирания левой двери
- А190 (195) Сигнал контроля запирания правой двери
- F113 (101) Предохранитель мигающего светосигнального устройства
- Н118 Сигнал поворота тягача
- Н119 Сигнал поворота автомобиля прицепа
- Н120 (150) Сигнал поворота, переднее правое
- Н121 (149) Сигнал поворота, переднее левое
- Н122 Сигнал поворота, заднее правое
- Н123 Сигнал поворота, заднее левое
- К107 (109) Датчик интервалов стеклоочистителя, сигнал поворота
- К108 (100) Реле нагрузки сигнала поворота, правого
- К109 (100) Реле нагрузки сигнала поворота, левого
- К110 Прибор контроля работы сигнала поворота
- S108 (107) Выключатели на колонке рулевого управления (мигающего светосигнального устройства, стеклоочиститель и фары)
- S109 (170) Выключатель сигнала поворота
- X114 (103) Перемычки на Центральном распределительном устройстве электрооборудования автомобиля (поз. 47)
- Х315 Штекерное соединение (Stvd) "кабина водителя - фара"
- Х316 Штекерное соединение (Stvd) "кабина водителя - рама"
- Х339 (104) Перемычки на Центральном распределительном устройстве электрооборудования автомобиля (поз. 57)
- X1586 Штекерное соединение (Stvd) соединения штепсельной розетки 1 прицепа
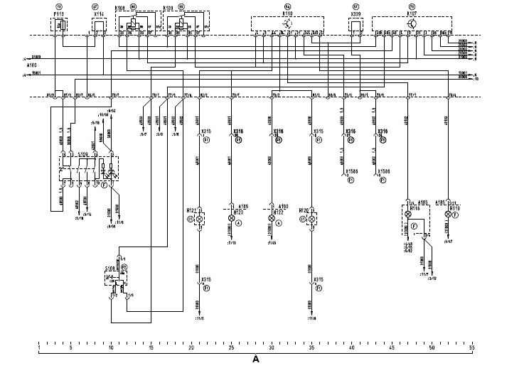
Стеклоочиститель, тахоспидограф, тахометр
- А - Стеклоочиститель
- В - Тахоспидограф
- С - Тахометр
- А100 (100) Центральное распределительное устройство электрооборудования автомобиля
- В110 (108) Датчик импульсов тахоспидографа
- F112 (103) Предохранитель стеклоочистителя
- К106 (244) Реле импульсов стеклоочистителя
- М102 (157) Двигатель стеклоочистителя
- М103 (111) Насос стеклоочистителя
- Р100 (102) Тахоспидограф
- Р101 (103) Тахометр
- R106 (111) Потенциометр в цепи освещения панели управления
- S108 (107) Выключатели на колонке рулевого управления (сигнал поворота, стеклоочиститель и фары)
- Х238 Штекерное соединение (Stvd) кабины с двигателем
- Х346 Штекерное соединение (Stvd) правого входа
- Х461 Штекерное соединение (Stvd) специального оснащения
- Х517 Штекерное соединение (Stvd) датчика частоты вращения
- Х625 Штекерное соединение (Stvd) "Двигатель - коробка передач"
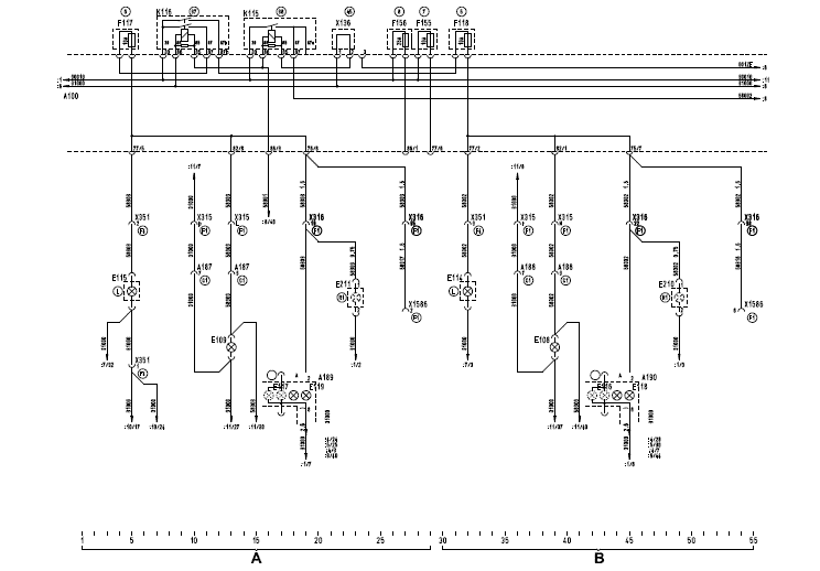
Стояночный огонь, левый, стояночный огонь, правый
- А - Стояночный огонь, левый
- В - Стояночный огонь, правый
- А100 (100) Центральное распределительное устройство электрооборудования
- А187 (492) Фара левая
- А188 (492) Фара правая
- А189 (195) Задний габаритный сигнал, правый
- А190 (195) Задний габаритный сигнал, левый
- Е108 (189) Стояночный огонь, правый
- Е109 (189) Стояночный огонь, левый
- Е114 (109) Габаритный фонарь, впереди справа
- Е115 (109) Габаритный фонарь, впереди слева
- Е116 Габаритный фонарь, сзади справа
- Е117 Габаритный фонарь, сзади слева
- Е118 Задний габаритный сигнал, правый
- Е119 Задний габаритный сигнал, левый
- Е210 (162) 1-ый фонарь маркировки проезда, правый
- Е211 (162) 1-ый фонарь маркировки проезда, левый
- F117 (101) Предохранитель стояночного огня, левого
- F118 (101) Предохранитель стояночного огня, правого
- F155 (101) Предохранитель регулятора скорости
- F156 (105) Предохранитель подогрева топливного фильтра
- К115 (261) Реле клеммы 58
- К116 (187) Реле стояночного огня
- Х136 (104) Перемычки на центральном распределительном устройстве электрооборудования автомобиля (поз. 45)
- Х315 Штекерное соединение (Stvd) "кабина водителя рама"
- Х316 Штекерное соединение (Stvd) "кабина водителя - рама"
- Х351 Штекерное соединение (Stvd электропроводки на крыше
- X1586 Штекерное соединение (Stvd) штепсельной розетки 1 прицепа
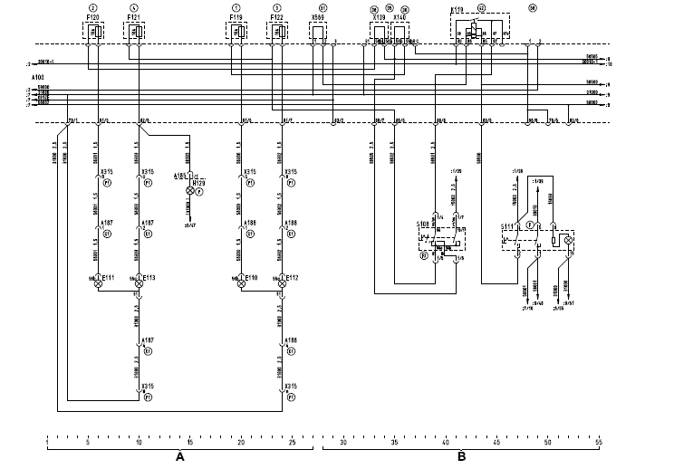
Ближний свет, дальний свет, переключение света
- А - Ближний свет, дальний свет
- В - Переключение света
- А100 (100) Центральное распределительное устройство электрооборудования автомобиля
- А185 (167) Блок сигнализаторов
- А187 (492) Фара левая
- А188 (492) Фара правая
- Е110 (190) Ближний свет, правый
- Е111 (190) Ближний свет, левый
- Е112 (191) Дальний свет, левый
- Е113 (191) Дальний свет, правый
- F119 (101) Предохранитель ближнего света, правый
- F120 (101) Предохранитель ближнего света, левый
- F121 (101) Предохранитель дальнего света, левый
- F122 (101) Предохранитель дальнего света, правый
- Н129 (105) Сигнализатор дальнего света
- К119 (261) Реле дальнего и ближнего света
- S108 (107) Выключатели на колонке рулевого управления (сигнал поворота, стеклоочиститель и фары)
- S111 (228) Переключатель света
- Х139 (108) Перемычки на Центральном распределительном устройстве электрооборудования автомобиля (поз. 36)
- Х140 (108) Перемычки на Центральном распределительном устройстве электрооборудования автомобиля (поз. 36)
- Х315 Штекерное соединение (Stvd) кабины с фарой
- Х569 (104) Перемычки на Центральном распределительном устройстве электрооборудования автомобиля (поз. 51)
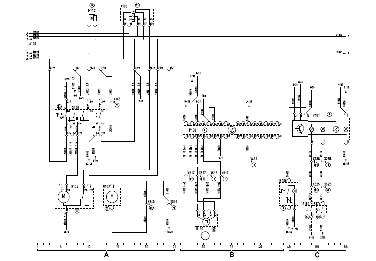
Свободные электрические цепи, нагревательный прибор, задние противотуманные форы
- А - Свободные электрические цепи
- В - Отопитель
- С - Задние противотуманные фары
- А100 (100) Центральное распределительное устройство электрооборудования автомобиля
- А106 (495) Отопитель
- А189 (195) Задний габаритный сигнал, правый
- А190 (195) Задний габаритный сигнал, левый
- Е124 Задняя противотуманная фора, левая
- Е125 Задняя противотуманная фора, правая
- F124 (101) Предохранитель задней противотуманной фары
- F133 (104) Предохранитель отопителя
- F166 (103) Предохранитель зеркала, стеклоподъемника
- К118 (100) Реле задней противотуманной фары
- К675 (279) Реле задней противотуманной фары
- S555 (560) Кнопка задней противотуманной фары
- X141 (104) Перемычки на Центральном распределительном устройстве электрооборудования автомобиля (поз. 36)
- Х238 Штекерное соединение (Stvd) кабины с двигателем
- Х315 Штекерное соединение (Stvd) кабина водителя - фара"
- Х316 Штекерное соединение (Stvd) "кабина водителя - рама"
- Х327 Штекерное соединение (Stvd) электромагнитного золотника рамы
- Х460 Штекерное соединение (Stvd) специального оснащения
- Х574 Штекерное соединение (Stvd) контура (1-2) тормозного привода
- Х625 Штекерное соединение (Stvd) "Двигатель - коробка передач'
- Х637 Штекерное соединение (Stvd) дифференциального блокировочного механизма (задняя часть рамы)
- X1336 Штекерное соединение (Stvd) устройства для измерения износа тормозных колодок переднего моста I, справа
- X1337 Штекерное соединение (Stvd) устройства для измерения износа тормозных колодок переднего моста I, справа
- X1340 Штекерное соединение (Stvd) устройства для измерения износа тормозных колодок переднего моста I, справа
- X1341 Штекерное соединение (Stvd)
- Х1586 Штекерное соединение (Stvd) соединения штепсельной розетки 1 прицепа
- Х1587 Штекерное соединение (Stvd) соединения штепсельной розетки 2 прицепа
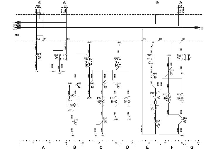
Распределитель электрической цепи 30006, внутреннее освещение, освещение ступенек входа, освещение самоходного шасси, электрозажигалка, освещение пепельницы, распределитель электрической цепи 58000
- А - Распределитель электрической цепи 30006
- В - Внутреннее освещение
- С - Освещение ступенек входа
- D - Освещение самоходного шасси
- Е - Электрозажигалка
- F - Освещение пепельницы
- G - Распределитель электрической цепи 58000
- А100 (100) Центральное распределительное устройство электрооборудования автомобиля
- Е127 (121) Внутреннее освещение
- Е150 (127) Освещение правого входа
- Е162 (127) Освещение левого входа
- Е176 (161) Освещение самоходного шасси
- Е177 (133) Освещение слева
- Е178 (133) Освещение справа
- F125 (101) Предохранитель в осветительной электрической цепи панели управления, выключателей и прожектора-искателя
- F128 (101) Предохранитель длительно включенных потребителей энергии
- F158 (124) Предохранитель зажигалки
- R108 (110) Зажигалка
- S181 (598) Контактный выключатель левой двери
- S182 (598) Контактный выключатель правой двери
- X157 Перемычки на Центральном распределительном устройстве электрооборудования автомобиля (поз. 46)
- Х316 Штекерное соединение (Stvd) "кабина водителя - рама"
- Х345 Штекерное соединение (Stvd) для подключения в средней и внешней части автомобиля
- Х346 Штекерное соединение (Stvd) для электрической цепи правого входа
- Х347 Штекерное соединение (Stvd) для электрической цепи левого входа
- Х348 (130) Распределитель электрической цепи 30006
- Х462 Штекерное соединение (Stvd) для электрической цепи освещения потолка и рекламных текстов
- Х644 (130) Распределитель электрической цепи 58000
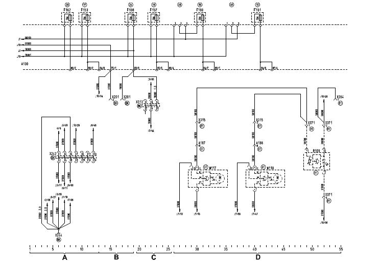
Распределитель электрической цепи 31000, энергообеспечение диагностической системы, распределитель электрической цепи 16000, регулирование угла наклона фар
- А - Распределитель электрической цепи 31000
- В - Энергообеспечение диагностической системы
- С - Распределитель электрической цепи 16000
- D - Регулирование угла наклона фар
- А100 (100) Центральное распределительное устройство электрооборудования автомобиля
- А187 (492) Фара-прожектор левая
- А188 (492) Фара-прожектор правая
- FI08 (103) Предохранитель системы контроля работы автомобиля
- F153 (101) Предохранитель коробки передач
- F157 (101) Предохранитель центральной системы смазки
- F160 (105) Предохранитель в сети энергообеспечения антиблокировочного устройства тормозной системы (ABS) прицепа
- F161 (103) Предохранитель в сети энергообеспечения антиблокировочного устройства (ABS) ограничительного клапана пневматического тормозного привода
- F162 (101) Предохранитель е системе автоматического управления антиблокироеочного устройства (ABS)
- М117 (156) Вспомогательный двигатель регулирования дальности света, левый
- М118 (156) Вспомогательный двигатель регулирования дальности света, правый
- R109 (112) Исполнительный потенциометр для регулирования дальности света
- Х201 Штекерное соединение (Stvd) диагностической системы (коды световой сигнализации)
- Х242 (130) Распределитель точек заземления на щитке приборов, левый
- Х244 Распределитель точек заземления на щитке приборов, правый
- Х313 (130) Распределитель электрической цепи 16000
- Х315 Штекерное соединение (Stvd) кабины с фарой
- Х364 Распределитель электрической цепи 58000
- Х371 Штекерное соединение (Stvd) устройства регулирования дальности света










