Тренинг персонала сервиса по ECAS / EFR (CDC) MAN

ПНЕВМОСХЕМЫ
TG двухосник 4X2 BL седельный тягач
TG двухосник 4X2 BL грузовик
TG двухосник 4X2 LL грузовик/седельный тягач

TG грузовик с задним поддерживающим подъемным мостом 6X2 LLL

TG грузовик со средним поддерживающим мостом 6X2 BLL

TG грузовик со средним поддерживающим подъемным мостом 6X2 BLL

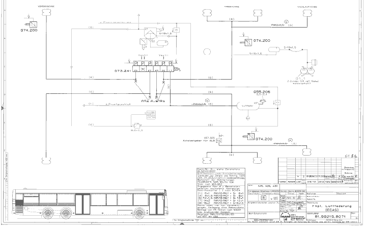
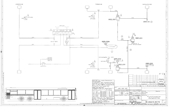
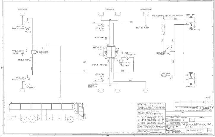
Функциональные схемы автобусов
A 21

A 23 / A 24 выпуска до середины 2004 г.

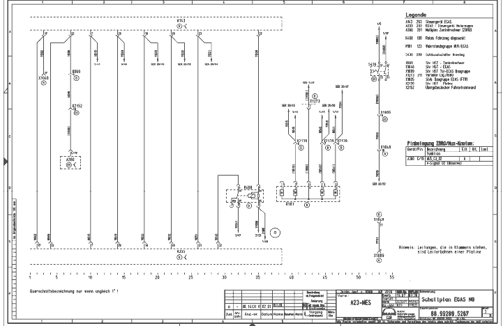
A 23 / A 24 выпуска с середины 2004 г.

A 25

A 25 с ассистентом трогания с места

R 02

R 03

Neoplan Starliner 2

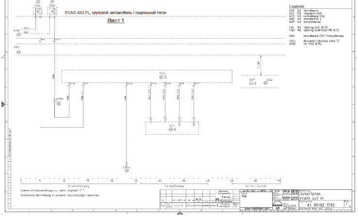
ЭЛЕКТРОСХЕМЫ
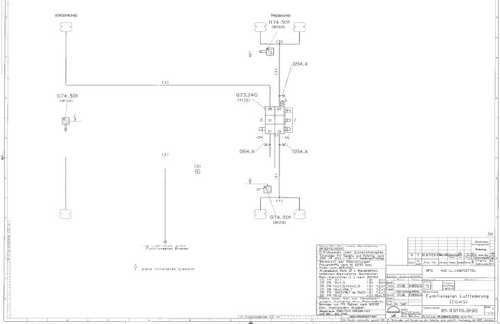
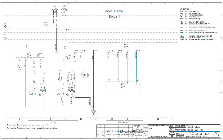
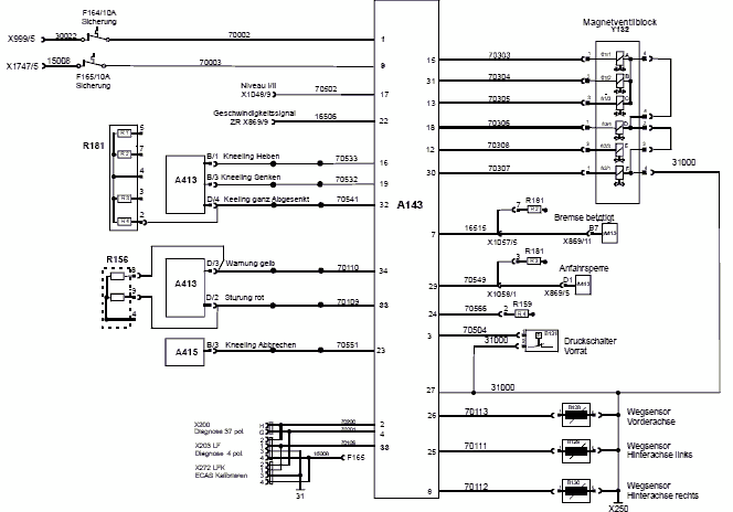
Система ECAS 4X2 FL, седельный тягач
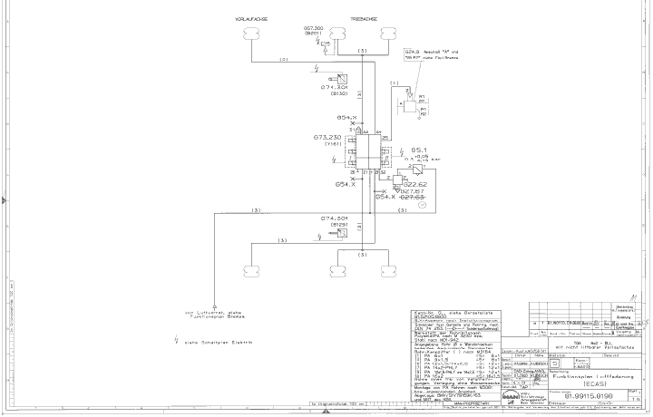
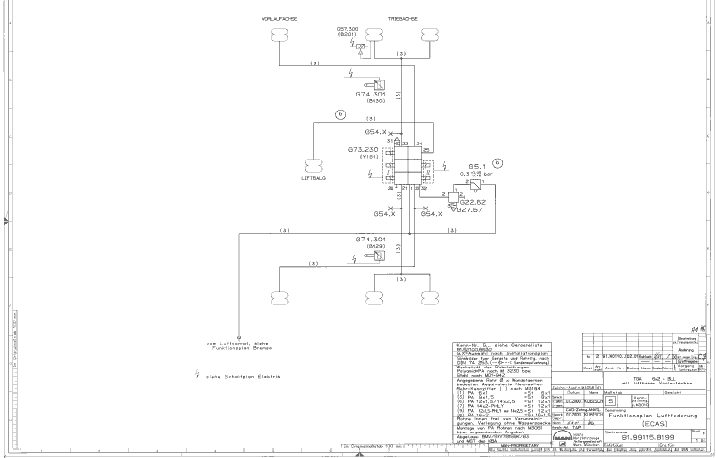
Система ECAS 4X2 FL, грузовой автомобиль или седельный тягач


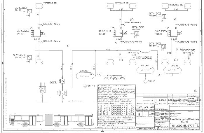
Система ECAS 4X2 FLL


Система ECAS 6X2 FLL с системой EFR


Система ECAS 6X2 VFL с поддерживающим средним мостом


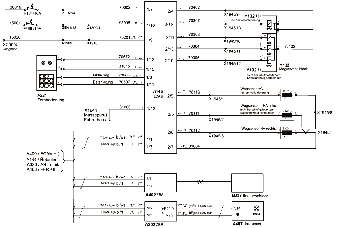
Шина ECAS T-CAN

Переключатель дорожного просвета ECAS I / II

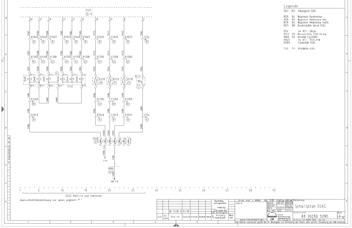
Сводная схема системы ECAS 4X2 TG

Сводная схема системы ECAS 6X2 TG

Электросхемы автобусов
Система ECAS, городской автобус A 21



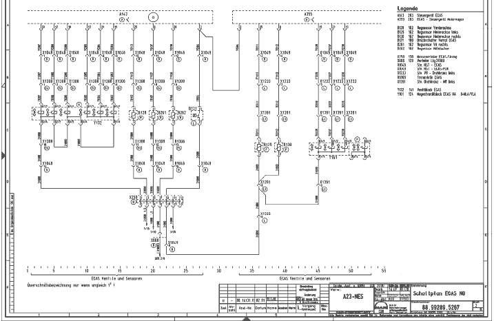
Система ECAS, городской автобус A 23 / сочлененный автобус NES



Система ECAS, городской автобус A 23 / сочлененный автобус с электронной системой TEPS



Система ECAS, городской автобус A 25




Система ECAS, междугородний автобус R 07/08



Сводная схема системы ECAS городского автобуса A 25

Сводная схема системы ECAS автобуса R 02 / 07

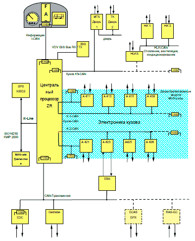
Шина передачи данных
Для регулировки и управления функциональными процессами и давлением используются такие системы, как, например, электронная система управления пневмоподвеской ECAS, электронная система EBS или блок подготовки воздуха ECAM.
Эти и другие системы автомобиля обмениваются данными по шине CAN-Bus. Это позволяет собрать полную информацию от всех систем.
Шина данных CAN автомобилей TGL / TGM

Шина данных CAN автомобилей TGA

Шина данных CAN-Bus с мультиплексорными узлами

Автобус с электронной системой TEPS
Twin Electric Platform System Siemens VDO FAP (демультиплексор DMUX) или MOKI NEOPLAN (демультиплексор DMUX), центральный бортовой компьютер автобуса ZBRO (центральный компьютер ZR2-тормозной системы BS), центральный бортовой компьютер ZBR II, и система управления трансмиссией FFR (серия Lion‘s City; серия Centroliner; серия Tourliner)

Siemens VDO MOKI NEOPLAN (демультиплексор DMUX), центральный бортовой компьютер автобуса ZBRO (центральный компьютер ZR2-тормозной системы BS), центральный бортовой компьютер ZBR II и система управления трансмиссией FFR (серия Starliner 2)

СЛЕДУЮЩИЕ СОДЕРЖАНИЯ
которые будут доступны пользователям
в 60 обновлении
Описание электронной системы управления пневмоподвеской ECAS
- Общие сведения о системе ECAS
- История создания
- Преимущества
- Контур регулирования системы ECAS
- Системы EFR / CDC
- Аргументы
- Стабилизация поперечных колебаний
- Варианты
- Стандартная комплектация
- Активная стабилизация поперечных колебаний
- Стабилизация поперечных колебаний при высоком центре тяжести
- Активная стабилизация поперечных колебаний при высоком центре тяжести
ОБЗОР ТИПОВ
- Trucknology Generation A ( H01-H99 )
- Trucknology Generation L ( N01-N99 )
- Trucknology Generation M ( N01-N99 )
- Городской автобус MAN ( A01-A99 )
- Междугородний автобус MAN ( R01-R99 )
- Городской автобус Neoplan
- Городской автобус Neoplan ( P01-P99 )
Описание принципа действия системы ECAS
- Система поддержания просвета
- Допустимые отклонения от заданной величины дорожного просвета
- Импульсный регулятор
- Регулятор продольного наклона
- Время задержки
- Прекращение движения
- Начало движения
- Торможение
- После начала движения
- Управление подъемного/поддерживающего моста
- Ассистент трогания с места
Изменение дорожного просвета
- Стандартный дорожный просвет I и II
- Ограничение значений дорожного просвета
- Максимальный дорожный просвет
- Минимальный дорожный просвет
Пневмодроссель
- Мост с датчиком хода подвески
Управление подъемным/поддерживающим мостом
- Опускание подъемного моста
- Нагружение поддерживающего моста
- Подъем подъемного моста
- Разгрузка подъемного/поддерживающего моста
- Управление подъемным/поддерживающим мостом после повторного включения зажигания
- С сохранением действующих значений
- Без сохранения действующих значений
- Изменение стандартного дорожного просвета при поднятом подъемном мосте
Ассистент трогания с места
- Включение ассистента трогания с места
- Изменение дорожного просвета при включенном ассистенте трогания с места
- Завершение функции ассистента трогания с места
Ограничение давления
- Ограничение давления в пневмобаллоне
- Удержание остаточного давления в баллонах подъемного / поддерживающего моста
- Распознавание торможения
- Скорость регулировки
- Предохранительная планка (датчик препятствия)
- Обработка сигнала контакта 24 блоком управления системы ECAS
- Система управления шасси автомобиля EFR
- Описание принципа действия ECAS CAN 2
- Индикатор осевой нагрузки
- Дистанционное управление
- Подробнее о дорожном просвете
- Допуски
- Калибровка
- ГРУЗОВОЙ АВТОМОБИЛЬ
- АВТОБУС
- Шасси
- Датчики давления
- Калибровка датчиков давления
КОМПОНЕНТЫ ECAS
- Блок управления ECAS грузовых автомобилей и автобусов с технологией TGA
- Блок управления ECAS / EFR
- Блок управления ECAS в автобусе с MUX
- Блоки управления ECAS 2
- Блок управления (блок управления двигателя)
- Электромагнитные клапаны ECAS
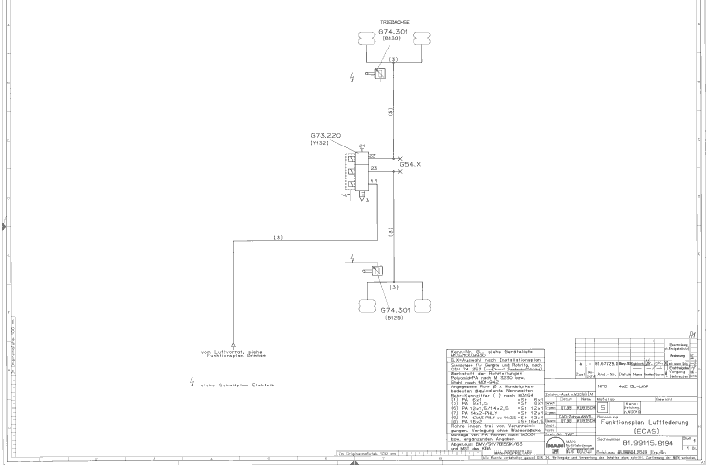
- Блок электромагнитных клапанов G 73.220 (задний мост) Y132
- Блок электромагнитных клапанов G 73.240 (передний мост/задний мост) Y132
- Блок электромагнитных клапанов G 73.221 седельного тягача Y132
- Блок электромагнитных клапанов G 73.210 / передний мост Y162
- Блок электромагнитных клапанов G 73.230 заднего / переднего поддерживающего моста Y161
- Блок электромагнитных клапанов G 73.241 автобуса Y132
- Обозначения пневматических выводов ECAS
- Датчик перемещения G74.xxx
- Пневмовыключатель G 55.XXX
- Пневмовыключатель G57.302 (ECAS CAN II)
- Устройство дистанционного управления (A 221)
- Изменение уровня R 0X, междугородные автобусы (TEPS)
- 3/2-ходовый клапан G 24.9 WABCO
- Система амортизации с пневмоподвесками LDS
- EFR / CDC амортизатор (гибкая система амортизации)
Диагностика и калибровка
- Шина с MUX
- Считывание сохраненных сообщений о неисправностях
- Очистка памяти неисправностей
- Регулировка (калибровка) системы ECAS, общие сведения
- Ручная калибровка блока управления, 35 контактов (общ. сведения)
- Особенности автобуса
- Диагностический комплекс MAN_Cats I
- Диагностика
- Программирование EOL (замена блоков управления)
- Установочные значения для TG
- Диагностика с помощью MAN - cats II
- Диагностика грузовиков TG с помощью MAN Cats II
- Ходовая часть
- Выборочная информация о MAN- cats II
- Идентификация блоков управления
- Мониторинг
- Проверка исполнительных элементов
- Параметр
- Калибровка
- Перечень кодов неисправностей системы лектронного управления пневмоподвеской ECAS
- Протокол диагностики из руководства по ремонту
ПРИМЕРЫ СО СЛЕДУЮЩИХ СОДЕРЖАНИЙ
Описание электронной системы управления пневмоподвеской ECAS
История создания
Пневмоподвески применяются на коммерческих автомобилях (сначала только на автобусах) с середины 50-х годов. Со временем пневмоподвески стали чаще использоваться и на грузовых автомобилях.
Сначала управление происходило с помощью всем известных пневмоклапанов исключительно механическим способом, но вскоре был разработан электромеханический способ регулировки.
Но самой прогрессивной разработкой в этой области является система ECAS. Это электронная система управления пневмоподвеской, выполняющая множество функций. Ее главная задача - регулировка и поддержание заданного дорожного просвета даже при изменении загрузки автомобиля.
Это привело к улучшению удобства управления и облегчило подъем и опускание кузова. Использование электронной системы управления позволяет устранить недостатки традиционной системы.
В отличие от механической системы управления пневмоподвеской система ECAS управляется электронным блоком управления, обрабатывающим сигналы датчиков и приводящим в действие
электромагнитные клапаны, нагнетающие или сбрасывающие воздух из пневмобаллонов.
Система ECAS постоянно дорабатывается и модернизируется !!

Преимущества
Основания для использования пневмоподвески вместо механической подвески:
⇒повышение комфорта при движении и обеспечение сохранности груза благодаря мягкости подвески и небольшой частоте собственных колебаний
⇒поддержание постоянного дорожного просвета, независимо от загрузки автомобиля
⇒возможность изменения дорожного просвета с одной стороны (Kneeling)
⇒уменьшение расхода воздуха во время движения
⇒малый монтажный объем узлов, обычно требующих большого пространства для установки
⇒такие дополнительные функции, как изменение дорожного просвета (Kneeling), защита от перегрузки для ассистента трогания с места
⇒более быстрое нагнетание и сброс воздуха из пневмобаллонов за счет большого сечения клапанов
⇒изменение дорожного просвета с помощью дистанционного управления
Контур регулирования системы ECAS

Системы EFR / CDC
EFR: Система управления шасси автомобиля
CDC: Электронная система управления амортизацией шасси (Continuous Damping Control)
Системы EFR / CDC управляют ходовой частью, включающей регулируемые амортизаторы с различными изменяемыми параметрами.
Система EFR управляет амортизацией шасси, выбирая оптимальный режим в зависимости от загрузки автомобиля, режима движения и состояния дорожного покрытия. В условиях свободного движения в прямом направлении вне зависимости от загрузки автомобиля включается комфортный режим мягкой
подвески. Переключение на более безопасный режим жесткой подвески происходит в зависимости от изменения режима движения.
В зависимости от загрузки автомобиля и режима движения система включает режим средней или максимальной жесткости подвески.
Система EFR соединена с электронной системой управления пневмоподвеской ECAS и является ее составной частью.
Преимущества
⇒Повышенный комфорт и безопасность движения ⇒Комфортный режим мягкой подвески при свободном движении в прямом направлении за счет существенного уменьшения усилий
регулируемых амортизаторов по сравнению с нерегулируемыми ⇒Обеспечение сохранности груза при транспортировке и уменьшение негативного воздействия на дорожное покрытие ⇒Более комфортное восприятие колебаний
Стабилизация поперечных колебаний
Главной целью фирмы MAN является обеспечение безопасности и комфорта. Применение инновационных технологий позволяет обеспечить более эффективную стабилизацию поперечных
колебаний. Имеется 3 варианта стабилизации поперечных колебаний.
Варианты
Стандартная комплектация
Стабилизаторы и серийные амортизаторы
Вариант 1:
Активная стабилизация поперечных колебаний
Включает стабилизаторы и электрорегулируемые амортизаторы, используемые на седельных тягачах и в шасси.

Вариант 2:
Стабилизация поперечных колебаний при высоком центре тяжести
Включает стабилизаторы, усиленные амортизаторы и крестообразные рычаги подвески, используемые в шасси автомобилей.

Вариант 3:
Активная стабилизация поперечных колебаний при высоком центре тяжести
Включает стабилизаторы, крестообразные рычаги и электрорегулируемые амортизаторы, используемые в шасси автомобилей.

S Стандартная комплектация
1 Активная стабилизация поперечных колебаний (для седельных тягачей и шасси)
2 Усиленная стабилизация поперечных колебаний (для шасси)
3 Активная усиленная стабилизация поперечных колебаний (для шасси)

Продолжение и все тренинги персонала сервисов -
будут доступны пользователям
в 60 обнолении.



