Обучение персонала по электрике Volvo Truck

Содержание
- Пример схемы соединений
- Экспликация схемы соединений компонентов
- Экспликация к рисункам
- Плавкие предохранители
- Реле
- Жгуты электропроводки
- Заземления
- Перечень подключений заземления
- Разъемы
- Перечень компонентов
- Сокращения
- Цветовая кодировка кабеля
Пример схемы соединений
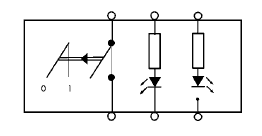
Название подсхемы, вариант и обозначение.

Координаты (B 1).

30 Постоянно присутствует напряжение, кл.30.
15 Напряжение с ключом зажигания в положении ”езда”, кл.15.
Напряжение DR с ключом зажигания в положении ”езда”, положении подогрева и пуска, кл. DR.
61 Напряжение при работе генератора переменного тока на заряд, кл.61.

Узловая точка цепи.

Плавкий предохранитель.

Ссылочная стрелка на схему BA, координаты 0 C, компонент A17, разъем PA, вывод 29.

Показан максимум вариантов, но нужно учесть, что не все провода и компоненты показаны для всех
шасси.

Выключатель.

Реле.

Проводник на монтажной плате.

Разъем MB вывод 9.

Сечение и цвет провода.

Тонкие линии, кабели.

Точка заземления 4, заземление 1 и провод 2.

Заземление монтажной платы.

Заземление без кабеля.

Одинаковые узловые точки могут быть показаны на нескольких схемах. Провод от узловой точки к точке заземления показан, но обозначен только на одной схеме. На других схемах точка заземления указана рядом с узловой точкой.

Экспликация схемы соединений компонентов.
- AA Источник питания, система запуска
- AE ADR, главный выключатель
- BA ECU автомобиля
- BE ACC Адаптивный круиз-контроль
- BI Контрольно-измерительные приборы
- BM Тахограф в приборном щитке
- BN Тахограф на радио полке
- BU Dynafleet
- BX FMS Gateway (Шлюз FMS)
- CM Устройство сопряжения с двигателем
- CO Двигатель D9/D12 (D12 более ранняя конструкция ≈ неделя 50 2003 ⇐) Двигатель D12 (более поздняя конструкция ≈ неделя 51 2003 ⇒) Двигатель D16
- CP Функции ISX, преобразователь ABS 12 V прицепа (только AUS)
- CS Двигатель ISX (только AUS)
- CU Водоотделитель топливного фильтра, дренаж
- DB Блок управления, избиратель передач
- DE Система автоматического переключения передач Geartronic
- DI Powertronic
- DM Замедлитель ручного переключения передач
- DN Переключатель I-shift
- DQ Механизм отбора мощности
- DU Устройство блокировки дифференциала
- EC Питание систем ABS/EBS прицепа
- EE Основная система ABS, D-version
- EI ABS/ASR D-version
- EO EBS ECU
- EP Модуляторы EBS
- EQ ESP
- FA Пневматическая подвеска
- FG Указатель нагрузки
- FK Подъемное устройство ходовой части A-ride
- FM Осевой фиксатор, самоуправляемая ось
- FP Ось с гидравлическим управлением
- FQ Воздухоосушитель
- FU Центральная смазочная система
- GA Основной свет LCM
- GB Прицеп, LCM, HL-HID
- GC Задние огни, LCM
- GD Держатель предохранителя, LCM
- GK Соединитель прицепа (только AUS)
- GM Очиститель ветрового стекла, омыватель
- GQ Звуковой сигнал
- GU Регулировка уровня света фар
- HG Устройство климат-контроля, CU,-BAS,-MCC,-ECC
- HI Отопитель кабины
- HM Отопитель кабины и двигателя
- HP Отопитель на кратковременных стоянках
- HY Устройство климат-контроля, CU,-HEAT,-ACMAN,-ACAUT.
- HZ Устройство климат-контроля, Бразилия
- IA Сиденье с регулировкой/электроподогревом
- IE Зеркала с регулировкой/электроподогревом, электроподъемники окон
- IF Рычаг складного зеркала заднего вида
- IH Лампы внутреннего освещения кабины
- IM Центральный замок, иммобилайзер
- IQ Электрический раздвижной солнечный люк, прикуриватель, холодильник
- IR Источник питания 12V
- IS SWM, SRS, Подушка безопасности
- IU Радио
- IX Телефон
- IZ Камера
- KA Электрическое откидывание кабины
- KE Освещение груза, лампа 5-го колеса
- KI Светящиеся знаки
- KM Сигнальный предупредительный огонь
- ME Блок дополнительных предохранителей, коммутационное реле стартера
- NA Оборудование кузова (BB), auxsw-6 и swapbody
- NC Оборудование кузова (BB), ELCE-CK, BBM, PTO2
- NI Дополнительные передние/верхние прожекторы, макс. 4х70W
- NK Охранная сигнализация
- NR Оборудование кузова (BB), устройство опрокидывания ”HYDRKIT”
- NU Оборудование кузова (BB), DUAL-SPEED
- XA Шина J1708/J1587
- XB Шина J1939
Экспликация к рисункам
- - Антенна
- - Кабели аккумулятора
- - Выключатели
- 1000 Жгут электропроводки, приборы
- 1006 Жгут электропроводки, крыша
- 1007 Жгут электропроводки, пол
- 1018 Жгут электропроводки, устройство климат-контроля
- 1020 Жгут электропроводки, капот
- 1025 Жгут электропроводки, двигатель-шасси
- 1030 Жгут электропроводки, двигатель
- 1037 Жгут электропроводки, подъемное устройство ходовой части
- 1040 Жгут электропроводки, рама
- 1047 Жгут электропроводки, сигнальный огонь на крыше
- 1056 Жгут электропроводки, воздухоосушитель
- 1062 Жгут электропроводки, парковочный отопитель, рама
- 1063 Жгут электропроводки, соединитель прицепа
- 1072 Жгут электропроводки, шасси пневматической подвески
- 1077 Жгут электропроводки, габаритные огни
- 1083 Жгут электропроводки, дверь
- 1086 Жгут электропроводки, шасси ABS
- 1401 Жгут электропроводки, электромагнитные клапаны
- 1403 Жгут электропроводки, замедлитель
- 1435 Жгут электропроводки, главный выключатель
- 1436 Жгут электропроводки, освещение знака на крыше
- 1458 Жгут электропроводки, привод передних колес
- 1460 Жгут электропроводки, кабина-отсек аккумулятора
- 1470 Жгут электропроводки, рычаг складного зеркала заднего вида
- 1472 Жгут электропроводки, указатель нагрузки
- 1476 Жгут электропроводки, кабина-двигатель
- 1484 Жгут электропроводки, напольный переключатель передач
- 1493 Жгут электропроводки, усилитель рулевого управления
- 1494 Жгут электропроводки, коробка передач
- 1499 Жгут электропроводки, кабина-коробка передач
- 1501 Жгут электропроводки, верх передней части
- 1502 Жгут электропроводки, низ передней левой части
- 1503 Жгут электропроводки, низ передней правой части
- 1504 Жгут электропроводки, противопожарная перегородка
- 1505 Жгут электропроводки, подключение оборудования кузова
- 1506 Жгут электропроводки, swap-body
- 1507 Жгут электропроводки, шасси ESP
Плавкие предохранители и реле
- F2 Освещение, грузовая часть .................................... (IH:4 A)
- F3 Лампа освещения груза, освещение 5-го колеса ..... (KE:0 A)
- F4 Выключатель стартера, положение радио .............. (AA:3 C)
- F5 Контрольно-измерительные приборы, (кл.30) ................................. (BI:3 A)
- F6 Свободный ......................... (BA:1 B)
- F7 ECU автомобиля, иммобилайзер ................... (BA:1 B)
- F8 Контрольно-измерительные приборы, (кл.DR) ................................ (BI:0 A)
- F9 Система запрета диапазонов, запрет зоны . (BA:0 A)
- F10 Воздухоосушитель с электронным управлением ...................... (FQ:1 A)
- F11 Блок управления, збиратель передач ..........(DB:1 B/(DM:0 B)
- F12 Блок управления, коробка передач ............................... (DB:1 B/DM:1 B)
- F13 Очистители ветрового стекла ................................. (GM:3 A)
- F14 Прикуриватель, лампа центрального вещевого отсека ................................. (IQ:2 A)
- F15 Водный сепаратор, отопитель и система отвода воды .................................... (CU:0 A)
- F16 Блокировка дифференциала, отбор мощности ........................... (DQ:0 A/DU:1 A)
- F17 Блок управления, внешнее освещение ......................... (GA:0 A)
- F18 Звуковой сигнал, электромагнитный клапан для пневматического звукового сигнала ....... (GQ:1 A)
- F19 Устройство климат-контроля ............................ (HG:0 A)
- F20 Центральные дверные замки .................................. (IM:1 A)
- F21 Вентилятор, устройство климат-контроля ............... (HY:0 A)
- F22 Внутреннее освещение кабины ................................ (IH:1 A)
- F23 Пневматическая подвеска ............................. (FA:4 A)
- F24 Воздухоосушитель, парковочный отопитель ADR/TRS ............................. (FQ:0 A)
- F25 Питание систем ABS/EBS прицепа .............................. (EC:1 A/CP:4 A)
- F26 Держатель предохранителя оборудования кузова ............... (ME:3 B)
- F27 Левый электроподъемник окна, зеркала заднего вида с электроподогревом. ................. (AA:3 B)
- F28 Электропитание, ABS/EBS ....... (EE:0 A/EI:0 A/EO:2 A)
- F29 Кофеварка ................................. (ME:1 A)
- F30 Электроподъемник окна, правая сторона ....................................... (AA:3 B)
- F31 Парковочный отопитель .......... (HI:0 A/HM:0 A/HP:0 A)
- F32 ECC устройство климат-контроля .................................... (HG:0 A)
- F33 Электрическое откидывание кабины ........................................ (KA:0 A)
- F34 Свободный ................................. (ME:1 A)
- F35 Сиденье с электрорегулировкой .............. (IA:2 A)
- F36 Свободный ................................. (ME:4 B)
- F37 Dynafleet ..................................... (AA:3 B)
- F38 Входные лампы ......................... (AA:3 B)
- F39 Зеркала заднего вида с электрорегулировкой .............. (AA:3 B)
- F40 Блок управления двигателем .. (CM:1 A)
- F41 Электромагнитные клапаны двигателя, электрический топливный насос ....................... (CM:3 A)
- F42 Предварительный подогреватель двигателя, электрически регулируемый охлаждающий вентилятор ....... (CM:2 A)
- F43 BBM (модуль оборудования кузова) ........................................ (BA:1 A)
- F44 Преобразователь напряжения для радио / выход 12V .............. (IR:0 A)
- F45 Дополнительный преобразователь напряжения / выход 12V ................................... (IR:1 A)
- F46 Сигнальный предупредительный огонь ........................................... (KM:0 A)
- F47 Свободный ................................. (ME:0 A)
- F48 ABS/EBS, выключатель EBS ..... (EE:0 A/EI:0 A/EO:0 A)
- F49 Пневматическая подвеска/Aride/дополнительный мост .......(FA:3 A/FK:1 A)
- F50 Телефон ..................................... (IX:0 A)
- F52 Подогорев, реле разгрузки, положение радио ...................... (AA:1 A)
- F53 Светящийся знак ....................... (KI:1 A)
- F54 Dynafleet ..................................... (BU:0 A/BX:0 A)
- F55 Надувная подушка SRS, устройство натяжения ремней безопасности ...................... (IS:0 A)
- F56 ACC, Датчик скорости рыскания .................................... (BE:1 A)
- F57 ECU замедлителя/избирателя передач .......................................(DB:0 A/(DM:1 B)
- F58 ADR/TRS, D+ реле короткого замыкания .................................. (AA:2 A/AE:3 B)
- F59 Реверсивная камера ................. (IZ:0 A)
- F60 Функции ISX (только AUS) ....... (CP:3 A)
- F61 Рычаг складного зеркала заднего вида, Япония, охранная сигнализация ..................... (IF:0 A)
- F62 Свободный ................................. (ME:0 A)
- F63 Свободный/Функции ISX (только AUS) ............................................ (CP:1 A)
- F64 Свободный/Функции ISX (только AUS) ............................................ (CP:2 A)
- F65 Центральная смазочная система ....................................... (FU:0 A)
- F66 Люк в крыше .............................. (IQ:0 A)
- F67 Лампы для чтения, лампы кровати ....................................... (IH:0 A)
- F68 Холодильник ............................. (IQ:3 A)
- F69 Розетка 12 Вольт ....................... (IR:1 C)
- F70 Система ABS/EBS прицепа, (кл.15) .........................................(EC:0 A/CP:4 A)
- F71 Вспомогательное оборудование ............................ (ME:1 A)
- F72 Регулировка уровня света фар .............................................. (GU:0 A)
- F73 Ось с гидравлическим управлением .............................. (FP:1 A)
- F74 Омыватель высокого давления, фары ........................................... (GM:1 A)
- F75 Сиденье с электроподогревом .................. (IA:0 A)
- F76 ADR/TRS, D+ реле короткого замыкания ..................................(AA:4 B/AE:4 B)
- F89 Тахограф .................................... (AA:0 B)
- F90 Преобразователь напряжения 12V, информационный модуль прицепа без ABS ............... (CP:4 C)
- F91 Тахограф, ADR .......................... (AE:0 C)
- FM1 Плавкий предохранитель, главный, предварительный подогрев ..........................(AA:0 B/AE:2 B)
- FM2 Плавкий предохранитель, устройство подъема ходовой части/дополнительное оборудование ...(AA:0 B/AE:1 B)
- FM3 Плавкий предохранитель, главный, кабина и шасси .........(AA:1 B/AE:2 B)
- FM4 Плавкий предохранитель, главный, освещение, резервное питание ..............(AA:0 B/AE:1 B)

- K1 Реле, пусковой выключатель, сброс положения радио ........... (AA:3 B)
- K2 Реле, EMS (система управления двигателем) ................................ (BA:1 A)
- K3 Реле, стартер ............................. (AA:1 C)
- K3B Реле, стартер, Cummins ........... (CS:1 C)
- K4 Реле, блок плавких предохранителей оборудования кузова (кл.15) ............................. (ME:2 A)
- K5 Реле, автоматическая коробка передач .......................................(DB:1 A/DM:0 A)
- K6 Реле, вентилятор, устройство климат-контроля ....................... (HY:0 B)
- K7 Реле, прерывистый режим стеклоочистителя ...................... (GM:1 C)
- K8 Реле, коробка передач, система запрета ....................................... (BA:1 A)
- K9 Реле, лампы внутреннего освещения ................................. (IH:1 A)
- K10 Реле, пятое колесо, рабочий свет ............................................. (KE:0 C)
- K11 Реле, пневматические рессоры ...................................... (FA:4 B)
- K12 Не используется ........................ (ME:4 B)
- K13 Реле, управление от генератора переменного тока ..................... (AA:4 C)
- K14 Реле запаздывания, подъемное устройство ходовой части, A-ride ...................... (FK:1 C)
- K15 Реле запаздывания, подъемное устройство ходовой части, A-ride, с ограничителем осевой нагрузки .... (FK:2 C)
- K16 Реле, подъемное устройство ходовой части, A-ride, с ограничителем осевой нагрузки .... (FK:1 C)
- K18 Реле, ось с гидравлическим управлением .............................. (FP:1 B)
- K20 Реле, D+ короткое замыкание, (для ADR-грузовиков) ............... (AE:4 D)
- K21 Реле, сидение с электрорегулировкой .............. (IA:2 B)
- K22 Реле, вентилятор климат-контроля, 1-я скорость (при работе парковочного отопителя) ... (HY:1 B)
- K23 Реле, наклон кабины ................ (KA:0 C)
- K24 Реле, центральная система смазки ........................................ (FU:0 B)
- K25 Реле, светящийся знак ............. (KI:1 C)
- K26A Реле, рычаг складного зеркала заднего вида, Япония ............... (IF:0 C)
- K26B Реле, рычаг складного зеркала заднего вида, Япония ............... (IF:1 C)
- K27 Реле, газоразрядная лампа, ближний свет, левая сторона .. (GD:1 C)
- K28 Реле, газоразрядная лампа, ближний свет, правая сторона (GD:1 C)
- K30 Реле, сигнальный предупредительный огонь ....... (KM:0 B)
- K35 Реле, омыватель фар высокого давления .................................... (GM:0 C)
- K37A Реле, парковочный свет ........... (NR:0 C)
- K37B Реле, парковочный свет ........... (NA:0 C)
- K38 Реле, выбор давления, опрокидывание прицепа .......... (NA:1 C)
- K38A Реле, выбор давления, опрокидывание прицепа .......... (NR:1 C)
- K38B Реле, выбор давления, опрокидывание прицепа .......... (NR:1 C)
- K39A Реле, подготовленная проводка для оборудования кузова (auxsw-6) A ............... (NR:2 C)
- K39B Реле, подготовленная проводка для оборудования кузова (auxsw-6) A .................. (NA:1 C)
- K40A Реле, подготовленная проводка для оборудования кузова (auxsw-6) B ............... (NR:3 C)
- K40B Реле, подготовленная проводка для оборудования кузова (auxsw-6) B ............... (NA:2 C)
- K41A Реле, подготовленная проводка для оборудования кузова (auxsw-6) C ................. (NR:3 C)
- K41B Реле, подготовленная проводка для оборудования кузова (auxsw-6) C ............... (NA:3 C)
- K42 Реле, прожекторы ..................... (NI:1 B)
- K43 Реле, внешний запуск двигателя ................................... (NC:3 C)
- K45 Реле, подготовленная проводка для оборудования кузова ........ (NU:2 B)
- K48 Реле мощности, предварительный прогрев двигателя ................................... (CM:2 B)
- K49 Реле мощности, двигатель подъемного устройства ходовой части ...................... (FK:3 C)
- K51 Реле мощности, главный выключатель аккумулятора ..... (AA:0 C/CS:0 C)
- K52 Реле мощности, главный выключатель аккумулятора ADR ......................... (AE:0 B)
- K54 Реле, 12V, прицеп ABS .............. (CP:2 D)
Жгуты электропроводки
- 1000 Жгут электропроводки, приборы
- 1006 Жгут электропроводки, крыша
- 1007 Жгут электропроводки, пол
- 1018 Жгут электропроводки, устройство климат-контроля
- 1020 Жгут электропроводки, капот
- 1025 Жгут электропроводки, двигатель-шасси
- 1030 Жгут электропроводки, двигатель
- 1037 Жгут электропроводки, подъемное устройство ходовой части
- 1040 Жгут электропроводки, рама
- 1047 Жгут электропроводки, сигнальный огонь на крыше
- 1056 Жгут электропроводки, воздухоосушитель
- 1062 Жгут электропроводки, парковочный отопитель, рама
- 1063 Жгут электропроводки, соединитель прицепа
- 1072 Жгут электропроводки, шасси пневматической подвески
- 1077 Жгут электропроводки, габаритные огни
- 1083 Жгут электропроводки, дверь
- 1086 Жгут электропроводки, шасси, ABS
- 1401 Жгут электропроводки, электромагнитные клапаны
- 1403 Жгут электропроводки, замедлитель
- 1435 Жгут электропроводки, главный выключатель
- 1436 Жгут электропроводки, освещение знака на крыше
- 1458 Жгут электропроводки, привод передних колес
- 1460 Жгут электропроводки, кабина-отсек аккумулятора
- 1470 Жгут электропроводки, рычаг складного зеркала заднего вида
- 1472 Жгут электропроводки, указатель нагрузки
- 1476 Жгут электропроводки, кабина-двигатель
- 1484 Жгут электропроводки, напольный переключатель передач
- 1493 Жгут электропроводки, усилитель рулевого управления
- 1494 Жгут электропроводки, коробка передач
- 1499 Жгут электропроводки, кабина-коробка передач
- 1501 Жгут электропроводки, верх передней части
- 1502 Жгут электропроводки, низ передней левой части
- 1503 Жгут электропроводки, низ передней правой части
- 1504 Жгут электропроводки, противопожарная перегородка
- 1505 Жгут электропроводки, подключение оборудования кузова
- 1506 Жгут электропроводки, swap-body
- 1507 Жгут электропроводки, шасси, ESP


Заземления


Перечень подключений заземления
- 1:1 (IR:1 E)
- 1:1A (IR:1 E)
- 1:2 (BA:2 D)
- 1:3 (AE:4 D)
- 1:4 (AA:2 E)
- 2:1 (CP:1 E)
- 2:1A (NR:2 C)
- 2:1B (GD:1 D)
- 2:1C (NI:0 E)
- 2:1D (ME:0 B)
- 2:1E (NA:2 C)
- 2:1F (BE:3 E)
- 4:1_1 (GA:1 E)
- 4:1_1 (GA:4 E)
- 4:1_2 (KI:1 B)
- 4:1_3 (KI:1 E)
- 4:1_4 (GA:0 E)
- 4:1_4 (IH:1 E)
- 4:1_4 (NI:1 E)
- 4:1_5 (IH:0 E)
- 4:2_1 (BN:0 D)
- 4:2_1 (BN:1 E)
- 4:2_2 (HI:0 B)
- 4:2_3 (IQ:1 E)
- 4:2_5 (KM:0 D)
- 5:1 (AA:0 E)
- 5:1 (NA:4 D)
- 5:1 (NR:3 D)
- 5:2 (AA:0 E)
- 5:2 (AA:2 E)
- 5:2 (AE:2 E)
- 5:2 (AE:3 E)
- 5:3 (AA:2 E)
- 5:4 (FK:4 E)
- 5:6 (GQ:1 E)
- 5:7 (GC:1 E)
- 5:8 (EC:1 E)
Разъемы
- ADR1:1 (AE:1 C)
- ADR1:2 (AE:1 C)
- ADR2:1 (AE:1 C)
- ADR2:2 (AE:1 C)
- ADR3:1 (AE:2 C)
- ADR3:2 (AE:2 C)
- ADR4:1 (AE:2 C)
- ADR4:2 (AE:2 C)
- AR:1 (DE:1 D)
- AR:2 (DE:0 C)
- AR:3 (DE:0 C)
- AR:4 (DE:0 C)
- AR:5 (DE:1 C)
- AR:6 (DE:1 C)
- AR:7 (DE:1 C)
- AWD:3 (DU:2 C)
- AWD:4 (DU:2 C)
- AWD:5 (DU:4 C)
- AWD:6 (DU:4 C)
- AWD:8 (DU:2 D)
- BA:1 (FK:1 D)
- BA:2 (FK:3 D)
- BA:3 (FK:0 C)
- BA:5 (FK:1 D)
- BA:7 (FK:3 C)
- BA:8 (FK:1 D)
- BAB:1 (XA:4 D)
- BAB:2 (XA:2 D)
- BAB:3 (XA:3 D)
- BAB:4 (XA:2 D)
- BAB:5 (XA:3 D)
- BAB:6 (XA:2 D)
- BAB:7 (XB:3 D)
- BAB:8 (XA:3 D)
- BAB:9 (XA:2 C)
- BAB:10 (XB:3 D)
- BAB:11 (XB:2 D)
- BAB:12 (XB:2 D)
- BAB:13 (XB:3 D)
- BAB:14 (XB:1 D)
- BAB:15 (XB:1 D)
- BAB:16 (XB:3 D)
- BAB:17 (XB:4 D)
- BAB:18 (XB:1 D)
- BB1:1 (AA:0 B)
- BB1:2 (AE:1 D)
- BB1:3 (AE:1 D)
- BB1:4 (AE:1 D)
- BB1:5 (AE:2 D)
- BB1:6 (AE:2 D)
- BB2:1 (AE:1 A)
- BB2:2 (AE:1 D)
- BB2:3 (AE:1 D)
- BBM:1 (AA:0 B)
- BBM:2 (AA:0 B)
- BBM:3 (AA:1 C)
- BCD:1 (XA:2 B)
- BCD:2 (XA:3 B)
- BCD:3 (XB:0 B)
- BCD:4 (XA:2 B)
- BCD:5 (XA:2 B)
- BCD:6 (IS:2 D)
- BCD:7 (XA:3 B)
- BCD:8 (XA:3 B)
- BCD:9 (XB:0 B)
- BCD:10 (XA:3 B)
- BCD:11 (XA:4 B)
- BCD:12 (IS:2 D)
- BCD:13 (XA:2 B)
- BCD:14 (XA:4 B)
- BL:1 (KM:0 C)
- BL:3 (KM:0 D)
- BL:2:1 (KM:1 D)
- BL:2:2 (KM:1 D)
- BL:3:1 (KM:0 C)
- BL:3:3 (KM:0 D)
- BN:1 (FA:2 A)
- BN:2 (FA:1 D)
- BN:3 (FA:1 D)
- BN:4 (FA:2 D)
- BN:5 (FA:1 C)
- BN:6 (FA:1 C)
- BN:7 (FA:1 C)
- BN:8 (FA:2 D)
- BN:9 (FA:0 C)
- BN:10 (FA:1 D)
- BN:11 (FA:2 C)
- BN:12 (FA:1 C)
- BN:13 (FA:2 C)
- BN:14 (FA:0 D)
- BN:15 (FA:1 D)
- BN:16 (FA:1 D)
- BN:16 (FG:1 C)
- BN:17 (FA:1 D)
- BN:18 (FA:1 D)
- BN:18 (FG:0 C)
- BN:19 (FA:0 D)
- BN:20 (FA:0 D)
- BN:21 (FM:0 D)
- CA:1 (DQ:0 D)
- CA:2 (GB:3 B)
- CA:3 (DU:1 C)
- CA:4 (DQ:0 C)
- CA:5 (GB:3 B)
- CA:6 (EO:3 B)
- CA:9 (DU:1 C)
- CA:10 (EO:3 B)
- CA:11 (EO:3 B)
- CA:12 (EO:3 B)
- CA:13 (EO:3 B)
- CA:14 (EO:3 B)
- CA:15 (EO:3 B)
- CA:16 (DU:1 D)
- CA:17 (FU:0 C)
- CA:18 (FU:0 D)
- CA:19 (NC:0 C)
- CA:19 (NU:0 C)
- CA:20 (NC:1 C)
- CA:20 (NU:1 C)
- CB:1 (FQ:0 B)
- CB:2 (FQ:0 D)
- CB:3 (BA:0 D)
- CB:3 (FQ:2 B)
- CB:4 (BA:0 D)
- CB:5 (FQ:2 D)
- CB:6 (FQ:2 D)
- CC/CJ:1 (IZ:2 B)
- CC/CJ:2 (IZ:2 B)
- CC/CJ:3 (IZ:1 A)
- CC/CJ:4 (IZ:1 B)
- CC/CJ:5 (IX:2 B)
- CC:1 (DE:3 D)
- CC:3 (DE:3 C)
- CC:4 (DE:2 C)
- CC:5 (DE:3 C)
- CC:6 (DE:2 C)
- CC:9 (DE:2 C)
- CC:10 (DE:2 C)
- CC:11 (DE:2 C)
- CC:12 (DE:2 D)
- CFD:1 (DM:3 C)
- CFD:2 (DM:2 C)
- CFF:1 (CP:4 B)
- CFF:2 (CP:4 B)
- CFF:3 (CP:3 C)
- CFF:4 (CP:3 C)
- CFF:5 (CP:4 C)
- CLA:1 (IA:0 B)
- CLA:2 (IA:1 B)
- CLA:3 (BI:1 C)
- CLA:4 (IA:0 D)
- CLA:5 (IH:4 D)
- CLA:6 (BI:3 D)
- CLA:7 (NK:0 D)
- CLA:9 (AE:2 C)
- CLA:10 (AE:2 C)
- CLA:11 (AE:2 C)
- CLA:12 (AE:2 C)
- CLA:16 (IS:3 C)
- CLA:17 (IS:3 C)
- CLA:19 (IQ:3 C)
- CLA:20 (BI:3 D)
- CLA:21 (IQ:3 D)
- CLB:1 (DB:1 C)
- CLB:2 (DB:1 C)
- CLB:3 (DB:0 B)
- CLB:4 (DB:0 B)
- CLB:7 (DB:0 D)
- CLB:8 (DB:0 D)
- CLB:9 (DB:0 B)
- CLB:11 (DB:0 B)
- CLB:12 (DB:0 B)
- CLB:15 (DB:1 D)
- CLB:_2:1 (DB:2 C)
- CLB:_2:11 (DB:3 C)
- CLB:_2:12 (DB:3 C)
- CLB:_2:15 (DB:2 D)
- CLB:_2:2 (DB:2 C)
- CLB:_2:3 (DB:3 C)
- CLB:_2:4 (DB:3 C)
- CLB:_2:7 (DB:3 D)
- CLB:_2:8 (DB:2 D)
- CLB:_2:9 (DB:2 C)
- CLC:1 (HI:0 C)
- CLC:2 (HI:0 C)
- CLC:3 (HI:0 C)
- CLC:4 (HI:2 C)
- CLC:6 (HI:2 C)
- CLC:7 (HI:3 C)
- CLC:8 (HI:1 C)
- CLC:9 (HI:1 C)
- CLC:10 (HI:4 C)
- CLC:11 (HI:3 C)
- CLC:12 (HI:2 C)
- CLD:1 (IX:0 C)
- CLD:2 (IX:0 C)
- CLD:3 (IX:1 C)
- CLD:4 (IX:1 C)
- CLE:1 (IA:1 B)
- CLE:2 (IA:3 B)
- CLE:3 (BI:1 C)
- CLE:4 (IA:1 E)
- CLE:5 (IH:4 D)
- CLE:6 (BI:3 C)
- CLE:7 (NK:0 D)
- CLE:8 (IH:4 C)
- CLE:9 (AE:1 C)
- CLE:9 (FA:2 D)
- CLE:10 (AE:1 C)
- CLE:10 (FA:2 D)
- CLE:11 (AE:1 C)
- CLE:11 (FA:2 D)
- CLE:12 (AE:1 C)
- CLE:12 (FA:2 D)
- CLE:13 (FA:3 D)
- CLE:14 (FA:3 D)
- CLE:15 (FA:3 D)
- CLE:16 (FA:3 D)
- CLE:17 (IS:2 C)
- CLE:18 (IS:2 C)
- CLE:20 (BI:3 C)
- CLF:1 (IR:1 B)
- CLF:2 (IR:1 B)
- CLF:3 (IR:1 C)
- CLF:4 (IR:1 D)
- CLF:5 (IR:0 B)
- CLF:6 (IR:0 B)
- CLF:7 (IR:0 C)
- CLF:8 (IR:0 C)
- CLF:9 (IR:0 D)
- CLF:10 (DB:2 B)
- CLF:10 (DM:1 C)
- CLF:11 (DB:1 D)
- CLF:11 (DM:0 D)
- CLF:12 (DM:0 C)
- CLF:13 (XA:3 D)
- CLF:14 (XA:2 D)
- CLF:15 (XB:3 D)
- CLF:16 (XB:2 D)
- CLF:17 (FG:1 C)
- CLF:18 (XA:4 C)
- CLF:19 (XA:2 C)
- CLF:20 (XB:1 C)
- CLF:21 (XB:2 C)
- CLG:1 (EE:0 B)
- CLG:1 (EI:0 B)
- CLG:1 (EO:0 C)
- CLG:2 (EE:0 B)
- CLG:2 (EI:0 B)
- CLG:2 (EO:2 B)
- CLG:3 (EE:3 B)
- CLG:3 (EI:2 B)
- CLG:4 (EO:2 C)
- CLG:5 (EO:2 C)
- CLG:6 (EE:3 B)
- CLG:6 (EI:3 B)
- CLG:6 (EO:1 C)
- CLG:7 (EO:1 C)
- CLG:8 (EO:1 C)
- CLG:9 (EO:0 C)
- CLG:10 (EO:0 C)
- CLG:11 (EO:1 C)
- CLG:12 (EO:1 C)
- CLG:13 (EO:0 D)
- CLG:14 (EO:0 D)
- CLG:15 (EO:1 D)
- CLG:16 (EO:3 C)
- CLG:17 (EO:3 C)
- CLG:18 (EO:3 C)
- CLG:20 (EE:4 D)
- CLG:20 (EI:4 D)
- CLG:20 (EO:2 B)
- CLG:21 (EI:0 C)
- CLG_2:15 (EQ:0 D)
- CLG_2:16 (EQ:0 D)
- CLG_2:17 (EQ:0 D)
- CLG_2:18 (EQ:0 D)
- CLG_2:19 (EQ:2 D)
- CLH:1 (FA:3 C)
- CLH:1 (FK:2 B)
- CLH:2 (FA:4 C)
- CLH:3 (FA:2 C)
- CLH:3 (FK:2 B)
- CLH:4 (FG:0 C)
- CLH:4 (FK:2 B)
- CLH:5 (FA:2 C)
- CLH:5 (FK:2 B)
- CLH:6 (FA:2 D)
- CLH:6 (FK:2 B)
- CLH:7 (FA:2 D)
- CLH:8 (FA:2 D)
- CLH:9 (FA:2 D)
- CLH:10 (FA:3 D)
- CLH:11 (FA:3 D)
- CLH:12 (FA:3 D)
- CLH:13 (FM:0 B)
- CLH:14 (FG:0 C)
- CLH:15 (FG:0 C)
- CLH:16 (FA:3 C)
- CLH:17 (FA:3 C)
- CLH:18 (FG:0 C)
- CLH:19 (FG:1 C)
- CLH:20 (FA:3 C)
- CLH:21 (FA:3 D)
- CLI:1 (EO:0 D)
- CLI:2 (EO:1 D)
- CLI:3 (EO:1 D)
- CLI:4 (EO:1 D)
- CLI:5 (EO:3 C)
- CLI:6 (EO:3 C)
- CLI:7 (EO:3.C)
- CLI:8 (EO:3 C)
- CLI:9 (EO:3 C)
- CLI:10 (EO:3 C)
- CLI:11 (EO:4 C)
- CLI:12 (EO:4 C)
- CLI_2:10 (EQ:1 C)
- CLI_2:11 (EQ:1 C)
- CLI_2:12 (EQ:1 C)
- CLI_2:9 (EQ:1 C)
- CLK:1 (NR:1 A)
- CLK:2 (NR:1 C)
- CLK:3 (NR:1 C)
- CLK:4 (NR:1 B)
- CLM:1 (BE:1 B)
- CLM:2 (BE:1 B)
- CLM:3 (BE:2 B)
- CLM:4 (BE:1 C)
- CLM:5 (BE:1 C)
- CLM:6 (BE:3 C)
- CLM:7 (BE:3 C)
- CLM:8 (BE:3 C)
- CUA:1 (GA:1 C)
- CUA:2 (GA:4 C)
- CUA:3 (IH:1 B)
- CUA:4 (IH:0 B)
- CUA:5 (IH:3 B)
- CUA:6 (IH:3 C)
- CUA:7 (IQ:0 B)
- CUA:8 (KM:0 C)
- CUA:9 (NI:1 B)
- CUA:10 (NI:1 B)
- CUA:11 (KI:1 C)
- CUA:12 (IH:3 C)
- CUA:13 (IU:2 D)
- CUA:14 (IU:2 D)
- CUA:15 (IU:2 D)
- CUA:16 (IU:2 D)
- CUA:17 (HI:1 C)
- CUA:18 (HI:1 B)
- CUA:19 (HI:1 C)
- CUA:20 (HI:1 C)
- CUA:21 (GB:0 B)
- CUB/TACH:1 (BM:1 B)
- CUB/TACH:2 (BM:3 C)
- CUB/TACH:3 (BM:1 B)
- CUB/TACH:4 (BM:2 B)
- CUB/TACH:5 (BM:3 B)
- CUB/TACH:6 (BM:3 C)
- CUB/TACH:7 (BM:2 C)
- CUB/TACH:8 (BM:2 C)
- CUB/TACH:9 (BM:2 C)
- CUB/TACH:10 (BM:2 C)
- CUB/TACH:11 (IU:0 B)
- CUB/TACH:12 (KI:1 C)
- CUB/TACH:13 (IM:0 B)
- CUB/TACH:14 (HI:2 B)
- CUB/TACH:15 (HI:2 B)
- CUB/TACH:18 (IH:3 A)
- CUB:1 (BN:1 B)
- CUB:2 (BN:3 C)
- CUB:3 (BN:1 B)
- CUB:4 (BN:2 B)
- CUB:5 (BN:3 B)
- CUB:6 (BN:3 C)
- CUB:7 (BN:2 C)
- CUB:8 (BN:2 C)
- CUB:9 (BN:2 C)
- CUB:10 (BN:2 C)
- CUB:11 (BN:3 C)
- CUB:12 (KI:1 B)
- CUB:13 (IM:0 B)
- CUB:14 (HI:2 C)
- CUB:15 (HI:1 B)
- CUB:16 (GC:3 A)
- CUB:17 (GC:3 B)
- CUB:18 (IH:3 B)
- CUB2/CUB:12 (KI:1 B)
- CUB2/CUB:13 (IM:0 B)
- CUB2/CUB:14 (HI:2 C)
- CUB2/CUB:15 (HI:2 B)
- CUB2/CUB:18 (IH:3 B)
- CUC:1 (IH:3 C)
- CUC:2 (IH:3 C)
- CUC:3 (IH:1 B)
- CUC:4 (IH:0 B)
- CUC:5 (IH:3 B)
- CUC:6 (IQ:1 C)
- CUC:7 (IQ:0 C)
- CUC:8 (IQ:1 C)
- CUC:9 (IU:2 D)
- CUC:10 (IU:2 D)
- CUC:11 (IU:2 D)
- CUC:12 (IU:2 D)
- CUC:13 (HI:1 B)
- CUC:14 (HI:1 B)
- CUC:15 (HI:1 B)
- CUC:16 (HI:1 B)
- CUC:17 (IH:3 B)
- CUC:18 (IH:0 D)
- CUC:19 (HI:3 B)
- CUC:20 (HI:3 C)
- CUC:21 (HI:2 A)
- CUD:1 (IH:1 B)
- CUD:2 (IH:1 B)
- CUD:3 (IH:1 D)
- CUE:1 (IH:0 B)
- CUE:3 (IH:0 D)
- CUF:1 (HI:0 B)
- CUF:2 (HI:0 B)
- CUG:1 (NK:2 C)
- CUG:2 (NK:2 C)
- CUG:4 (NK:3 C)
- CUG:5 (NK:3 C)
- DDA:1 (IM:1 C)
- DDA:2 (IE:0 B)
- DDA:3 (IE:1 B)
- DDA:4 (IE:2 B)
- DDA:5 (IH:2 C)
- DDA:6 (IE:3 B)
- DDA:7 (IM:1 C)
- DDA:8 (IM:1 C)
- DDA:9 (IM:1 C)
- DDA:10 (IU:1 D)
- DDA:11 (IU:1 D)
- DDA:12 (IH:2 C)
- DDA:13 (IE:0 C)
- DDA:14 (IE:1 C)
- DDA:15 (IE:1 C)
- DDB:1 (IE:1 C)
- DDB:2 (IE:2 C)
- DDB:3 (IE:2 C)
- DDB:4 (IE:0 C)
- DDB:5 (IE:0 B)
- DDB:6 (IE:0 B)
- DDB:7 (IE:1 B)
- DDB:9 (IE:2 B)
- DP:1 (BU:0 A)
- DP:2 (BU:0 A)
- DP:3 (BU:1 D)
- DP:4 (BU:0 D)
- DP:5 (BU:0 D)
- DP:6 (BU:0 D)
- DP:7 (BU:1 D)
- DP:8 (BU:1 D)
- DP:9 (BU:1 D)
- DP:10 (BU:1 D)
- DP:11 (BU:1 D)
- DP:12 (BU:1 D)
- DPA:1 (IM:2 C)
- DPA:3 (IE:3 B)
- DPA:4 (IE:3 B)
- DPA:5 (IH:2 C)
- DPA:6 (IE:3 B)
- DPA:7 (IM:2 C)
- DPA:8 (IM:2 C)
- DPA:9 (IM:2 C)
- DPA:10 (IU:1 D)
- DPA:11 (IU:2 D)
- DPA:12 (IH:2 C)
- DS_L:1 (NU:2 C)
- DS_L:2 (NU:2 D)
- DS_R:1 (GQ:0 B)
- DS_R:1 (NU:2 C)
- DS_R:2 (GQ:0 C)
- DS_R:2 (NU:2 D)
- DZ:1 (BU:0 B)
- DZ:2 (BU:0 B)
- DZ:3 (BU:1 B)
- E03L-:1 (NI:0 D)
- E03L+:1 (NI:0 C)
- E03R-:1 (NI:0 D)
- E03R+:1 (NI:0 C)
- EA:1 (CS:1 B)
- EA:2 (CS:1 B)
- EA:3 (CS:2 B)
- EA:4 (CS:1 B)
- EM:1 (CM:1 D)
- EM:1 (CO:1 B)
- EM:1 (CS:3 B)
- EM:2 (CM:2 D)
- EM:2 (CO:2 B)
- EM:2 (CS:3 B)
- EM:3 (CM:2 D)
- EM:3 (CO:2 B)
- EM:3 (CS:3 B)
- EM:4 (CM:1 D)
- EM:4 (CO:1 B)
- EM:4 (CS:3 B)
- EM:5 (CM:1 D)
- EM:5 (CO:2 B)
- EM:5 (CS:3 B)
- EM:6 (CM:2 D)
- EM:6 (CO:3 B)
- EM:6 (CS:2 B)
- EM:7 (CM:3 D)
- EM:7 (CO:4 B)
- EM:8 (CS:2 B)
- EM:9 (CM:1 D)
- EM:9 (CO:1 B)
- EM:9 (CS:3 B)
- EM:10 (CM:0 D)
- EM:10 (CO:3 B)
- EM:10 (CS:3 D)
- EM:11 (CM:2 D)
- EM:11 (CO:0 B)
- EM:12 (CM:0 D)
- EM:12 (CO:4 B)
- EM:12 (CS:2 B)
- EN:1 (AA:2 D)
- EN:1 (AE:3 D)
- EN:2 (AA:3 D)
- EN:2 (AE:3 D)
- EN:3 (HG:0 D)
- EN:3 (HY:2 D)
- EN:4 (AA:1 D)
- EMB:1 (IF:0 D)
- EMB:2 (IF:1 D)
- EPR:1 (CM:2 B)
- EPR:3 (CM:3 B)
- EPR:4 (CM:2 C)
- EQ:1 (EO:4 B)
- EQ:1 (EQ:1 D)
- EQ:2 (EO:4 B)
- EQ:2 (EQ:1 D)
- EQ:3 (EO:4 B)
- EQ:3 (EQ:1 D)
- EQ:4 (EO:4 C)
- EQ:4 (EQ:1 D)
- EXT:1 (HZ:1 B)
- EXT:2 (HZ:1 B)
- FA:1 (BI:4 B)
- FA:2 (FA:2 B)
- FA:3 (FA:2 B)
- FA:4 (GB:2 C)
- FA:5 (GA:2 C)
- FA:5 (NI:1 A)
- FA:6 (BA:0 C)
- FA:7 (BI:1 C)
- FA:8 (GA:4 C)
- FA:8 (NA:0 A)
- FA:8 (NR:0 A)
- FA:9 (GB:3 D)
- FA:9 (NA:0 A)
- FA:9 (NR:0 A)
- FA:10 (GC:2 B)
- FA:10 (NA:0 A)
- FA:10 (NR:0 A)
- FA:10 (NU:2 B)
- FA:11 (GB:0 A)
- FA:11 (NA:2 A)
- FA:11 (NR:1 A)
- FA:12 (BA:1 D)
- FA:13 (GQ:2 C)
- FA:14 (AA:1 B)
- FA:15 (GB:2 D)
- FA:16 (ME:0 C)
- FA:16 (NA:1 D)
- FA:16 (NR:2 D)
- FA:17 (ME:0 C)
- FA:17 (NA:2 D)
- FA:17 (NR:3 D)
- FA:18 (ME:0 C)
- FA:19 (ME:1 C)
- FA:19 (NA:3 D)
- FA:19 (NR:3 D)
- FA:20 (MA:1 C)
- FA:21 (MA:1 C)
- FB:1 (KI:1 A)
- FB:3 (KI:2 B)
- FE:1 (ME:1 B)
- FE:1 (NC:0 B)
- FE:1 (NU:0 A)
- FE:2 (ME:1 B)
- FE:2 (NC:0 B)
- FE:2 (NU:0 A)
- FE:3 (ME:1 B)
- FE:3 (NC:0 B)
- FE:3 (NU:0 A)
- FE_B:1 (IF:1 A)
- FE_B:2 (IF:1 A)
- FE_B:3 (IF:1 A)
- FE_BR:1 (IF:2 A)
- FE_BR:2 (IF:2 A)
- FE_BR:3 (IF:1 A)
- FE2:1 (NC:1 B)
- FE2:1 (NU:0 B)
- FE2:2 (NC:0 B)
- FE2:2 (NU:0 B)
- FE2:3 (NC:1 B)
- FE2:3 (NU:0 B)
- FL:1 (GA:2 D)
- FL:2 (GA:2 C)
- FL:3 (GA:2 C)
- FL:4 (NK:3 D)
- FL:5 (NK:3 D)
- FL:6 (GA:2 C)
- FL:7 (GA:2 C)
- FL:8 (GA:1 C)
- FL:9 (GA:3 C)
- FL:10 (GQ:1 C)
- FL:11 (GQ:1 B)
- FL:12 (GQ:1 B)
- FL:13 (GU:0 D)
- FL:14 (GU:0 D)
- FL:15 (GU:0 D)
- FL:16 (GQ:1 C)
- FL:20 (BE:1 D)
- FL:21 (BE:1 D)
- FL:22 (BE:1 D)
- FL:23 (BE:1 D)
- FL:25 (GA:2 D)
- FL:29 (KA:0 C)
- FMS:1 (BX:1 D)
- FMS:2 (BX:1 D)
- FR:1 (GA:3 D)
- FR:2 (GA:3 C)
- FR:3 (GA:3 C)
- FR:4 (NK:3 D)
- FR:5 (NK:4 D)
- FR:6 (GA:2 C)
- FR:7 (GA:3 C)
- FR:8 (GA:4 C)
- FR:9 (GA:3 C)
- FR:10 (GM:0 C)
- FR:11 (GM:0 C)
- FR:13 (GU:1 D)
- FR:14 (GU:1 D)
- FR:15 (GU:1 D)
- FR:16 (GM:1 C)
- FR:17 (BI:2 C)
- FR:18 (BI:2 D)
- FR:25 (GA:3 D)
- FR:29 (KA:0 C)
- FS:1 (KI:1 C)
- FS:2 (KI:1 D)
- FS:3 (KI:1 D)
- FS_2:1 (KI:0 C)
- FS_2:2 (KI:0 D)
- FS_3:1 (KI:1 C)
- FS_3:2 (KI:1 D)
- FT:1 (IR:0 D)
- FT:2 (IR:0 D)
- FT:3 (IR:1 D)
- GA:1 (GB:3 D)
- GA:2 (BA:1 C)
- GA:2 (BI:1 D)
- GA:3 (BI:1 C)
- GA:4 (BA:1 B)
- GA:5 (BA:0 B)
- GA:6 (BA:0 C)
- GA:7 (BA:0 C)
- GB:1 (BI:2 C)
- GB:2 (BI:2 D)
- GB:3 (BM:2 D)
- GB:4 (BM:2 D)
- GB:5 (BM:2 D)
- GB:6 (BM:2 D)
- GC:1 (DE:0 B)
- GC:2 (DE:0 B)
- GC:3 (DE:0 B)
- GC:4 (DE:0 B)
- GC:7 (DE:2 B)
- GC:8 (DE:2 B)
- GC:10 (DE:3 E)
- GC:11 (DE:0 B)
- GC:12 (DE:0 C)
- GD:2 (HZ:1 C)
- IDA:1 (GA:1 C)
- IDB:1 (GA:0 D)
- IS:1 (DE:3 B)
- IS:2 (DE:3 B)
- IS:3 (DE:2 C)
- IS:4 (DE:2 C)
- JV/JC:1 (GC:1 B)
- JV/JC:2 (KA:1 D)
- JV/JC:3 (DQ:1 B)
- JV/JC:4 (AE:3 B)
- JV/JC:5 (AE:3 B)
- JV/JC:6 (AE:3 B)
- JV/JC:7 (AE:4 D)
- JV/JC:8 (HI:3 D)
- JV/JC:9 (BA:0 C)
- JV/JC:10 (FU:0 D)
- JV/JC:11 (BA:3 C)
- JV/JC:12 (BA:3 D)
- JV/JC:13 (IM:2 C)
- JV/JC:14 (BA:0 C)
- JV/JC:15 (BU:0 B)
- JV/JC:16 (IM:2 A)
- JV/JC:17 (HP:0 D)
- JV/JC:18 (KM:1 C)
- JV/JC:19 (BI:2 D)
- JV/JC:20 (BU:0 B)
- JV/JC:21 (IX:2 B)
- KV/KC:1 (GB:0 B)
- KV/KC:2 (GB:0 B)
- KV/KC:3 (GB:0 B)
- LI:1 (FG:0 B)
- LI:2 (FG:0 B)
- LI:3 (FG:0 B)
- LI:4 (FG:0 B)
- LI:5 (FG:1 B)
- LI:6 (FG:1 B)
- MA:1 (CS:2 A)
- MA:1 (HG:0 C)
- MA:1 (HY:2 D)
- MA:2 (AA:1 D)
- MA:2 (CS:1 A)
- MA:3 (CS:3 A)
- MA:3 (XB:0 B)
- MA:4 (CS:3 A)
- MA:4 (XB:0 B)
- MA:5 (CS:3 A)
- MA:5 (XA:0 B)
- MA:6 (CS:3 A)
- MA:6 (XA:1 B)
- MA:7 (CM:2 C)
- MA:7 (CS:2 A)
- MA:8 (CM:2 C)
- MA:9 (AA:3 D)
- MA:9 (AE:3 D)
- MA:11 (CM:1 C)
- MA:11 (CP:3 B)
- MA:11 (CS:3 A)
- MA:12 (CM:0 C)
- MA:12 (CS:4 A)
- MA:13 (AA:3 D)
- MA:13 (AE:4 C)
- MA:13 (CS:1 A)
- MA:14 (CM:3 C)
- MA:15 (BA:0 D)
- MA:15 (CP:2 B)
- MA:15 (CS:3 A)
- MA:16 (BI:0 D)
- MA:16 (CS:1 A)
- MA:17 (CU:0 B)
- MA:19 (CP:2 B)
- MA:19 (CS:2 B)
- MA:20 (CP:2 B)
- MA:20 (CS:2 A)
- MB:1 (DN:0 B)
- MB:1 (BI:2 D)
- MB:2 (BA:0 C)
- MB:2 (DN:1 B)
- MB:3 (DN:1 B)
- MB:4 (BA:1 B)
- MB:4 (DN:1 B)
- MB:5 (BI:2 C)
- MB:6 (DN:0 B)
- MB:7 (DN:0 B)
- MB:8 (BA:1 C)
- MB:8 (BI:1 D)
- MB:8 (DN:0 B)
- MB:9 (BA:0 B)
- MB:9 (DN:0 B)
- MB:14 (BI:1 C)
- MB:15 (GB:3 D)
- MB:16 (BA:0 C)
- MC:1 (EO:0 D)
- MC:2 (EO:1 D)
- MC:3 (EO:1 D)
- MC:4 (EO:1 D)
- MC:5 (EO:1 D)
- MP:1 (CO:3 C)
- MT:1 (CS:1 C)
- MT:2 (CS:1 C)
- MT:3 (CS:3 D)
- MT:5 (CS:2 D)
- MT:6 (CS:2 D)
- MT:7 (CS:2 D)
- MT:8 (CS:2 D)
- MT:9 (CS:4 B)
- MT:10 (CS:4 B)
- MOT:1 (HZ:2 C)
- MOT:2 (HZ:2 C)
- MOT:4 (HZ:2 C)
- OH:1 (GC:1 C)
- OH:2 (GC:2 C)
- OH:3 (GC:1 C)
- OH:4 (GC:2 C)
- OH:9 (GC:1 C)
- OH:13 (GC:1 C)
- OH:14 (GC:2 C)
- OH:17 (GC:1 C)
- OH:18 (GC:2 C)
- OH:24 (GC:0 E)
- PAS_1:1 (FP:0 C)
- PAS_1:2 (FP:1 C)
- PAS_1:3 (FP:1 C)
- PAS_1:6 (FP:0 D)
- PAS_2:1 (BI:0 C)
- PAS_2:6 (BI:1 D)
- PH_1:1 (HM:0 B)
- PH_1:2 (HM:0 B)
- PH_1:3 (HM:2 B)
- PH_1:4 (HM:1 B)
- PH_1:5 (HM:2 B)
- PH_1:6 (HM:2 C)
- PH_1:7 (HM:2 D)
- PH_1:8 (HM:0 D)
- PH_1:9 (HM:0 D)
- PH_1:10 (HM:3 D)
- PH_1:11 (HM:1 B)
- PH_2:1 (HP:0 B)
- PH_2:2 (HP:0 C)
- PH_2:3 (HP:0 D)
- PL:1 (NC:3 C)
- PL:2 (NA:1 C)
- PL:2 (NR:1 C)
- PL:3 (NA:1 C)
- PL:3 (NR:1 C)
- PL:4 (NA:1 C)
- PL:4 (NR:2 C)
- PL:5 (NA:1 C)
- PL:5 (NR:1 C)
- PL:6 (NA:2 C)
- PL:6 (NR:3 C)
- PL:7 (NC:1 C)
- PL:7 (NU:1 C)
- PL:8 (NA:4 C)
- PL:8 (NR:1 C)
- PL:9 (NC:1 C)
- PL:9 (NU:1 C)
- PL:10 (NC:2 C)
- PL:10 (NU:2 C)
- PL:11 (NA:0 C)
- PL:11 (NR:0 C)
- PL:12 (NA:0 C)
- PL:12 (NR:0 C)
- PL:13 (NC:2 C)
- PL:13 (NU:1 C)
- PL:14 (NC:2 C)
- PL:14 (NU:1 C)
- PL:15 (NC:2 C)
- PL:15 (NU:2 C)
- PL:16 (NC:2 C)
- PL:16 (NU:2 C)
- PL:17 (NC:2 C)
- PL:17 (NU:2 C)
- PL:18 (NA:3 C)
- PL:18 (NR:3 C)
- PL:19 (NC:3 C)
- PL:20 (NC:3 C)
- PL:20 (NU:2 C)
- PL:21 (NC:3 C)
- PL:21 (NU:3 C)
- PS:1 (DI:0 C)
- PS:2 (DI:0 C)
- PS:3 (DI:0 C)
- PS:4 (DI:0 C)
- PS:5 (DI:0 C)
- PS:6 (DI:0 C)
- PS:7 (DI:1 C)
- PS:8 (DI:1 C)
- PS:9 (DI:1 C)
- PS:14 (DI:1 C)
- PS:15 (DI:1 C)
- PS:16 (DI:1 C)
- PS:17 (DI:1 C)
- PS:18 (DI:1 C)
- PS:19 (DI:1 C)
- PS:20 (DI:1 C)
- PS:21 (DI:1 C)
- PT:1 (DE:0 B)
- PT:2 (DE:0 B)
- PT:3 (DE:0 B)
- PT:4 (DE:0 B)
- PT:7 (DE:0 C)
- PT:8 (DE:0 B)
- PW:1 (AA:0 B)
- PW:2 (AE:2 D)
- PW:3 (AE:1 C)
- PW:4 (AE:1 C)
- PW:5 (AE:1 D)
- PW:6 (AE:1 D)
- PW:7 (AE:2 C)
- PW:8 (AE:2 C)
- PW:9 (BI:2 D)
- PW:10 (BI:2 C)
- PW:11 (BI:2 C)
- PW:12 (AA:0 B)
- PW:15 (CM:3 B)
- PW:16 (CM:2 B)
- PW:17 (CM:2 C)
- PW:18 (AA:4 D)
- PW:19 (IQ:3 C)
- PW:20 (IQ:3 D)
- RA:1 (GC:2 E)
- RA:2 (GC:1 B)
- RA:3 (GC:1 B)
- RA:4 (GC:1 B)
- RA:5 (GC:2 B)
- RA:6 (GC:2 B)
- RA:7 (GC:1 B)
- RA:8 (GC:1 B)
- RA:9 (GC:2 B)
- RA:10 (GC:2 B)
- RA:12 (BI:2 C)
- RA:13 (BI:2 D)
- RA:14 (DU:3 C)
- RA:15 (HI:0 C)
- RA:15 (HM:0 D)
- RA:16 (HI:0 C)
- RA:16 (HM:0 D)
- RA:17 (DU:3 C)
- RC:2 (GB:1 D)
- RC:2 (GK:0 A)
- RC:3 (GB:2 D)
- RC:3 (GK:1 A)
- RC:4 (GB:1 D)
- RC:4 (GK:1 A)
- RC:5 (GB:2 D)
- RC:5 (GK:1 A)
- RC:6 (GB:2 D)
- RC:6 (GK:1 A)
- RC:7 (ME:0 C)
- RC:9 (ME:0 C)
- RC:10 (GB:2 D)
- RC:10 (GK:1 A)
- RC:11 (ME:0 C)
- RC:12 (ME:1 C)
- RC:14 (GC:4 B)
- RC:17 (ME:1 C)
- RC:18 (ME:1 C)
- RC:19 (GK:1 A)
- RC:19 (KE:0 C)
- RC:20 (GK:1 A)
- RC:20 (KE:0 D)
- RC:21 (CP:2 B)
- RC:21 (GK:1 A)
- REF:1 (IQ:3 C)
- REF:2 (IQ:3 D)
- REV:1 (NU:2 C)
- RP:1 (DI:2 C)
- RP:2 (DI:2 C)
- RP:3 (DI:2 C)
- RP:4 (DI:2 C)
- RP:5 (DI:2 C)
- RP:6 (DI:2 C)
- RP:7 (DI:2 C)
- RP:8 (DI:2 B)
- RP:9 (DI:2 B)
- RT:1 (DM:3 C)
- RT:2 (DM:2 C)
- RT:3 (DM:2 C)
- RT:4 (DM:2 C)
- RT:5 (DM:2 C)
- RT:6 (DM:3 C)
- RT:7 (DM:3 C)
- RT–2:1 (DM:3 C)
- RT–2:2 (DM:2 C)
- SCR:1 (CV:1 B)
- SCR:2 (CV:2 B)
- SCR:3 (CV:1 B)
- SCR:4 (CV:3 B)
- SCR:5 (CV:2 B)
- SCR:6 (CV:2 B)
- SCR:7 (CV:3 B)
- SCR:8 (CV:2 B)
- SCR:9 (CV:2 B)
- SI:1 (CP:3 B)
- SI:1 (EC:0 C)
- SI:1 (GK:3 A)
- SI:2 (EC:0 C)
- SI:2 (GK:3 A)
- SI:4 (EO:0 D)
- SI:4 (GK:4 A)
- SI:5 (EO:0 D)
- SI:5 (GK:4 A)
- SLF:1 (NI:0 C)
- SLF:2 (NI:0 D)
- SLR:1 (NI:1 C)
- SLR:2 (NI:1 D)
- SLR_2:1 (NI:1 C)
- SLR_2:2 (NI:1 D)
- SM_F:1 (GC:3 C)
- SM_F:2 (GC:0 C)
- SM_F:4 (GC:3 E)
- SM_O:1 (GC:3 C)
- SM_O:2 (GC:0 C)
- SM_O:4 (GC:0 D)
- SM_R:1 (GC:3 C)
- SM_R:2 (GC:0 C)
- SM_R:4 (GC:3 E)
- SP:1 (BM:2 D)
- SP:2 (BM:2 D)
- SP:3 (BM:2 D)
- SP:4 (BM:2 C)
- SS:1 (BE:3 D)
- SS:2 (BE:3 D)
- SS:3 (BE:1 C)
- SS:4 (BE:1 C)
- ST:1 (EC:1 C)
- ST:1 (GK:3 A)
- ST_2:1 (CP:3 B)
- ST_2:2 (CP:3 B)
- ST_2:3 (CP:3 B)
- SW_1:1 (EE:0 C)
- SW_1:1 (EI:0 C)
- SW_1:2 (EE:0 C)
- SW_1:2 (EI:0 C)
- SW_1:3 (EE:0 D)
- SW_1:3 (EI:1 C)
- SW_1:4 (EE:1 C)
- SW_1:4 (EI:1 C)
- SW_1:5 (EE:1 C)
- SW_1:5 (Ei:1 C)
- SW_1:6 (EE:1 D)
- SW_1:6 (EI:1 C)
- SW_1:7 (EE:2 C)
- SW_1:7 (EI:2 C)
- SW_1:8 (EE:2 C)
- SW_1:8 (EI:2 C)
- SW_1:9 (EE:2 D)
- SW_1:9 (EI:2 C)
- SW_1:10 (EE:3 C)
- SW_1:10 (EI:3 C)
- SW_1:11 (EE:3 C)
- SW_1:11 (EI:3 C)
- SW_1:12 (EE:3 C)
- SW_1:12 (EI:3 C)
- SW_1:13 (EE:0 C)
- SW_1:13 (EI:0 C)
- SW_1:14 (EE:0 C)
- SW_1:14 (EI:0 C)
- SW_1:15 (EE:1 C)
- SW_1:15 (EI:1 C)
- SW_1:16 (EE:1 C)
- SW_1:16 (EI:1 C)
- SW_1:17 (EE:2 C)
- SW_1:17 (EI:2 C)
- SW_1:18 (EE:2 C)
- SW_1:18 (EI:2 C)
- SW_1:19 (EE:3 C)
- SW_1:19 (EI:3 C)
- SW_1:20 (EE:3 C)
- SW_1:20 (EI:3 C)
- SW_2:1 (EO:3 D)
- SW_2:10 (EO:3 D)
- SW_2:11 (EO:4 D)
- SW_2:12 (EO:4 D)
- SW_2:13 (EO:3 D)
- SW_2:14 (EO:3 D)
- SW_2:15 (EO:4 D)
- SW_2:2 (EO:3 D)
- SW_2:3 (EO:1 D)
- SW_2:4 (EO:1 D)
- SW_2:5 (EO:2 D)
- SW_2:6 (EO:2 D)
- SW_2:7 (EO:2 D)
- SW_2:8 (EO:2 D)
- SW_2:9 (EO:3 D)
- SX:1 (GK:2 C)
- SX:1 (ME:0 D)
- SX:2 (ME:0 D)
- SX:3 (EC:0 D)
- SX:3 (GK:3 C)
- SX:4 (GB:2 D)
- SX:4 (GK:2 C)
- SX:5 (GC:4 C)
- SX:6 (GB:2 D)
- SX:6 (GK:2 C)
- SX:7 (EO:0 D)
- SX:7 (GK:3 C)
- SX:8 (EO:0 D)
- SX:8 (GK:3 C)
- SX:10 (GB:1 D)
- SX:10 (GK:2 C)
- SX:11 (GB:2 D)
- SX:11 (GK:2 C)
- SX:12 (GB:1 D)
- SX:12 (GK:2 C)
- SX:15 (EC:0 D)
- SX:15 (GK:3 C)
- SX:18 (GB:2 D)
- SX:20 (ME:1 D)
- SX:21 (ME:1 D)
- SX:24 (EC:1 D)
- SX:24 (EC:3 D)
- SX:24 (GK:3 C)
- SX:25 (ME:0 D)
- SX:29 (ME:1 D)
- SX:30 (EC:1 D)
- SX:30 (GK:3 C)
- SX:31 (EC:1 D)
- SX:31 (EC:3 D)
- SX:31 (GK:2 C)
- TA:1 (GA:2 D)
- TA:2 (GA:2 C)
- TA:3 (GA:2 C)
- TA:4 (KA:0 C)
- TA:5 (NK:3 C)
- TA:6 (GA:2 C)
- TA:7 (GA:2 C)
- TA:8 (GA:1 C)
- TA:9 (GA:3 C)
- TA:10 (GQ:1 C)
- TA:11 (GQ:1 B)
- TA:12 (GA:2 D)
- TA:13 (GU:0 C)
- TA:14 (GU:0 C)
- TA:15 (GU:0 C)
- TA:16 (GQ:1 C)
- TA:17 (NK:3 C)
- TB:1 (GA:3 D)
- TB:2 (GA:3 C)
- TB:3 (GA:3 C)
- TB:4 (KA:0 C)
- TB:5 (NK:3 C)
- TB:6 (GA:2 C)
- TB:7 (GA:3 C)
- TB:8 (GA:4 C)
- TB:9 (GA:3 C)
- TB:10 (GM:0 C)
- TB:11 (GM:0 C)
- TB:12 (GA:3 D)
- TB:13 (GU:1 C)
- TB:14 (GU:1 C)
- TB:15 (GU:1 C)
- TB:16 (GM:1 C)
- TB:17 (NK:4 C)
- TB:18 (BI:2 D)
- TB:19 (GQ:2 B)
- TB:20 (GQ:2 C)
- TB:21 (BI:2 C)
- TD:1 (IE:0 C)
- TD:2 (IE:0 D)
- TD:3 (IE:0 C)
- TD:4 (IE:1 C)
- TD:5 (IE:1 C)
- TD:8 (GM:3 D)
- TD:9 (GM:3 C)
- TD:10 (GM:3 C)
- TD:11 (GM:2 C)
- TD:12 (GM:2 C)
- TD:13 (GQ:0 B)
- TD:13 (NU:2 C)
- TD:14 (GQ:0 C)
- TD:14 (NU:2 D)
- TD:15 (IE:1 C)
- TD:16 (IE:1 D)
- TD:17 (IE:1 C)
- TD:18 (IE:2 C)
- TD:19 (IE:2 C)
- TD:20 (NK:1 C)
- TD:21 (NK:1 D)
- TM:1 (OA:2 D)
- TM:2 (OA:2 D)
- TM:3 (OA:2 B)
- TM:4 (OA:2 B)
- TM:5 (OA:1 D)
- TMA:1 (OA:2 C)
- TMA:3 (OA:1 C)
- TMA:5 (OA:2 B)
- TMA:6 (OA:2 C)
- TMA:7 (OA:2 B)
- TS:1 (FG:0 B)
- TS:2 (FG:0 B)
- TS:3 (FG:0 B)
- TS:4 (FG:0 B)
- TS:5 (FG:1 B)
- TS:6 (FG:1 B)
- X02:1 (EC:1 D)
- X02:1 (GK:3 E)
- X02:2 (EC:0 D)
- X02:2 (GK:3 E)
- X02:3 (EC:3 C)
- X02:3 (EC:2 D)
- X02:3 (EC:3 D)
- X02:3 (GK:3 E)
- X02:4 (EC:3 C)
- X02:4 (EC:2 D)
- X02:4 (EC:3 D)
- X02:4 (GK:3 E)
- X02:5 (EC:0 D)
- X02:5 (GK:3 E)
- X02:6 (EO:0 E)
- X02:6 (GK:3 E)
- X02:7 (EO:0 E)
- X02:7 (GK:3 E)
- X03:1 (GB:2 E)
- X03:2 (GB:2 E)
- X03:3 (GC:4 E)
- X03:4 (EC:2 C)
- X03:4 (EC:3 C)
- X03:4 (EC:2 D)
- X03:5 (GB:1 E)
- X03:6 (GB:2 E)
- X03:7 (GB:1 E)
- X03:8 (GB:2 E)
- X03:9 (ME:0 D)
- X03:10 (ME:0 D)
- X03:11 (ME:0 D)
- X03:12 (ME:1 D)
- X03:13 (EC:2 C)
- X03:13 (EC:3 C)
- X03:13 (EC:2 D)
- X03:14 (ME:1 D)
- X03:15 (ME:1 D)
- X03:2 (GB:2 E)
- X03:3 (GC:4 E)
- X03:4 (EC:2 C)
- X03:4 (EC:3 C)
- X03:4 (EC:2 D)
- X03:5 (GB:1 E)
- X03:6 (GB:2 E)
- X03:7 (GB:1 E)
- X03:8 (GB:2 E)
- X03:9 (ME:0 D)
- X04:1 (EC:3 D)
- X04:1 (GK:2 E)
- X04:2 (GB:1 E)
- X04:2 (GK:2 E)
- X04:3 (GB:2 E)
- X04:3 (GK:2 E)
- X04:4 (GB:1 E)
- X04:4 (GK:2 E)
- X04:5 (GB:2 E)
- X04:5 (GK:2 E)
- X04:6 (GB:2 E)
- X04:6 (GK:2 E)
- X04:7 (GK:2 E)
- X04:7 (ME:0 D)
- X05:1 (EC:4 D)
- X05:2 (ME:0 D)
- X05:3 (GB:2 E)
- X05:4 (ME:0 D)
- X05:5 (ME:1 D)
- X05:7 (GC:4 E)
- X06_1:1 (NC:3 D)
- X06_1:10 (NC:2 D)
- X06_1:10 (NU:2 D)
- X06_1:11 (NA:0 D)
- X06_1:12 (NA:0 D)
- X06_1:13 (NC:2 D)
- X06_1:13 (NU:1 D)
- X06_1:14 (NC:2 D)
- X06_1:14 (NU:1 D)
- X06_1:15 (NC:2 D)
- X06_1:15 (NU:2 D)
- X06_1:16 (NC:2 D)
- X06_1:16 (NU:2 D)
- X06_1:17 (NC:2 D)
- X06_1:17 (NU:2 D)
- X06_1:18 (NA:3 D)
- X06_1:19 (NA:3 D)
- X06_1:2 (NA:1 D)
- X06_1:20 (NC:3 D)
- X06_1:20 (NU:2 D)
- X06_1:21 (NC:3 D)
- X06_1:21 (NU:3 D)
- X06_1:22 (NC:3 D)
- X06_1:24 (NA:3 D)
- X06_1:3 (NA:1 D)
- X06_1:30 (NA:3 D)
- X06_1:31 (NA:4 D)
- X06_1:4 (NA:1 D)
- X06_1:5 (NA:1 D)
- X06_1:6 (NA:2 D)
- X06_1:7 (NC:1 D)
- X06_1:7 (NU:1 D)
- X06_1:8 (NA:4 C)
- X06_1:9 (NC:1 D)
- X06_1:9 (NU:1 D)
- X06_2:11 (NR:0 D)
- X06_2:12 (NR:0 D)
- X06_2:18 (NR:3 D)
- X06_2:19 (NR:2 E)
- X06_2:2 (NR:1 D)
- X06_2:24 (NR:2 D)
- X06_2:3 (NR:1 D)
- X06_2:4 (NR:2 D)
- X06_2:5 (NR:1 D)
- X06_2:6 (NR:3 D)
- X06_2:8 (NR:1 D)
- XA:1 (GB:1 B)
- XA:2 (GB:1 B)
- XA:3 (GB:1 B)
- XA:4 (GB:1 B)
- XA:5 (GB:1 B)
- XA:6 (GB:2 B)
- XA:7 (GB:2 B)
- XA:8 (GB:2 B)
- XA:9 (GB:2 B)
- XA:10 (GB:1 B)
- XA:11 (GB:1 B)
- XA:12 (GB:1 B)
- XA:13 (GB:1 B)
- XA:14 (GB:1 B)
- XA:15 (GB:2 B)
- XA:16 (GB:2 B)
- XA:17 (GB:2 B)
- XA:18 (GB:2 B)
- XC:1 (BM:2 C)
- XC:2 (IS:0 D)
- XC:3 (IH:2 C)
- XC:4 (HP:0 E)
- XC:5 (HG:0 D)
- XC:5 (HY:2 D)
- XC:6 (BU:2 C)
- XC:7 (BM:1 E)
- XC:8 (AE:2 C)
- XC:8 (NK:1 D)
- XC:9 (DB:1 E)
- XC:9 (DM:0 E)
- XC:10 (HP:1 E)
- XC:11 (BU:0 B)
- XC:12 (KI:1 C)
- XD:1 (BU:1 C)
- XD:1 (BX:1 D)
- XD:2 (CU:1 D)
- XD:3 (CP:2 D)
- XD:4 (EE:4 D)
- XD:4 (EI:4 D)
- XD:4 (EO:0 D)
- XD:5 (DU:2 E)
- XD:5 (EI:0 D)
- XD:5 (EO:0 D)
- XD:6 (FA:3 D)
- XD:6 (FK:0 C)
- XD:7 (GU:2 D)
- XD:8 (IX:2 D)
- XD:9 (BA:1 C)
- XD:9 (BI:1 E)
- XD:10 (IS:1 D)
- XD:10 (OA:1 D)
- XD:11 (AA:1 D)
- XD:12 (NC:0 C)
- XD:12 (NU:2 D)
- XE:1 (AA:2 D)
- XF:1 (FA:4 B)
- XF:2 (FQ:1 B)
- XF:3 (ME:3 B)
- XF:4 (KE:0 C)
- XF:5 (FQ:0 B)
- XF:6 (FQ:1 B)
- XF:7 (KE:0 C)
- XF:8 (KE:0 C)
- XF:9 (AA:3 C)
- XF:9 (AE:3 D)
- XF:10 (FA:4 B)
- XF:12 (KE:0 B)
- XF:13 (BA:0 B)
- XF:15 (FA:4 B)
- XF:18 (ME:4 A)
- XG:1 (AA:1 A)
- XH:1 (AA:2 A)
- XJ:1 (GM:2 C)
- XJ:2 (GM:1 D)
- XJ:3 (HG:0 B)
- XJ:4 (GQ:1 A)
- XJ:6 (HG:0 B)
- XJ:7 (GQ:2 A)
- XJ:8 (IM:1 B)
- XJ:9 (IM:1 B)
- XJ:10 (GA:0 B)
- XJ:11 (IM:0 B)
- XJ:12 (BA:1 B)
- XJ:13 (GA:0 B)
- XJ:14 (IH:1 B)
- XJ:15 (BA:0 B)
- XJ:16 (IH:2 B)
- XJ:17 (IH:1 B)
- XJ:18 (IH:2 B)
- XK:1 (BA:0 B)
- XK:2 (FQ:2 B)
- XK:3 (GM:3 B)
- XK:4 (BA:0 B)
- XK:5 (FQ:1 B)
- XK:6 (GM:1 D)
- XK:7 (BA:0 A)
- XK:8 (BA:0 B)
- XK:9 (DB:1 B)
- XK:9 (DM:1 B)
- XK:10 (HY:0 B)
- XK:11 (DB:1 B)
- XK:11 (DM:0 B)
- XK:12 (DB:1 B)
- XK:12 (DM:1 B)
- XK:13 (HY:0 B)
- XK:14 (IQ:1 B)
- XK:15 (IQ:2 B)
- XK:16 (HY:1 B)
- XK:17 (CU:0 B)
- XK:18 (CU:0 B)
- XL:1 (BA:1 B)
- XL:2 (IH:4 B)
- XL:3 (BA:1 B)
- XL:4 (OA:2 B)
- XL:5 (BA:1 B)
- XL:6 (BA:1 B)
- XL:7 (DB:1 B)
- XL:7 (DM:0 B)
- XL:8 (BI:0 B)
- XL:9 (BI:0 B)
- XL:9 (OA:2 B)
- XL:10 (DB:1 B)
- XL:10 (DM:0 B)
- XL:11 (BI:0 B)
- XL:12 (BA:1 B)
- XL:13 (DQ:0 B)
- XL:14 (DU:1 B)
- XL:15 (BA:1 D)
- XL:16 (BA:1 D)
- XL:17 (BA:1 D)
- XL:18 (BA:1 D)
- XM:1 (AA:1 C)
- XM:2 (AA:1 C)
- XM:3 (AA:1 C)
- XM:4 (AA:1 C)
- XM:5 (AA:2 C)
- XM:6 (AA:3 C)
- XM:7 (AA:3 C)
- XM:8 (AA:3 C)
- XM:9 (AA:3 C)
- XM:10 (AA:3 C)
- XM:11 (AA:2 B)
- XM:12 (BI:3 B)
- XM:13 (AA:2 B)
- XM:14 (AA:2 B)
- XM:15 (BI:3 B)
- XM:16 (AA:2 B)
- XM:17 (AA:2 B)
- XM:18 (BI:3 B)
- XO:1 (AA:1 A)
- XS:1 (AA:2 A)
- XT:1 (AA:1 A)
Перечень компонентов
- A01 Предохранитель и плата реле (1000)
- A02L Держатель предохранителей, 6-контактный (GD:3 C) (1000)
- A02P Держатель предохранителей, 6-контактный (ME:2 C) (1000)
- A02x Держатель предохранителей, 6-контактный (ME:3 C) (1000)
- A03 Блок приборов (BI:0 B) (1000)
- A04A Холодильник (IQ:3 C) (1007B)
- A04B Холодильник (IQ:3 C) (1460)
- A05 Дисплей, FMS (система управления автопарком) (BU:2 D/IZ:0 D) (1000)
- A06L Сидение с электорегулировкой (IA:2 B) (1007A)
- A06R Сидение с электорегулировкой (IA:0 B) (1007B)
- A07 Радио (IU:0 B) (1000)
- A08 Блок управления, приемник GPS (системы глобального позиционирования) (BU:2 D) (1000)
- A09 Телефон (IX:0 C) (1000)
- A10 Проигрыватель компакт-дисков (IU:3 B)
- A11 Блок управления, дверной замок (IM:1 B) (1000)
- A12A Блок управления, система ABS (антиблокировки тормозов) (EI:0 B) (1007C)
- A12B Блок управления, система ABS (антиблокировки тормозов) (EE:0 B) (1007C)
- A13A Блок управления, TECU (автоматическая коробка передач) (DE:0 C)
- A13B Блок управления, TECU (автоматическая коробка передач) (DI:0 B) (1007C)
- A13C Блок управления, TECU (автоматическая коробка передач) (DM:0 C) (1007C)
- A13D Блок управления, TECU (автоматическая коробка передач) (DN:0 B)
- A14 Блок управления, EMS (система управления двигателем) (CO:0 C/CS:2 C) (1030)
- A15 Блок управления, SRS (подушка безопасности и натяжное устройство) (IS:0 B) (1000)
- A16 Блок управления, ECS (система электронного управления пневматической подвеской) (FA:0 C/FG:0 D) (1007C)
- A17 Блок управления, VECU (система ECU автомобиля) (BA:0 C) (1000)
- A18 Блок управления, люк в крыше (IQ:0 C) (1006E)
- A19A Блок управления, GECU (система ECU избирателя передач) (Geartronic) (DB:1 C) (1007A/1007B/1484)
- A19B Блок управления, GECU (система ECU избирателя передач) (Powertronic) (DB:2 C) (1007A/1007B/1484)
- A19C Блок управления, GECU (система ECU избирателя передач) (I-shift) (DB:2 C) (1007A/1007B/1484)
- A20 Блок управления, электронный иммобилайзер (IM:3 D) (1000)
- A21 Блок управления, EBS (электронная тормозная система) (EO:0 C) (1007C)
- A22 Блок управления, FMS (система управления автопарком) (BU:0 C/IZ:3 B) (1000)
- A23 Блок управления, FMS, TMC (канал дорожных сообщений) (BU:3 B) (1000)
- A24 Блок управления, модуль информирования о прицепе без ABS (CP:3 C)
- A25 Блок управления, ESP (программа электронной стабильности) (EQ:0 C) (1007C)
- A26 Блок управления, ACC (Адаптивный круиз-контроль) (BE:1 B) (1007C)
- A27 Блок управления, LCM (внешнее освещение) (GB:0 C/GC:0 A/GA:0 B) (1000)
- A28 Блок управления, ADR/TRS главный выключатель аккумулятора (AE:0 D) (1435B)
- A29 Телефонная трубка (IX:1 B) (1000/1007A/1007B)
- A30 Блок управления, SWM (функции рулевого колеса) (IS:1 C) (1000)
- A31 Блок управления, охранная сигнализация (NK:0 C) (1000)
- A32 Блок управления, парковочный отопитель (HM:0 C) (1062)
- A33 Тахограф (BM:1 B) (1000)
- A33B Тахограф (BN:1 B) (1006)
- A34B Блок управления, устройство климат-контроля (HG:0 B) (1000)
- A35 Блок управления, приемник сигналов дистанционного управления, дверной замок (IM:0 B) (1000)
- A36 Блок управления, BBM (модуль оборудования кузова) (NC:1 B/NU:1 B) (1000)
- A39 Блок управления, камера (IZ:0 C) (1000)
- A40 HID Держатель предохранителей, 3-контактный (GD:1 C) (1000)
- A41 Компонентная групповая трансмиссия Включает B23, B06 и Y17 (DN:0 D/DE:0 C/DM:2 B) (1403/1499)
- A42 Компонентная групповая трансмиссия Включает B26, Y21, Y22, Y23 и Y26 (DN:2 D/DE:2 C) (1494/1499)
- A43 Управление вентилятором радиатора (датчик скорости вентилятора радиатора B32, электромагнитный клапан сцепления visco Y35) (CO:1 D) (1030)
- A44 Держатель топливного фильтра (датчик давления топлива B51, электрический топливный насос M15) (CO:2 D) (1030)
- A45 Предварительный топливный фильтр (датчик уровня воды B52, нагреватель R10, электромагнитный клапан слива воды Y38 (CO:3 B) (1030)
- A54 Блок управления, уровень охлаждающей жидкости (CS:2 D)
- A75 Датчик скорости рыскания и блок питания, ACC (BE:2 C) (1007C)
- A80 Воздухоосушитель, с электронным управлением (FQ:1 C) (1056)
- A94 FMS Gateway (Шлюз FMS), система управления автопарком (BX:0 B) (1000)
- A96 Блок управления, устройство климат-контроля (HZ:1 B) (1018)
- B02A Термостат, парковочный отопитель (HI:1 B) (1006A/1006E)
- B02B Термостат, парковочный отопитель (HI:0 B) (1006A/1006E)
- B02C Термостат, парковочный отопитель (HM:3 B) (1006A/1006E)
- B02D Термостат, парковочный отопитель (HM:3 C) (1006A/1006E)
- B03 Датчик, клапан ножного тормоза (EO:0 D) (1504)
- B04 Датчик, скорость вращения двигателя, коленчатый вал (CO:0 D) (1030)
- B05 Датчик, скорость вращения двигателя, распредвал (CO:0 D) (1030)
- B06 Датчик, давление воздуха, воздушный баллон (BA:2 D) (1000)
- B06A Датчик, давление воздуха, воздушный баллон (DE:0 D) (1000)
- B07 Датчик, уровень топлива (BI:2 C) (1040)
- B08 Датчик, скорость вращения входного вала, коробка передач (DE:3 B)
- B09A Датчик, температура масла, коробка передач (DE:2 D)
- B09B Датчик, температура масла, коробка передач (BI:2 C) (1494)
- B10 Датчик, уровень масла (CO:0 C) (1030)
- B10B Датчик, уровень масла (FP:0 C) (1493)
- B12 Датчик, тахограф/спидометр (BM:2 D) (1494)
- B12B Датчик, тахограф/спидометр (BM:2 D) (1494)
- B13A Датчик, скорость колеса, левая сторона, 1-й передний мост (EI:0 D/EE:0 D/EP:3 B) (1086)
- B13B Датчик, скорость колеса, левая сторона, 1-й передний мост (EP:1 B) (1086)
- B14A Датчик, скорость колеса, правая сторона, 1-й передний мост (EI:1 D/EE:1 D/EP:3 B) (1086)
- B14B Датчик, скорость колеса, правая сторона, 1-й передний мост (EP:2 B) (1086)
- B15A Датчик, скорость колеса, левая сторона, 1-й ведущий задний мост (EI:2 D/EE:2 D/EP:2 D) (1086)
- B15B Датчик, скорость колеса, левая сторона, 1-й ведущий задний мост (EP:1 D) (1086)
- B16A Датчик, скорость колеса, правая сторона, 1-й ведущий задний мост (EI:3 D/EE:3 D/EP:2 D) (1086)
- B16B Датчик, скорость колеса, правая сторона, 1-й ведущий задний мост (EP:1 D) (1086)
- B17 Датчик, скорость колеса, левая сторона, 2-й ведущий задний мост (EP:1 D) (1086)
- B18 Датчик, скорость колеса, правая сторона, 2-й ведущий задний мост (EP:1 D) (1086)
- B19 Датчик, скорость колеса, левая сторона, 2-й передний мост (EP:1 B) (1086)
- B20 Датчик, скорость колеса, правая сторона, 2-й передний мост (EP:2 B) (1086)
- B21 Датчик, температура охлаждающей жидкости, двигатель (CO:1 D) (1030)
- B22 Датчик, наружная температура (BI:2 C) (1504)
- B23A Датчик, температура масла, замедлитель (DE:1 D)
- B23B Датчик, температура масла, замедлитель (DI:0 D) (1494)
- B24 Датчик, давление воздуха, сильфон подъемного устройства ходовой части (FA:0 D) (1072)
- B25 Датчик, педаль акселератора (BA:4 D) (1000)
- B26A Датчик, положение сцепления (DE:2 D)
- B27 Датчик, зарядка батареи (BI:2 C) (1435A/1435B)
- B28 Датчик, уровень рамы, передний мост (FA:1 D) (1072)
- B29B Датчик, уровень рамы, задний мост, левая сторона (FA:1 D) (1072)
- B30 Датчик, уровень рамы, задний мост, правая сторона (FA:2 D) (1072)
- B31 Датчик, устройство рычага управления, опрокидыватель (NR:1 B) (1007A/1007B)
- B34A Датчик, положение коробки передач (DE:2 B)
- B34B Датчик, положение коробки передач (DE:3 B)
- B35 Датчик, положение колеса диапазона (DE:3 B)
- B36 Датчик, положение колеса разделения (DE:3 B)
- B37 Датчик, давление и температура зарядного воздух (CO:0 D) (1030)
- B38 Датчик, давление масла и температура масла (CO:1 D) (1030)
- B39 Датчик, давление воздушного фильтра и температура воздушного фильтра (CO:1 B/CS:1 D) (1030)
- B40A Датчик, износ тормозной накладки, левая сторона, 1-й передний мост (EP:2 B) (1086)
- B40B Датчик, износ тормозной накладки, левая сторона, 1-й передний мост (EP:0 B) (1086)
- B41A Датчик, износ тормозной накладки, правая сторона, 1-й передний мост (EP:3 B) (1086)
- B41B Датчик, износ тормозной накладки, правая сторона, 1-й передний мост (EP:1 B) (1086)
- B42 Датчик, износ тормозной накладки, левая сторона, 1-й ведущий задний мост (EP:1 D/EP:0 D) (1086)
- B43 Датчик, износ тормозной накладки, правая сторона, 1-й ведущий задний мост (EP:2 D/EP:0 D) (1086)
- B44 Датчик, износ тормозной накладки, левая сторона, 2-й ведущий задний мост (EP:0 D) (1086)
- B45 Датчик, износ тормозной накладки, правая сторона, 2-й ведущий задний мост (EP:0 D) (1086)
- B46 Датчик, износ тормозной накладки, левая сторона, 2-й передний мост (EP:0 B) (1086)
- B47 Датчик, износ тормозной накладки, правая сторона, 2-й передний мост (EP:2 B) (1086)
- B49 Датчик, угол рулевого поворота (EQ:0 D) (1000)
- B49A Датчик, угол рулевого поворота (EQ:3 A) (1000)
- B50 Датчик, угловая скорость рыскания (EQ:1 D) (1507)
- B50A Датчик, угловая скорость рыскания (EQ:4 B) (1507)
- B54 Датчик, давление в картере двигателя (CO:0 B) (1030)
- B55 Датчик, давление воздуха, сильфон подвески, ось 3 (FA:0 D) (1072)
- B56 Датчик, давление воздуха, сильфон подвески, передний мост (FA:0 D) (1072)
- B57 Датчик, давление воздуха, сильфон подвески, левая сторона, задний (FA:0 D) (1072)
- B58 Датчик, давление воздуха, сильфон подвески, правая сторона, задний (FA:1 D) (1072)
- B59 Датчик, внутренняя температура (HG:1 B) (1000)
- B59B Датчик, внутренняя температура (HY:2 D) (1000)
- B60DD Громкоговоритель (IU:1 D) (1083)
- B60DP Громкоговоритель (IU:1 D) (1083)
- B60LF Громкоговоритель (IU:0 D) (1000)
- B60LR Громкоговоритель (IU:2 D) (1006D/1006E)
- B60RF Громкоговоритель (IU:1 D) (1000)
- B60RR Громкоговоритель (IU:2 D) (1006D/1006E)
- B61L Громкоговоритель, верхние звуковые частоты (IU:0 D) (1000)
- B61R Громкоговоритель, верхние звуковые частоты (IU:1 D) (1000)
- B64 Датчик, давление воздуха, клапанное устройство коробки передач (DE:1 D)
- B67 Камера заднего вида (IZ:2 D) (1000)
- B68 Датчик, скорость вращения выходного вала, коробка передач (DI:2 D) (1494)
- B69A Датчик, температура охлаждающей жидкости, замедлитель (DE:1 D)
- B69B Датчик, температура охлаждающей жидкости, замедлитель (DM:3 B) (1403)
- B69C Датчик, температура охлаждающей жидкости, замедлитель (DN:0 B) (1403)
- B70 Датчик, скорость колеса, левая сторона, толкающая ось (EP:2 D) (1086)
- B71 Датчик, скорость колеса, правая сторона, толкающая ось (EP:3 D) (1086)
- B72 Датчик, скорость колеса, левая сторона, дополнительный мост (EP:4 D) (1086)
- B73 Датчик, скорость колеса, правая сторона, дополнительный мост (EP:4 D) (1086)
- B74 Датчик, износ тормозной накладки, левая сторона, толкающая ось (EP:2 D) (1086)
- B75 Датчик, износ тормозной накладки, правая сторона, толкающая ось (EP:3 D) (1086)
- B76 Датчик, износ тормозной накладки, левая сторона, дополнительный мост (EP:3 D) (1086)
- B77 Датчик, износ тормозной накладки, правая сторона, дополнительный мост (EP:3 D) (1086)
- B80 Громкоговорящий телефонный аппарат, громкоговоритель, микрофон (IX:0 B)
- B90 Передатчик, датчик движения (NK:2 D) (1006B/1006E)
- B91 Приемник, датчик движения (NK:3 D) (1006B/1006E)
- B118 Датчик, уровень масла (CO:1 D) (1030)
- B119 Датчик, уровень масла и температура масла (CO:0 D) (1030)
- B120 Радиолокационный датчик ACC, Адаптивный круиз-контроль (BE:1 D) (1502)
- B138 Датчик, давление управления, замедлитель (DI:3 B) (1494)
- B148 Датчик, давление наддува (CO:0 D) (1030)
- D01 Реле временной задержки, подъемное устройство ходовой части, ограничитель осевой нагрузки (FK:3 B) (1007C)
- E01 Лампа, полный свет (GA:2 C/GA:3 C) (1502/1503)
- E02 Лампа, ближний свет (GA:2 D/GA:3 D) (1502/1503)
- E03 Лампа, точечный свет (GA:1 C/GA:3 C) (1502/1503)
- E03A Лампа, точечный свет (NI:0 C)
- E03B Лампа, точечный свет (NI:1 C)
- E05 Лампа, освещение 5-го колеса (KE:0 D) (1063)
- E06 Лампа, свет заднего хода (GC:1 D/GC:2 D) (1040)
- E07 Лампа, противотуманный свет (GA:1 C/GA:3 C) (1502/1503)
- E08 Лампа, парковочный свет, передний (GA:1 D/GA:3 D) (1502/1503)
- E09 Лампа, стоп-сигнал (GC:1 D/GC:2 D) (1040)
- E10 Лампа, хвостовой фонарь (GC:1 D/GC:2 D) (1040)
- E11LC Лампа, габаритный огонь (GC:0 D) (1077)
- E11LF Лампа, габаритный огонь (GC:0 D) (1077)
- E11LR Лампа, габаритный огонь (GC:0 D) (1077)
- E11LW Лампа, габаритный огонь (GC:0 D) (1077)
- E11RC Лампа, габаритный огонь (GC:3 D) (1077)
- E11RF Лампа, габаритный огонь (GC:3 D) (1077)
- E11RR Лампа, габаритный огонь (GC:3 D) (1077)
- E11RW Лампа, габаритный огонь (GC:3 D) (1077)
- E12L Лампа, габаритный свет крыши (GA:4 C) (1006A)
- E12R Лампа, габаритный свет крыши (GA:1 C) (1006A)
- E13 Лампа, индикатор направления (GC:1 D/GC:2 D) (1040)
- E13F Лампа, индикатор направления (GA:2 C/GA:3 C) (1502/1503)
- E13L Лампа, индикатор направления (GA:2 C) (1502)
- E13R Лампа, индикатор направления (GA:3 C) (1503)
- E14A Лампа, сигнальный предупредительный огонь (KM:2 D) (1047)
- E14AR Лампа, сигнальный предупредительный огонь (KM:1 C) (1047)
- E14B Лампа, сигнальный предупредительный огонь (KM:1 D) (1047)
- E14BR Лампа, сигнальный предупредительный огонь (KM:2 C) (1047)
- E15 Лампа, осветитель прикуривателя (IQ:2 C) (1000)
- E16DS Лампа, освещение подножки (IH:2 C) (1083)
- E16PS Лампа, освещение подножки (IH:2 C) (1083)
- E17L Лампа, внутреннее освещение (IH:1 C) (1006B/1006E)
- E17R Лампа, внутреннее освещение (IH:1 C) (1006B/1006E)
- E18C Лампа, свет для чтения (IH:0 C) (1006D)
- E18L Лампа, свет для чтения (IH:0 C) (1006D/1006E)
- E18LB Лампа, свет для чтения (IH:0 C) (1006D/1006E)
- E18LC Лампа, свет для чтения (IH:0 C) (1006C/1006E)
- E18R Лампа, свет для чтения (IH:1 C) (1006D/1006E)
- E18RB Лампа, свет для чтения (IH:1 C) (1006D/1006E)
- E18RC Лампа, свет для чтения (IH:0 C) (1006C)
- E19C Лампа, опознавательный огонь, крыша (GA:0 D) (1006A/1436)
- E19L Лампа, опознавательный огонь, крыша (GA:0 D) (1006A/1436)
- E19R Лампа, опознавательный огонь, крыша (GA:0 C) (1006A/1436)
- E20 Лампа, осветитель пепельницы (IQ:2 C) (1000)
- E21 Лампа, задний противотуманный свет (GC:1 D/GC:2 D) (1040)
- E22 Реактор, освещение знака на крыше (KI:0 D) (1436)
- E23 Лампа, освещение багажного отделения (IH:4 C) (1007A)
- E24 Лампа, освещение вещевого отсека (IQ:1 D) (1000)
- E26L Модуль прожекторного света (GA:1 C) (1502)
- E26R Модуль прожекторного света (GA:3 C) (1503)
- E27L Модуль заднего огня (GC:1 D) (1040)
- E27R Модуль заднего огня (GC:2 D) (1040)
- E28 Парковочный отопитель (HI:0 C/HM:0 D) (1007A/1062)
- E32ATC Устройство климат-контроля (HY:2 C) (1000)
- E32ECC Устройство климат-контроля (HG:1 C) (1000)
- E33LF Лампа, дополнительные лампы груза (лампы заднего хода) (NA:0 D) (1506A)
- E33LR Лампа, дополнительные лампы груза (лампы заднего хода) (NA:0 D) (1506A)
- E33RF Лампа, дополнительные лампы груза (лампы заднего хода) (NA:1 D) (1506A)
- E33RR Лампа, дополнительные лампы груза (лампы заднего хода) (NA:1 D) (1506A)
- E34 Лампа, освещение оборудования кузова (IH:2 D) (1000)
- E39L Освещение номерного знака (GC:1 D) (1040)
- E39R Освещение номерного знака (GC:2 D) (1040)
- E51 Лампа, внутреннее освещение (HZ:0 B) (1018)
- G01A Аккумулятор (AA:0 C/AE:0 C/CS:0 C)
- G01B Аккумулятор (AA:0 D/AE:0 D/CS:0 D)
- G02 Генератор переменного тока (AA:2 D/AE:3 D/CS:1 D) (1025)
- H01 Звуковой сигнал с пневмоприводом (GQ:1 B) (1502)
- H02 Звуковой сигнал (GQ:1 B) (1502)
- H03 Предупреждающий сигнал заднего хода, акустический (GC:1 D/GC:2 D) (1040)
- H06 Сирена (NK:3 D) (1502/1503)
- K1 Реле, пусковой выключатель, положение радио (AA:3 B) (1000)
- K2 Реле, EMS (система управления двигателем) (BA:1 A) (1000)
- K3 Реле, стартер (AA:1 C) (1000)
- K3B Реле, стартер, Cummins (CS:1 C)
- K4 Реле, блок плавких предохранителей оборудования кузова (кл.15) (ME:2 A) (1000)
- K5 Реле, автоматическая коробка передач (DB:1 A/DM:0 A) (1000)
- K6 Реле, вентилятор, устройство климат-контроля (HY:0 B) (1000)
- K7 Реле, прерывистый режим работы стеклоочистителя (GM:1 C) (1000)
- K8 Реле, коробка передач, система запрета (BA:1 A) (1000)
- K9 Реле, внутреннее освещение (IH:1 A) (1000)
- K10 Реле, пятое колесо, рабочий свет (KE:0 C) (1000)
- K11 Реле, пневматическая подвеска (FA:4 B) (1000)
- K12 Не используется (ME:4 B) (1000)
- K13 Реле, управление от генератора переменного тока (AA:4 C) (1000)
- K14 Реле временной задержки, подъемное устройство ходовой части, A-ride (FK:1 C) (1000)
- K15 Реле временной задержки, подъемное устройство ходовой части, A-ride, с ограничителем осевой нагрузки (FK:2 C) (1000)
- K16 Реле временной задержки, подъемное устройство ходовой части, A-ride, с ограничителем осевой нагрузки (FK:1 C) (1000)
- K18 Реле, ось с гидравлическим управлением (FP:1 B) (1000)
- K20 Реле, D+ короткое замыкание, (грузовики ADR) (AE:4 D) (1000)
- K21 Реле, сидение с электорегулировкой (IA:2 B) (1000)
- K22 Реле, вентилятор климат-контроля, 1-я скорость (при работе парковочного отопителя) (HY:1 B) (1000)
- K23 Реле, наклон кабины (KA:0 C) (1000)
- K24 Реле, центральная смазочная система (FU:0 B) (1000)
- K25 Реле, светящийся знак (KI:1 C) (1000)
- K26A Реле, рычаг складного зеркала заднего вида, Япония (IF:0 C) (1000)
- K26B Реле, рычаг складного зеркала заднего вида, Япония (IF:1 C) (1000)
- K27 Реле, газоразрядная лампа, ближний свет, левая сторона (GD:1 C) (1000)
- K28 Реле, газоразрядная лампа, ближний свет, правая сторона (GD:1 C) (1000)
- K30 Лампа, сигнальный предупредительный огонь (KM:0 B) (1000)
- K35 Реле, омыватель фар высокого давления (GM:0 C) (1000)
- K37A Реле, парковочный свет (NR:0 C)
- K37B Реле, парковочный свет (NA:0 C)
- K38 Реле, выбор давления, опрокидывание прицепа (NA:1 C)
- K38A Реле, выбор давления, опрокидывание прицепа (NR:1 C) (1000)
- K38B Реле, выбор давления, опрокидывание прицепа (NR:1 C) (1000)
- K39A Реле, подготовленная проводка для оборудования кузова (auxsw-6) A (NR:2 C)
- K39B Реле, подготовленная проводка для оборудования кузова (auxsw-6) A (NA:1 C)
- K40A Реле, подготовленная проводка для оборудования кузова (auxsw-6) B (NR:3 C)
- K40B Реле, подготовленная проводка для оборудования кузова (auxsw-6) B (NA:2 C)
- K41A Реле, подготовленная проводка для оборудования кузова (auxsw-6) C (NR:3 C)
- K41B Реле, подготовленная проводка для оборудования кузова (auxsw-6) C (NA:3 C)
- K42 Реле, прожекторы (NI:1 B) (1000)
- K43 Реле, запуск внешнего двигателя (NC:3 C) (1000)
- K45 Реле, подготовленная проводка для оборудования кузова (NU:2 B) (1000)
- K48 Реле мощности, предварительный прогрев двигателя (CM:2 B) (1435A/1435B)
- K49 Реле мощности, двигатель подъемного устройства (FK:3 D) (1037)
- K51 Реле мощности, выключатель аккумулятора (AA:0 C/CS:0 C) (1435A)
- K52 Реле мощности, главный выключатель аккумулятора ADR (AE:0 B) (1435B)
- K54 Реле, 12V, прицеп ABS (CP:2 D)
- L01 Реактор, освещение светящегося знака (KI:0 D)
- L01L Реактор, освещение светящегося знака (KI:2 C)
- L01R Реактор, освещение светящегося знака (KI:2 D)
- M01 Двигатель, очиститель ветрового стекла (GM:2 C) (1504)
- M02 Двигатель, омыватель ветрового стекла (GM:0 D) (1503)
- M03 Двигатель, насос высокого давления омывателя фар (GM:1 D) (1503)
- M04 Двигатель, стартер (AA:0 D/AE:2 D/CS:0 C) (1025)
- M05 Двигатель, блок гидравлического насоса устройства подъема (FK:3 C) (1037)
- M06DS Двигатель, подъемник окна (IE:2 C) (1083)
- M06PS Двигатель, подъемник окна (IE:3 C) (1083)
- M08 Двигатель, контроль уровня, прожекторы (GA:1 C/GA:3 C) (1502/1503)
- M09DS Двигатель, дверной замок (IM:1 D) (1083)
- M09PS Двигатель, дверной замок (IM:2 D) (1083)
- M10 Двигатель, люк в крыше (IQ:0 E)
- M11 Двигатель, насос наклона кабины (KA:0 D) (1502/1503)
- M13 Двигатель, насос охлаждающей жидкости, парковочный отопитель (HP:0 C) (1062)
- M14 Двигатель, насос центральной смазочной системы (FU:0 C) (1401)
- M17 Двигатель, рычаг складного зеркала заднего вида, Япония (IF:0 D) (1470)
- M27 Реле, охлаждающий вентилятор на крыше (HZ:1 C) (1018)
- M28 Двигатель, полив, охлаждающий вентилятор на крыше (HZ:2 C) (1018)
- R01 Предварительный подогреватель двигателя (CO:3 B) (1030)
- R02L Нагревательный элемент, зеркало заднего вида (IE:0 D) (1504)
- R02R Нагревательный элемент, зеркало заднего вида (IE:1 D) (1504)
- R04 Прикуриватель (IQ:2 C) (1000)
- R05 Нагреватель, воздухоосушитель (FQ:0 C) (1056)
- R08 Согласующий резистор, CAN-шина (CS:3 B)
- R11 Нагревательный элемент, кофеварка (ME:1 B) (1000)
- R13 Резистор, LCP, контроль уровня прожекторов (GU:1 B) (1000)
- R14 Согласующий резистор (XB:2 D)
- R14B Согласующий резистор (DI:3 D)
- R17 Резистор (AA:2 C/AE:4 C) (1000)
- R18 Воздухоосушитель, с электронным управлением (FQ:1 C) (1056)
- S01 Выключатель, основной свет, (GA:0 A/GU:1 B) (1000)
- S02 Кнопочный выключатель, дальний/ближний свет, индикатор направления (GA:2 B) (1000)
- S03 Выключатель, погрузочные/рабочие лампы (KE:1 B) (1000)
- S03B Выключатель, погрузочные/рабочие лампы (NR:0 B)
- S04 Переключатель, вентилятор климат-контроля (HY:1 B) (1000)
- S05A Выключатель, внутреннее освещение (IH:3 B) (1000)
- S05B Выключатель, внутреннее освещение (IH:3 B) (1006D/1006E)
- S06 Кнопочный выключатель, очиститель ветрового стекла (GM:3 B) (1000)
- S07 Выключатель, торможение двигателем (BA:3 B) (1000)
- S07A Выключатель, торможение двигателем (CP:0 B) (1000)
- S07B Выключатель, торможение двигателем (CP:1 B) (1000)
- S08 Выключатель, блокировка дифференциала, задние колеса (DU:0 B) (1000)
- S09 Выключатель, блокировка дифференциала, мосты и заднее колесо (DU:1 B) (1000)
- S10 Выключатель, освещение знака, крыша (KI:1 B) (1006A)
- S11 Выключатель, подъемное устройство ходовой части (FK:0 B) (1000)
- S11A Выключатель, подъемное устройство ходовой части (FA:3 B) (1000)
- S11B Выключатель, подъемное устройство ходовой части (NR:4 B) (1000)
- S14A Выключатель, кнопка, звуковой сигнал (GQ:1 D)
- S14B Выключатель, кнопка, звуковой сигнал (GQ:1 D)
- S15 Выключатель, запуск (AA:2 B/AE:0 B) (1000)
- S16 Выключатель, пневматический звуковой сигнал (GQ:2 D)
- S17 Выключатель, привод переднего колеса (DU:2 B) (1000)
- S18 Выключатель, блокировка дифференциала, передний (DU:2 B) (1000)
- S19 Выключатель, дополнительный (NA:2 B)
- S19C Выключатель, дополнительный (NR:2 B) (1000)
- S20B Выключатель, фиксатор 3-й оси (NR:3 B) (1000)
- S21A Выключатель, парковочный отопитель (HI:2 B/HM:2 B) (1000)
- S21B Выключатель, парковочный отопитель (HI:3 B) (1006D/1006E)
- S23 Выключатель, люк в крыше (IQ:0 B) (1006A)
- S24 Выключатель, замедлитель (BA:3 B) (1000)
- S25 Выключатель, круиз-контроль (BA:2 B) (1000)
- S26A Выключатель, насос наклона кабины (KA:0 B) (1000)
- S26B Выключатель, насос наклона кабины (KA:0 D) (1502/1503)
- S27 Лампа, освещение вещевого отсека (IQ:1 C) (1000)
- S28 Выключатель, отбор мощности (DQ:0 B) (1000)
- S28A Выключатель, отбор мощности (NC:0 B/NU:0 B) (1000)
- S30 Выключатель, многофункциональный дисплей (BI:3 C) (1000)
- S31 Выключатель, TCS (система управления тяговым усилием) (EO:1 A) (1000)
- S32 Выключатель, захват тормоза (EO:1 B) (1000)
- S33 Выключатель, тормоза прицепа (EO:0 B) (1000)
- S34 Блок выключателей, кнопки рулевого колеса (IS:1 D) (1000)
- S36DS Выключатель, дверные функции (IE:0 B) (1083)
- S36PS Выключатель, дверные функции (IE:3 B) (1083)
- S37 Выключатель, камера заднего вида, активация камеры (IZ:1 B) (1000)
- S38 Выключатель, ADR, аварийный выключатель, кабина (AE:1 B) (1000)
- S39 Выключатель, ADR, аварийный выключатель, внешний (AE:1 C) (1007A)
- S39B Выключатель, ADR, аварийный выключатель, внешний (AE:2 C) (1007B)
- S40 Выключатель, камера заднего вида, выбор камеры (IZ:2 B)
- S41 Выключатель, главный выключатель аккумулятора (AA:0 C) (1435A)
- S42 Выключатель, рабочее давление, отбор мощности (NR:1 B) (1000)
- S43 Реле давления, индикатор парковочного тормоза, НЗ. (BA:1 D) (1000)
- S45 Переключатель, блокировка дифференциала, заднее колесо, НЗ или НО (DU:3 C) (1040)
- S45R Переключатель, блокировка дифференциала, заднее колесо, НЗ или НО (DU:3 C) (1040)
- S46 Реле давления, подъемное устройство, НО (FK:3 E) (1037)
- S47 Переключатель, низкое разделение, НО (BI:1 D) (1494)
- S48A Реле давления, стоп-сигнал, НО (GB:3 B) (1401)
- S48B Реле давления, стоп-сигнал, НО (GB:3 B) (1401)
- S48C Реле давления, стоп-сигнал, НО (GB:3 A) (1000)
- S49 Переключатель, лампы заднего хода, НО (GB:3 D) (1494)
- S52L Бесконтактный переключатель, замок кабины, НО (BI:3 C) (1007A)
- S52R Бесконтактный переключатель, замок кабины, НО (BI:3 D) (1007B)
- S53 Переключатель, привод переднего колеса, НО (DU:4 C) (1458)
- S54 Переключатель, блокировка дифференциала, переднее колесо, НО (DU:4 C) (1458)
- S55 Термовыключатель, (HP:0 C) (1062)
- S56 Термовыключатель, подъемное устройство, НЗ (FK:3 D) (1037)
- S57L Переключатель, освещение багажного отделения, НЗ (IH:4 D) (1007A)
- S57R Переключатель, освещение багажного отделения, НЗ (IH:3 D) (1007B)
- S58 Переключатель, педаль сцепления, НО (BA:3 D) (1000)
- S59 Переключатель, педаль тормоза, НО (BA:3 D) (1000)
- S60 Реле давления, масло, усилитель рулевого управления, НЗ (FP:0 C) (1493)
- S60A Реле давления, масло, усилитель рулевого управления, НЗ (BI:0 D) (1493)
- S60B Реле давления, масло, усилитель рулевого управления, НЗ (BI:1 D) (1493)
- S63 Переключатель, механизм нижнего диапазона (BA:0 B) (1494)
- S64 Реле давления, давление воздуха, баллон парковочного тормоза, НЗ (EO:1 B) (1000)
- S66L Блок выключателей, ECS (система электронного контроля пневматической подвески), полная пневматическая подвеска (FA:2 D) (1007A/1007B)
- S68 Датчик, уровень охлаждающей жидкости (CO:1 C/CS:3 D) (1030)
- S69 Бесконтактный переключатель, положение подъемного устройства, НО (FK:1 D) (1037)
- S70 Переключатель, датчик расхода, усилитель рулевого управления, НЗ (BI:1 D) (1493)
- S70A Переключатель, датчик расхода, усилитель рулевого управления, НЗ (FP:1 C) (1493)
- S71 Реле давления, зарядка компрессора, НО (BA:0 D) (1056)
- S72 Выключатель, дренаж водоотделителя (CU:0 B) (1000)
- S73 Выключатель, звуковое предупреждение о движении задним ходом (GC:3 A) (1006A)
- S74 Выключатель, отопитель кабины на коротких остановках (HP:0 B) (1000)
- S75 Реле, сигнальный предупредительный огонь (KM:0 B) (1000)
- S76 Выключатель, прожекторы (NA:4 B)
- S76A Выключатель, прожекторы (NI:2 C) (1006A)
- S77 Выключатель, аварийный вызов (BU:0 A) (1000)
- S78 Блок выключателей, TIS (информационная система дорожного движения) (BU:2 B) (1000)
- S79A Выключатель, дополнительные рабочие лампы (лампы заднего хода), ручное включение (NA:1 B)
- S79B Выключатель, дополнительные рабочие лампы (лампы заднего хода), ручное включение (NA:1 B)
- S79D Выключатель, дополнительные рабочие лампы (лампы заднего хода), ручное включение (NA:0 B)
- S80 Переключатель, передний лючок (NK:1 D) (1504)
- S83 Выключатель, замок контейнера (NA:3 B)
- S84 Выключатель, форма регистрации тахометра (BN:0 C) (1006)
- S86 Выключатель, рычаг складного зеркала заднего вида, Япония (IF:1 B) (1000)
- S88L Переключатель, дверь, НЗ (NK:0 D) (1007A)
- S88R Переключатель, дверь, НЗ (NK:0 D) (1007B)
- S95 Выключатель, сигнал тревоги (NK:2 A) (1000)
- S96 Выключатель, уменьшенный комплект, сигнализация (NK:2 B) (1000)
- U01_A Модулятор, EBS, левый передний (EP:0 A) (1086)
- U02_A Модулятор, EBS, правый передний (EP:1 A) (1086)
- U03_A Модулятор, EBS, задний мост (EP:1 C) (1086)
- U03_B Модулятор, EBS, задний мост (EP:0 C) (1086)
- U04_A Модулятор, EBS, толкающая ось (EP:2 B) (1086)
- U05_A Модулятор, EBS, прицеп (EO:3 B) (1401)
- U06B11 Преобразователь напряжения (IR:1 B) (1007C)
- U06R11 Преобразователь напряжения (IR:1 B) (1007C)
- U06R19 Преобразователь напряжения (IR:0 B) (1007C)
- U07_A Модулятор, EBS, дополнительный мост (EP:3 C) (1086)
- U08_A Модулятор, EBS, передний (EP:2 A) (1086)
- U10 Преобразователь напряжения, 12V, прицеп ABS, (CP:4 B)
- V02 Диодный модуль (AE:2 B) (1000)
- V03 Диод (EC:0 B)
- V04 Диод (FK:0 D) (1037)
- V05 Диод (FK:2 D)
- V07 Светодиод, индикатор, сигнализация (NK:2 C) (1000)
- V08 Диод (NU:2 B) (1000)
- V09 Диод (CP:4 B)
- V10 Диод (CP:2 C)
- V11 Диод (CP:3 C)
- V21 Диод (IX:2 B)
- V22 Диод (AA:1 C)
- W02 Антенна, электронный иммобилайзер (IM:3 C) (1000)
- W03 Антенна, дистанционно управляемый дверной замок (IM:0 B) (1000)
- X01 Разъем, диагностика автомобиля (XA:0 C) (1000)
- X01B Разъем, диагностика автомобиля (XA:0 C)
- X01C Разъем, диагностика автомобиля (XA:0 C)
- X02 Соединение с прицепом, ABS/EBS (1063)
- X03 Соединитель прицепа, 15-контактный (1063)
- X04 Соединитель прицепа, 7-контактный, 24 N (1063)
- X05 Соединитель прицепа, 7-контактный, 24 S (1063)
- X06 Соединитель, 31–контактный, левая сторона рамы, подготовленная для оборудования кузова (1505)
- X07B Гнездо, 12 V (IR:1 D) (1000)
- X08 Контактный барабан, надувная подушка безопасности (IS:0 C) (1000)
- X09 Скользящий контакт, звуковой сигнал (GQ:1 C) (1000)
- X10 Электрический ввод B+, кабина (AA:0 A) (1000)
- X11 Клеммная колодка, двигатель, питание (AA:0 D/AE:2 C/CS:0 D)
- X12 Клеммная колодка, двигатель, питание (CO:3 B/CM:3 D)
- X16 Клеммная колодка, двигатель, питание (AA:0 D/AE:2 C/CO:3 B/CM:3 D)
- X25 Силовой соединитель, устройство подъема / дополнительное оборудование, питание (AA:0 B/AE:1 A)
- Y02 Электромагнитный клапан, блокировка дифференциала, задние колеса (DU:1 D) (1401)
- Y03 Электромагнитный клапан, блокировка дифференциала, между задними мостами (DU:1 D) (1401)
- Y05 Электромагнитный клапан, подъемное устройство (FK:0 D) (1037)
- Y06 Электромагнитный клапан, система запрета диапазонов (BA:0 B) (1494)
- Y08 Электромагнитный клапан, привод переднего моста (DU:2 D) (1458)
- Y09 Электромагнитный клапан, блокировка дифференциала, передний мост (DU:2 D) (1458)
- Y10 Электромагнитный клапан, фиксатор 3-й оси (FM:0 C) (1072)
- Y11 Блок электромагнитного клапана, ABS, левая сторона, передний (EE:0 D/EI:0 D) (1086)
- Y11_A Блок электромагнитного клапана, ABS, левая сторона, передний (EO:3 D) (1086)
- Y12 Блок электромагнитного клапана, ABS, правая сторона, передний (EE:1 D/EI:1 D) (1086)
- Y12_A Блок электромагнитного клапана, ABS, правая сторона, передний (EO:4 D) (1086)
- Y13 Блок электромагнитного клапана, ABS, левая сторона, задний (EE:2 D/EI:2 D) (1086)
- Y14 Блок электромагнитного клапана, ABS, правая сторона, задний (EE:3 D/EI:3 D) (1086)
- Y17A Электромагнитный клапан, замедлитель (DE:0 D)
- Y17B Электромагнитный клапан, замедлитель (DI:2 D) (1494)
- Y18 Электромагнитный клапан, отбор мощности (DE:2 B) (1499)
- Y18A Электромагнитный клапан, отбор мощности (DQ:0 D) (1401)
- Y18B Электромагнитный клапан, отбор мощности (DI:0 C) (1494)
- Y18C Электромагнитный клапан, отбор мощности (NC:0 D/NU:0 D)
- Y18G Электромагнитный клапан, отбор мощности (DN:2 B) (1499)
- Y18H Электромагнитный клапан, отбор мощности (DN:2 B) (1499)
- Y21 Электромагнитный клапан, медленное отключение сцепления (DE:2 D)
- Y22 Электромагнитный клапан, быстрое отключение сцепления (DE:3 D)
- Y23 Электромагнитный клапан, медленное включение сцепления (DE:3 D)
- Y25 Блок электромагнитного клапана, контроль уровня, пневматическая подвеска (FA:1 B) (1072)
- Y26 Электромагнитный клапан, управление медленным включением сцепления (DE:2 D)
- Y29 Блок электромагнитного клапана, дополнительный мост (FA:2 B) (1072)
- Y30A Электромагнитный клапан, коробка передач (DE:0 B)
- Y30B Электромагнитный клапан, коробка передач (DE:1 B)
- Y30C Блок электромагнитного клапана, коробка передач (DI:0 D) (1494)
- Y31 Электромагнитный клапан, система запрета, коробка передач (BA:1 B) (1494)
- Y32 Дозировочный топливный насос, парковочный отопитель (HI:0 B/HM:0 D) (1040)
- Y33 Электромагнитный клапан, UI (насосы-форсунки) (CO:2 D) (1030)
- Y36 Электромагнитный клапан, управляемая ось (FP:1 C) (1493)
- Y37 Блок электромагнитного клапана, AVU (CO:2 B) (1030)
- Y39 Электромагнитный клапан, VCB (CO:3 D) (1030)
- Y40 Блок электромагнитного клапана, передний мост, пневматическая подвеска (FA:0 B) (1072)
- Y42 Сцепление, электромагнитное, компрессор воздушного кондиционера (HG:0 D/HY:2 D/CS:2 D) (1025)
- Y43L Устройство натяжения ремней безопасности, пиротехническое (IS:2 D) (1007A)
- Y43R Устройство натяжения ремней безопасности, пиротехническое (IS:3 D) (1007B)
- Y44 Надувная подушка безопасности, пиротехническая (IS:0 D)
- Y45A Блок электромагнитного клапана, корпус опрокидывающего устройства (NR:0 D) (1506B)
- Y45B Блок электромагнитного клапана, корпус опрокидывающего устройства (NR:1 D) (1506B)
- Y45C Блок электромагнитного клапана, корпус опрокидывающего устройства (NR:1 D) (1506B)
- Y45D Блок электромагнитного клапана, корпус опрокидывающего устройства (NR:1 D) (1506B)
- Y48 Электромагнитный клапан, замок контейнера (NA:3 D) (1506A)
- Y49 Электромагнитный клапан, применение парковочного тормоза (NU:2 C) (1504)
- Y51A Электромагнитный клапан, регенерация (FQ:2 C) (1056)
- Y51B Электромагнитный клапан, управление компрессором (FQ:2 C) (1056)
- Y52 Электромагнитное сцепление, вентилятор двигателя (CS:4 B)
- Y72 Электромагнитный клапан, пневматический звуковой сигнал (GQ:0 B) (1504)
Сокращения
- ABS ..................... Система антиблокировки тормозов
- ACC ..................... Адаптивный круиз-контроль
- ACU ..................... Блок управления сигнализацией
- ADR-BAS1 ........... ADR адаптация, 1 выключатель
- ADR-BAS2 ........... ADR адаптация, 2 выключатель
- ATC ...................... Автоматический контроль температуры
- AUS ..................... Австралия
- AUXSW-6 ............ Электропроводка для шести дополнительных выключателей оборудования кузова
- AWD .................... Привод на все колеса
- BBM ..................... Модуль оборудования кузова
- BBOX-R ............... Аккумуляторный ящик с правой стороны
- CLU ...................... Блок управления центральной блокировки
- CU-ACAUT .......... Воздушное кондиционирование, автоматическое
- CU-ACMAN ......... Воздушное кондиционирование, ручное
- CU-BAS ............... Базовая версия с шаговым двигателем без воздушного кондиционирования
- CU-ECC ............... Воздушное кондиционирование с электронным управлением
- CU-HEAT ............. Блок отопителя
- CU-MCC .............. Воздушное кондиционирование с ручным управлением
- EBS ...................... Электронная тормозная система
- ECS ...................... Регулирование уровня с электронным управлением
- ELCE-CK .............. Полный набор для электрооборудования кузова
- ENG-VE9 ............. Двигатель Volvo на 9 литров
- ENG-VE12 ........... Двигатель Volvo на 12 литров
- ENG-VE16 ........... Двигатель Volvo на 16 литров
- ESP ...................... Программа электронной стабильности
- FMS ..................... Система управления автопарком
- GECU ................... Блок управления, избиратель передач
- GSS-AGS ............ Система автоматического переключения передач
- HL-BASIC ............ Основные прожекторы
- HL-HID ................. Высокоинтенсивные разрядные прожекторы
- HYDRKIT ............. Гидравлический набор для оборудования кузова
- ISX ....................... Вариант двигателя (только Австралия)
- LCM ..................... Блок управления, внешнее освещение
- L1H1 .................... Короткая кабина
- L2H1 .................... Длинная кабина
- L2H2 .................... Длинная высокая кабина (Globetrotter)
- LF ......................... Левая передняя сторона
- LHD ..................... Привод левой стороны
- LHS ...................... Левая сторона
- LR ........................ Задняя левая сторона
- MECHTRAN ........ Механическая трансмиссия
- PA-HYDRS ........... Толкающая ось с гидравлическим управлением
- PCB ...................... Монтажная плата
- PH-CAB ............... Парковочный отопитель кабины
- PH-ENGCA .......... Парковочный отопитель кабины и двигателя
- PSS-DUAL ........... Двойная система усиления рулевого управления
- PTO ...................... Механизм отбора мощности
- RADT-AR ............. 6x2, пластинчатая пружина (A-ride)
- RCU ..................... Устройство дистанционного управления
- RF ........................ Передняя правая сторона
- RHD ..................... Привод правой стороны
- RHS ..................... Правая сторона
- RIGID ................... Платформа или самосвал
- RR ........................ Задняя правая сторона
- SI-GRAF ............... Тахограф
- SI-GRAFR ............ Тахограф
- SI-SPEED ............. Спидометр
- SPEED-DU ........... Двойной ограничитель скорости
- SRS ...................... Подушка безопасности
- STWPOS-L .......... Привод левой стороны
- STWPOS-R .......... Привод правой стороны
- SUSPL-EC ........... Пневматическая подвеска, регулирование уровня с электронным управлением
- SUSPL-M ............. Пневматическая подвеска, регулирование уровня с ручным управлением
- SWAPBODY ........ Swap body
- SWM ................... Блок управления, модуль рулевого управления
- TA-HYDRS ........... Дополнительный мост с гидравлическим управлением
- TECU ................... Блок управления, коробка передач
- TMC ..................... Блок управления каналом дорожных сообщений
- TRACTOR ............ Тягач
- TREL7-7 ............... Блок соединителей прицепа 2x7
- UADR ................... Без ADR адаптации
- URETARD ............ Без замедлителя
- USUSPLEV .......... Без пневматической подвески, регулирование уровня
- VECU ................... ECU автомобиля
Цветовая кодировка кабеля
- BL .............. Голубой
- BN .............. Коричневый
- GN ............. Зеленый
- GR .............. Серый
- OR ............. Оранжевый
- P ................ Розовый
- R ................ Красный
- SB .............. Черный
- VO .............. Фиолетовый
- W ............... Белый
- Y ................ Желтый
Внимание: Если провод имеет два цвета, то маркировка записывается следующим образом: Y/R
= Желто/Красный.