Электросхемы VM, EM-EU5 VOLVO
Перечень электросхем
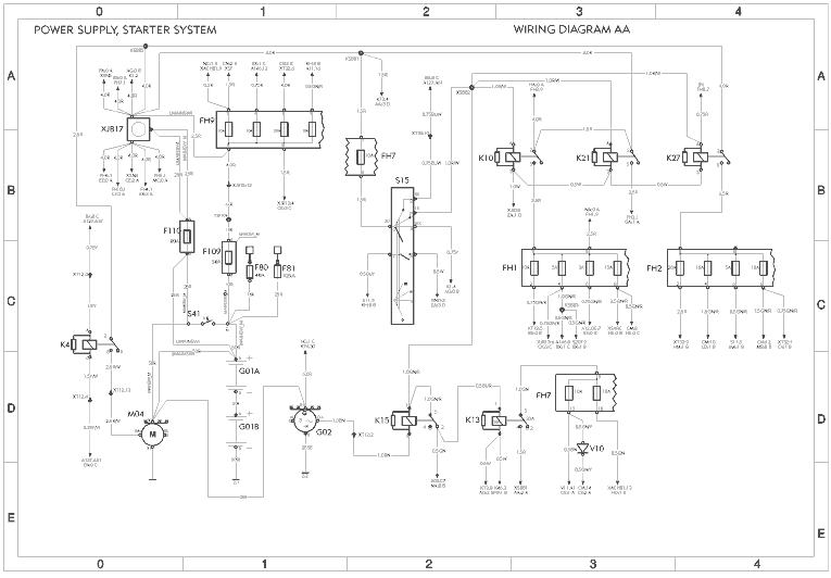
- AA Power supply, starter system
- AG Accessories power supply
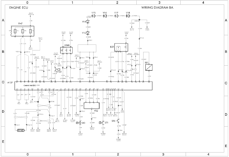
- BA Engine ECU
- BA2 Engine ECU
- BB Gateway / OBD
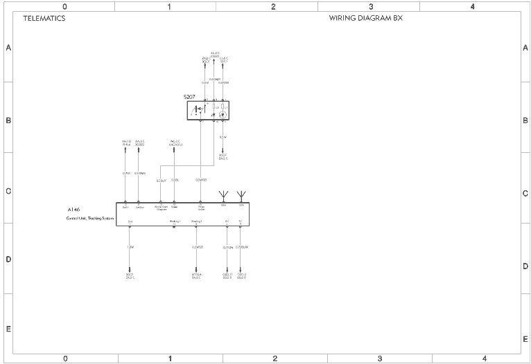
- BX Telematics
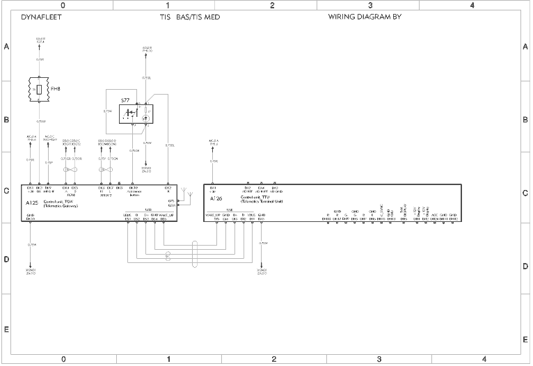
- BY Dynafleet
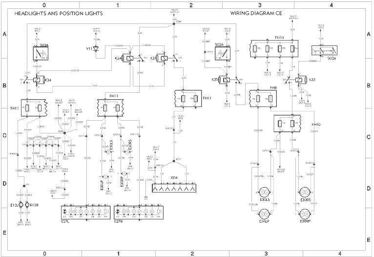
- CE Headlights and Position lights
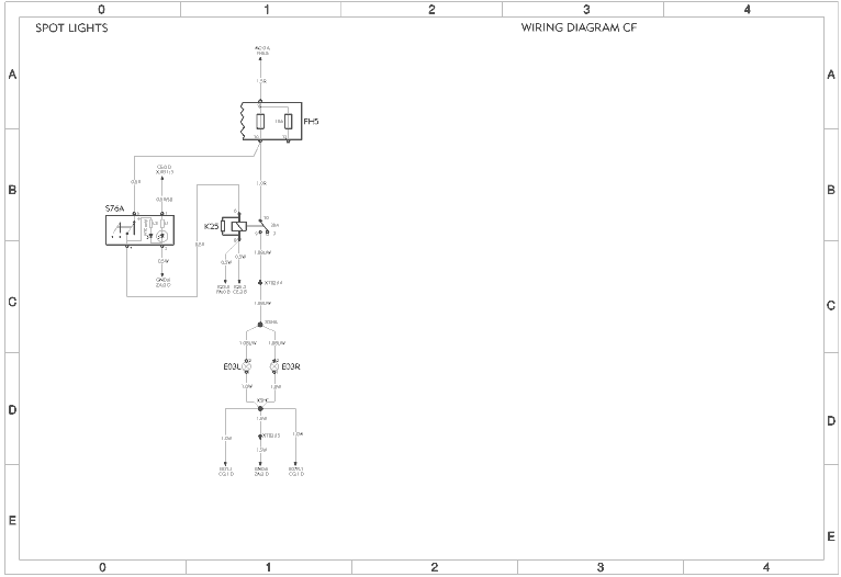
- CF Spot lights
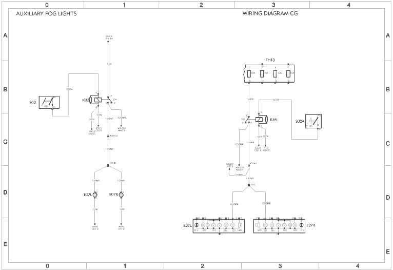
- CG Auxiliary fog lights
- CK Brake light
- CL Exhaust brake
- CN Direction indicator light
- CV SCR
- DL Differential lock
- EA Reversing light
- EE ABS E−version
- EF ABS trailer connection
- ER Interior light
- EX 12V Power supply
- FA Horn
- FW Fifth wheel light
- GA Climate unit air conditioner
- HA Climate unit air conditioner
- HC Engine preheater
- HD Air cooler
- HG Electrically heated/Operated mirror
- HM Fuel filter heater
- JA Radio
- KA Electric window winders
- KH Central door locking
- LD Power take off
- LS Range / Area inhibitor
- MA Bogie lift
- MB Split gearbox
- MC Eaton gearbox
- NA Instruments, LHS, unit (standard version)
- NC Tachograph
- ZA Earth connections





Полный объем информации по электросхемам VOLVO
могут просматривать и распечатывать в высоком качестве только пользователи




