Тренинг персонала по тормозной системе EBS2 Knorr MAN

СОДЕРЖАНИЕ
- Алфавитный указатель
- Сокращения
- Введение
- Правила техники безопасности
- Обзор типов
- Руководство по использованию электрических схем
- Описание оборудования
- Описание системы
- Электронная тормозная система (EBS)
- Электронная система обеспечения устойчивости (ESP)
- Интерфейс для других систем
- Структура шины данных CAN
- Функциональное описание
- Структура электронной тормозной системы (EBS)/электронной системы обеспечения устойчивости (ESP)
- Электронная тормозная система (EBS)
- Электронная система обеспечения устойчивости (ESP)
- Описание компонентов
- Устройство управления EBS (A402)
- Рабочий тормозной клапан с интегрированным тормозным датчиком (G7.302/B337)
- 1-канальный модуль регулировки давления (G67.304-Y262/G67.304-Y263)
- 2-канальный модуль регулировки давления (G67.305/Y264)
- Модуль управления прицепом (G17.301/Y278)
- Датчик ALB заднего моста (B336)
- Датчик износа тормозных накладок (B332, B333, B334, B335, B529, B530, B537, B538)
- Датчики частоты вращения (B119, B120, B121, B122, B591, B592)
- Блок управления ESP (A575)
- Датчик угла поворота рулевого колеса (B475)
- Датчик скорости вращения и поперечного ускорения (B476)
- Диагностика
- Общая информация
- Перечень SPN (коды неисправностей) и описание неисправностей, EBS
- Сообщения о неисправности аналоговых сигналов
- Сообщения о неисправностях, обратные сигналы
- Сообщения о неисправностях, интерфейс двигателя
- Сообщения о неисправностях шины данных CAN
- Сообщения о неисправностях модуля регулировки давления (1-канального) переднего моста слева
- Сообщения о неисправностях модуля регулировки давления (1-канального) переднего моста справа
- Сообщения о неисправностях модуля регулировки давления (2-канального) заднего моста (левая сторона)
- Сообщения о неисправностях модуля регулировки давления (2-канального) заднего моста (правая сторона)
- Сообщения о неисправностях модуля регулировки давления (2-канального) 2-го заднего моста (левая сторона)
- Сообщения о неисправностях модуля регулировки давления (2-канального) 2-го заднего моста (правая сторона)
- Сообщения о неисправностях для модуля управления прицепом (ASM)
- Перечень SPN (коды неисправностей) и описание неисправностей, ESP
- Перечень шагов испытания
- Схемы соединений
- Краткие обзоры
- Краткий обзор EBS с 2 мостами
- Краткий обзор EBS с 3 мостами/4 мостами
Сокращения
A
- a Ускорение
- ABE Общий допуск к эксплуатации
- ABS Антиблокировочная система
- ABV Автоматическое противоблокировочное устройство
- AC Air Condition (кондиционер)
- ACC Adaptive Cruise Control (система регулирования скорости с автоматическим поддержанием безопасной дистанции)
- ACK Acknowledge (подтверждение)
- ADC Аналогово-цифровой преобразователь (преобразование аналоговых сигналов в цифровые)
- ADR Международное соглашение по автомобильной транспортировке опасных грузов (GGVS)
- AGB Автоматический ограничитель скорости
- AGND Analog Ground (аналоговая масса)
- AGR Рециркуляция отработанных газов
- AHK Тягово-сцепное устройство
- AHV Тормозной клапан прицепа
- ALB Автоматическое регулирование тормозного усилия в зависимости от нагрузки
- AMA Антенная мачта
- AMR Анизотропное магнитосопротивление
- ANH Прицеп/полуприцеп
- ANS Автоматическое переключение в нейтральное положение
- AS Автоматическая коробка передач
- ASD Розетка прицепа
- ASM Модуль управления прицепа
- ASR Антипробуксовочная система
- ASV Клапан управления прицепа
- ATC Automatic Temperature Control (автоматическое регулирование температуры)
- ATF Automatic Transmission Fluid (трансмиссионное масло автоматической коробки передач)
- AU Контроль токсичности отработанных газов
- AV Выпускной клапан
- AVS Автоматическая преселективная система
B
- BA Руководство по эксплуатации
- BBA Рабочая тормозная система
- BBV Рабочий тормозной клапан
- BITE Встроенный тест
- BKR Регулятор тормозного усилия
- BUGH Система отопления спереди
- BV Резервный клапан (запасной клапан)
- BVA Сигнальная лампа износа тормозных накладок
- BVS Датчик износа тормозных накладок
- BVV Питание датчика износа тормозных накладок
- BW Бундесвер
- BWG Тормозной датчик
- BZ Тормозной цилиндр
C
- CAN Controller Area Network (шина данных с бит-последовательной передачей)
- CAN-H Линия передачи данных CAN-high
- CAN-L Линия передачи данных CAN-low
- CATS Computer- Assisted Testing and diagnosting System (компьютерная система контроля и диагностики)
- CBU Central Brake Unit (центральный тормозной блок)
- CDC Continuous Damping Control (непрерывная регулировка амортизации)
- CCVS Cruise Control Vehicle Speed (режим поддержания постоянной скорости (Tempomat))
- CKD Complete Knocked Down (полностью разобранный автомобиль)
- CNG Compressed Natural Gas (сжатый природный газ)
- CPU Central Processing Unit (центральный процессор)
- CRT Continously Regenerating Trap (глушитель, катализатор окисления, фильтр дизельных частиц)
- CRC Cyclic Redundancy Check (контроль циклическим избыточным кодом)
- CS Джойстик управления сцеплением Comfort-Shift
D
- DAHL Потолочный вентилятор
- DBR Реле тормоза-замедлителя
- DCU Dosing Control Unit (блок управления дозированием AdBlue)
- DF Датчик частоты вращения
- DFÜ Дистанционная передача данных
- DIA Диагностический и информационный дисплей
- DIAG Диагностика автомобиля в целом
- DIAG - MUX Диагностика автомобиля в целом - мультиплексный центральный процессор (только автобусы)
- DIAK Диагностика, К-провод (линия передачи данных)
- DIAL Диагностика, L-провод (линия возбуждения)
- DIAR Диагностика, последующее возбуждение
- DIN Немецкий промышленный стандарт
- DKE Открытие дроссельной заслонки (регулирование ASR)
- DKH Обогрев потолочного канала
- DKL Крышки люков
- DKR Закрытие дроссельной заслонки (запросы закрытия от ASR к EDC/EMS)
- DKV Уставка дроссельной заслонки (сигнал датчика нагрузки от педального датчика EDC/EMS)
- DLB Пневматическая тормозная система
- DM Diagnostic message (сообщение диагностики)
- DNR Нейтраль заднего хода (рычажной выключатель автоматической коробки)
- DPF Фильтр дизельных частиц
- DRM Модуль регулировки давления
- DRS Датчик скорости вращения
- DS Датчик давления
- DSV Клапан ограничения давления
- DTC Diagnostic trouble code (код неисправности OBD)
- DTCO Цифровой тахограф
- DV Дроссельный клапан
- DWA Противоугонная сигнализация
- DZG Датчик частоты вращения
- DZM Тахометр
E
- EBS Электронная тормозная система
- ECAM Electronically Controlled Air Management (электронная пневматическая система)
- ECAS Electronically Controlled Air Suspension (электронная пневматическая подвеска)
- ECE Аварийное отключение по ECE 36
- ECU Electronic Control Unit (электронный блок управления)
- EDC Electronic Diesel Control (электронная система управления впрыском дизельного топлива)
- EDC S Electronic Diesel Control (электронная система впрыска дизельного топлива Slave)
- EDM Электронная система контроля расхода дизельного топлива
- EDR Ограничитель максимальной частоты вращения
- EEC Электронный контроллер двигателя (Electronic engine controller)
- EEPROM ЭСППЗУ – стираемая и перезаписываемая (программируемая) энергонезависимая память
- EFR Электронная система регулирования ходовой части
- EFS Электрическое сиденье водителя
- EHAB Электрогидравлический блокиратор
- ELAB Электрический блокиратор
- ELF Электронная пневматическая подвеска
- EMS Электронная система управления мощностью двигателя
- EMV Электромагнитная совместимость
- EOL End Of Line (программирование на выходе с конвейера)
- EP ТНВД (топливный насос высокого давления)
- ER Ретардер двигателя (моторный тормоз)
- ESAC Electronic Shock Absorber Control (электронная система регулирования ходовой части)
- ESP Electronic Stability Program (электронная программа обеспечения устойчивости)
- ESR Электрическая солнцезащитная шторка
- EST Электронный блок управления
- EV Впускной клапан
- EVB Exhaust Valve Brake (моторный тормоз-замедлитель)
F
- FAP Рабочее место водителя
- FAQ Frequently Asked Questions (часто задаваемые вопросы)
- FBA Стояночная тормозная система
- FBM Модуль ножного тормоза
- FDR Регулирование динамики движения
- FDF Файл данных автомобиля
- FFR Автомобильный компьютер
- FGB Ограничение скорости движения
- FGR Система регулирования скорости
- FHS Кабина
- FIN Идентификационный номер автомобиля (17-значный)
- FM Система управления автомобилем
- FMI Failure Mode Identifikation (тип неисправности)
- FMS Fleet Management Standard (стандарт управления парком транспортных средств, независимый от изготовителя стандарт интегрированной системы коммуникаций Телематик)
- FMR Регулирование двигателя автомобиля
- FOC Front Omnibus Chassis (автобусное шасси с двигателем в передней части)
- FSCH Обогрев лобового стекла
- FSG Понтоноукладчик
- FSH Обогрев стекол/зеркал
- FTW Перегородка места водителя
- FUNK Рация
- FZA Система маршрутной индикации
- FZNR Номер автомобиля (7-значный)
G
- GDK Регулируемый дизельный катализатор
- GEN Генератор
- GET Коробка передач
- GGVS Европейское соглашение о международных автодорожных перевозках опасных грузов (ADR)
- GND Ground (масса)
- GP Планетарная группа коробки передач (задний делитель)
- GS Блок управления коробкой передач
- GV Передний делитель коробки передач (группа передач делителя)
H
- HA Задний мост
- HBA Вспомогательная тормозная система
- HD-OBD Heavy Duty-Onboard Diagnose (Бортовая диагностика для тяжелых условий работы)
- HDS Система дозирования мочевины
- HGB Ограничение максимальной скорости
- HGS Гидравлическая система переключения передач
- HLUE Гидростатический вентилятор
- HOC Heck Omnibus Chassis (автобусное шасси с двигателем в задней части)
- HSS Выключатель Highside
- HST Основная приборная панель
- HU Основной техосмотр
- HYD Дополнительное отопление Hydronic
- HYDRIVE Гидростатический привод переднего моста
- HYDRO MAN Hydro Drive (Гидропривод MAN)
- HVA Гидростатический привод переднего моста
- Hz Герц (изменений/периодов в секунду)
- HZA Система сигнализации остановки по требованию
- HZG Вспомогательный датчик скорости вращения
I
- IBEL Освещение кабины
- IBIS Интегрированная бортовая информационная система
- IC Integrated Circuit (интегральная схема)
- ID Идентификация
- IMR Встроенное механическое реле (включение стартера)
- INA Информационный дисплей (например, контрольная лампа)
- INST Приборная панель
- IR Индивидуальное регулирование (ABS)
- IRM Модифицированное индивидуальное регулирование (ABS)
- ISO Международная организация по стандартизации
- IWZ Инкрементная система измерения угла/времени
K
- KBZ Комбинированная тормозная камера
- KFH Нагрев топливного фильтра
- KITAS Интеллектуальный сенсор спидографа Kienzle
- KLI Кондиционер
- KNEEL Система наклона пола
- KSM Заказной модуль управления (устройство управления для внешнего обмена данными)
- KSW Особое требование заказчика
- KWP Key Word Protocol (протокол по диагностике с помощью MAN-cats KWP 2000)
L
- LBH Ресивер
- LCD Liquid Crystal Display (жидкокристаллический дисплей)
- LDA Зависимый от давления наддува ограничитель хода рейки ТНВД
- LDF Датчик давления наддува
- LDS Система амортизации пневматических рессор
- LED Light Emitting Diode (светодиод)
- LF Пневматическая подвеска
- LGS Lane Guard System (система курсового контроля)
- LL Частота вращения двигателя на холостом ходу
- LLA Увеличение частоты вращения двигателя на холостом ходу
- LLR Регулирование частоты вращения на холостом ходу
- LNA Управляемый поддерживающий мост
- LNG Liquified Natural Gas (сжиженный природный газ)
- LOE Контроль масла рулевого привода
- LPG Liquified Petroleum Gas (сжиженный газ)
- LSVA Зависимый от мощности отбор
- LWR Коррекция угла наклона фар
- LWS Датчик угла поворота рулевого колеса
M
- M-TCO Модульный спидограф ЕС
- MAB Останов магнитным клапаном (останов двигателя с помощью магнитного клапана высокого давления в ТНВД)
- MAN- catsMAN- computer- assisted testing and diagnosting system (компьютерная система контроля и диагностики MAN)
- MAR Реле останова магнитным клапаном (реле резервного останова двигателя)
- MDB Диапазон частоты вращения двигателя
- MES Регулятор подачи топлива
- ML Midline (средняя линия)
- MMI Интерфейс человек-машина
- MOTB Моторный тормоз
- MP Кабельный туннель двигателя (проводный туннель на моторном блоке)
- MR Регулятор двигателя - ASR
- MSG Блок управления двигателем (EDC)
- MUX Мультиплексный центральный процессор (только автобус)
- MV Магнитный клапан
- MZ Тормозная пневматическая камера
N
- n Частота вращения
- NA Коробка отбора мощности
- NBF Датчик хода иглы
- NES Новая структура электроники
- NFZ Транспортные средства для перевозки грузов и пассажиров
- NLA Поддерживающий мост
- NOx Оксид азота
- NSL Задний противотуманный фонарь
- NSW Противотуманная фара
O
- OBD Бортовая диагностика
- OBDU Onboard Diagnostic Unit (бортовой диагностический прибор)
- OC Occurrence Count (счетчик повторяемости… неисправности)
- OEAB Маслоотделитель
- OENF Дозаправка масла
P
- p Давление
- P Powertrain (Трансмиссия, передаточный механизм)
- PBM Pulse Breadth Modulation (сигнал широтно-импульсной модуляции, см. также PWM)
- P-Code Powertrain-Code (код неисправности передаточного механизма/трансмиссии)
- PDF Фильтр дизельных частиц
- PLM Программируемый логический модуль
- PM-Kat Particulate Matter-Katalysator (катализатор твердых частиц)
- PSC Pneumatic Supply Controller (пневматический контроллер подачи) - заменен ECAM
- PSG Блок управления насосом (EDC)
- PTM Powertrain Manager (замена для FFR)
- PTO Power Take Off (механизм отбора мощности)
- PWG Педаль акселератора
- PWM Pulse Width Modulation (сигнал широтно-импульсной модуляции, смотри также PBM)
R
- RA Руководство по ремонту
- RAH Отопление салона
- RAM Random Access Memory (ОЗУ - энергозависимая записываемая/считываемая память)
- RAS Rear Axle Steering (управляемый задний мост)
- RAS-EC Rear Axle Steering- Electronic Controlled (электронный управляемый задний мост)
- RDRA Система регулирования давления воздуха в шинах
- RDS Информационная радиосистема
- RET Ретардер
- RET P Первичный ретардер
- RET S Вторичный ретардер
- RKL Проблесковый маячок
- RKS Система контроля шин - заменена TPM
- RLV Ускорительный клапан
- RME Raps Methyl Ester (биодизель)
- ROM Read Only Memory (ПЗУ - постоянное запоминающее устройство)
S
- SA Специальное оборудование
- SAE Society of Automotive Engineers (Ассоциация инженеров автомобилестроения)
- SAMT Semi Automatic Mechanic Transmission (полуавтоматическая механическая коробка передач)
- SB Сервисный центр
- SBW-RA Steer By Wire Rear Axle (управляемый задний поддерживающий мост с электронным управлением)
- SCR Selective Catalytic Reduction (селективное каталитическое восстановление)
- sec Секунда
- SER Серия
- SG Блок управления
- SH Регулирование select-high (ABS)
- SKD Semi Knocked Down (частично разобранный автомобиль)
- SL Регулирование select-low (ABS)
- SML Боковые габаритные фонари
- SPN Suspect Parameter Number (номер места сбоя)
- STA ПУСК/ОСТАНОВ двигателя
- SWR Очиститель фар
T
- t Время
- TBM Бортовой модуль Telematic
- TC Traction Control (антипробуксовочная система)
- TCM Trailer Control Modul (модуль управления прицепом)
- TCO Тахограф (MTCO, DTCO, TSU и т. п.)
- TCU Transmission Control Unit (блок управления автоматической коробкой передач)
- TEPS Twin Electronic Platform Systems (системы на сдвоенной электронной платформе) (только автобус)
- TGA Серия Trucknology Generation A
- TGL Серия Trucknology Generation Light
- TGM Серия Trucknology Generation Mid
- TKU Техническая документация заказчика
- TMC Traffic Message Channel (информационный канал о ситуации на дорогах)
- TPM Tyre Pressure Module (система контроля давления воздуха в шине)
- TRS Транспортные технические нормативы
- TSC Torque Speed Control (тормозной момент)
- TSU Устройство моделирования спидографа (для транспортных средств без MTCO/DTCO)
- TUER Система управления дверями
U
- U Bat Напряжение аккумуляторной батареи
- UDF Файл данных переналадки (conversion file)
- UDS Регистратор аварийных данных
V
- v Скорость
- VA Передний мост
- VDF Vehicle data file (файл данных автомобиля)
- VG Раздаточная коробка или по нормам защитных устройств
- VLA Передний поддерживающий мост
- VSM Управление блокированием раздаточной коробки
W
- WA Руководство по техническому обслуживанию
- WAB Влагоотделитель
- WaPu Трансмиссионный тормоз от водяного насоса
- WLE Сменный бортовой модуль
- WR Сигнальное реле
- WS Сенсор перемещения
- WSK Гидротрансформаторное сцепление
Z
- z Коэффициент торможения
- ZBR Центральный бортовой компьютер
- ZBRO Центральный бортовой компьютер автобуса (ЦБКА)
- ZDR Регулирование промежуточной частоты вращения
- ZE Центральная электрическая сеть
- ZFR Дополнительный автомобильный компьютер
- ZR Центральный процессор
- ZS Централизованная смазочная система
- ZUSH Дополнительный обогрев
- ZWS Интервальная система технического обслуживания
- λ Пробуксовка
- μ Коэффициент трения
- μC Микроконтроллер (микропроцессор)
ОПИСАНИЕ СИСТЕМЫ
Электронная тормозная система (EBS)
Обозначение для всей системы: EBS
– Второе расширение второго поколения (без ESP)
– Третье расширение второго поколения (совместимо с ESP)
Предыдущая версия EBS 2.2 соответствовала требованиям ESP. К примеру, был создан интерфейс ESP и ABS/ASR и расширены функции безопасности. По этой причине система ESP функционирует только при наличии версии EBS 2.3.
Частные функции EBS
– EPB Электропневматическая тормозная система. EPB выполняет электронное регулирование
тормозного усилия. Без ABS это выполняется до полного регулирования давления. Дополнительные
функции способствуют электронному регулированию тормозного давления, за счет которого
осуществляется различное распределение тормозного давления на тормозные цилиндры.
– ABS Антиблокировочная система. ABS регулирует тормозное усилие при склонности колес к
блокировке и отключает тормоз-замедлитель.
– ASR Антипробуксовочная система. ASR регулирует тормозное усилие на приводных мостах при
склонности колес к пробуксовке и/или уменьшает мощность двигателя.
– ESP Электронная система обеспечения устойчивости. ESP регулирует и, соответственно, уменьшает опасность опрокидывания на поворотах и опасность заноса/продольного изгиба на скользкой дороге.
EBS состоит из двухконтурной чисто пневматической и наложенной одноконтурной электропневматической цепи управления. Конструкция нижележащей двухконтурной пневматической
цепи управления, в целом, соответствует конструкции обычной тормозной системы. Электронное
регулирование тормозного усилия основывается на пневматической цепи управления (резервный
контур), которая действует автоматически при выходе из строя электрической цепи. Стояночная
тормозная система обычная, действует механически с пневматической передачей сигнала.
Особенности при EBS для грузовых автомобилей
– Стояночная тормозная система обычная: С механическим управлением и пневматической
передачей сигнала
– Рабочая тормозная система: С одноконтурной тормозной системой с электронным управлением от
бортового напряжения и с двухконтурным пневматическим резервным контуром
– Бортовое напряжение 24 В, давление в ресивере до 12,5 бар, давление в тормозных цилиндрах до 10 бар
– Пневматическая двухпроводная тормозная система со стандартным модулем управления прицепом
– 7-контактное электрическое штекерное соединение по DIN ISO 7638 между тягачом и прицепом
– Устройство управления EBS с передачей данных через CAN:
– Шина данных CAN трансмиссии — блок управления EBS к другим системам на автомобиле
– Шина данных CAN прицепа — блок управления EBS тягача/прицепа по DIN ISO 7638
– Шина данных CAN тормоза — блок управления EBS к модулям регулировки давления в тягаче и прицепе
– Одноканальные/двухканальные модули регулировки давления с интегрированной электроникой
– Модуль управления прицепом служит для электронной регулировки стандартных прицепов
– Датчик частоты вращения и датчики тормозных накладок подключены непосредственно к модулям
регулировки давления
– Функция ASR с регулятором тормозов и двигателя работает через шину данных CAN трансмиссии
– Дополнительный функциональный переключатель (например, для повышения порога пробуксовки
ASR)
– В электропневматическую тормозную систему интегрирована функция автоматического
регулирования тормозного усилия в зависимости от нагрузки (ALB)
– Запрограммированная в EOL конфигурация системы и характеристики давления по индивидуальным критериям оптимальности (одинаковая установка всех колесных тормозов, распределение давления, износ тормозных накладок, одинаковая сила сцепления, максимальная задержка)
– Система регулировки силы сцепки (только в сочетании с модулем управления прицепом)
– Регулировка износа тормозных накладок, функциональная индикация износа тормозных накладок
– Диагностика посредством MAN-cats® II с помощью 12-контактной диагностической розетки X200
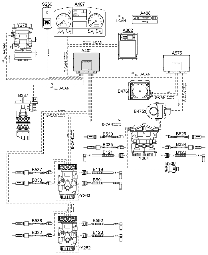
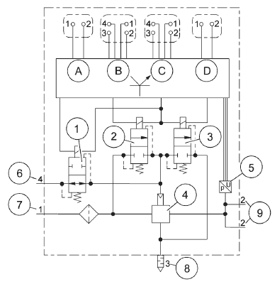
Принципиальная схема и схема электрических подключений (грузовые автомобили 4x2)

——— Пневмопроводы
- - - - - Электрические провода
(1) Устройство управления EBS (A402)
(2) Рабочий тормозной клапан с интегрированным тормозным датчиком (G7.302/B337)
(3) Модуль регулировки давления переднего моста справа (G67.304/262)
(4) Датчик частоты вращения, передний мост справа (B120)
(5) Датчик износа тормозной накладки переднего моста справа (B332)
(6) Датчик износа тормозной накладки переднего моста слева (B333)
(7) Датчик частоты вращения, передний мост слева (B119)
(8) Модуль регулировки давления переднего моста слева (G67.304/Y263)
(9) Модуль управления прицепом (G17.301/Y278)
(10) Модуль регулировки давления заднего моста (G67.305/Y264)
(11) Датчик ALB заднего моста (датчик давления) (B336)
(12) Датчик частоты вращения, задний мост справа (B122)
(13) Датчик тормозной накладки ведущего моста справа (B334)
(14) Датчик тормозной накладки ведущего моста слева (B335)
(15) Датчик частоты вращения, задний мост слева (B121)
(16) Розетка прицепа ABS (X317)
(17) Диагностическая розетка (X200) для MAN-cats
Принцип действия компонентов
Нормальное положение
Двухконтурный пневматический резервный контур тормозного привода готов к работе при выключенном зажигании и достаточном запасе сжатого воздуха (см. сведения о торможении
посредством резервного контура). Все электромагнитные клапаны в тормозной системе обесточены
и возвращаются в исходное положение механически (с помощью пружин).
При включенном зажигании устройство управления EBS (1) приводится в действие. При отсутствии нарушений включается EBS при отпущенной тормозной педали. Электропитание EBS осуществляется посредством бортового напряжения. Все электромагнитные клапаны в тормозной системе обесточены в случае, если тормоз не приведен в действие.
EPB — электропневматическая тормозная система
Рабочий тормозной клапан (2) приводится в действие. Датчик тормозного значения, интегрированный
с рабочим тормозным клапаном, выдает электрический сигнал устройству управления EBS (1).
В соответствии с предписаниями EOL на его основании генерируется номинальное значение тормозного давления. Оно передается к штекерному соединению прицепа (16) (шина данных CAN прицепа). Кроме того, номинальные значения, выработанные устройством управления EBS, поступают по шине данных CAN тормоза к модулям регулировки давления (3, 8, 10). Они автоматически регулируют тормозное давление для подключенных тормозных цилиндров.
Номинальные значения, которые передаются от устройства управления EBS к модулям регулировки
давления, приведены в соответствие с нагрузкой мостов. Для установки номинальных значений
давления в зависимости от нагрузки на мост определяется значение нагрузки на мост, например с
помощью датчика давления (11) на пневматической подвеске, после чего результат измерений
передается в блок управления EBS.
Торможение посредством резервного контура
В тягаче независимо от электрического сигнала датчика тормозного значения от рабочего тормозного
клапана (2) создаются два тормозных давления. Они подаются к модулям регулировки давления (3, 8, 10) в тягаче.
Пневматическое тормозное давление при торможении, регулируемом электронной системой,
поддерживается в модулях регулировки давления в "резерве". Пневматическое давление от рабочего тормозного клапана создается в тягаче также в модуле управления прицепом (9). Модуль управления прицепом регулирует давление, подаваемое к соединительной головке тормоза и к резерву соединительной головки.
Торможение посредством резервного контура (без "резерва" на модуле регулировки давления)
выполняется, если
– Выключатель зажигания находится в положении "Зажигание выключено"
– устройство управления EBS не подает электрические номинальные значения в отдельные или все модули регулировки давления
– устройство управления EBS при каком-то обнаруженном нарушении отключило отдельные или все модули регулировки давления.
При торможении посредством резервного контура на электромагнитные клапаны в модулях регулировки давления (3, 8, 10) не подается электропитание. Они оставляют возможность действия
тормозного давления, создаваемого рабочим тормозным клапаном (2) и имеющемся на управляющем
входе модуля регулировки давления, на ускорительный клапан в модуле регулировки давления и модуль управления прицепом. Эти модули регулируют пропорциональным образом давление от подключенного резервного трубопровода в тормозном цилиндре и в тормозном трубопроводе к прицепу.
Антиблокировочная система (ABS)
Датчики частоты вращения (4, 7, 12, 15) подключены ко входам модулей регулировки давления (3, 8, 10). Через шину данных CAN тормоза сигналы поступают в устройство управления EBS (1), которое определяет базовую скорость движения автомобиля и другие величины, которые затем снова через
шину данных CAN тормоза передаются в модули регулировки давления.
ABS при электропневматической тормозной системе (EPB с электрическим номинальным значением)
Каждый модуль регулировки давления уменьшает тормозное давление по сравнению с предписанным номинальным значением в соответствующем канале регулировки в соответствии с допустимой величиной проскальзывания.
ABS и тормоз-замедлитель
О том, что имеет место регулировка ABS, указывается через выход реле тормоза-замедлителя на блоке управления (A402 Pin X1/16) и посредством информации "ABS активна" в сообщении EBC1 на шине данных CAN трансмиссии.
Сигналы генерируются:
– во время рабочего торможения с ABS
– без приведения в действие рабочего тормоза при повышенном проскальзывании
Посредством этих сигналов тормоз-замедлитель может отключаться во время регулирования ABS.
Способы регулировки для автомобиля с ABS
В распоряжении EBS имеются четыре стратегии регулировки, которые эффективны в зависимости от
комбинации модулей регулировки давления с датчиками скорости вращения и программирования EOL.
– Индивидуальное регулирование (IR)
– Модифицированное индивидуальное регулирование (IRM)
– Регулирование select-low (SL)
– Регулирование select-smart (SSM)
- Индивидуальное регулирование (IR)
Тормозное давление в канале регулировки регулируется индивидуальным образом в соответствии со
скоростью вращения соответствующего колеса с датчиком. При разных значениях коэффициента
трения слева/справа создаются подходящие, однако различные тормозные усилия для воздействия
на момент рыскания автомобиля по вертикальной оси. Для управления реакциями автомобиля при
торможении этот способ регулировки применяется преимущественно на неуправляемых мостах.
- Модифицированное индивидуальное регулирование (IRM)
Тормозное давление в двух каналах регулировки регулируется индивидуальным образом в соответствии со скоростью вращения соответствующих колес с датчиками. Однако на колесе, которое еще не блокировано, ограничивается максимально возможное тормозное давление по сравнению с колесом, которое уже регулируется ABS. Моменты рыскания поддерживаются небольшими без существенного увеличения тормозного пути. Применение преимущественно на управляемых мостах (в зависимости от нагрузки на мост).
- Регулирование select-low (SL)
Тормозное давление в канале регулировки регулируется в зависимости от скорости вращения двух
колес с датчиками. Причем тормозное давление согласовывается на том контролируемом колесе,
которое обнаруживает склонность к блокировке первым (выбирается Low-Rad). На колесе, которое
движется при более высоком коэффициенте трения (High-Rad), передаваемое тормозное усилие не
используется. На стабильность автомобиля SL оказывает положительное влияние, а на тормозной путь отрицательное влияние. Применение на мостах с одноканальной регулировкой (например на управляемом поддерживающем мосту) или с односторонним SL.
- Регулирование select-smart (SSM)
Тормозное давление в канале регулировки регулируется в зависимости от скорости вращения двух колес с датчиками. При разных значениях коэффициента трения дорожного покрытия на контролируемых колесах может быть вследствие интеллектуальной оценки настроено более высокое
тормозное давление, чем при SL. Вследствие этого среднее тормозное усилие имеет большее значение. Короткие фазы блокировки на колесе с более низким коэффициентом трения (Low-Rad) могут проявляться в тех фазах, в которых регулировка выполняется по Select-high (SH). Применение на мостах с одноканальной регулировкой или с односторонним SSM.
ASR — антипробуксовочная система
Если при трогании с места и ускорении проворачиваются оба приводных колеса, то электроника
опознает это из разности скоростей приводных и неприводных колес и уменьшает момент двигателя
(регулятор двигателя).
При разных значениях коэффициента трения справа/слева (μ-split) проворачивается в основном колесо на дорожном покрытии с меньшим коэффициентом трения. С помощью регулятора торможения ASR притормаживается проворачивающееся колесо. Приводной момент может действовать только на колесо с более высоким значением коэффициента трения. Таким образом ASR действует как автоматический механизм блокировки дифференциала. Для измерений на испытательном стенде следует отключить ASR.
ASR — регулятор двигателя
При одинаковом проворачивании приводных колес приводной момент двигателя уменьшается таким
образом, что средняя скорость вращения колес приводного заднего моста лишь немного превышает
скорость вращения колес неприводного переднего моста. Требующийся для этого сигнал на
уменьшение выдается на электронную систему управления дизелем Electronic Diesel Control (EDC) от устройства управления EBS через шину данных CAN трансмиссии. Регулятор двигателя может быть активирован во всех интервалах скоростей.
Связь с устройством управления EDC
Связь поддерживается через шину данных CAN трансмиссии к компьютеру для управления
автомобилем (A403) и от него через шину данных CAN двигателя к устройству управления EDC
(A435).
Off-Road-ASR (ASR при движении по бездорожью)
Нажатием на клавишу ASR-Off-Road можно изменять проскальзывание при особых условиях движения по бездорожью. Об активации этого специального режима водитель извещается с помощью сигнальной лампочки ASR-Info (Информационная индикация) на приборной панели или в виде пиктограммы информации "ABS-Off-Road switch active". При повторном нажатии клавиши или при выключении зажигания эта функция деактивируется.
ASR — регулятор тормозов
При проворачивании колеса оно притормаживается дозированным образом и контролируется датчиком давления и датчиком скорости вращения. Притормаживание уменьшает скорость проворачиваемого колеса, которая повышается на приводном колесе из-за приводного момента.
Скорости приводных колес вследствие этого синхронизируются.
При скоростях выше 40 км/ч регулятор тормозов больше не активируется. Если, однако, он в процессе ускорения действовал при более низких скоростях, то при соответствующем режиме регулирования он может оставаться включенным также и при скорости более 40 км/ч до следующего переключения передачи. Термическую нагрузку колесных тормозов через регулятор тормозов ASR
устройство управления EBS не определяет. Возможную перегрузку при длительном регулировании ASR следует предотвращать с помощью соответствующего режима трогания с места.
При слишком низком резервном давлении в одном из тормозных контуров регулятор тормозов ASR
отключается примерно через секунду. По этой причине от устройства управления EBS поступает
напряжение для зажигания красной контрольной лампочки или считывается информация о резервном
давлении посредством сообщения "Резервное давление" через шину данных CAN трансмиссии.
Автоматическая компенсация шин
Система обеспечивает автоматическую компенсацию шин. После замены шин сохраняется возможность подключения регулятора двигателя ASR перед завершением адаптации шин с их компенсацией.
Это может быть прервано нажатием клавиши ASR-Off-Road. После нескольких минут свободного
движения на прямом дорожном полотне без торможения адаптация завершается, и клавиша ASR-Off-Road может быть снова выключена.
Компоненты EBS
Устройство управления EBS (A402)
Электронное устройство управления используется для управления и контроля тормозной системы с
электронным регулированием. Электропитание поступает от электрической бортовой сети.
Передача данных
– к другим системам происходит по шине данных CAN "Трансмиссия"
– между тягачом и прицепом по шине данных CAN "Прицеп"
– к модулям регулирования давления в автомобиле с тягачом и прицепом по шине данных CAN "Тормоз"
Устройство управления программируется по методу "EOL" (End Of Line). К параметрам, введенным
разработчиком системы, на выходе автомобиля с конвейера его производитель также добавляет
индивидуальные параметры автомобиля. С помощью MAN-cats® II можно проверить и при
необходимости изменить введенные параметры.
Датчик тормозного значения (B337)
Датчик тормозного значения интегрирован с рабочим тормозным клапаном. Электропитание поступает с устройства управления EBS (A402).
Модуль регулирования давления 1-канальный (Y262/Y263)
На переднем мосту справа и слева установлен 1-канальный модуль регулировки давления с интегрированной электроникой. Электропитание поступает с устройства управления EBS (A402).
Передача данных от модулей регулировки давления к устройству управления EBS происходит по шине данных CAN "Тормоз".
Модуль регулирования давления 2-канальный (Y264)
На заднем мосту установлен 2-канальный модуль регулировки давления (Y264) с интегрированной
электроникой. Электропитание поступает с устройства управления EBS (A402). Передача данных от модуля регулировки давления к устройству управления EBS происходит по шине данных CAN "Тормоз".
Модуль управления тормозами прицепа (Y278)
Для обеспечения эксплуатации автомобиля с прицепом установлен модуль управления прицепом с интегрированной электроникой. Электропитание поступает с блока управления EBS (A402).
Передача данных от модуля управления прицепом к блоку управления EBS происходит по шине данных CAN "Прицеп". Основной функцией модуля управления прицепом является регулировка тормозного давления в магистрали управления тормозами прицепа (разъем 22) и регулировка силы сцепки тягача и прицепа. Стояночная тормозная система и функция разрыва работают обычным образом.
Устройство измерения скорости вращения
Устройство измерения скорости вращения состоит из зубчатого импульсного ротора и индуктивного
датчика скорости вращения (B119/B120 передний мост, B591/B592 2-й передний мост, B121/B122
ведущий мост). Датчики скорости вращения электрически подключены к модулям регулировки давления. При вращающемся колесе в датчике скорости вращения вырабатывается переменное
напряжение, частота которого пропорциональна скорости колеса.
Датчик тормозной накладки
В каждом модуле регулировки давления на переднем мосту устанавливается датчик (B332/B333).
При наличии 2-го переднего моста к модулям регулировки давления дополнительно подключаются
датчики (B537/B538). В модуле регулировки давления на задних мостах подключаются на мост по два датчика (B334/B335 — на ведущем мосту и B529/B530 — на дополнительном мосту).
Датчики электрически соединены с модулем регулировки давления. На датчики в каждом случае
подается электропитание только во время торможения, исключая подачу напряжения питания для
инициализации после включения зажигания. После завершения процесса торможения выполняется
регистрация электрических сигналов в модулях регулировки давления. Передача данных происходит
через шину данных CAN "Тормоз".
Датчик ALB ведущего моста (B336)
Датчик ALB преобразует физические параметры, например давление или расстояние, в напряжение.
Датчик (с напряжением 5 вольт) электрически соединен с модулем регулировки давления заднего моста.
– Мосты с пневматической подвеской (датчик давления). Датчик состоит из чувствительного к
изменениям давления измерительного элемента и усилительной схемы. Пневматический разъем
соединен с пневмопроводом, ведущим к пневмобаллонам пневматической рессоры.
– Мосты с рессорной подвеской (датчик перемещения). Датчик установлен на кузове автомобиля.
По рычагу, установленному на приводном валу, передается вертикальное перемещение моста. В
датчике находится распределитель напряжения.
Розетка прицепа
Электропитание на розетку прицепа (X317) поступает от электрической бортовой сети (А100).
Передача данных от тягача к прицепу производится через шину данных CAN "Прицеп" (X317 Pin 6 и Pin 7).
Для того, чтобы обеспечить заменяемость тягача и прицепа, для эксплуатации EBS прицепа необходимы:
– Тормозная система с двумя воздухопроводами сжатого воздуха: управляющим и резервным.
– Розетка прицепа для ABS, но с полной разводкой, а также Pin 6 и 7 (7-контактный соединительный
кабель).
ОСТОРОЖНО: Если прицеп оснащен интегрированным EBS, то тягач и прицеп соединяются только 5-контактным кабелем ABS, и применяется обычный пневматический контур управления.
Совместимость различных тормозных систем
Помимо комбинаций автомобилей из тягачей и прицепов с EBS, возможны комбинации тягачей EBS с обычными прицепами, а также прицепами, соответствующими стандартам ISO 11992 и ISO 7638 (7-контактными).
Воздействие на прицеп зависит от подачи сжатого воздуха и электропитания и магистралей управления, которые соединяют тягач с прицепом.
Ниже представлены возможные комбинации для:
Тягач с EBS и прицепы с различным оснащением

Функции в прицепе при следующих комбинациях автомобиля.
1 Прицеп подключен к тягачу посредством пневматического устройства с двумя линиями и тормозится в соответствии с его оснащением.
2 Прицеп подключен к тягачу посредством пневматического устройства с двумя линиями и тормозится, включая ABS на стоп-сигнал, в соответствии с его оснащением.
3 Прицеп подключен к тягачу посредством пневматического устройства с двумя линиями и 5-полюсного соединения ABS и тормозится, включая ABS по нормам ISO 7638, в соответствии с его оснащением.
4 Прицеп подключен к тягачу посредством пневматического устройства с двумя линиями и 7-полюсного соединения EBS и тормозится в соответствии с давлением в тормозном пневмопроводе или в соответствии с номинальным значением, полученным по от шине данных CAN "Прицеп". Выбор осуществляется в соответствии с предписаниями по торможению прицепа.
Осторожно! Если прицеп оснащен интегрированным EBS, то тягач и прицеп соединяются только 5-контактным кабелем ABS, и функционирование тормоза в прицепе соответствует комбинации № 3.
Система регулирования силы сцепки
Клапан управления прицепом корректирует тормозное давление тягача и прицепа.
Функциональная схема и схема соединений (прицеп)

——— Пневмопроводы
- - - - - Электрические проводники
(1) Розетка прицепа ABS
(2) Устройство управления EBS
(3) Датчик ALB (датчик давления)
(4) Датчик износа тормозной накладки
(5) Датчик частоты вращения
(6) Модуль регулировки давления
(7) Кнопочный выключатель резерва
(8) Тормозной клапан прицепа
Функция в прицепе
Прицеп, как в обычном автомобиле, обслуживается посредством устройства с двумя линиями. Если в действие введена EBS, то устройство управления EBS информируется о процессе торможения через 7-контактную розетку прицепа ABS через Pin 6 (CAN High) и Pin 7 (CAN Low).
Если автомобиль снабжен только 5-контактной розеткой прицепа, то, тем не менее, возможно
электронное регулирование торможения, поскольку устройство управления может использовать
номинальное значение пневмопривода через пневматический резервный контур. Тем самым
поддерживаются все функции регулирования давления, как регулирование ALB посредством датчика ALB, так и ABS.
Электронная система обеспечения устойчивости (ESP)
Общая информация
Система ESP, базирующаяся на системе ABS, которая при торможении колес защищает их от блокировки, и на системе ASR, которая предотвращает пробуксовку колес при ускорении, обеспечивает стабилизацию характеристик движения при критических режимах. Статистика аварий показывает, что примерно 15 % всех аварий вызвано заносами автомобиля, особенно, если дорожное полотно обладает низким или средним коэффициентом трения (из-за льда, снега, дождя). Система ESP вмешивается прежде всего при быстрых манёврах расхождения, панических реакциях или недостаточной поворачиваемости, чрезмерной поворачиваемости и изломах автомобиля. Также и при меняющихся характеристиках дорожного полотна (значения коэффициента трения) система ESP посредством торможения отдельных колес и вмешательства в управление двигателем действует таким образом, чтобы стабилизировать движение автомобиля. При вмешательстве ABS и ASR, прежде всего в динамику продольного движения, ESP имеет дополнительную задачу по стабилизации автомобиля по вертикальной оси. Другими словами, регулируется момент рыскания. Под рысканием понимается поворачивание вокруг вертикальной оси автомобиля.
Типы автомобилей и варианты/модификации
ESP - это система, регулирующая динамику автомобиля с помощью тормозов. Она зависит от фактической динамики автомобиля и, следовательно, от фактических характеристик движения.
Фактические характеристики движения, с другой стороны, зависят от типа автомобиля и от его
конфигурации. Следовательно, система ESP должна подходить к конкретному типу автомобиля (целевому автомобилю), которому соответствуют определенные варианты.
Изменения в автомобиле
Функция ESP с относящимся к ней набором параметров регулирования настроена на определенный
тип автомобиля. В приведенной ниже таблице приведены для примера основные параметры автомобиля, которые влияют на определение параметров функции ESP.

Внимание: Изменения в автомобиле, которые оказывают влияние на параметры и/или изменяют характеристики движения и/или управляемость автомобиля, недопустимы без проверочного испытания ESP. Заметное снижение эффективности работы ESP в особенности может вызвать тюнинг двигателя без корректного согласования передаваемых данных о двигателе.
Изменения в автомобиле без проверки ESP могут существенно повлиять на безопасность движения.
Компоненты ESP
Блок управления регулировкой динамики движения ESP (A575)
Корпус блока управления представляет собой печатную плату с припаянной колодкой штекерного
разъема. В печатную плату интегрирована общая электронная схема со всеми соответствующими
компонентами.
Блок управления ESP соединен с блоком управления EBS по шине данных CAN тормоза. В соответствии с различными требованиями системы ESP были определены дополнительные сообщения на шине данных CAN тормоза. Это позволяет расширить существующую структуру сообщения EBS 2.2.
Датчик угла поворота рулевого колеса (B475)
Датчик угла поворота рулевого колеса представляет собой самоконтролируемый датчик, который
относится к концепции безопасности ESP. Сигналы датчика передаются по шине данных CAN в блок управления ESP.
Датчик скорости вращения и поперечного ускорения (B476)
Он представляет собой комбинированный механический микродатчик скорости вращения и поперечного ускорения. Выходные сигналы (о частоте вращения и поперечном ускорении) передаются по шине данных CAN в блок управления ESP.
Интерфейс для других систем
Следующие блоки управления связаны с приборной панелью через шину данных CAN трансмиссии (Т-CAN), шину данных CAN построителя (A-CAN), шину данных CAN Highline (H-CAN), шину данных CAN двигателя (М-CAN) и шину данных CAN приборной панели (I-CAN).
Сообщение о неисправности или выходе из строя системы (напр., EBS, EDC, ECAS и т.д.) передается
на центральный бортовой компьютер через шину данных CAN трансмиссии (Т-CAN). Также и отсутствие регулярно ожидаемого сообщения CAN опознается как ошибка ожидания, которая при известных условиях индицируется, например, если устройство управления из-за полного отказа больше не принимает участия в передаче данных через CAN. Центральный бортовой компьютер отправляет сигнал через шину данных CAN приборной панели (I-CAN) на приборную панель. Там неисправность отображается при помощи контрольных лампочек и индицирования на дисплее для символьной и текстовой индикации, предоставляя необходимые водителю сведения.
Структура шины данных CAN
TGA

(A143) Устройство управления ECAS
(A144) Управление замедлителем /трансмиссионным тормозом
(A148) Радиоприемник/проигрыватель кассет
(A302) Центральный бортовой компьютер 2
(ZBR2) с сопротивлением нагрузки I-CAN
(A312) Пользовательский модуль управления с сопротивлением нагрузки A-CAN
(A330) Устройство управления AS-TRONIC (на коробке передач)
(A384) Устройство управления подруливанием заднего моста (RAS-EC)
(A402) Устройство управления EBS
(A403) Компьютер для управления автомобилем с сопротивлениями нагрузки М-CAN и T-CAN
(A407) Приборная панель с сопротивлениями нагрузки H-CAN, FS-CAN и I-CAN
(A408) Тахоспидограф с сопротивлением нагрузки FS-CAN
(A409) Устройство управления ECAM с сопротивлением нагрузки T-CAN
(A435) Устройство управления EDC с сопротивлением нагрузки M-CAN
(A479) Управление ACC
(A574) Устройство управления MMI
(A577) Бортовой модуль Telematik
(A609) Устройство управления LGS
(A635) Truck-Gate с сопротивлением нагрузки H-CAN
(A . . .) Структура остальной части системы
(AB) Кузов — электроника на разъеме CAN, например система FMS
(A-CAN) Шина данных CAN кузова (одновременное подключение для интерфейса FMS)
(FS-CAN)Шина данных CAN тахоспидографа
(H-CAN) Шина данных CAN Highline
(I-CAN) Шина данных CAN приборной панели
(M-CAN) Шина данных CAN управления двигателем
(T-CAN) Шина данных CAN трансмиссии
Грузовой автомобиль высокой проходимости (X-типа)

(A146) Устройство управления коробки передач
(A302) Центральный бортовой компьютер 2 (ZBR2) с сопротивлением нагрузки I-CAN и T-CAN
(A312) Пользовательский модуль управления с сопротивлением нагрузки A-CAN
(A402) Устройство управления EBS KNORR
(A403) Компьютер для управления автомобилем с сопротивлениями нагрузки М-CAN и T-CAN
(A407) Приборная панель с сопротивлениями нагрузки I-CAN и K-CAN
(A408) Тахоспидограф с сопротивлением нагрузки I-CAN
(A435) Устройство управления EDC с сопротивлением нагрузки M-CAN
(A574) Устройство управления MMI с сопротивлением нагрузки K-CAN (только при приборной панели Highline)
(A...) Структура остальной части системы
(AB) Электроника кузова на разъеме CAN, например системы FMS
(A-CAN) Шина данных CAN кузова (одновременное подключение для интерфейса FMS)
(I-CAN) Шина данных CAN приборной панели
(K-CAN) Шина данных CAN системы комфорта (только при наличии приборной панели Highline)
(M-CAN) Шина данных CAN управления двигателем
(T-CAN) Шина данных CAN трансмиссии
ФУНКЦИОНАЛЬНОЕ ОПИСАНИЕ
Структура электронной тормозной системы (EBS)/электронной системы обеспечения устойчивости (ESP)

(A302) Центральный компьютер 2
(A402) Устройство управления EBS
(A407) Приборная панель
(A408) Тахоспидограф
(A575) Устройство управления для регулировки динамики автомобиля
(B119) Датчик скорости вращения переднего моста слева
(B120) Датчик скорости вращения переднего моста справа
(B121) Датчик скорости вращения ведущего моста слева
(B122) Датчик скорости вращения ведущего моста справа
(B332) Датчик тормозной накладки переднего моста справа
(B333) Датчик тормозной накладки переднего моста слева
(B334) Датчик тормозной накладки ведущего моста справа
(B335) Датчик тормозной накладки ведущего моста слева
(B336) Датчик ALB ведущего моста
(B337) Датчик тормозного коэффициента
(B475) Датчик угла поворота рулевого колеса ESP
(B476) Датчик скорости вращения ESP
(B529) Датчик тормозной накладки дополнительного моста справа
(B530) Датчик тормозной накладки дополнительного моста слева
(B537) Датчик тормозной накладки 2-го переднего моста слева
(B538) Датчик тормозной накладки 2-го переднего моста справа
(B591) Датчик скорости вращения 2-го переднего моста слева
(B592) Датчик скорости вращения 2-го переднего моста справа
(S256) Кнопка повышения порогов скольжения ASR или ASR/ESP
(Y262) Модуль регулировки давления переднего моста справа
(Y263) Модуль регулировки давления переднего моста слева
(Y264) Модуль регулировки давления заднего моста
(Y278) Модуль управления тормозами прицепа
(A-CAN) Шина данных CAN прицепа
(B-CAN) Шина данных CAN тормозов
(I-CAN) Шина данных CAN приборной панели
(S-CAN) Шина данных CAN датчиков
(T-CAN) Шина данных CAN трансмиссии
Электронная тормозная система (EBS)
Функция
EBS (Электронная тормозная система) помогает водителю лучше управлять автомобилем при
критических ситуациях во время движения, например при плохой погоде, скользком дорожном полотне, крутых поворотах или при неожиданно появившемся препятствии.
EBS управляет подачей сжатого воздуха в тормозные цилиндры тормозного устройства посредством
электромагнитных клапанов модуля регулирования давления. Сигналы рабочего тормозного клапана и модулей регулировки давления координирует устройство управления EBS. Затем электрические сигналы о тормозном усилии передаются дальше по шине данных CAN всем модулям регулировки давления.
Приложение и снятие тормозного усилия с электронным регулированием обеспечивает быстрое и
одновременное торможение на всех мостах, а также быстрое освобождение тормозов. Тем самым, с одной стороны, оптимизируется тормозное воздействие на всех колесах, а с другой стороны —
равномерный износ тормозных накладок увеличивает их срок службы на 20 %.
При отказе электронной регулировки тормозного давления автомобиль безопасным образом
автоматически тормозится посредством пневматического контура управления (резервного контура).
Блок управления EBS координирует все вышележащие функции, например управление тормозами с
помощью ABS, ASR и автоматической регулировки тормозного усилия в зависимости от нагрузки (ALB).
В пространственном отношении расположенные рядом компоненты (датчики, клапаны, электроника)
объединяются в модуль регулировки давления.
Основная концепция электропневматической системы
Основой системой EBS является обычная двухконтурная рабочая тормозная система. К базовой тормозной системе подключена электронная тормозная система, на которую поступает электропитание от бортовой электрической сети.
Если отсутствуют активные функции EBS, то базовая тормозная система функционирует на надежной
основе "торможения с использованием пневматического резервного контура". Такое торможение
вводится в действие также и при нарушениях функций EBS.
Резервирование одноконтурной электроники
Ядро расчетного блока (в устройстве управления) содержит два установленных с запасом микроконтроллера (μC). После включения зажигания следует самопроверка устройства управления. Затем каждый модуль регулирования давления по отдельности управляется обоими микроконтроллерами, на него подается электропитание, и для него устанавливается связь через шину данных CAN. Из последовательности коммутационных операций устройством управления опознается монтажное положение модулей регулировки давления в системе EBS, и тем самым они целенаправленно настраиваются или отключаются. Соединение на массу модулей регулировки давления от электропитания (клемма 30, 31) установлено в блоке управления с целью контроля и избыточности управления сигнальными лампами.
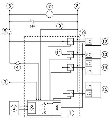
Блок-схема

(1) Устройство управления
(2) Датчик тормозного коэффициента
(3) Другие сигналы, датчики
(4) Выключатель зажигания (клемма 15)
(5) Главный выключатель аккумулятора
(6) Напряжение питания (клемма 30)
(7) Генератор
(8) Подключение на массу (клемма 31)
(9) Подключение на массу устройства управления (клемма 31)
(10) Подключение на массу модуля регулировки давления (клемма 31)
(11) Нагрузочное реле
(12) Модуль регулировки давления переднего моста слева
(13) Модуль регулировки давления переднего моста справа
(14) Модуль регулировки давления заднего моста
(15) Модуль управления тормозами прицепа
Датчик тормозного значения подает избыточный электрический сигнал в устройство управления EBS.
Торможение электрической системой начинается только в том случае, если оба сигнала проявляют
допустимую способность к приведению в действие.
В устройстве управления EBS входные сигналы датчика тормозного значения и от других компонентов обрабатываются обоими микроконтроллерами, и результаты обработки сравниваются.
При положительном результате сравнения один из микроконтроллеров по шине данных CAN сообщает каждому модулю регулировки давления или паре таких модулей отрегулированную индивидуальным образом величину тормозного давления. Обратные сообщения шины данных CAN принимаются одним микроконтроллером и проверяются в обоих микроконтроллерах.
Принцип выбора давления в модуле регулировки давления
С каждым модулем регулировки давления интегрирован независимый контур регулировки давления.
Модуль регулировки давления состоит из 4 элементов:
– электронного устройства управления с микроконтроллером
– электромагнитных клапанов
– релейного клапана
– и датчика давления для измерения регулируемого фактического давления.
В случае нормальных условиях при торможении на модуле регулирования давления установлены
соответствующее заданное значение CAN и пневматическое тормозное усилие. Давление, регулируемое электрическим способом, поступает на тормозные цилиндры. При отключенной электрической части системы к тормозному цилиндру направляется давление сжатого воздуха.
В общих чертах выбор при имеющемся запасе сжатого воздуха можно описать следующим образом:
– Давление в тормозном цилиндре регулируется в соответствии с электрическим заданным значением, и, если на модуль регулирования давления подается электропитание, и заданное значение CAN > 0, то протекание сжатого воздуха для торможения блокируется.
– Давление в тормозной цилиндр поступает из резервного контура при недостаточной подаче
электропитания, или же заданное значение CAN равно 0 или отсутствует.
Связь с EBS по шине данных CAN
Датчики, которые измеряют частоту вращения и износ тормозных накладок на колесах заднего моста,
соединены непосредственно с модулями регулировки давления. Вся информация перерабатывается и используется электронной системой, которая интегрирована с модулем регулировки давления.
Модуль регулировки давления обменивается данными по шине данных CAN тормоза с устройством
управления EBS.
Приоритетные функции датчиков, такие как нагрузка на мосты, которые записаны в устройстве
управления, используются для всех контуров регулировки тормозного давления, а также для других систем, например пневматической подвески с электронным управлением. Как только рабочий тормозной клапан приведен в действие, электрический и пневматический сигналы готовы к
использованию. Если клапаны обесточены, то действуют пневматические сигналы управления через резервный контур. При этом весь модуль регулировки давления механически защищен в безопасной рабочей позиции.
Электронное устройство управления (A402)
Блок управления EBS координирует системы EBS и ESP и обменивается данными с другими системами, к примеру с системой впрыскивания дизельного топлива с электронным управлением (EDC) или системой управления коробкой передач.
Электропитание
При подаче напряжения питания фильтр в типовом блоке „Подача напряжения питания“ защищает от электрических нарушений на клемме 15 и клемме 30. Затем напряжение питания подается на модули регулировки давления, а 5 вольт подаются на датчики. Типовой блок подает, кроме того,
стабилизированное напряжение в 5 В для внутреннего использования устройством управления.
Схемы входа
Входные цепи предназначены для подготовки сигналов для ввода в микроконтроллеры (μC).
Наложенные паразитные сигналы на входах отфильтровываются. Посредством диагностического
интерфейса информация передается в обоих направлениях — к блоку управления и от блока управления, например к диагностическому устройству (MAN-cats®).
Компьютер
Расчетный блок (в устройстве управления) содержит два установленных с запасом микроконтроллера
(μC) с ЭСППЗУ и два контроллера CAN (CAN трансмиссии, CAN тормозов). Микроконтроллеры
используют сигналы, обработанные входными цепями, и управляют выдачей сигналов через шину данных CAN.
Подача питания на модули регулировки давления
При подаче питания на модули регулировки давления каждый модуль после включения устройства
управления EBS один за другим подключается через микроконтроллер (μC) и снабжается адресом CAN. Модули регулировки давления отключаются по отдельности, например после обнаруженных
неисправностей в системе.
Интерфейсы CAN
– CAN трансмиссии: обмен данными с другими устройствами управления.
– CAN прицепа: Обмен данными с прицепом посредством электрического соединения, соответствующего DIN ISO 7638
– CAN тормозов: обмен данными между устройством управления EBS и модулями регулировки давления в тягаче и прицепе.
Конечные ступени
Конечные ступени управляют такими узлами, как отключение тормоза-замедлителя, индикация износа тормозных накладок, желтая лампочка контроля ABS. Красная контрольная лампочка управляется отдельной конечной ступенью.
Штекерная разводка контактов — блок управления

Штекер Х1

Распознавание отделения штекера:
Выключатель (Pin X1/15), интегрированный с штекером кабельного жгута, включает красную
сигнальную лампу замыканием контактов X1/12 и X1/18 со стороны кабельного жгута, если кабельный
жгут не присоединен, или выпало штекерное соединение. Если жгут проводов соединен с блоком
управления, то выключатель снова размыкается.
Штекер Х2

Штекер X3


Штекер X4

Рабочий тормозной клапан с интегрированным тормозным датчиком (G7.302/B337)


Датчик тормозного значения электрически подключен к устройству управления EBS. Сигналы
номинального значения давления 1 и номинального значения давления 2 обоих потенциометров
противоположны один другому.
Из номинального значения давления 1 и номинального значения давления 2 в устройстве управления
EBS определяются номинальные значения для модулей регулировки давления.
Согласование между электрическим и пневматическим контуром выполняется в автомобиле посредством программирования EOL.
Сигналы датчика тормозного значения
Входящие сигналы датчика тормозного значения обрабатываются и проверяются. Номинальные
значения давления 1 и 2 вместе с характеристикой давления рабочего тормозного клапана, записанной в ЭСППЗУ (электрически стираемой и перезаписываемой энергонезависимой памяти) дают номинальное значение. Оно корректируется в соответствии с предписаниями EOL и передается шине данных CAN тормоза.
Указание
Согласование может при программировании EOL выполняться автоматически посредством торможения с помощью резервного контура или посредством ручного ввода параметров EOL.
Следите, чтобы напряжение датчика тормозного значения соответствовало тормозному давлению
на выходе модуля регулировки давления. Редукционные клапаны в пневматическом резервном контуре влияют на результат.
Контроль
Итоговое противодействующее напряжение (заданное значение давления 1, заданное значение
давления 2) контролируется устройством управления EBS. Разные защитные резисторы определяют
наличие короткого замыкания в сигнальных проводах в процесса торможения.
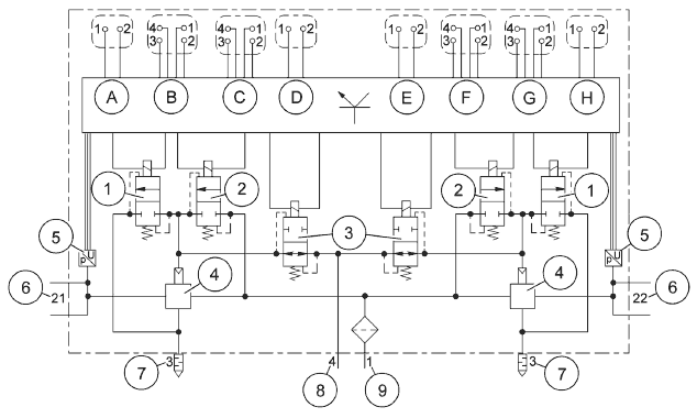
1-канальный модуль регулировки давления (G67.304-Y262/G67.304-Y263)


На датчик износа тормозных накладок во время каждого торможения подается напряжение питания
от модуля регулировки давления, который также измеряет сигнал датчика.
Сигналы, поступающие в модуль регулировки давления от датчика частоты вращения и датчика износа тормозных накладок, передаются дальше через шину данных CAN "Тормоз" в устройство управления EBS.
Если отсутствуют активные функции EBS, то постоянная времени обеспечивает соответствие результата измерений (5) датчиком давления значению давления на тормозном цилиндре (автоматическое обнуление до атмосферного давления). Время заполнения ограничено и составляет после включения зажигания и после оттормаживания рабочего тормоза прибл. 1 с.
Модуль регулировки давления выполняет функции управления и регулировки в трех различных состояниях:
– Нормальное функционирование:
На модуль регулировки давления подается электропитание, и имеется номинальное электрическое
значение, или же требуется регулировка торможения системой ASR. При запрошенной функции EBS модуль регулировки давления начинает с регулировки тормозного давления посредством закрытия электромагнитного клапана резервного контура (резервного клапана) (1) и соответствующей настройки впускного клапана (2) и выпускного клапана (3).
– Торможение с помощью резервного контура:
На модуль регулировки давления подано электропитание, однако отсутствует электрическое номинальное или фактическое значение. При ошибочном электрическом номинальном или фактическом значении система переключает модуль регулировки давления на резервный контур (резервный клапан не включен и открыт). Давление сжатого воздуха регулирует через ускорительный клапан (4) давление, подаваемое в тормозные цилиндры. Сигналы датчика скорости вращения обрабатываются в модуле регулировки давления, и поддерживается связь между модулем регулировки давления и электронным устройством управления EBS.
– Модуль регулировки давления обесточен:
Электромагнитные клапаны обесточены. Давление сжатого воздуха в рабочем тормозном клапане регулирует через ускорительный клапан давление, подаваемое в тормозные цилиндры,
торможение выполняется посредством резервного контура.
2-канальный модуль регулировки давления (G67.305/Y264)



На датчик износа тормозных накладок подается напряжение питания от модуля регулирования
давления, который также измеряет сигнал датчика.
Сигналы, поступающие в модуль регулировки давления от датчика частоты вращения, датчика износа тормозных накладок и датчика ALB, передаются дальше через шину данных CAN "Тормоз" в блок управления EBS.
Если отсутствуют активные функции EBS, то постоянная времени обеспечивает соответствие результата измерений (5) датчиком давления значению давления на тормозном цилиндре (автоматическое обнуление до атмосферного давления). Время слежения ограничено и составляет после включения зажигания или после оттормаживания рабочего тормоза не более 1 с.
Модуль регулировки давления выполняет функции управления и регулировки в трех различных состояниях:
– Нормальное функционирование:
На модуль регулировки давления подается электропитание, и имеется номинальное электрическое
значение, или же требуется регулировка торможения системой ASR. При запрошенной функции EBS модуль регулировки давления начинает с регулировки тормозного давления посредством закрытия электромагнитного клапана резервного контура (резервного клапана) (3) и соответствующей настройки впускного клапана (2) и выпускного клапана (1).
– Торможение с помощью резервного контура:
На модуль регулировки давления подано электропитание, однако отсутствует электрическое номинальное или фактическое значение. При ошибочном электрическом номинальном или фактическом значении система переключает модуль регулировки давления на резервный контур (резервный клапан не включен). Давление сжатого воздуха регулирует через ускорительный клапан (4) давление, подаваемое в тормозные цилиндры, при этом не предпринимается автоматическое, зависящее от нагрузки регулирование тормозного усилия и регулирование износа. Сигналы датчика скорости вращения обрабатываются в модуле регулировки давления, и поддерживается связь между модулем регулировки давления и электронным устройством управления EBS.
– Модуль регулировки давления обесточен:
Электромагнитные клапаны обесточены. Давление сжатого воздуха в рабочем тормозном клапане регулирует через ускорительный клапан давление, подаваемое в тормозные цилиндры, торможение выполняется посредством резервного контура.
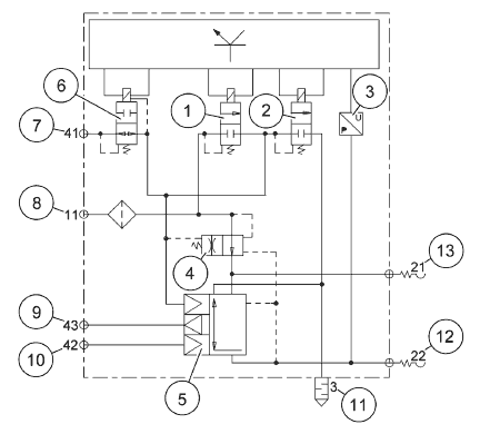
Модуль управления прицепом (G17.301/Y278)

(1) Впускной клапан
(2) Выпускной клапан
(3) Датчик давления
(4) Дроссель
(5) Ускорительный клапан
(6) Резервный электромагнитный клапан
(7) Тормозной контур рабочего тормоза переднего моста
(8) Подача энергии (запас)
(9) Контур стояночного тормоза
(10) Контур рабочего тормоза заднего моста
(11) Удаление воздуха
(12) Магистраль управления прицепа
(13) Резервный трубопровод прицепа
Основной функцией модуля управления прицепом является регулировка тормозного давления в
магистрали управления прицепа (разъем 22, поз. 12) и сравнение тормозного давления (система
регулировки силы сцепки) между тягачом и прицепом. Стояночная тормозная система (разъем 43, поз. 9) и функция разрыва работают обычным образом.
Номинальное значение давления устройства управления EBS передается через шину данных CAN
"Прицеп" к модулю управления прицепом, интегрированным с устройством управления.
Модуль управления прицепом изменяет это номинальное значение с помощью алгоритма системы
регулировки силы сцепки. При закрытом резервном электромагнитном клапане (6) электрический
сигнал вместе с электромагнитным впускным клапаном (1) и выпускным клапаном (2), а также с
датчиком давления (3) настраивает пневматическое давление на выходе 22 (12), которое передается
соединительной головке магистрали управления тормозами прицепа.
Пневматический сигнал контура рабочего тормоза 41 (7) блокируется резервным электромагнитным
клапаном (6), который активируется для электрического торможения. Если резервная функция
неактивна, то резервный электромагнитный клапан (6) открывается и рабочее тормозное давление
на разъеме 41 (7) последовательно регулирует через камеру управления (5) ускорительного клапана
тормозное давление на разъеме 22 соединительной головки тормоза.
Давление, имеющееся в контуре рабочего тормоза 42 (10) модуля управления прицепом, обслуживает отдельную камеру управления ускорительного клапана. Давление начала срабатывания этого узла ускорительного клапана составляет прим. 2,5 бар. При активном модуле управления прицепом и давлении в контуре рабочего тормоза 42 (10) модуля управления прицепом прим.
8 бар тормозное давление на разъеме 22 (12), электрически отрегулированное резервным электромагнитным клапаном, входным и выходным клапанами, может быть уменьшено примерно на
4 бар. При дальнейшем уменьшении электрически отрегулированного давления величина давления в контуре рабочего тормоза 42 (10) модуля управления прицепом определяет тормозное давление на
разъеме 22 (12).
Датчик ALB заднего моста (B336)
Мосты с рессорной подвеской — датчик перемещения
Мосты с пневматической подвеской — датчик давления

Штекерная разводка контактов

На автомобилях с пневматической подвеской на заднем мосту устанавливается датчик давления для определения нагрузки. На датчик подается напряжение 5 В от 2-канального модуля регулировки
давления. Датчик давления преобразует различные значения давления в электрические сигналы по
напряжению (аналого-цифровой преобразователь).
Этим значениям сигналов соответствуют характеристики тормозного давления, по которым блок
управления EBS управляет тормозным давлением.
Технические данные
Электропитание: 5 +- 0,25 В, макс. 32 В (макс. 10 минут)
Макс. потребление тока: 12 мА
Датчик износа тормозных накладок (B332, B333, B334, B335, B529, B530, B537, B538)
В качестве датчиков износа тормозных накладок в дисковых тормозах используются датчики с
подпружиненными штифтами. На датчик износа тормозных накладок напряжение подается только во
время торможения. В этом случае от датчика износа тормозных накладок поступает напряжение,
зависящее от износа и регулировки, на модуль регулировки давления.
В конце электрического торможения это напряжение измеряется. Значение этого напряжения по шине данных CAN "Тормоз" передается для оценки в устройство управления EBS. В зависимости от используемого принципа измерения это значение может зависеть от износа тормозных дисков.
– Блок управления EBS не может различать износ тормозных накладок и дисков.
Если превышено допустимое значение износа тормозной накладки, то устройство управления EBS
включает контрольную лампочку тормозных накладок, и на дисплее появляется сообщение о
неисправности "Износ тормозных накладок".
– Регулировка износа тормозных накладок
Система регулировки износа тормозных накладок рассчитывает для каждого моста корректирующее
значение для тормозного усилия при выполнении предписания о поддержке постоянной суммы
тормозных усилий, с тем, чтобы обеспечить оптимизацию износа тормозных накладок и увеличение
срока их службы. При этом не выполняется регулировка для каждого колеса отдельно.
Датчики частоты вращения (B119, B120, B121, B122, B591, B592)
Механизм датчиков частоты вращения состоит из индуктора и индуктивного датчика частоты вращения. Индуктор монтируется в соответствии с известным положением ABS.
При вращающемся колесе в датчике скорости вращения вырабатывается переменное напряжение,
частота которого пропорциональна скорости колеса.
Датчик частоты вращения электрически соединен с модулем регулировки давления. Расположение
датчиков частоты вращения по отношению к колесам при подключении к модулю регулировки
давления может быть запрограммировано с помощью EOL.
– Контроль
Контроль датчиков частоты вращения выполняется с помощью модуля регулировки давления.
Время, которое проходит до определения программным обеспечением короткого замыкания между
разъемами датчика частоты вращения, зависит от скорости автомобиля.
– Вычисление скорости
Сигналы датчиков частоты вращения заднего моста обрабатываются в модуле регулировки давления таким образом, что через шину данных CAN "Тормоз" в устройство управления EBS поступает уже сигнал скорости. Из всех контролируемых колес и сообщенных сигналов состояния модуля регулировки давления после учета различающегося диаметра шин и критериев пробуксовки рассчитывается скорость автомобиля, которая передается на шину данных CAN "Тормоз".
Продолжение и полное описание - смотрите в