Коды неисправностей ABS/ASR Mercedes Axor 950-954
Все комментарии к кодам неисправостей доступны нашим подписчикам
в 65 обновлении
(полезно тем кто диагностирует мультимарочниками)
- 10160 Нарушена передача данных на CAN а/м
Указание:
- Без прочих рекламаций этот код неисправности не принимать во внимание.
- В случае дополнительных кодов неисправности, сначала проработать их.
- Очистить память неисправностей.
- Выполнить функциональную проверку.
Возможные причины неисправности:
- В процессе запуска а/м, кратковременный сбой на шине CAN а/м может вызвать код неисправности.
- 10162 Неправильное сообщение по CAN 'Сигнал скорости (V)' от тахографа
Указание:
- Провести поиск неисправности в блоке управления FR система управления движением.
- Провести поиск неисправности в Тахограф.
- Провести функциональную проверку тахографа с помощью роликового испытательного стенда.
- Сравнить действительные значения 01, 02, 03, 04 с указателем скорости на тахографе.
- Проверить параметрирование шин.
Заданные значения и параметры:
- Действительные значения: 01, 02, 03 и 04 в км/ч
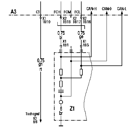
- 10168 Сообщение по CAN от блок управления FR система управления движением отсутствует или ошибочно

Легенда к иллюстрации:
-АЗ: FR система управления движением
- Z1: Точка звезды CAN
Возможные причины неисправности:
- Неисправно соединение CAN от блока управления FR система управления движением к точке звезды
- Неисправна точка звезды CAN Z1.
- Неисправно электропитание к блоку управления FR система управления движением.
Заданные значения и параметры:
- Заданное значение (CAN а/м): 60 Ом с +/- 10% отклонением
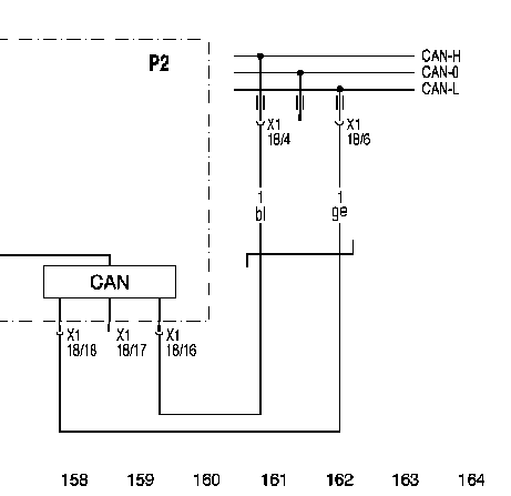
- 10169 Сообщение по CAN от блок управления INS отсутствует или ошибочно

Легенда к иллюстрации:
- Р2: Комбинация приборов
- Шина CAN а/м
- Точка звезды CAN
Возможные причины неисправности:
- Проверить электропитание на блоке управления INS комбинация приборов.
- Точка звезды шины CAN а/м
- Блок управления ABS антиблокировочная система
- Неисправен провод CAN между блоком управления INS комбинация приборов и точкой звезды шины CAN
- Блок управления INS комбинация приборов
Заданные значения и параметры:
- Заданное значение (точка звезды): 60 Ом с отклонением 10 %
- 11000 Внутренняя ошибка в блоке управления

Легенда к иллюстрации:
- 7: Блок управления ABS антиблокировочная система
Указание:
- Удалить код неисправности.
- Выключить зажигание.
- Включить зажигание.
- Выполнить функциональную проверку.
- 11010 Внутренняя ошибка в блоке управления
- 11011 Внутренняя ошибка в блоке управления
- 11012 Блок управления ABS антиблокировочная система параметрирован неправильно.
- 11033 Активация клапана недостоверна
- 11018 Полное отключение
- 11094 Разные шины на а/м
- 11201 Клемма 30, XI 18/16 имеет повышенное напряжение
- 11202 Пониженное напряжение или контакт на клемма 30, XI 18/16
- 11203 Клемма 30, XI 18/16 имеет
- 11286 Клемма 30, XI 18/16 имеет пониженное напряжение при работе ABS
- 11287 Неисправность напряжения питания
- 11301 Клемма 15, XI 18/3 имеет повышенное напряжение
- 11302 Пониженное напряжение или контакт на клемма 15, XI 18/3
- 11386 Клемма 15, XI 18/3 имеет пониженное напряжение
- 12504 Выход Блокировка межосевого дифференциала имеет
- 12505 Выход Блокировка межосевого дифференциала имеет
- 13012 Ошибка параметрирования блока управления Установлен неправильный блок управления
- 13112 Ошибка параметрирования блока управления Установлен неправильный блок управления
- 13212 Ошибка параметрирования блока управления Установлен неправильный блок управления
- 13312 Ошибка параметрирования блока управления Установлен неправильный блок управления
- 13020 Электромагнитный клапан ABS на переднем мосту справа имеет на контакте Х2 18/4
- 13021 Электромагнитный клапан ABS на переднем мосту справа имеет на контакте Х2 18/4
- 13022 Электромагнитный клапан ABS на переднем мосту справа имеет на контакте Х2 18/4
- 13023 Электромагнитный клапан ABS на переднем мосту справа имеет на контакте Х2 18/6
- 13026 Электромагнитный клапан ABS на переднем мосту справа имеет на контакте Х2 18/7
- 13027 Электромагнитный клапан ABS на переднем мосту справа имеет на контакте Х2 18/7
- 13028 Электромагнитный клапан ABS на переднем мосту справа имеет на контакте Х2 18/7
- 13120 Электромагнитный клапан ABS на переднем мосту слева имеет на контакте Х2 18/1
- 13121 Электромагнитный клапан ABS на переднем мосту слева имеет на контакте Х2 18/1
- 13122 Электромагнитный клапан ABS на переднем мосту слева имеет на контакте Х2 18/1
- 13123 Электромагнитный клапан ABS на переднем мосту слева имеет на контакте Х2 18/3
- 13126 Электромагнитный клапан ABS на переднем мосту слева имеет на контакте Х2 18/2
- 13127 Электромагнитный клапан ABS на переднем мосту слева имеет на контакте Х2 18/2
- 13128 Электромагнитный клапан ABS на переднем мосту слева имеет на контакте Х2 18/2
- 13220 Электромагнитный клапан ABS на заднем мосту справа имеет на контакте Х2 18/10
- 13221 Электромагнитный клапан ABS на заднем мосту справа имеет на контакте Х2 18/10
- 13222 Электромагнитный клапан ABS на заднем мосту справа имеет на контакте Х2 18/10
- 13223 Электромагнитный клапан ABS на заднем мосту справа имеет на контакте Х2 18/9
- 13226 Электромагнитный клапан ABS на заднем мосту справа имеет на контакте Х2 18/13
- 13227 Электромагнитный клапан ABS на заднем мосту справа имеет на контакте Х2 18/13
- 13228 Электромагнитный клапан ABS на заднем мосту справа имеет на контакте Х2 18/13
- 13320 Электромагнитный клапан ABS на заднем мосту слева имеет на контакте Х2 18/16
- 13321 Электромагнитный клапан ABS на заднем мосту слева имеет на контакте Х2 18/16
- 13322 Электромагнитный клапан ABS на заднем мосту слева имеет на контакте Х2 18/16
- 13323 Электромагнитный клапан ABS на заднем мосту слева имеет на контакте Х2 18/12
- 13326 Электромагнитный клапан ABS на заднем мосту слева имеет на контакте Х2 18/17
- 13327 Электромагнитный клапан ABS на заднем мосту слева имеет на контакте Х2 18/17
- 13328 Электромагнитный клапан ABS на заднем мосту слева имеет на контакте Х2 18/17
- 13604 Электромагнитные клапаны ABS имеют на контакте 2
- 13605 Электромагнитные клапаны ABS имеют на контакте 2
- 13804 Электромагнитный клапан ASR имеет
- 13805 Электромагнитный клапан ASR имеет
- 13809 Электромагнитный клапан ASR имеет
- 13812 Ошибка параметрирования ^Электромагнитный клапан 'ASR
- 14040 Датчик числа оборотов на переднем мосту справа имеет
- 14043 Датчик числа оборотов на переднем мосту справа имеет
- 14045 Индуктор на переднем мосту справа неисправен
- 14046 Контроль нестабильности для датчика числа оборотов на переднем мосту справа
- 14048 Зазор датчика числа оборотов на переднем мосту справа
- 14049 Недостоверная скорость колеса на датчике числа оборотов на переднем мосту справа
- 14094 Отклонение шины или отклонение индуктора на датчике числа оборотов на переднем мосту справа > 8 %
- 14140 Датчик числа оборотов на переднем мосту слева имеет
- 14143 Датчик числа оборотов на переднем мосту слева имеет
- 14145 Индуктор на переднем мосту слева неисправен
- 14146 Контроль нестабильности для датчика числа оборотов на переднем мосту слева
- 14148 Зазор датчика числа оборотов на переднем мосту слева
- 14149 Недостоверная скорость колеса на датчике числа оборотов на переднем мосту слева 14194 Отклонение шины или отклонение индуктора на датчике числа оборотов на переднем мосту слева > 8 %
- 14240 Датчик числа оборотов на заднем мосту справа имеет
- 14243 Датчик числа оборотов на заднем мосту справа имеет
- 14245 Индуктор на заднем мосту справа неисправен
- 14246 Контроль нестабильности для датчика числа оборотов на заднем мосту справа
- 14248 Зазор датчика числа оборотов на заднем мосту справа
- 14249 Недостоверная скорость колеса на датчике числа оборотов на заднем мосту справа
- 14294 Отклонение шины или отклонение индуктора на датчике числа оборотов на заднем мосту справа > 8 %
- 14340 Датчик числа оборотов на заднем мосту слева имеет
- 14343 Датчик числа оборотов на заднем мосту слева имеет
- 14345 Индуктор на заднем мосту слева неисправен
- 14346 Контроль нестабильности для датчика числа оборотов на заднем мосту слева
- 14348 Зазор датчика числа оборотов на заднем мосту слева
- 14349 Недостоверная скорость колеса на датчике числа оборотов на заднем мосту слева
- 14394 Отклонение шины или отклонение индуктора на датчике числа оборотов на заднем мосту слева > 8 %
- 16100 Выключатель стоп-сигналов НЕИСПРАВНОСТЬ
- 16109 Блок 'Управление движением' посылает сообщение 'Выключатель стоп-сигналов НЕ ЗАДЕЙСТВОВАН'