HINO двигатель J08E - COMMON RAIL
(описание системы)
СОДЕРЖАНИЕ
- ОБЗОР
- ДЕТАЛИРОВКА
- СХЕМА
- ЭЛЕКТРИЧЕСКАЯ ЧАСТЬ
- МЕРЫ ПРЕДОСТОРОЖНОСТИ
- ОСМОТР
- ДИАГНОСТИКА С ПОМОЩЬЮ УСТРОЙСТВА ДИАГНОСТИКИ
- ДИАГНОСТИКА С ПОМОЩЬЮ ИНСТРУМЕНТА ДИАГНОСТИКИ ПК (ПЕРСОНАЛЬНЫЙ КОМПЬЮТЕР) С ИНТЕРФЕЙСОМ
- ТАБЛИЦА КОДОВ НЕИСПРАВНОСТЕЙ
- ОСМОТР ДАТЧИКА РАСХОДА ВОЗДУХА (ПРОВЕРКА /РЕГУЛИРОВКА ОБЪЕМА ВПУСКА ВОЗДУХА С ПОМОЩЬЮ HINO DX
- ПРОВЕРКА НАПРЯЖЕНИЯ ПИТАНИЯ ECU
- ПРОВЕРКА ЗАЗЕМЛЕНИЯ
- ОСНОВНОЙ ДАТЧИК СКОРОСТИ ВРАЩЕНИЯ КОЛЕНЧАТОГО ВАЛА (ЦЕПЬ)
- ОСНОВНОЙ ДАТЧИК СКОРОСТИ ВРАЩЕНИЯ КОЛЕНЧАТОГО ВАЛА (СИГНАЛ)
- ДОПОЛНИТЕЛЬНЫЙ ДАТЧИК СКОРОСТИ ВРАЩЕНИЯ КОЛЕНЧАТОГО ВАЛА (ЦЕПЬ)
- ДОПОЛНИТЕЛЬНЫЙ ДАТЧИК СКОРОСТИ ВРАЩЕНИЯ КОЛЕНЧАТОГО ВАЛА (СИГНАЛ)
- ОСНОВНОЙ И ДОПОЛНИТЕЛЬНЫЙ ДАТЧИК СКОРОСТИ ВРАЩЕНИЯ КОЛЕНЧАТОГО ВАЛА
- ДАТЧИК ТЕМПЕРАТУРЫ ОХЛАЖДАЮЩЕЙ ЖИДКОСТИ
- ПЕРЕГРЕВ ДВИГАТЕЛЯ
- РАЗНОС ДВИГАТЕЛЯ
- ДАТЧИК ТЕМПЕРАТУРЫ ТОПЛИВА
- ДАТЧИК ДАВЛЕНИЯ НАДДУВА
- ДАТЧИК ДАВЛЕНИЯ НАДДУВА (ПРОВЕРКА С ПОМОЩЬЮ HINO-DX)
- ИЗБЫТОЧНОЕ ДАВЛЕНИЕ ТУРБОКОМПРЕССОРА
- ДАТЧИК РАСХОДА ВОЗДУХА*
- ДАТЧИК РАСХОДА ВОЗДУХА (ПРОВЕРКА С ПОМОЩЬЮ HINO-DX)*
- ДАТЧИК ТЕМПЕРАТУРЫ ВПУСКНОГО ВОЗДУХА*
- ИЗБЫТОЧНОЕ ДАВЛЕНИЕ В РАМПЕ, СИСТЕМА УПРАВЛЕНИЯ
- ДАВЛЕНИЕ В РАМПЕ И ТОПЛИВНЫЙ НАСОС
- ЗАВИСАНИЕ ДАТЧИКА ДАВЛЕНИЯ В РАМПЕ
- НЕИСПРАВНОСТЬ ДАТЧИКА ДАВЛЕНИЯ В РАМПЕ
- ДАТЧИК ПОЛОЖЕНИЯ ПЕДАЛИ ГАЗА №1 (НАПРЯЖЕНИЕ)
- ДАТЧИК ПОЛОЖЕНИЯ ПЕДАЛИ ГАЗА №1
- ДАТЧИК ПОЛОЖЕНИЯ ПЕДАЛИ ГАЗА №2 (НАПРЯЖЕНИЕ)
- ДАТЧИК ПОЛОЖЕНИЯ ПЕДАЛИ ГАЗА №2
- ДАТЧИК ПОЛОЖЕНИЯ ПЕДАЛИ ГАЗА № 1 И 2
- ДАТЧИК ПОЛОЖЕНИЯ ПЕДАЛИ ГАЗА (ДЛЯ РАБОТЫ ВОМ)
- ДАТЧИК СКОРОСТИ АВТОМОБИЛЯ
- ЭБУ
- КОРОТКОЕ ЗАМЫКАНИЕ СИСТЕМЫ ПРИВОДА СОЛЕНОИДА ФОРСУНКИ (GND)
- КОРОТКОЕ ЗАМЫКАНИЕ СИСТЕМЫ ПРИВОДА СОЛЕНОИДА ФОРСУНКИ (24V)
- ОТКЛЮЧЕНИЕ СИСТЕМЫ КЛАПАНОВ СОЛЕНОИДОВ ФОРСУНКИ
- МЕЖЦИЛИНДРОВЫЙ БАЛАНС
- РЕГУЛЯТОР ПОДАЧИ ТНВД (SCV)
- ТОПЛИВНЫЙ НАСОС
- ЭЛЕКТРОМАГНИТНЫЙ КЛАПАН СИСТЕМЫ РЕЦИРКУЛЯЦИИ ОГ 1
- ЭЛЕКТРОМАГНИТНЫЙ КЛАПАН СИСТЕМЫ РЕЦИРКУЛЯЦИИ ОГ 2
- СИСТЕМА РЕЦИРКУЛЯЦИИ ОГ*
- КЛАПАН СИСТЕМЫ РЕЦИРКУЛЯЦИИ ОГ 1 *
- КЛАПАН СИСТЕМЫ РЕЦИРКУЛЯЦИИ ОГ 2 *
- ДАТЧИК ПОДЪЕМА СИСТЕМЫ РЕЦИРКУЛЯЦИИ ОГ 1*
- ДАТЧИК ПОДЪЕМА СИСТЕМЫ РЕЦИРКУЛЯЦИИ ОГ 2*
- КОНТРОЛЛЕР ТУРБИНЫ (РСА)
- РЕГУЛИРУЕМЫЙ СОПЛОВОЙ АППАРАТ (РСА)
- ЭЛЕКТРОМАГНИТНЫЙ КЛАПАН ГОРНОГО ТОРМОЗА
- ПОПРАВОЧНЫЕ ДАННЫЕ ФОРСУНКА (QR-КОД)
- ГЛАВНОЕ РЕЛЕ
- РЕГУЛЯТОР ХОЛОСТОГО ХОДА
- ДАТЧИК ПЕДАЛИ ГАЗА
- ДАТЧИК РАБОТЫ СТАРТЕРА
- ДАТЧИК ВЫЖИМА СЦЕПЛЕНИЯ
- ДАТЧИК «НЕЙТРАЛИ»
- ПОДОГРЕВАТЕЛЬ
- ДАТЧИК ТЕМПЕРАТУРЫ ВХОДЯЩЕГО ВОЗДУХА
- НИЗКИЙ РАСХОД СИСТЕМЫ РЕЦИРКУЛЯЦИИ ОГ
- СИСТЕМЫ CAN
ЧАСТИ ОБОЗНАЧЕННЫЕ ЗВЕЗДОЧКОЙ (*), АДАПТИРОВАНЫ К ДВИГАТЕЛЯМ С ТЕХНИЧЕСКИМИ НОРМАМИ ЕВРО 4.
СИСТЕМА НЕПОСРЕДСТВЕННОГО ВПРЫСКА ТОПЛИВА
ОБЗОР
Система непосредственного впрыска топлива имеет больше функций управления, чем обычная система топливоподачи. Эти функции управляются ECU (электронным блоком управления) ЭБУ.

ПРИМЕЧАНИЕ:
Функции, обозначенные звездочкой (*), применяются к моделям с нормами эмиссии EURO4.
ДЕТАЛИРОВКА

1 Кнопка повышенного холостого хода (при работе КОМ)
2 Реле подогревателя
3 Блок управления двигателем
4 Главное реле блока управления двигателем
5 Концевой выключатель педали газа
6 Датчик положения педали газа
7 Педаль газа
8 Электромагнитный клапан горного тормоза
9 Датчик скорости автомобиля

1 Датчик температуры охлаждающей жидкости
2 Датчик давления наддува
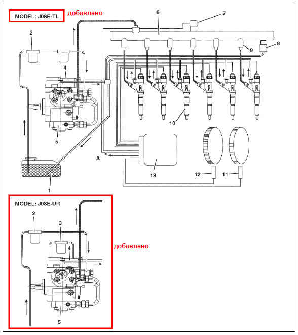
3 Форсунка
4 Датчик давления в рампе
5 Ограничитель давления
6 Рампа
7 Ограничитель подачи
8 Жгут проводов управления форсунками
9 Дополнительный датчик оборотов двигателя
10 Главный датчик частоты вращения двигателя
11 Датчик температуры топлива
12 Регулятор подачи ТНВД
13 ТНВД

1 Воздушный фильтр
2 Датчик массового расхода воздуха
3 Датчик температуры входящего воздуха
4 Клапан EGR (клапан рециркуляции отработавших газов)
5 Датчик величины подъема клапана EGR

1 Топливный бак
2 Фильтр грубой очистки
3 Фильтр тонкой очистки
4 Ограничитель подачи ТНВД
5 ТНВД
6 Рампа
7 Датчик давления в рампе
8 Клапан ограничения давления в рампе
9 Ограничитель расхода
10 Форсунка
11 Дополнительный датчик оборотов двигателя
12 Главный датчик частоты вращения двигателя
13 Блок управления двигателем
А для датчиков (Дополнительные выводы)
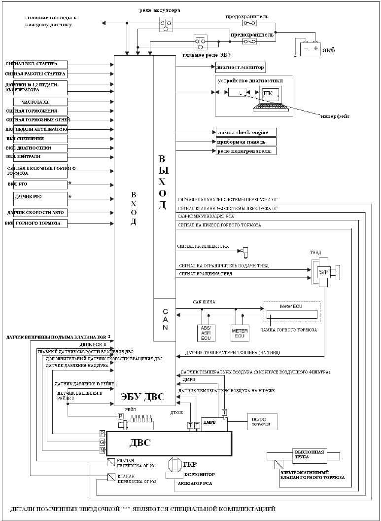
ЭЛЕКТРИЧЕСКАЯ СХЕМА

Полное описание смотри в