Сервисная информация по VOLVO FE3 2013 г.

CHID B669378–
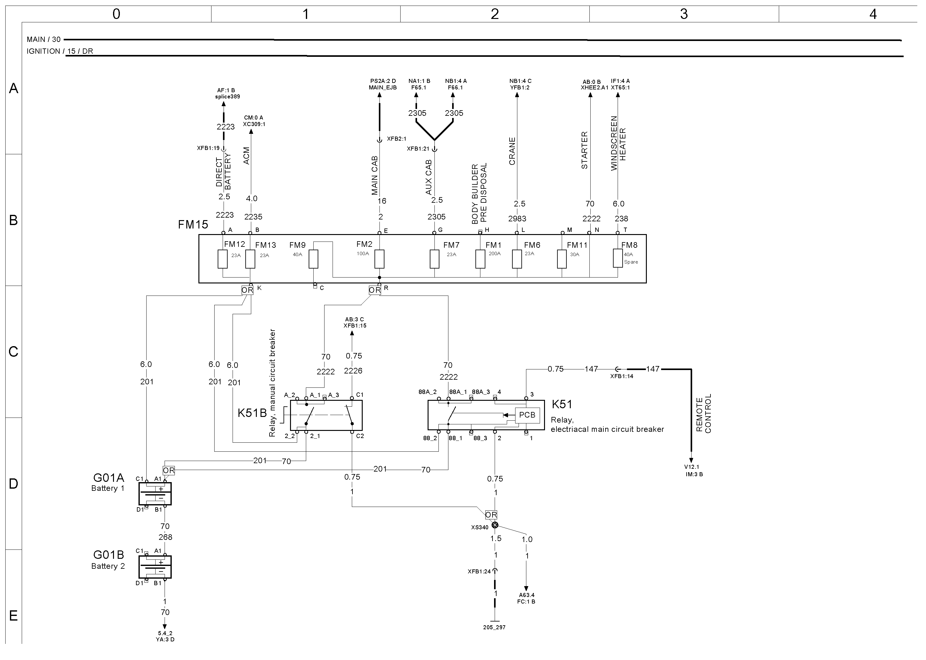
Component wiring diagram index
- Power supply, starting system
- Power distribution
- Power supply, starting system, ADR
- Power distribution, ADR
- Accessories power supply, ADR
- Accessories power supply
- Accessories power
- Power supply
- Power supply
- Power supply
- Main power
- Main power
- Engine
- Vehicle
- Vehicle
- Instrument cluster
- Feet management system Gateway
- Engine
- Urea tank control
- Exhaust after treatment
- Engine D8, EM-EU6
- Engine D8, EM-EU6
- Engine preheater, fuel heater
- Optidriver2
- Power take
- Automatic transmission
- Differential lock
- EBS ECU, connector X1/X2
- EBS ECU, connector X3/X4
- EBS front modulators
- EBS rear modulators (drive axle)
- EBS rear modulators (tag axle)
- Air-suspension, TRACTOR 4x2 FSS AIR
- suspension, 4x2 RIGID/ 4x2 TRACTOR FSS-AIR
- Air-suspension
- Air power management (Battery box)
- Electronic steered axle
- Parking lights, Relay K21
- Parking lights, Relay K13
- Low beam / high beam headlights
- Fog lights control, extra high beam headlights
- Side lights and beacon warning lights
- Rear lamps
- Frame side lights
- Headlight
- Reverse lights / brake lights
- Trailer connections
- Diagnostics plug
- Interior lighting L1H1 / L2H1 / L3H1
- Interior lighting
- Interior lighting L3H1
- Trailer connections RIGID
- Windscreen wiper washer
- LCM / Flasher unit
- Horn
- Air heater
- Air heater
- Climate
- Heated seat / buzzer belt / cigar lighter
- Heated adjustable mirror
- Heated adjustable mirror RHD
- Central locking
- Theft
- Body Builder Module
- Sun roof / window
- 12V power supply
- 12V power supply
- Radio
- Cab tilt and brake body builder output / horameter
- Body builder connector
- Body builder connector
- Body builder connector
- Body builder connector
- Body builder connector
- Power supply
- Power supply
- BUS J1587–1
- CAN J1939–1/3
- CAN J1939–2/3
- CAN J1939–3/3
- BackBone2
- Chassis
- Chassis
- Battery connections
- Cab inlets
- ECU
- Electrical junction box
- Wiring harness, instruments
- Wiring harness
- Wiring harness
- Wiring harness, engine
- Wiring harness
- Wiring harness, roof beacon light
- Wiring harness
- Wiring harness, trailer connections
- Wiring harness
- Wiring harness, main switch
- Wiring harness
- Wiring harness, cab-battery
- Wiring harness
- Wiring harness, upper

Полное описание в высоком качестве доступно в
