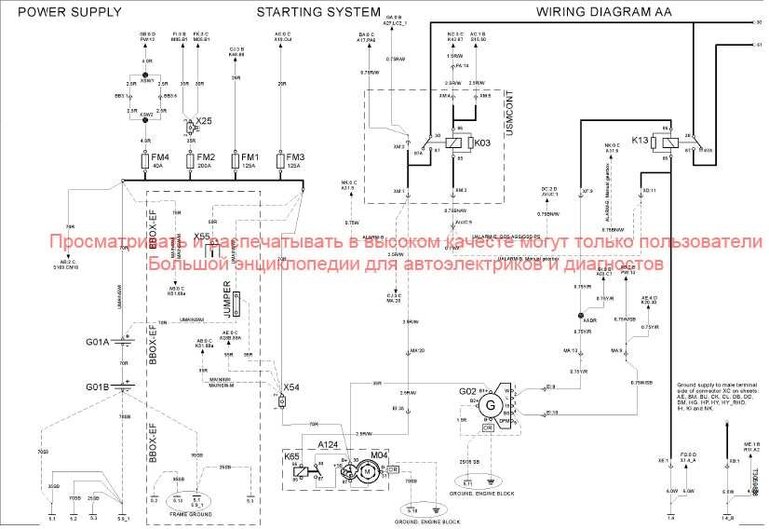
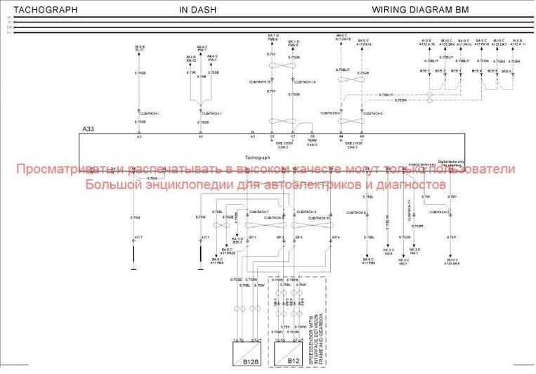
Электросхемы VOLVO FM Euro 5
Перечень компонентов
A01. Блок реле и предохранителей
A02L. Блок предохранителей, 6 предохранителей
А02Р. Блок предохранителей, 6 предохранителей (МЕ:2 С) (1000)
А02Х. Блок предохранителей, 6 предохранителей (МЕ:3 С) (1000)
АОЗ. Комбинация приборов
А04А. Холодильник
А04В. Холодильник
А05. Дисплей, FMS (Система управления автопарком)
A06L. Электропривод сиденья
A06R. Электропривод сиденья
А07. Радиоприемник
А08. Блок управления, приемник GPS (Система глобального позиционирования)
А09. Телефон
А10. Проигрыватель компакт-дисков
А11 Блок управления, дверной замок
А12А. Блок управления ABS (Антиблокировочная система тормозов)
А12В. Блок управления ABS (Антиблокировочная система тормозов)
А13А. Блок управления, TECU (АКПП)
А13В. Блок управления, TECU (АКПП)
А13С. Блок управления, TECU (АКПП)
A13D. Блок управления, TECU (АКПП)
А13Е. Блок управления, TECU (АКПП)
А14. Блок управления, EMS (Система управления двигателем)
А15. Блок управления, SRS (Система надувных подушек безопасности)
А16. Блок управления, ECS (Электронное управление пневматической подвеской)
A17. Блок управления, VECU (ECU alu)
A18. Блок управления, люк в крыше
А19А. Блок управления, GECU (ECU селектора передач) (Geartronic)
А20. Блок управления, иммобилайзер
А21. Блок управления, EBS (Электронная система управления тормозами)
А22. Блок управления, FMS (Система управления автопарком)
А23. Блок управления, FMS, ТМС (Канал дорожных сообщений)
А24. Блок управления, информационный блок прицепа без ABS
А26. Блок управления, АСС (Адаптивный круиз-контроль)
А27. Блок управления, LCM (Блок управления световыми приборами)
A28B. Блок управления, выключатель бортового электропитания ADR, встроенное реле электропитания
А29. Телефонная трубка, трубка для конфиденциальных разговоров
А31. Блок управления, охранная сигнализация
А32. Блок управления, стояночный отопитель
АЗЗ. Тахограф
АЗЗВ. Тахограф
А34В. Блок управления, система климат-контроля
А36. Блок управления, ВВМ (Блок оборудования кузова)
А39. Блок управления, видеокамера
А40 HID. Блок предохранителей, 3 предохранителя
А41. Группа компонентов КП. Включает В23, В138 и Y17
A42. Группа компонентов КП. Включает В26, Y21, Y22, Y23 и Y26
А42_В. Группа компонентов КП. Включает В26, Y21, Y22, Y23 и Y26
А43. Электрическое управление вентилятором (датчик скорости вентилятора В32, вязкостная муфта 35)
А44. Кронштейн топливного фильтра (датчик давления топлива В51, топливоподкачивающий насос 15)
А45. Топливный фильтр грубой очистки (датчик уровня воды В52, нагреватель R10, электромагнитный клапан слива воды Y38)
А54. Блок управления, уровень ОЖ
А59. Блок управления, RAS (Управляемый задний мост)
А62. Блок управления ADS (Система дозирования AdBlue)
А75. Датчик скорости рыскания и блок питания, АСС
А77. Блок управления, контроль давления в шинах
А80. Влагоотделитель с электронным управлением
А94. Блок управления, шлюз FMS (Система управления автопарком)
А96. Блок управления, охладитель на крыше
А102. Блок управления, Volvo Link (VERS-SAM)
A105. Блок последовательного интерфейса
А106. Блок предохранителей, 3 предохранителя, независимый от главного выключателя бортового электропитания
А109. Блок управления, GSECU (ECU селектора передач)
А116. Блок управления, усилитель
А121. Регистратор, AUS
А122. Блок управления, система оплаты дорожных сборов OBU
А123. Блок управления, система оплаты дорожных сборов DSRC
А124. Группа компонентов двигателя (реле электропитания К65, предварительное реле М04 стартера)
А125. Блок управления, TGW (Telematics шлюз)
А126. Блок управления, TTU (Telematics терминал)
В02А. Термостат, стояночный отопитель
В02В Термостат, стояночный отопитель
ВОЗА. Датчик, кран рабочего тормоза
В04. Датчик, обороты двигателя, коленчатый вал
В05. Датчик, обороты двигателя, распределительный вал
В06. Датчик, давление воздуха, воздушный ресивер
В07. Датчик, уровень топлива
В08. Датчик, частота вращения первичного вала, КП
В09А. Датчик, температура масла, КП
В09В. Датчик, температура масла, КП
В10. Датчик, уровень масла (СО:0 В)
В10С. Датчик, уровень масла
В12. Датчик, тахограф/спидометр
В12В. Датчик, тахограф/спидометр
В13А. Датчик, скорость левого колеса 1-го переднего моста
В13В. Датчик, скорость левого колеса 1-го переднего моста
В14А. Датчик, скорость правого колеса 1-го переднего моста
В14В. Датчик, скорость правого колеса 1-го переднего моста
В15А. Датчик, скорость левого колеса 1-го ведущего заднего моста
В15В. Датчик, скорость левого колеса 1 -го ведущего заднего моста
В16А. Датчик, скорость правого колеса 1- го ведущего заднего моста
В16В. Датчик, скорость правого колеса 1 -го ведущего заднего моста
В17. Датчик, скорость левого колеса 2-го заднего ведущего моста
В18. Датчик, скорость правого колеса 2- го заднего ведущего моста
В19. Датчик, скорость левого колеса 2-го переднего моста
В20. Датчик, скорость правого колеса 2-го переднего моста
В21. Датчик, температура ОЖ двигателя
В22. Датчик, температура наружного воздуха
В23А. Датчик, температура масла замедлителя
В23В. Датчик, температура масла замедлителя
В24. Датчик, давление воздуха, подъемный пневмобаллон тележки
В25. Датчик, педаль акселератора
В26А. Датчик, положение сцепления
В27. Датчик, заряд АКБ
В28. Датчик, уровень шасси, передний мост
В29В. Датчик, уровень шасси, левая сторона заднего моста
ВЗ0. Датчик, уровень шасси, правая сторона заднего моста
В34А. Датчик, передача КП
В34В. Датчик, передача КП
В35. Датчик, передача демультипликатора
В36. Датчик, передача делителя
В37. Датчик, давление и температура нагнетаемого воздуха
В38. Датчик, давление и температура масла
В39. Датчик, давление и температура на воздушном фильтре
В40А. Датчик, индикатор износа тормозных накладок с левой стороны 1 -го переднего моста
В40В. Датчик, индикатор износа тормозных накладок с левой стороны 1 -го переднего моста
В41А. Датчик, индикатор износа тормозных накладок с правой стороны 1-го переднего моста
В41В. Датчик, индикатор износа тормозных накладок с правой стороны 1-го переднего моста
В42А. Датчик, индикатор износа тормозных накладок с левой стороны 1-го заднего ведущего моста
В42В. Датчик, индикатор износа тормозных накладок с левой стороны 1-го заднего ведущего моста
В43А. Датчик, индикатор износа тормозных накладок с правой стороны 1 -го заднего ведущего моста
В43В. Датчик, индикатор износа тормозных накладок с правой стороны 1 -го заднего ведущего моста
В44В. Датчик, индикатор износа тормозных накладок с левой стороны 2-го заднего ведущего моста
В45В. Датчик, индикатор износа тормозных накладок с правой стороны 2-го заднего ведущего моста
В46В. Датчик, индикатор износа тормозных накладок с левой стороны 2-го переднего моста (ЕРЮ В)
В47В. Датчик, индикатор износа тормозных накладок с правой стороны 2-го переднего моста
В49. Датчик, угол поворота рулевого управления
B49F. Датчик, угол поворота рулевого управления
B49R. Датчик, угол поворота рулевого управления
В50. Датчик, скорость рыскания
В51. Датчик, давление топлива
В54. Датчик, давление в картере
В55. Датчик, давление воздуха, пневмобаллоны подвески 3-го моста
В56. Датчик, давление воздуха, пневмобаллоны подвески переднего моста
В57. Датчик, давление воздуха, пневмобаллоны подвески с левой стороны заднего моста
В58. Датчик, давление воздуха, пневмобаллоны подвески с правой стороны заднего моста
В59. Датчик, температура в кабине
B60DD. Громкоговоритель
B60DP. Громкоговоритель
B60LF. Громкоговоритель
B60RF. Громкоговоритель
B60DD. Громкоговоритель
B60DP. Громкоговоритель
B60LF. Громкоговоритель
B60LR. Громкоговоритель
B60RF. Громкоговоритель
B60RR. Громкоговоритель
B61L. Громкоговоритель, высокочастотный
B61R. Громкоговоритель, высокочастотный
B61L. Громкоговоритель, высокочастотный
B61_R. Громкоговоритель, высокочастотный
B64. Датчик, давление воздуха, блок клапанов КП
В66. Датчик, температура EGR
В67. Видеокамера заднего вида
В68. Датчик, частота вращения вторичного вала, КП
В69А. Датчик, температура ОЖ замедлителя
В69В. Датчик, температура ОЖ замедлителя
В69С. Датчик, температура ОЖ замедлителя
В70. Датчик, скорость левого колеса дополнительного моста впереди заднего ведущего.
В71. Датчик, скорость правого колеса дополнительного моста впереди заднего ведущего
В72. Датчик, скорость левого колеса дополнительного моста позади заднего ведущего
В73. Датчик, скорость правого колеса дополнительного моста позади заднего ве-дущего
В74В. Датчик, индикатор износа тормозных накладок с левой стороны дополнительного моста впереди заднего ведущего
В75В. Датчик, индикатор износа тормозных накладок с правой стороны дополнительного моста впереди заднего ведущего
В76В. Датчик, индикатор износа тормозных накладок с левой стороны дополнительного моста позади заднего ведущего
В77В. Датчик, индикатор износа тормозных накладок с правой стороны дополнительного моста позади заднего ведущего
В80. Громкая связь, динамик, микрофон
В85. Датчик, темп, после сажевого фильтра
В87. Датчик, обороты турбокомпрессора
В89. Датчик, перепад давления в EGR
В90. Передатчик, датчик движения
В91. Приемник, датчик движения
В96. Датчик, оксиды азота NOx (на базе сети CAN)
В97. -Датчик, температура ОГ (перед каталитическим нейтрализатором)
В98. Датчик, температура ОГ (после каталитического нейтрализатора)
В115. Датчик, давление DPF
В118. Датчик, давление масла
В119. Датчик, уровень и температура масла
В120. Радар АСС, адаптивный круиз-контроль
В122. Датчик, темп. ОГ, смонтированный на двигателе
В138А. Датчик, управляющее давление замедлителя
В138В. Датчик, управляющее давление замедлителя
В142В. Датчик, уровень и температура AdBlue
В151. Датчик, определение прицепа
В152. Датчик, давление в пневмоприводе тормозов, спереди
В153. Датчик, давление в пневмоприводе тормозов, сзади
В154. Двигатель, уровень воды в охладителе на крыше
В184. Громкоговоритель, сабвуфер
D01. Реле временной выдержки, подъемник тележки, ограничитель нагрузки на ось
Е01. Лампа, дальний свет
Е02. Лампа, ближний свет
Е0З. Лампа, прожектор
Е0ЗА. Лампа, прожектор
Е0ЗВ. Лампа, прожектор
E03L. Лампа, прожектор
E03R. Лампа, прожектор
E05. Лампа, освещение тягово-сцепного устройства
Е06. Лампа, фонарь заднего хода
Е07. Лампа, противотуманная фара
E07L. Лампа, противотуманная фара
E07R. Лампа, противотуманная фара
Е08. Лампа, стояночный фонарь, передний
E08L. Лампа, стояночный фонарь, передний
E08R. Лампа, стояночный фонарь, передний
Е09. Лампа, сигнал торможения
E10. Лампа, задний габаритный фонарь
E11L_C. Лампа, боковой габаритный фонарь
E11L_F. Лампа, боковой габаритный фонарь
E11L_R. Лампа, боковой габаритный фонарь
E11L_W. Лампа, боковой габаритный фонарь
Е11R_C. Лампа, боковой габаритный фонарь
Е11R_F. Лампа, боковой габаритный фонарь
Е11R_R. Лампа, боковой габаритный фонарь
Е11R_W. Лампа, боковой габаритный фонарь
Е12L. Лампа, габаритный фонарь на крыше
E12R. Лампа, габаритный фонарь на крыше
Е13. Лампа, указатель поворота
E13LF. Лампа, указатель поворота
E13RF. Лампа, указатель поворота
E14_A,Лампа, сигнальный маячок
E14_AR. Лампа, сигнальный маячок
Е14_В Лампа, сигнальный маячок
E14_BR.. Лампа, сигнальный маячок
E16_DS. Лампа, входное освещение
E16_PS. Лампа, входное освещение
E17L. Лампа, освещение кабины
E17R. Лампа, освещение кабины
Е18_С. Лампа, свет для чтения
E18J.B. Лампа, свет для чтения
E18_RB. Лампа, свет для чтения
E18L. Лампа, свет для чтения
E18LC. Лампа, свет для чтения
E18R. Лампа, свет для чтения
E18RC. Лампа, свет для чтения
Е19С. Лампа, идентификационный фонарь на крыше
E19L. Лампа, идентификационный фонарь на крыше
E19R. Лампа, идентификационный фонарь на крыше
Е20. Лампа, подсветка пепельницы
Е21. Лампа, задний противотуманный фонарь
Е22. Лампа, освещение знака на крыше
Е23. Лампа, освещение багажного отделения
Е24. Лампа, освещение вещевого лотка
E26L. Блок фары
E26R. Блок фары
E27L_1. Блок заднего фонаря
E27L_2. Блок заднего фонаря
E27L_3. Блок заднего фонаря
E27L_4. Блок заднего фонаря
E27R_1. Блок заднего фонаря
E27R_2. Блок заднего фонаря
Е28. Стояночный отопитель
Е29С. Лампа, наружный индикатор скорости
E29L. Лампа, наружный индикатор скорости
E29R. Лампа, наружный индикатор скорости
E30L. Лампа, дальний и ближний свет
E30R. Лампа, дальний и ближний свет
Е32АТС. Система климат-контроля
Е32ЕСС. Система климат-контроля
E33LF Лампа, дополнительные погрузочные фонари (фонари заднего хода)
E33LR. Лампа, дополнительные погрузочные фонари (фонари заднего хода)
E33RF. Лампа, дополнительные погрузочные фонари (фонари заднего хода)
E33RR. Лампа, дополнительные погрузочные фонари (фонари заднего хода)
Е34. Лампа, освещение центрального блока оборудования кузова
Е39. Лампа, освещение номерного знака
E39L. Лампа, освещение номерного знака
E39R. Лампа, освещение номерного знака
E74L. Лампа, стояночный фонарь, передний указатель поворота
E74R. Лампа, стояночный фонарь, передний указатель поворота
E79L. Лампа, габаритный фонарь на крыше, левый задний
E79R. Лампа, габаритный фонарь на крыше, правый задний
G01 А. АКБ
G01 В. АКБ
G02. Генератор
G05. АКБ, резервная, Volvo Link
H01. Звуковой сигнал, пневматический
H02. Звуковой сигнал
Н0З. Сигнализатор заднего хода, звуковой
Н06. Сирена
К1. Реле, выключатель зажигания, положение вкл. радиоприемника
К2. Реле, EMS (Система управления двигателем)
КЗ. Реле, стартер
КЗВ. Реле, стартер, Cummins
К4. Реле, блок предохранителей оборудования кузова (цепь 15)
К5. Реле, l-shift/Powertronic/Замедлитель
Кб. Реле, вентилятор системы климат-контроля
К7. Реле, прерывистый режим работы стеклоочистителя
К8. Реле, блокиратор диапазона КП
К9. Реле, лампы освещения кабины
К10. Реле, освещение тягово-сцепного устройства, рабочее освещение
К11. Реле, пневматическая подвеска
К12. Реле, фонарь заднего хода, прицеп
К13. Реле, управляемое генератором
К14. Реле временной выдержки, подъемник тележки, A-ride
К15. Реле временной выдержки, подъемник тележки, A-ride, с ограничителем нагрузки на ось
К16. Реле, подъемник тележки, A-ride, с ограничителем нагрузки на ось
К20. Реле, короткое замыкание D+, (только для а/м ADR)
К21. Реле, электропривод сиденья
К22. Реле, вентилятор системы климат-контроля, 1-я скорость (стояночного отопителя)
К22. Реле, вентилятор системы климат-контроля, 1-я скорость
К23. Реле, механизм опрокидывания кабины
К24. Реле, централизованная система смазки
К25. Реле, светящийся знак
К26А. Реле, складной рычаг зеркала заднего вида, Япония
К26В. Реле, складной рычаг зеркала заднего вида, Япония
К27. Реле, газоразрядная лампа, ближний свет, левая
К28. Реле, газоразрядная лампа, ближний свет, правая
КЗ0. Реле, сигнальный маячок
К35. Реле, омыватель фар высокого давления
К37. Реле, стояночное освещение
К38. Реле, подготовка оборудования кузова, переключатель/реле давления 2/свободно
К39. Реле, подготовка оборудования кузова, освещение плуга снегоочистителя, прожекторы
К40. Реле, подготовка оборудования кузова
К41. Реле, подготовка оборудования кузова, сменный кузов
К42. Реле, подготовка оборудования кузова, прожекторы/свободно
К43. Реле, подготовка оборудования кузова, внешний пуск/свободно
К45. Реле, подготовка оборудования кузова, две скорости
К48. Реле электропитания, пусковой подогрев двигателя
К49. Реле электропитания, электродвигатель подъемника тележки
К51. Реле электропитания, главный выключатель бортового электропитания
К51_А. Реле электропитания, главный выключатель бортового электропитания
К52. Реле электропитания, главный выключатель бортового электропитания ADR
К54. Реле, 12 В, ABS прицепа
К58. Реле, ограничитель скорости, Volvo Link
К59. Реле, останов двигателя, Volvo Link
К60. Реле, замок прицепа, Volvo Link
K61. Реле, дополнительный фонарь заднего хода, грузовик
К63. Радар, АСС - Адаптивный круиз-контроль
К64. Реле, управляемый вручную главный выключатель BBOX-EF
К65. Реле электропитания, предварительное реле стартера
К66. Реле, индикация подъема задка
L01. Дроссель, подсветка светящегося
L01L. Дроссель, подсветка светящегося
L01R. Дроссель, подсветка светящегося
М01. Электродвигатель, очиститель ветрового стекла
М02. Электродвигатель, насос омывателя ветрового стекла
М0З. Электродвигатель, насос высокого давления омывателя фар
М04. Электродвигатель, стартер
М05. Электродвигатель, насос гидравлического подъемника тележки
M06DS. Электродвигатель, стеклоподъемник
M06PS. Электродвигатель, стеклоподъемник
М08. Электродвигатель, регулировка уровня, прожекторы
M09DS. Электродвигатель, дверной замок
M09PS. Электродвигатель, дверной замок
М10. Электродвигатель, люк в крыше
М11. Электродвигатель, насос механизма опрокидывания кабины
М13. Электродвигатель, насос ОЖ, стояночный отопитель
М14. Электродвигатель, насос централизованной системы смазки
М17. Электродвигатель, складной рычаг зеркала заднего вида, Япония
М27. Электродвигатель, вентилятор охладителя на крыше
М28. Электродвигатель, омыватель, охладитель на крыше
R01. Нагреватель, пусковой подогрев двигателя
R02L. Нагреватель, зеркало заднего вида
R02R. Нагреватель, зеркало заднего вида
R04. Прикуриватель
R05. Нагреватель, влагоотделитель
R08. Согласующий резистор, шина CAN
R11. Нагреватель, кофеварка
R13. Резистор, регулировка фар LCP
R14. Согласующий резистор
R17. Резистор
R18. Нагреватель, влагоотделитель с электронным управлением
R21. Согласующий резистор
R23A. Нагреватель, шланг AdBlue
R23B. Нагреватель, шланг AdBlue
R23C. Нагреватель, шланг AdBlue
R23D. Нагреватель, шланг AdBlue
R23J. Нагреватель, шланг AdBlue
R28. Согласующий резистор, OBD
R33. Согласующий резистор
R34. Согласующий резистор
R35. Согласующий резистор
R36. Нагреватель, корпус фильтра AdBlue
R39. Резистор, генератор Cummins
S01. Переключатель, главное освещение, многопозиционный
S02. Переключатель подрулевого рычага, дальний/ближний свет, указатели поворота
S03. Выключатель, погрузочные/рабочие фонари
S04. Переключатель, вентилятор системы климат-контроля
S05A. Переключатель, освещение кабины, многопозиционный
S05B. Переключатель, освещение кабины, многопозиционный
S06. Переключатель подрулевого рычага, очиститель ветрового стекла, многопозиционный
S07. Переключатель, моторный тормоз, многопозиционный
S07A. Переключатель, моторный тормоз, многопозиционный
S07B. Переключатель, моторный тормоз, многопозиционный
S08. Выключатель, механизм блокировки заднего межколесного дифференциала
S09. Переключатель, механизм блокировки дифференциала, межосевого и заднего межколесного, многопозиционный
S10. Выключатель, светящийся знак на крыше
S11. Переключатель, подъемник тележки, многопозиционный
S11A. Переключатель, подъемник тележки, многопозиционный
S14A. Выключатель, кнопочный, звуковой сигнал
S14B. Выключатель, кнопочный, звуковой сигнал
S15. Выключатель, пусковой
S16. Выключатель, кнопочный, пневматический звуковой сигнал
S17. Выключатель, привод передних колес
S18. Выключатель, механизм блокировки переднего дифференциала
S19. Выключатель, дополнительный
S20. Выключатель, блокировка 3-го моста
S21A. Выключатель, стояночный отопитель
S21B. Выключатель, стояночный отопитель
S23. Переключатель, люк в крыше, многопозиционный
S24. Переключатель подрулевого рычага, замедлитель, многопозиционный
S25. Переключатель, круиз-контроль
S26A. Выключатель, насос механизма опрокидывания кабины
S26B. Выключатель, насос механизма опрокидывания кабины
S27. Выключатель, освещение вещевого лотка
S28A. Выключатель, коробка отбора мощности
S28B. Выключатель, коробка отбора мощности
S30. Переключатель, многофункциональный дисплей
S31. Выключатель, TCS (Система контроля силы тяги)
S32. Выключатель, удержание тормозов
S33. Выключатель, тормоза прицепа
S34. Блок выключателей, клавиатура рулевого колеса
S36DS. Блок выключателей, дверные устройства
S36PS. Блок выключателей, дверные устройства
S37. Выключатель, видеокамера заднего вида, включение видеокамеры
S38. Выключатель, ADR, аварийный выключатель, кабина
S39. Выключатель, ADR, аварийный выключатель, наружный
S39. Выключатель, ADR, аварийный выключатель, наружный
S40. Выключатель, видеокамера заднего вида, выбор видеокамеры
S43. Реле давления, индикатор стояночного тормоза, Н.ЗАМК.
S45. Датчик положения, индикатор блокировки заднего межколесного дифференциала, Н.ЗАМК. или Н.РАЗОМК.
S45R. Датчик положения, индикатор блокировки заднего межколесного дифференциала, Н.ЗАМК. или Н.РАЗОМК.
S46. Реле давления, индикатор подъемника тележки, Н.РАЗОМК.
S47. Выключатель положения, индикатор низшей передачи делителя, Н.РАЗОМК.
S48A. Реле давления, сигнал торможения, Н.РАЗОМК. (ABS/UABS)
S48B. Реле давления, сигнал торможения, Н.РАЗОМК. (регулирующий клапан прицепа ABS/UABS)
S48C. Реле давления, сигнал торможения, Н.РАЗОМК. (регулирующий клапан прицепа ABS/UABS)
S49. Датчик положения, фонари заднего хода Н.РАЗОМК.
S52_L. Бесконтактный выключатель, запорный механизм кабины, Н.РАЗОМК.
S52_R. Бесконтактный выключатель, запорный механизм кабины, Н.РАЗОМК.
S53. Датчик положения, индикатор привода передних колес, Н.РАЗОМК.
S54. Датчик положения, блокировка переднего межколесного дифференциала, Н.РАЗОМК.
S55. Термовыключатель
S56. Термовыключатель, подъемник тележки, Н.ЗАМК.
S57L. Датчик положения, освещение багажного отделения, Н.ЗАМК.
S57R. Датчик положения, освещение багажного отделения, Н.ЗАМК.
S58. Датчик положения, педаль сцепления, Н.РАЗОМК.
S59. Датчик положения, педаль тормоза, Н.РАЗОМК.
S60A. Реле давления, масло в усилителе руля, Н.ЗАМК.
S60B. Реле давления, масло в усилителе руля, Н.ЗАМК.
S63. Датчик положения, низшая передача демультипликатора
S64. Реле давления воздуха, ресивер стояночного тормоза, Н.ЗАМК.
S66_L. Блок выключателей, ECS (Систе. ма электронного управления подвеской), полная пневматическая подвеска
S66_R. Блок выключателей, ECS (Система электронного управления подвеской), полная пневматическая подвеска
S68. Датчик, уровень ОЖ
S69. Бесконтактный выключатель, положение подъемника тележки, Н.РАЗОМК.
S70. Датчик положения, расходомер, усилитель руля, Н.ЗАМК.
S71. Реле давления, нагнетание компрессора, Н.РАЗОМК.
S73. Выключатель, звуковая сигнализация заднего хода
S73_2. Выключатель, звуковая сигнализация заднего хода
S74. Выключатель, отопитель кабины на кратковременных стоянках
S75. Выключатель, сигнальный маячок
S76. Выключатель, прожекторы (NA:4
S76A. Выключатель, прожекторы (Nh4
S77. Выключатель, аварийный вызов
S78. Блок выключателей, TIS (Система дорожной информации)
S79A. Выключатель, дополнительные рабочие фонари (фонари заднего хода), ручного включения
S79B. Выключатель, дополнительные рабочие фонари (фонари заднего хода), ручного включения
S79D. Выключатель, дополнительные рабочие фонари (фонари заднего хода), ручного включения
S80 Датчик положения, передний люк
S83. Выключатель, замок контейнера
S84. Переключатель, режим тахографа
S86. Выключатель, складной рычаг зеркала заднего вида, Япония
S88L. Датчик положения, дверь, Н.ЗАМК.
S88R. Датчик положения, дверь, Н.ЗАМК.
S95. Выключатель, сигнал тревоги
S96. Выключатель, сокращенная установка, охранная сигнализация
S165. Выключатель, Служба техпомощи Volvo
S166. Выключатель, сигнал тревоги, Volvo Link,
S169. Выключатель, главный выключатель АКБ
S171. Выключатель, GLU (Блок рычага переключения передач)
S187. Выключатель, ночной светящийся знак на крыше
S188. Выключатель, ночная подсветка панели приборов
S203. Выключатель, BBOX-EF ручной эл./механ.
S210. Выключатель, наружные идентификационные фонари
S212. Выключатель, подъем задка
U01_A Модулятор, EBS, левый передний
U02_A. Модулятор, EBS, правый передний
U03_A Модулятор, EBS, задний мост
U03_B. Модулятор, EBS, задний мост
U04_A. Модулятор, EBS, дополнительный мост впереди заднего ведущего
U05_A. Модулятор, EBS, лрицеп
U06B11. Преобразователь напряжения
U06R11. Преобразователь напряжения
U06R19. Преобразователь напряжения
U07_А. Модулятор, EBS, дополнительный мост позади заднего ведущего
U08_A. Модулятор, EBS, передний
U10. Преобразователь напряжения, 12 В, ABS прицепа,
U12. Преобразователь напряжения, Volvo Unk, (VERS-SAM)
V02. Блок диодов
V03. Диод
V04. Диод
V05. Диод
V07. Светодиод, индикатор, охранная сигнализация
V08. Диод
V09. Диод
V10. Диод
V11. Диод
V25. Диод
V27. Диод
V28. Диод
W02. Антенна, иммобилайзер
Х01. Разъем, диагностическая система а/м
X01B. Разъем, диагностическая система а/м
X01C. Разъем, диагностическая система а/м
Х02. Соединение с прицепом, ABS/EBS
Х0З. Соединение с прицепом, 15-штекерный разъем
Х04. Соединение с прицепом, 7-штекерный разъем, 24 N
Х05. Соединение с прицепом, 7-штекерный разъем, 24 S
Х06. Разъем, 31 -штекерный, с левой стороны рамы, подготовка для оборудования кузова
Х07В. Розетка, 12 В
Х08. Контактная катушка, надувная подушка безопасности
Х09. Скользящий контакт, звуковой сигнал
Х10. Электрический ввод В+, кабина
Х11. Разъем электропитания, двигатель
Х12. Разъем, электропитание пускового подогревателя двигателя
Х25. Разъем электропитания, подъемник тележки/дополнительное оборудование
Х54. Разъем электропитания, двигатель
Х55. Разъем, помощь при пуске
Y02. Электромагнитный клапан, блокировка заднего межколесного дифференциала
Y03. Электромагнитный клапан, механизм блокировки заднего межосевого дифференциала
Y05. Электромагнитный клапан, подъемник тележки
Y06. Электромагнитный клапан, блокиратор демультипликатора
Y08. Электромагнитный клапан, привод передних колес
Y09. Электромагнитный клапан, блокировка дифференциала, передний мост
Y10. Электромагнитный клапан, блокировка 3-го моста (FM*)
Y11. Блок электромагнитных клапанов, ABS, левый передний
Y11_A. Блок электромагнитных клапанов, ABS, левый передний
Y12. Блок электромагнитных клапанов, ABS, правый передний
Y12_A. Блок электромагнитных клапанов, ABS, правый передний
Y13. Блок электромагнитных клапанов, ABS, левый задний
Y14. Блок электромагнитных клапанов, ABS, правый задний
Y17A. Электромагнитный клапан, замедлитель
Y17B. Электромагнитный клапан, замедлитель
Y18. Электромагнитный клапан, РТО (Коробка отбора мощности)
Y18A. Электромагнитный клапан, РТО (Коробка отбора мощности)
Y18B. Электромагнитный клапан, РТО (Коробка отбора мощности)
Y18C. Электромагнитный клапан, РТО (Коробка отбора мощности)
Y18G. Электромагнитный клапан, РТО (Коробка отбора мощности)
Y18H. Электромагнитный клапан, РТО (Коробка отбора мощности)
Y21. Электромагнитный клапан, медленное выключение сцепления
Y22. Электромагнитный клапан, быстрое выключение сцепления
Y23. Электромагнитный клапан, быстрое включение сцепления
Y25. Блок электромагнитных клапанов, регулирование уровня, пневматическая подвеска
Y26. Электромагнитный клапан, медленное управление сцеплением
Y29. Блок электромагнитных клапанов, дополнительный мост
Y30A. Блок электромагнитных клапанов, КП
Y30B. Блок электромагнитных клапанов, КП
Y30C. Блок электромагнитных клапанов, КП
Y31. Электромагнитный клапан, блокиратор диапазона
Y32. Дозирующий топливный насос, стояночный отопитель
Y33. Электромагнитный клапан, UI (насос-форсунки)
Y34. Регулирующий клапан, EGR (Рециркуляция ОГ) (датчик В65 положения клапана EGR, сервомотор М19 регулирующего клапана EGR)
Y37. Блок электромагнитных клапанов, A VU
Y39. Электромагнитный клапан, VCB
Y40. Блок электромагнитных клапанов, передний мост, пневматическая подвеска
Y42. Муфта, электромагнитная компрессора кондиционера легенда к электрическим схемам
Y43L. Натяжитель ремня безопасности, пиротехнический
Y43R. Натяжитель ремня безопасности, пиротехнический
Y44. Надувная подушка безопасности, пиротехническая
Y48A. Электромагнитный клапан, замок контейнера
Y48B. Электромагнитный клапан, замок тягово-сцепного устройства
Y49. Электромагнитный клапан, стояночный тормоз
Y51 А. Электромагнитный клапан, регенерация
Y51B. Электромагнитный клапан, управление компрессором
Y52. Муфта, электромагнитная, вентилятор двигателя
Y53. Блок электромагнитных клапанов, RAS
Y54. Блок управления VGT (Турбокомпрессор с изменяемой геометрией)
Y72. Электромагнитный клапан, пневматический звуковой сигнал
Y80. Электромагнитный клапан, блок дозирования AdBtue
Y81B. Электромагнитный клапан, подогрев бака AdBlue
Y88. Электромагнитный клапан, дополнительный мост, пневматическая подвеска, подъемник тележки
Сокращенные обозначения
ABS. Антиблокировочная система тормозов
АСС. Адаптивный круиз-контроль
ACU. Блок управления охранной сигнализацией
ADR-BAS1/ADR1. Адаптация ADR, 1 выключатель
ADR2. Адаптация ADR, 2 выключателя
AIRDRY-E. Электрический влагоотделительвоздуха
ATB. Ограничитель нагрузки на ось
ATC. Автоматический контроль температуры
AT02512C. Вариант КП
АТ2412С. Вариант КП
АТ2512С. Вариант КП
AUS. Австралия
AUXSW-6. Проводка для шести дополнительных выключателей оборудования кузова
AWD. Полноприводная трансмиссия
ВВМ. Блок оборудования кузова
BBOX-EF. Аккумуляторный ящик в конце рамы
BBOX-R. Аккумуляторный ящик с правой стороны
CLU. Блок централизованного запирания
CU-ACAUT. Кондиционер, с автоматическим управлением
CU-ACMAN. Кондиционер, с ручным управлением
CU-BAS. Базовая версия с шаговым электродвигателем без кондиционера
CU-ECC. Климат-контроль с электронным управлением и кондиционером
CU-HEAT. Отопитель
CU-MCC. Климат-контроль с ручным управлением и кондиционером
DS. Сторона водителя
EBS. Тормозная система с электронным управлением
ECS. Пневматическая подвеска с электронным управлением
ELCE-CK. Электрический комплект для оборудования кузова
ELMS. Электрический главный выключатель бортового электропитания
ЕМ-ЕС01. Уровень EUR03 2001, Европейское Сообщество
EM-JPN04. Контроль вредных выбросов, нормы Японии 2004
ENG-VE9. Двигатель Volvo рабочим объемом 9 литров
ENG-VE12. Двигатель Volvo рабочим объемом 12 литров
ENG-VE13. Двигатель Volvo рабочим объемом 13 литров
ENG-VE16. Двигатель Volvo рабочим объемом 16 литров
EPG. Заслонка ОГ
ESP. Электронная программа курсовой стабилизации
FAA10.1-й передний мост, не ведущий
FAA20.2-й передний мост, не ведущий
FMS. Система управления автопарком
FSS-LEAF. Передняя рессорная подвеска
GSS-AGS. Автоматическая Система переключения передач (Geartronic/l-shift)
GSS-PS. Автоматическая КП, автоматическая система переключения передач (Powertronic)
GSS-RC. Переключение передач демультипликатора, тросовое
GSS-SRC. Переключение передач делителя и демультипликатора, тросовое
ISX. Вариант двигателя (только Австралия)
JPN. Япония
L. Левый
LCM. Блок управления световыми приборами
L1Н1. Короткая кабина
L2H1 .Длинная кабина
L2H2-: Длинная высокая кабина (Globetrotter) .
LF. Левый передний
LHD. Левостороннее управление
LHS. Левый
LOCK-ALL. Централизованное запирание и обесточивание электрооборудования а/м
LR. Левый задний
MAINSWI. Главный выключатель бортового электропитания
MECHTRAN. Механическая КП
MMS. Механический главный выключатель бортового электропитания
ODB. On Board Diagnostic
РН-САВ. Стояночный отопитель кабины
PH-ENGCA Сторона пассажира. Стояночный обогреватель двигателя и кабины PS.
PSS-DUAL. Двойная система усилителя руля
РТО. Коробка отбора мощности
R. Правый
RADT-A8.6x2, пневматическая подвеска, 8 пневмобаллонов, дополнительный мост
RADT-AR. 6x2, рессорная подвеска (A-ride)
RF. Правый передний
RHD. Правостороннее управление
RHS. Правый
RIGID. Грузовик с платформой или самосвал
RR. Правый задний
RSTS-EHY. Электрическая система управления задними колесами, с гидравлическим приводом
SCR. Selective Catalyst Reduction
SI-GRAF. Тахограф
SI-GRAFR. Тахограф
SI-SPEED. Спидометр
SMCONT. Управление стартером
SPEED-DU. Двойной- ограничитель скорости
SRS. Система надувных подушек безопасности
STWPOS-L. Рулевое колесо расположено слева
STWPOS-R. Рулевое колесо расположено справа
SUSPL-EC. Пневматическая подвеска, электронная система регулирования уровня кузова
SUSPL-M. Пневматическая подвеска, пульт ручного регулирования уровня кузова
SWAPBODY. Сменный кузов
TECU. Электронный блок управления коробкой передач
TIS-BAS. Транспортная информационная система, регистратор и позиционирование
TIS-HIGH. Транспортная информационная система, регистратор, позиционирование и расширенная система сообщений
TIS-LOG. Транспортная информационная система, регистратор данных
TIS-MAP. Транспортная информационная система, система карт
TIS-MED. Транспортная информационная система, регистратор, позиционирование и сообщения
ТМС. Канал дорожных сообщений
ТРМ. Контроль давления в шинах
TRACTOR. Седельный тягач для полуприцепов
TREL7-7. Разъемы прицепа, 2х7-штекерный блок
TREL14. Разъемы прицепа, 14-штекерный
TURB-HD. Turbo heavy duty design
UADR. Без адаптации ADR
UALARMB. Без охранной сигнализации
UJERICO. Без звукового сигнала Jerico
UMAINSWI. Без главного выключателя бортового электропитания
USMCONT. Без управления стартером
URETARD. Без замедлителя
USUSPLEV. Без пульта регулировки уровня пневматической подвески
UTPM. Без контроля давления в шинах
VECU. Электронный блок управления автомобилем
VERS-SAM. Южноамериканский вариант
VT2412B. Вариант КП
ZT1816. Вариант КП (только для Южной Америки)
Обозначения расцветки изоляции проводов
BL. Синий
BN. Коричневый
GN. Зеленый
GR. Серый
OR. Оранжевый
Р. Розовый
R. Красный
SB. Черный
VO. Фиолетовый
W. Белый
Y. Желтый
Внимание: Если провод имеет двухцветную изоляцию, это обозначается, например, следующим образом: Y/R = Желто-красная.











