ALarm System -Scorpion (Система сигнализации Scorpion) (ALS-S) DAF
ALS-S - это аббревиатура от 'ALarm System -Scorpion' (Система сигнализации Scorpion).
Принцип действия системы сигнализации ALS-S

Электронный блок ALS-S (D911)

Включение сигнализации

- A Контакт A8 электронного блока ALS-S
- B Контакт A9 электронного блока ALS-S
- C Включение аварийной сигнализации
Отключение сигнализации
Контакт B16, сигналы между блоком CDS-3, блоком сигнализации и VIC:

- A Контакт A8 электронного блока ALS-S
- B Контакт A9 электронного блока ALS-S
- C Включение ламп аварийной сигнализации
Включение сигнализации

Отключение сигнализации

Класс системы сигнализации
Классы системы сигнализации B и H
B1 Класс
B1 включает:
Иммобилайзер(1 )
Блок индикаторов
противовзломная защита в течение 5 минут
B2 Класс
B2 включает:
Иммобилайзер(1 )
Сигнализация с наружной и внутренней защитой (ALS-S)
Звуковой сигнал с внутренней аккумуляторной батареей аварийного напряжения (ALS-S)
противовзломная защита в течение 5 минут
B3 Класс
B3 включает:
Иммобилайзер(1 )
Сигнализация с наружной и внутренней защитой (ALS-S)
Звуковой сигнал с внутренней аккумуляторной батареей аварийного напряжения (ALS-S) противовзломная защита в течение 15 минут
Противоугонная защита блока управления двигателем (ALS-S)
H1 Класс
H1 включает:
Иммобилайзер(1 )
Сигнализация с наружной и внутренней защитой (ALS-S)
Звуковой сигнал с внутренней аккумуляторной батареей аварийного напряжения (ALS-S)
H2 Класс
H2 включает:
Иммобилайзер(1 )
(1) Иммобилайзер не является частью системы ALS-S.
Система состоит из следующих компонентов.
Электронный блок ALS-S (D911)
Электронный блок проверяет и контролирует функции управления системой сигнализации.
В зависимости от класса защиты блок контролирует пространство внутри и снаружи кабины, а также грузовое пространство.
Радарный датчик системы сигнализации (F686)
Данный датчик контролирует внутреннее пространство с помощью радарных волн.
Выключатель датчика контроля проникновения во внутреннее пространство кабины (C835/C931)
Нажатием данного выключателя можно выключить определение проникновения во внутреннее
пространство, однако определение проникновения во внешнее пространство в данном случае
продолжает действовать.
Выключатель определения проникновения в грузовое пространство надстройки и/или прицепа (C836/C932)
Нажатием данного выключателя может быть выключено определение проникновения в грузовое
пространство надстройки и прицепа;
однако определение проникновения в автомобиль в данном случае продолжает действовать.
Электронный блок центрального замка (D905)
Электронный блок проверяет и контролирует функции управления центральным замком.
Переключатель управления откидыванием кабины (F619)
Данный переключатель контролирует положение замка кабины.
Таймер дополнительного обогревателя (E580/E581)
Сигнал для системы сигнализации выключить определение проникновения во внутреннее пространство.
Выключатели замка двери (E514/E515)
Данные выключатели контролируют положение замков двери.
Светодиодный индикатор системы сигнализации (D715)
Светодиодный индикатор отображает состояние системы сигнализации.
При включенной системе сигнализации светодиодный индикатор мигает с интервалом 3 секунды.
При выключении системы сигнализации светодиодный индикатор гаснет.
Мигающий код светодиодного индикатора указывает на то, какая часть системы сигнализации вызвала
включение сигнализации.
Сирена системы сигнализации (B338)
Если при включенной системе сигнализации получен сигнал о несанкционированном проникновении, звучит сирена.
Сирена оснащена внутренним аккумулятором.
Сеть CAN
Связь электронного блока с другими электронными системами автомобиля осуществляется по сети CAN.
VIC-2/-3 и DIP-4 (D310/D358 и D899)
При включении и выключении системы сигнализации блок VIC включает мигающие лампы в качестве
контроля состояния для водителя. С помощью VIC сообщения о неисправности посылаются на панель
DIP (D899).
Система сигнализации обеспечивает защиту от взлома и угона и реагирует на ряд сигналов.
Сигналы (входные), которые могут включить сигнализацию, поступают от различных датчиков и переключателей. Таким способом можно различить наружную и внутреннюю защиту.
Переключателями внешней защиты являются:
- выключатели замка двери
- переключатель механизма откидывания кабины
- выключатель замка двери грузового пространства (если подключен)
Датчиками внутренней защиты являются:
- радарный датчик
- датчик грузового пространства (если подключен)
При поступлении сообщения от датчика или переключателя звучит сирена и загорается аварийная сигнализация.
Светодиодный индикатор системы отображает состояние системы и памяти сигнализации.
Ручной передатчик служит для управления центральным замком. Электронный блок центрального замка включает и выключает систему сигнализации. Если ручной передатчик не работает при включенной системе сигнализации, то система сигнализации может быть выключена путем включения зажигания автомобиля. При включении зажигания автомобиля иммобилайзер получает сигнал от транспондера, находящегося внутри ключа зажигания, и система сигнализации выключается с помощью сети CAN. Систему сигнализации невозможно включить ключом зажигания.
Включение и выключение системы сигнализации

Система сигнализации включается нажатием кнопки (1) на ручном передатчике. Аварийная
сигнализация включается на три секунды.
CF65IV, CF75IV, CF85IV, LF45IV, LF55IV, XF105
Защита дверей, решетки, механизма откидывания кабины и внутреннего пространства кабины включается по истечении нейтрального периода.
LED системы начнет медленно мигать спустя приблизительно 50 секунд. Теперь система полностью находится в рабочем состоянии.
При нажатии кнопки (2) система выключается сама. Об этом сообщает аварийная сигнализация, которая мигает три раза.
Нейтральный период
После включения системы сигнализации все аварийные контуры проверяются автоматически. Данное испытание проводится в течение нейтрального периода продолжительностью 50 секунд. В течение 50 секундного нейтрального периода светодиодный индикатор системы мигает быстро. Во время данного периода входные и выходные отверстия электронного блока проверяются для определения их состояния, т.е.
положение переключателей и датчиков. При обнаружении неисправности более чем в одном аварийном контуре система сигнализации обратит на это внимание, издав гудок.
Выключение датчика контроля проникновения во внутреннее пространство кабины
Если в автомобиле находятся люди, активировать систему сигнализации можно только при отключенной защите внутреннего пространства. За счет этого можно предотвратить ложное срабатывание сигнализации.
Защита внутреннего пространства кабины отключается следующим образом:
1. Выключите систему сигнализации.
2. Нажмите и удерживайте переключатель в течение приблизительно 0,5 секунды так, чтобы датчик определения проникновения во внутреннее пространство выключился.
3. Светодиодный индикатор системы загорится приблизительно на две секунды.
4. Включите систему сигнализации;
датчик определения проникновения во внутреннее пространство выключится.

Отключение контроля грузового пространства, надстройка или прицеп
Если водителю необходимо попасть в грузовое пространство, систему сигнализации можно включить, только если выключен датчик определения проникновения в грузовое пространство. За счет этого можно предотвратить ложное срабатывание сигнализации. Датчик определения проникновения в грузовое пространство отключается следующим образом:

1. Выключите систему сигнализации.
2. Нажмите и удерживайте переключатель (2) в течение приблизительно 0,5 секунды так, чтобы датчик определения проникновения во внутреннее пространство выключился.
3. Светодиодный индикатор системы загорится приблизительно на две секунды.
4. Включите систему сигнализации;
датчик определения проникновения в грузовое пространство выключится.
Выключение определения проникновения во внутреннее пространство при включении дополнительного обогревателя
При включении дополнительного обогревателя с помощью таймера электронный блок системы сигнализации получает сигнал от таймера. Таким способом выключается определение проникновения во внутреннее пространство кабины, если система сигнализации включена. Когда дополнительный обогреватель выключается снова с помощью таймера, система сигнализации возобновляет контроль внутреннего пространства по истечении нейтрального периода продолжительностью 50 секунд.
Электронный блок ALS-S (D911)
Электронный блок осуществляет регулировку и управление всей системой. Данный электронный блок включает:

- Микропроцессор в качестве центрального блока, при помощи которого блок может осуществлять связь с другими частями электронного блока.
- Постоянную долговременную память(неизменяемуюпамять),которая содержит программу управления для специальных операций по управлению.
- Электрическую стираемую память (EEPROM), которая запоминает информацию при отключении электронного блока от питания.
Радарный датчик (F686)
Радарный датчик обеспечивает определение проникновения во внутреннее пространство автомобиля.
Радарный датчик испускает радиоволну. Данная волна отражается от металла, и детектор может снова принять данную волну.
При обнаружении помехи срабатывает сигнализация.
Радарный датчик имеет следующие преимущества: радарный датчик не реагирует на воздушные потоки и работает сквозь пластмассу, поэтому его можно спрятать, например, в отсек для хранения.
Радарный датчик имеет следующий недостаток: радарный датчик также работает сквозь стекло.
Определить проникновение сквозь металл невозможно.
Имейте это в виду в дальнейшем, например, при установке автомобильного телефона.

Сирена, система сигнализации (B338)

Сирена подключена к трем проводам: к проводу источника электропитания, проводу соединения на "массу" и проводу управления. При включенной системе сигнализации электронный блок посылает сигнал проводу управления. Таким способом сирена включает защиту от намеренного воздействия. Если затем одно из трех соединений размыкается или внезапно прекращается подача питания на электронный блок, то сирена начинает работать от своей внутренней аккумуляторной батареи. Если необходимо отсоединить полюса аккумуляторной батареи автомобиля или сирены, не включая при этом сирену, это можно сделать после выключения сигнализации.
Ручной передатчик

Ручные передатчики относятся к системе центрального замка (CDS-3). При запирании и отпирании двери (дверей) блок CDS-3 посылает сигнал блоку ALS-S, чтобы он включил или выключил сигнализацию. Это означает, что автомобиль с ALS-S должен быть также оснащен системой центрального замка (CDS-3).
Ручные передатчики оснащены двумя кнопками. Когда одна из кнопок нажата, загорается светодиодный индикатор на ручном передатчике. Кнопка (1) служит для запирания дверей, а кнопка (2) служит для отпирания двери водителя.
Датчик блокировки кабины (F619)

Датчик системы замка кабины реагирует на откидывание кабины. Датчик расположен со стороны водителя в системе замка кабины. Когда кабина находится в откинутом назад положении, в магнитное поле датчика помещается кусочек металла. При откинутой кабине в магнитном поле датчика отсутствует металл. В результате соединение "массы" с электронным блоком через данный датчик размыкается.
Выключатели замка двери (E514/E515)

Система сигнализации использует стандартные выключатели замка двери, расположенные справа и слева на приборной панели. При открытой двери источник питания 24 В подключен к соответствующему контакту на электронном блоке.
Определение проникновения в грузовое пространство
К дополнительным разъемам и разъемам прицепа имеется оборудование, поставляемое на заказ, которое позволяет подключить определение нагрузки к модулю Body Builder. Данные точки подключения подсоединены к "массе". Если при включенной системе сигнализации соединение "массы" размыкается в точке подключения, то срабатывает сигнализация.
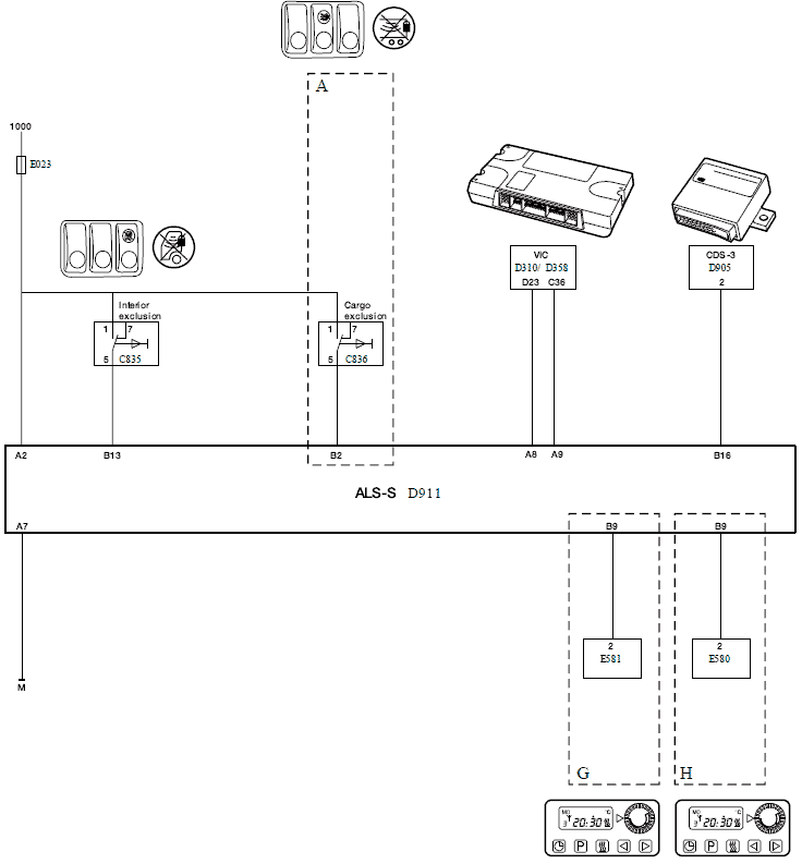
Включение сигнализации


При включенной сигнализации электронный блок системы сигнализации посылает различные сигналы VIC D310/D358. Это объясняется тем, что VIC отвечает за управление аварийной сигнализацией. Из точки подключения A8 блокирующее напряжение (ситуация A) посылается в точку подключения D23 VIC в течение 3 секунд. Из точки подключения A9 в течение аналогичного периода времени блокирующее напряжение с частотой 5 Гц (ситуация B) подается в точку подключения C36 VIC. Когда VIC получает два данных сигнала, аварийная сигнализация загорается на 3 секунды (ситуация C).
Включение сигнализации при выключенной системе определения проникновения во внутреннее пространство
Если пружинный переключатель C835 был нажат до включения системы сигнализации, то напряжение питания подается в точку подключения B13 блока сигнализации D911. Если данный сигнал активен дольше 0,5 секунды, блок сигнализации, если он включен, игнорирует систему определения проникновения во внутреннее пространство. Чтобы система определения проникновения во внутреннее пространство функционировала должным образом, необходимо выключить и снова включить сигнализацию.
Включение сигнализации в сочетании с обогревателем кабины
Если обогреватель кабины включен с помощью таймера при включенной системе сигнализации, то напряжение питания подается в точку подключения B9 блока сигнализации D911, поступая от таймера E581 для воздушного обогревателя кабины или от таймера E580 для водяного обогревателя кабины. Теперь блок сигнализации игнорирует функцию определения проникновения во внутреннее пространство.
Прекращается подача питания в точку B9, если обогреватель кабины выключается с помощью таймера. По истечении нейтрального периода продолжительностью 50 секунд блок сигнализации снова включает
определение проникновения во внутреннее пространство.
Включение сигнализации при выключенном определении проникновения в грузовое пространство надстройки/прицепа.
Если переключатель C836 был нажат до включения системы сигнализации, то напряжение питания подается в точку подключения B2 блока сигнализации D911. Если данный сигнал активен дольше 0,5 секунды, блок сигнализации, если он включен, игнорирует систему определения проникновения в грузовое пространство.
Отключение сигнализации


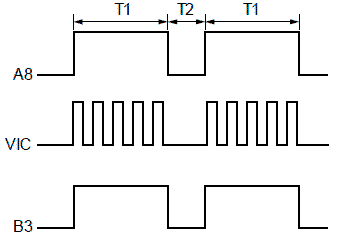
При выключенной сигнализации электронный блок системы сигнализации посылает различные сигналы VIC. Это объясняется тем, что VIC отвечает за управление аварийной сигнализацией. Из точки подключения A8 блокирующее напряжение (ситуация A) посылается в точку подключения D23 VIC в течение 3 секунд. Из точки подключения A9 в течение аналогичного периода времени блокирующее напряжение частотой 1,25 Гц (ситуация B) подается в точку подключения C36 VIC. Когда VIC получает два данных сигнала, аварийная сигнализация мигает 3 раза (ситуация C).
Система сигнализации включена


Если сигнализация отключается при включенной системе сигнализации, электронный блок системы сигнализации подает напряжение питания через точку подключения B3 в точку подключения 1 сирены. В результате срабатывает сирена. Кроме того, блок подает напряжение питания в точку подключения D23 VIC через точку подключения A8 в течение 29 секунд (T1). В результате VIC включает аварийную сигнализацию с частотой 1,5 Гц.
Через 29 секунд (T1) подача питания в точку подключения D23 VIC и точку подключения 1 сирены прекращается. В результате прекращается мигание аварийной сигнализации и звучание сирены. Процедура повторяется через 5 секунд (T2).
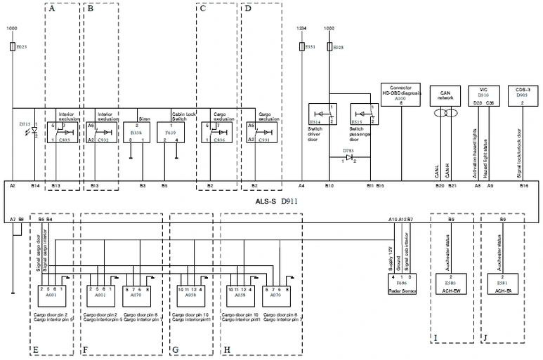
Блок-схема
CF75IV, CF85IV, XF105, ≤ 200924
Блок-схема K102516 относится к:
CF75 IV/CF85 IV, неделя спецификации не позднее 24 недели 2009 г.
XF105, неделя спецификации не позднее 24 недели 2009 г.
Объяснение блок-схемы
A: На автомобилях XF105 с кабиной XC
B: На автомобилях CF75 IV/CF85 IV или XF105 с кабиной XL/XH
C: На автомобилях XF105 с кабиной XC: присутствует определение проникновения в грузовое
пространство надстройки/прицепа.
D: На автомобилях CF75 IV/CF85 IV или XF105 с кабиной XL/XH: присутствует определение
проникновения в грузовое пространство надстройки/прицепа.
E: При наличии функции определения проникновения в грузовое пространство надстройки/прицепа. 7-
контактный разъем FT
F: При наличии функции определения проникновения в грузовое пространство надстройки/прицепа. 7-
контактный разъем FA
G: При наличии функции определения проникновения в грузовое пространство надстройки/прицепа. 15-контактный разъем FT
H: При наличии функции определения проникновения в грузовое пространство надстройки/прицепа. 15-контактный разъем FA
I: При наличии дополнительного водяного обогревателя.
J: При наличии дополнительного воздушного обогревателя.

- A001 Разъем, дополнительное оборудование прицепа, 7-контактный
- A058 Разъем, дополнительное оборудование прицепа, 15-контактный
- A070 Разъем, вспомогательный, надстройка, 8-контактный
- A100 Разъем, диагностика HD-OBD, 16-контактный
- B338 Сирена, система сигнализации
- C835 Переключатель, отключение определения проникновения во внутреннее пространство
- C836 Переключатель, отключение определения проникновения в грузовой отсек
- C931 Переключатель, отключение определения проникновения во внутреннее пространство
- C932 Переключатель, отключение определения проникновения в грузовой отсек
- D310 ECU, VIC-2
- D715 светодиодный индикатор, система сигнализации
- D783 Диод, освещение ступенек
- D905 ECU, CDS
- D911 ECU, сигнализация ALS-S
- E023 предохранитель, DIP/тахометр
- E028 Предохранитель, внутренний
- E351 Предохранитель, электрические системы
- E514 Выключатель замка двери, со стороны водителя
- E515 Выключатель замка двери, со стороны второго водителя
- E580 Таймер, доп. обогреватель
- E581 Таймер, доп. обогреватель
- F619 Датчик, замок кабины, система сигнализации
- F686 Датчик, радар, сигнализация
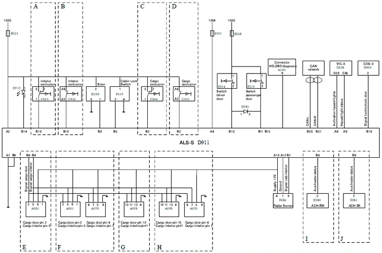
Блок-схема K102808 относится к:
CF75 IV/CF85 IV, неделя спецификации не ранее 25 недели 2009 г.
XF105, неделя спецификации не ранее 25 недели 2009 г.
Модификация CF75 IV/CF85 IV и XF105
VIC-2 (D310) заменен VIC-3 (D358)
Объяснение блок-схемы
A: На автомобилях XF105 с кабиной XC
B: На автомобилях CF75 IV/CF85 IV или XF105 с кабиной XL/XH
C: На автомобилях XF105 с кабиной XC: присутствует определение проникновения в грузовое
пространство надстройки/прицепа.
D: На автомобилях CF75 IV/CF85 IV или XF105 с кабиной XL/XH: присутствует определение
проникновения в грузовое пространство надстройки/прицепа.
E: При наличии функции определения проникновения в грузовое пространство надстройки/прицепа.
7-контактный разъем FT
F: При наличии функции определения проникновения в грузовое пространство надстройки/прицепа.
7-контактный разъем FA
G: При наличии функции определения проникновения в грузовое пространство надстройки/прицепа. 15-контактный разъем FT
H: При наличии функции определения проникновения в грузовое пространство надстройки/прицепа. 15-контактный разъем FA
I: При наличии дополнительного водяного обогревателя.
J: При наличии дополнительного воздушного обогревателя.

- A001 Разъем, дополнительное оборудование прицепа, 7-контактный
- A058 Разъем, дополнительное оборудование прицепа, 15-контактный
- A070 Разъем, вспомогательный, надстройка, 8-контактный
- A100 Разъем, диагностика HD-OBD, 16-контактный
- B338 Сирена, система сигнализации
- C835 Переключатель, отключение определения проникновения во внутреннее пространство
- C836 Переключатель, отключение определения проникновения в грузовой отсек
- C931 Переключатель, отключение определения проникновения во внутреннее пространство
- C932 Переключатель, отключение определения проникновения в грузовой отсек
- D358 ECU, VIC-3
- D715 светодиодный индикатор, система сигнализации
- D783 Диод, освещение ступенек
- D905 ECU, CDS
- D911 ECU, сигнализация ALS-S
- E023 предохранитель, DIP/тахометр
- E028 Предохранитель, внутренний
- E351 Предохранитель, электрические системы
- E514 Выключатель замка двери, со стороны водителя
- E515 Выключатель замка двери, со стороны второго водителя
- E580 Таймер, доп. обогреватель
- E581 Таймер, доп. обогреватель
- F619 Датчик, замок кабины, система сигнализации
- F686 Датчик, радар, сигнализация
Информация о расположении, ALS-S
