См. также:
Электрооборудование EuroTrakker
ОБЩИЕ ПРАВИЛА
Перед тем, как приступить к работе с электрооборудованием выполните следующие действия:
• заглушите двигатель;
• выключите зажигание;
• установите автомобиль на стояночный тормоз;
• установите коробку передач в нейтральное положение;
• зафиксируйте кабину;
• все жидкости должны быть на нормальном уровне;
• все резервуары должны иметь рабочее давление воздуха.
КОДЫ КОМПОНЕНТОВ
03000 Генератор переменного тока со встроенным выпрямителем
08000 Стартер
12015 Электродвигатель привода заслонки воздухозаборника
20000 Пусковой аккумулятор
22000 Звуковой сигнал
22035 Звуковой сигнал неисправности тормозной системы прицепа
22036 Звуковой сигнал неисправности автоматической коробки передач
25001 Реле проблескового маячка
25003 Реле противотуманных фонарей
25004 Реле мигающих фонарей
25006 Реле включения стоп-сигналов
25009 Реле включения дальнего света
25013 Реле выключения ближнего света с включением дальнего света
25030 Реле включения наружных фонарей
25034 Реле включения задних противотуманных фонарей
25106 Реле включений сигнальной лампы неисправности ABS тягача
25123 Реле включения стоп-сигналов при нажатии тормозной педали (двухконтурная EBS)
25127 Реле износа передних и задних тормозов с сигналом EBS
25200 Реле пусковое
25204 Реле, разрешающее пуск двигателя из моторного отсека при незафиксированной кабине
25209 Реле отключения ряда компонентов во время пуска
25210 Реле, разрешающее пуск двигателя при нахождении коробки передач в нейтральном положении
25211 Реле с задержкой размыкания для включения питания главного размыкателя «массы»»
25213 Реле питания пользователей, подсоединенных к зажиганию через плюс аккумулятора
25222 Реле включения предпускового подогрева
25224 Реле подавления работы стартера при работающем двигателе
25226 Реле, подающее питание на главный размыкатель «массы» изнутри кабины
25227 Реле, отключающее питание главного размыкателя «массы» при открывании дверей
25300 Реле дополнительного отопителя
25310 Реле, разрешающее включения внутреннего отопителя с реле подавления нагрузки питания
25321 Реле включения дополнительного отопителя (1-я/2-я скорости)
25322 Реле включения дополнительного отопителя (1-я скорость)
25323 Реле включения дополнительного отопителя (2-я скорость)
25324 Реле включения дополнительного отопителя при замкнутом главным размыкателе «массы»
25325 Реле рециркуляции в системе охлаждения двигателя (разомкнуто при работающем двигателе)
25326 Реле временного включения системы кондиционирования воздуха
25327 Реле включения системы кондиционирования воздуха
25332 Реле включения системы кондиционирования воздуха
25333 Реле включения отопления кабины
25335 Реле выключения насоса циркуляции воды при разомкнутом главном размыкателе «массы»
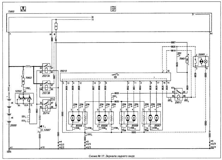
25402 Реле аварийных/поворотных фонарей
25624 Реле инвертированного сигнала для дверного выключателя со стороны водителя
25625 Реле разрешающего сигнала открытой двери водителя с контактом 15
25702 Реле включения отрицательного/положительного сигнала для механизма отбора мощности
25713 Реле управления питанием ECO
25714 Реле выключения EDC/электрического выключателя аккумулятора
25718 Реле, разрешающее сигнал ограничения топливного фильтра
25805 Реле звукового сигнала
25813 Реле зеркал заднего вида с подогревом
25824 Реле подъема 3-го моста с соответствующими пневматическими рессорами под давлением
25866 Ррле контакта 58
25874 Реле включения силовых нагрузок при работающем двигателе
25893 Реле включения полного механизма отбора мощности
25894 Реле включения силовых нагрузок при включенном зажигании
25897 Реле включения бокового механизма отбора мощности трансмиссии
25898 Реле включения заднего механизма отбора мощности трансмиссии
25900 Реле главного размыкателя «массы»
25924 Реле включения электронного блока управления двигателем EDC (главное реле)
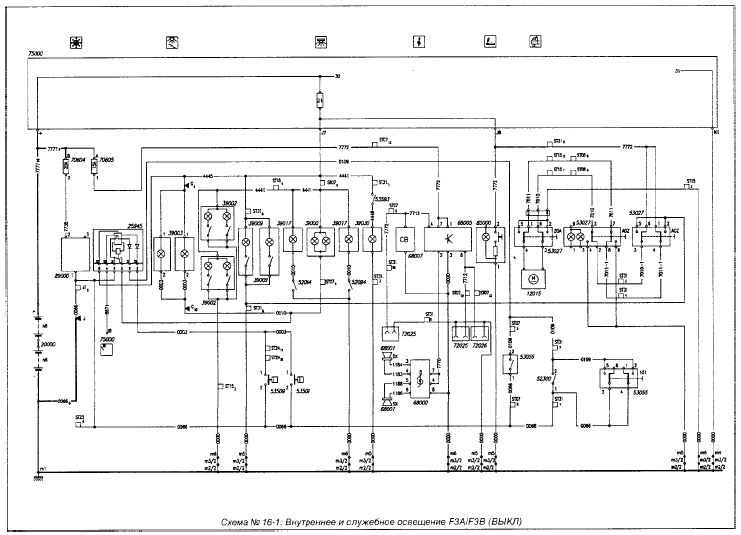
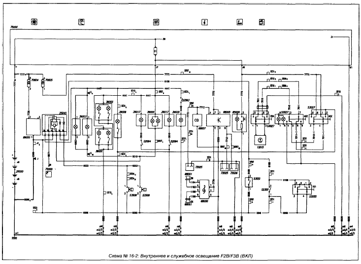
25945 Электронное реле с задержкой для освещения внутри кабины при открывании
25949 Реле с задержкой для системы задних противотуманных фонарей
30001 Фара дальнего/ближнего света со стояночным фонарем
30010 Фара ближнего света
30011 Противотуманная фара
30100 Привод регулировки фар
32002 Передний фонарь указателя поворота
32010 Проблесковый маячок
33001 Боковой фонарь указателя поворота
33004 Боковой габаритный фонарь
34000 Задний комбинированный фонарь
34011 Фонарь освещения сцепного устройства
35000 Фонарь освещения номерного знака
37001 Передний габаритный фонарь
39000 Потолочный фонарь кабины
39002 Потолочный фонарь над койкой
39003 Фонари ступенек
39009 Фонарь для чтения
39017 Поворотный фонарь в кабине
39020 Фонарь прикуривателя
39030 Лампа, освещение бокового проема кабины
40011 Электронный тахограф
40032 Датчик тахометра/тахографа
40037 Преобразователь сигнала тахографа
40046 Индуктивный датчик высоты шасси рамы заднего моста
40047 Индуктивный датчик высоты шасси рамы переднего моста
40060 Блок понижения напряжения, тахограф, автомобиль ТМР
42001 Манометр давления моторного масла со встроенной сигнальной лампой
42008 Манометр давления воздуха в передних/задних тормозах
42030 Датчик давления моторного масла
42045 Датчик наружного термометра
42102 Выключатель сигнала стояночного тормоза
42111 Выключатель проверки стоп-сигнала при включенной EDC
42200 Выключатель сигнала неисправности пневматической подвески
42253 Выключатель сигнала низкого давления воздуха в автоматической коробке передач
42351 Выключатель сигнала засорения воздушного фильтра
42374 Выключатель на приводе сцепления для EDC
42379 Выключатель, разрешающий подключение механизма отбора мощности трансмиссии
42381 Датчик давления воздуха на ведущем мосте для переключения подъема'опускания третьего моста
42382 Датчик давления воздуха на третьем мосте для переключения подъема/опускания третьего моста
42389 Датчик давления воздуха в пневматическом подъемном устройстве третьего моста
42550 Выключатель сигнала давления моторного масла
42608 Блок из 3-х выключателей сигнализации давления охлаждающей жидкости
42700 Выключатель сигнала засорения топливного фильтра
44001 Индикатор уровня топлива со встроенной сигнальной лампой
44002 Индикатор уровня моторного масла
44031 Датчик индикатора уровня топлива с контактом сигнальной лампы
44035 Индикатор уровня жидкости в бачке омывателя ветрового стекла
44036 Индикатор уровня воды в радиаторе
44037 Индикатор уровня жидкости в системе рулевого управления
44043 Датчик уровня моторного масла
47011 Термометр охлаждающей жидкости двигателя со встроенной сигнальной лампой
47030 Датчик термометра охлаждающей жидкости двигателя
47041 Датчик температуры воды для тормоза-замедлителя
47042 Датчик температуры топлива
47100 Выключатель сигнала высокой температуры охлаждающей жидкости двигателя
48001 Электронный измеритель оборотов
48035 Датчик оборотов двигателя
48042 Датчик оборотов двигателя на шестерне распредвала
48043 Датчик скорости турбокомпрессора
49005 Вольтметр
50000 Панель управления IVECO
52002 Выключатель дополнительного отопителя
52005 Выключатель со встроенной сигнальной лампой зеркал заднего вида с подогревом
52009 Выключатель со встроенной сигнальной лампой фонаря сцепного устройства
52015 Выключатель проблесковых маячков
52020 Выключатель со встроенной сигнальной лампой механизма отбора мощности
52024 Выключатель со встроенной сигнальной лампой дополнительных фар
52056 Выключатель со встроенной сигнальной лампой для отключения ASR
52057 Выключатель со встроенной сигнальной лампой для отключения ABS
52059 Избиратель передач автоматической коробки передач
52070 Включатель бокового механизма отбора мощности
52071 Включатель заднего механизма отбора мощности
52072 Избиратель передач автоматической коробки передач во время неисправности
52084 Выключатель со встроенной сигнальной лампой для включения блокировки заднего дифференциала
52092 Выключатель для прогрева двигателя или кабины
52093 Выключатель запора задней крышки
52094 Выключатель поворотного фонаря в кабине
52200 Выключатель пневматического/электрического звукового сигнала
52212 Выключатель звукового сигнала (для городского/пригородного автобуса)
52218 Выключатель управления круиз-контролем извне/изнутри кабины
52300 Выключатель внутреннего освещения
52302 Выключатель со встроенной сигнальной лампой аварийных фонарей
52304 Выключатель противотуманных фар, разрешающих включение задних противотуманных фонарей
52307 Выключатель наружного освещения
52312 Выключатель регулировки фар
52324 Переключатель режимов моторного тормоза
52502 Замок зажигания, пусковое блокировочное устройство
52522 Рычажный выключатель, разрешающий включение электрического ретардера
52601 Пневматический механический главный выключатель тока, автомобиль ТМР
53000 Выключатель проверки фонарей
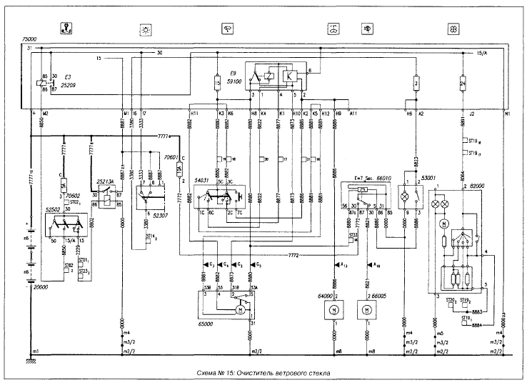
53001 Выключатель очистителей/омывателей фар
53006 Выключатель пуска двигателя из моторного отсека
53007 Выключатель остановки двигателя из моторного отсека
53027 Выключатель противосолнечного козырька
53041 Выключатель проверки системы EDC
53055 Нефиксирующийся выключатель внутреннего освещения
53300 Выключатель привода окна со стороны водителя
53302 Выключатель привода окна со стороны пассажира
53309 Выключатель привода окна со стороны пассажира
53315 Выключатель задних противотуманных фонарей
53501 Выключатель стоп-сигнала
53503 Выключатель фонарей заднего хода
53505 Выключатель сигнализации блокировки заднего дифференциала
53507 Выключатель сигнализации включения делителя
53508 Выключатель блокировки пуска двигателя при включенной передаче и включенных фонарях заднего хода
53509 Выключатель внутреннего освещения
53512 Выключатель блокировки пуска двигателя при выключенном стояночном тормозе
53517 Выключатель сигнала блокировки межколесного дифференциала
53520 Включатель тормоза на выхлопе
53521 Выключатель сигнала блокировки межосевого дифференциала
53552 Выключатель сигнализации разрешения включения механизма отбора мощности
53565 Выключатель сигнала полностью отжатой педали тормоза
53567 Выключатель сигнализации разрешения включения бокового механизма отбора мощности
53568 Выключатель сигнализации разрешения включения заднего механизма отбора мощности
53593 Выключатель фонаря отделения с инструментами
54031 5-штырьковый выключатель рулевого колеса
55100 Электронный выключатель сигнала незафиксированной кабины
58073 Сигнальная лампа неисправности тормозной системы прицепа
58114 Сигнальная лампа разомкнутого положения выключателя аккумулятора
58165 Сигнальная лампа неисправности дополнительного отопителя
58420 Сигнальная лампа наличия воды в предварительном топливном фильтре
58460 Сигнальная лампа проблескового маячка
58469 Сигнальная лампа засорения топливного фильтра
58902 Панель на 10 оптических индикаторов системы освещения
58903 Панель на 10 оптических индикаторов (Европа)
58905 Панель на 10 оптических индикаторов для дополнительного оборудования
59001 Электронный мигающий фонарь, сигнал поворота/аварийный фонарь - двойная нагрузка
59100 Прерыватель работы стеклоочистителя
61000 Блок из 3 диодов 1А (2 с общим катодом)
61001 Блок из 3 диодов ЗА, (2 с общим катодом)
61003 Блок из 4 диодов 1А, (с общим анодом)
61004 Блок из 4 диодов 1А, (2 с общим катодом)
61005 Держатель 1 диода 1А
61121 Резистор предпускового подогрева двигателя
61122 Блок из 2 резисторов для тормоза на выхлопе
61125 Блок из 4 резисторов для режимов ECONOMY-POWER и механизма отбора мощности
61126 Конечный резистор для шины CAN
64000 Электрический насос стеклоомывателя
65000 Блок стеклоочистителя
66005 Насос омывателя фар
66010 Таймер омывателя фар
68000 Радиоприемник
68001 Громкоговоритель
68005 Блок питания 24 В/12 В
68007 Радиопереговорное устройство
70601 Держатель 6 предохранителей
70602 Держатель 6 предохранителей
70603 Держатель 6 предохранителей
70604 Держатель 6 предохранителей
70605 Держатель 6 предохранителей
72000 Стандартный 7-контактный электрический разъем для соединения с прицепом
72001 Дополнительный 7-контактный электрический разъем для соединения с прицепом
72021 30- контактный электрический разъем для подключения диагностического оборудования
72025 Электрический разъем
72026 Электрический разъем
75000 Центральный соединительный блок
78009 Электромагнитный клапан закрывания контура турбины
78050 Электромагнитный клапан управления тормозом на выхлопе
78052 Электромагнитный клапан системы ABS/EBS
78053 Электромагнитный клапан управления ASR
78054 Электромагнитный клапан вкпючения тормоза-замедлителя
78055 Электромагнитный клапан гидравлического аккумулятора тормоза-замедлителя
78058 Пропорциональный клапан для управления давлением воздуха в EBS прицепа
78059 Сдвоенный клапан EBS
78203 Электромагнитный клапан звуковых сигналов
78208 Электромагнитный клапан полного отбора мощности трансмиссии
78227 Электромагнитный клапан рециркуляции воды в радиаторе
78228 Электромагнитный клапан нагревательной системы
78237 Электромагнитный клапан рециркуляции воды при выключенном двигателе
78242 Электропневматический распределитель переднего моста
78243 Электропневматический распределитель
78247 Электромагнитный клапан электронного впрыска
78248 Электромагнитный клапан управления турбиной изменяемой геометрии
78251 Электромагнитный клапан включения бокового механизма отбора мощности трансмиссии
78252 Электромагнитный клапан включения заднего механизма отбора мощности трансмиссии
80000 Мотор стеклоподъемника со стороны пассажира
82000 Блок обогревателя ветрового стекла
82010 Электронный блок управления системой кондиционирования воздуха
84000 Водонагреватель
84001 Воздухонагреватель
84005 Электронный блок управления дополнительным отопителем
84014 Вспомогательный топливный насос
84017 Электронный таймер
84019 Электромагнитный блок
85000 Прикуриватель
85003 Зеркало заднего вида с подогревом (обзора прицепа)
85004 Зеркало заднего вида с подогревом (обзор бордюра)
85005 Зеркало заднего вида с подогревом
85006 Зеркало заднего вида с подогревом и электрической регулировкой (основное)
85007 Нагреваемое зеркало заднего вида с электрическим приводом (бордюрное)
85008 Нагреваемое зеркало заднего вида с электрическим приводом (широкоугольное)
85010 Управление зеркалом заднего вида
85023 Электрическая блокировка замка
85150 Электронный блок управления двигателем (EDC)
85152 Датчик положения педали акселератора для EDC
85153 Датчик температуры охлаждающей жидкости для EDC
85154 Датчик температуры воздуха в турбонагнетателе для EDC
85155 Датчик температуры воздуха в турбонагнетателе для EDC
85158 Датчик давления воздуха в предкамере турбокомпрессора для EDC
86002 Датчик износа тормозных колодок передних колес
86003 Датчик износа тормозных колодок задних колес
86004 Электронный блок управления автоматической коробки передач
86013 Датчик воды в топливном фильтре
86015 Электронный блок управления тормозом-замедлителем
86016 Блок управления блокировкой дифференциала
86023 Блок управления подъемом/опусканием подвески
86028 Электронный блок управления бортовым компьютером
86029 Электронный блок управления центральным замком дверей
86030 Датчик солнечного света
86038 Блок управления автоматической системой смазки шасси
88000 Электронный блок управления системой ABS
88001 Датчик системы ABS
88008 Потенциометрический датчик контроля положения тормозных колодок задних колес
89000 Подогреватель пищи



































