Коды несправностей отопителей ZHE
(AT 2000, AT 3500, T90s) Mercedes Actros
(полезно тем - кто диагностирует мультимарочниками)
Мы привели пример нескольких комментариев по кодам неисправностей
AT 2000 и AT 3500
- все коды по отопителям - смотрите в
с выходом 63 обновления
0000 Блок управления неисправен.

- Блок управления ZHE дополнительное отопление
Указание:
- Выключить зажигание.
- Выключить дополнительный отопитель, дождаться завершения выбега.
- Заменить блок управления ZHE дополнительное отопление.
- Выполнить функциональную проверку.
0100 Дополнительный отопитель не запускается.

- А21: Блок управления ZHE дополнительное отопление
Возможные причины неисправности:
- Нет подвода топлива
0200 Возникло повторное затухание пламени.

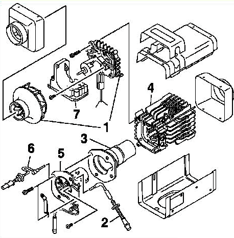
- 1: A21m1: Вентилятор горелки
- 2: А21г1: Штифт накаливания
- 3: Жаровая труба
- 4: Теплообменник
- 5: Горелка
- 6: А21b1: Датчик пламени
- 7: А21: Блок управления ZHE
Возможные причины неисправности:
- Приток воздуха для горения и выпускной трубопровод не свободны.
- Нет подвода топлива
- Если имеется, проверить топливный фильтр.
- Проверить горелку на предмет закоксовывания.
- Штифт накаливания загрязнён.
0301 Повышенное напряжение

- G2: Компактный генератор
Возможные причины неисправности :
- Проверить и, при необходимости, заменить многофункциональный регулятор.
0302 Пониженное напряжение

- А7: Базовый модуль
- А21: Блок управления ZHE дополнительное отопление
- А12а1: Блок-панель управления 'регулирование отопителя (HZR)'
- F2: Предохранитель шины CAN салона (точка звезды 1/ 2/ 3, кл. 30)
- Х145: Штекерное соединение 'Дополнительный отопитель'
Указание:
- Штекер Х6 находится в блоке управления.
Возможные причины неисправности:
- Пониженное напряжение аккумуляторной батареи.
- Проверить блок управления Базовый модуль GM на неисправность по падению напряжения.
- Неисправный предохранитель
Важное указание по проверке АКБ:
- Перед проверкой очистить полюсные выводы аккумуляторной батареи и обратить внимание на хороший контакт зажимов.
- Убедиться, что все потребители тока отключены и ключ зажигания вынут.
- Слабые батареи сначала необходимо зарядить и затем протестировать повторно.
- Только что заряженную батарею не тестировать сразу, а дать сперва стабилизироваться.
- Подробное руководство по эксплуатации для тестера АКБ Midtronics no клавише F6
0400 Преждевременное распознавание пламени

- А21: Блок управления ZHE дополнительное отопление
- А21b1: Датчик пламени
- А21b3: Датчик перегрева
- A21m1: Вентилятор горелки
- А21г1: Штифт накаливания
Указание:
- Штекеры Х2, ХЗ, Х5 и X11 находятся в блоке управления.
Возможные причины неисправности:
- Датчик пламени неисправен.
- Неисправен провод А21Ы 2/1 - Х5 2/1.
- Неисправен провод А21Ы 2/2 - Х5 2/2.
- 0701 Дозирующий насос имеет.
- 0702 Дозирующий насос имеет.
- 0800 Защита блокировки электромотора вентилятора активирована.
- 0801 Электромотор вентилятора имеет или перегрузку.
- 0802 Электромотор вентилятора имеет.
- 0901 Штифт накаливания или датчик пламени имеет.
- 0902 Штифт накаливания или датчик пламени имеет.
- 0А00 Перегрев дополнительного отопителя.
- 0D00 Реле вентилятора а/м имеет.
- 0Е00 Блок управления неисправен.
- 0F00 Обмен данными по шине CAN салона нарушен.
- 1132 Блок управления неисправен.
- 1232 Срыв пламени в режиме 2.
- 1332 Блокировка отопителя.
- 1432 Постоянная блокировка отопителя.
- 1533 Сигнал шины CAN 'Действительное значение температуры наружного воздуха' от блока управления Базовый модуль GM недоступен.
- 1534 Сигнал шины CAN 'Состояние клеммы D+' недоступен.
- 1535 Сигнал шины CAN 'Заданное значение внутрисалонной температуры' от блока управления Базовый модуль GM недоступен.
- 1536 Сигнал шины CAN 'Включить' от блока управления INS комбинация приборов недоступен.
- 1537 Сигнал шины CAN 'Действительное значение температуры охлаждающей жидкости' недоступен.
- 1538 Сигнал шины CAN 'Действительное значение внутрисалонной температуры' недоступен.
- 1539 Сигнал шины CAN 'Заданное значение внутрисалонной температуры' недоступен.
- 1632 Блок управления неисправен.
- 1732 Блок управления неисправен.
- 1832 Блок управления неисправен.
- 2132 Блок управления неисправен.
- 1А01 Датчик температуры имеет.
- 1A02 Датчик температуры имеет.
- 1B32 Вентилятор горелки вращается с трудом.
- 1D04 Датчик перегрева установлен неправильно.
- 1D05 Приток воздуха для горения и выпускной трубопровод не свободны.
- 1E02 Потенциометр заданного значения имеет.
- 1F01 Датчик перегрева имеет.
- 2002 Датчик перегрева имеет.
T90s
- 0000 Блок управления неисправен.
- 0100 Дополнительный отопитель не запускается.
- 0200 Возникло повторное затухание пламени.
- 0301 Повышенное напряжение.
- 0302 Пониженное напряжение.
- 0400 Преждевременное распознавание пламени.
- 0701 Дозирующий насос имеет.
- 0702 Дозирующий насос имеет.
- 0800 Защита блокировки электромотора вентилятора активирована.
- 0801 Электромотор вентилятора имеет перегрузку.
- 0802 Электромотор вентилятора имеет.
- 0901 Штифт накаливания или датчик пламени имеет.
- 0902 Штифт накаливания или датчик пламени имеет.
- 0А00 Перегрев дополнительного отопителя.
- 0Е00 Блок управления неисправен.
- 0F00 Обмен данными по шине CAN салона нарушен.
- 1132 Блок управления неисправен.
- 1232 Срыв пламени в режиме 2.
- 1332 Блокировка отопителя.
- 1432 Постоянная блокировка отопителя.
- 1533 Сигнал шины CAN 'Действительное значение температуры наружного воздуха' от блока управления Базовый модуль GM недоступен.
- 1534 Сигнал шины CAN 'Состояние клеммы D+' недоступен.
- 1535 Сигнал шины CAN 'Заданное значение внутрисалонной температуры' от блока управления Базовый модуль GM недоступен.
- 1536 Сигнал шины CAN 'Включить' от блока управления INS комбинация приборов недоступен.
- 1537 Сигнал шины CAN 'Действительное значение температуры охлаждающей жидкости' недоступен.
- 1538 Сигнал шины CAN 'Действительное значение внутрисалонной температуры' недоступен.
- 1539 Сигнал шины CAN 'Заданное значение внутрисалонной температуры' недоступен.
- 1632 Блок управления неисправен.
- 1732 Блок управления неисправен.
- 1832 Блок управления неисправен.
- 1901 Датчик температуры имеет.
- 1902 Датчик температуры имеет.
- 2132 Блок управления неисправен.