См. также:
Электросхемы тягачей John Deere 250D and 300D
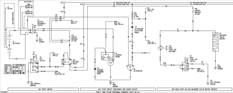
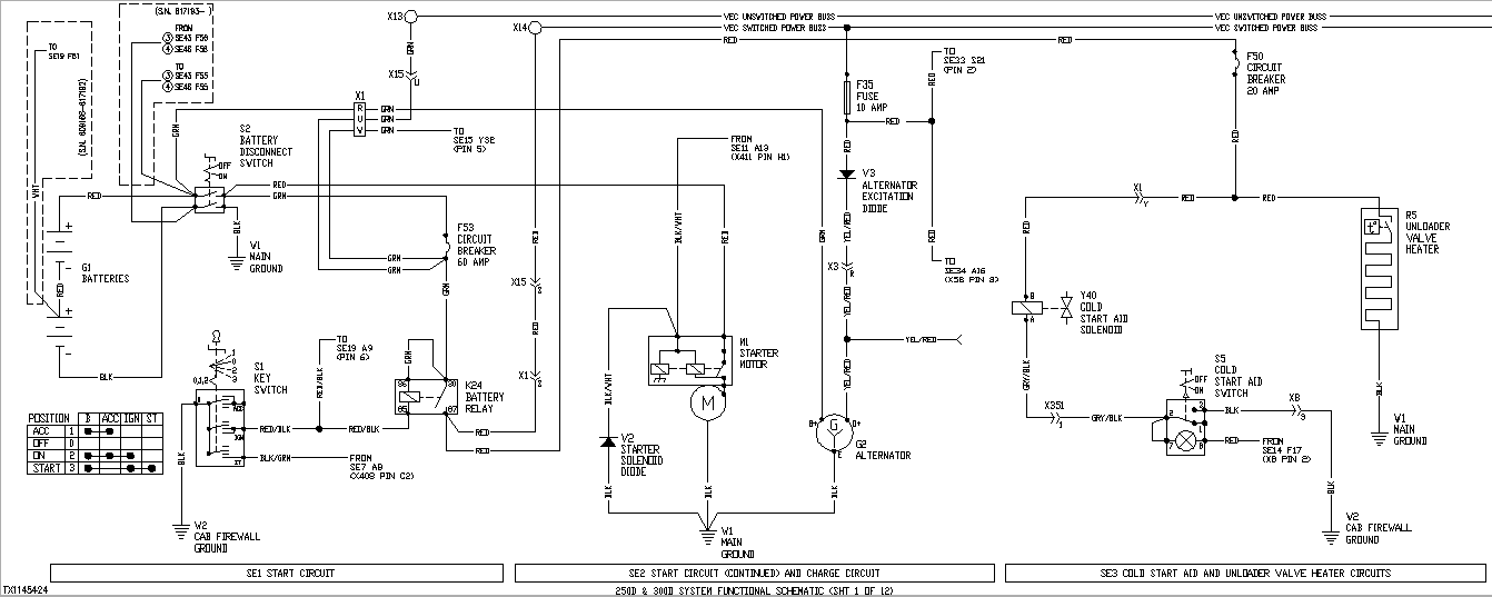
- SE1—Start Circuit
- SE2—Start Circuit and Charge Circuit
- SE3—Cold Start Aid and Unloader Valve Heater Circuits
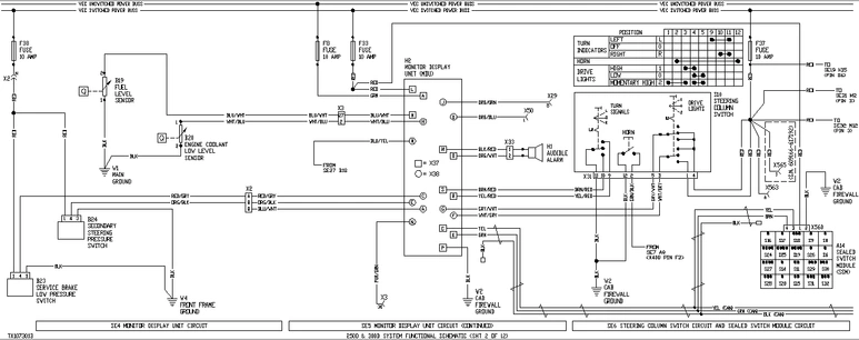
- SE4—Monitor Display Unit Circuit
- SE5—Monitor Display Unit Circuit
- SE6—Steering Column Switch Circuit and Sealed Switch Module Circuit
- SE7—Chassis Control Unit Circuit
- SE8—Chassis Control Unit Circuit
- SE9—Chassis Control Unit Circuit
- SE10—Output Expansion Unit Circuit
- SE11—Output Expansion Unit Circuit
- SE12—Output Expansion Unit Circuit
- SE13—Engine Control Unit Circuit
- SE14—Engine Control Unit Circuit
- SE15—Engine Control Unit Circuit
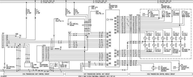
- SE16—Transmission Shift Control Circuit
- SE17—Transmission Control Unit Circuit
- SE18—Transmission Control Module Circuit
- SE19—Battery Balancer Circuit
- SE20—Radio Circuit
- SE21—Switched Power Fuses (not used)
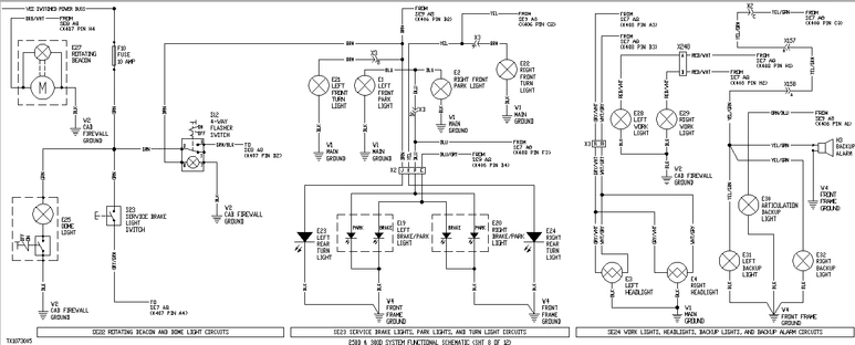
- SE22—Rotating Beacon and Dome Light Circuits
- SE23—Service Brake Lights, Park Lights, and Turn Light Circuits
- SE24—Work Lights, Headlights, Backup Lights, and Backup Alarm Circuits
- SE25—Air System Drain Circuit and Horn Circuits
- SE26—Inter-Axle Lock Circuit
- SE27—Park Brake Circuit
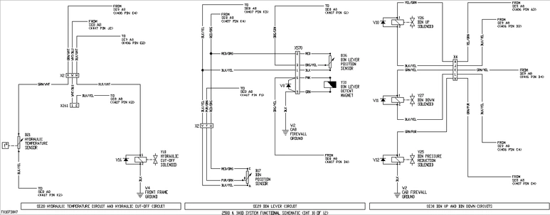
- SE28—Hydraulic Temperature Circuit and Hydraulic Cut-Off Circuit
- SE29—Bin Lever Circuit
- SE30—Bin Up and Bin Down Circuits
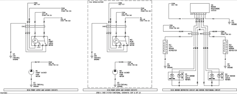
- SE31— Front Wiper and Washer Circuits
- SE32—Rear Wiper and Washer Circuits
- SE33—Mirror Defroster Circuit and Mirror Positioning Circuit
- SE34—Heating and Air Conditioning Circuit
- SE35—Heating and Air Conditioning Circuit
- SE36—Heating and Air Conditioning Circuit
- SE43 — JDLink ™ Power Circuit
- SE44 — GlobalTRACS ® Terminal (GTT) Circuit
- SE45 —Machine Information Gateway (MIG) Circuit
- SE46 —JDLink™ (MTG/SAT) Power Circuit
SE1—SE3
- 3 - JDLink™ Option (MIG/GTT)
- 4 - JDLink™ Option (MTG/SAT)
- F35 - Alternator Excitation, Mirror, and A/C 10-Amp Fuse
- F50 - Cold Start Aid and Unloader Valve Heater 20-Amp Circuit Breaker
- F53 - Main 60-Amp Circuit Breaker
- G1 - Batteries
- G2 - Alternator
- K24 - Battery Relay
- M1 - Starter Motor
- R5 - Unloader Valve Heater
- S1 - Key Switch
- S2 - Battery Disconnect Switch
- S5 - Cold Start Aid Switch
- V2 - Starter Solenoid Diode (3-Amp)
- V3 - Alternator Excitation Diode (3-Amp)
- W1 - Main Ground
- W2 - Cab Firewall Ground
- X1 - Main Power Harness-to-Cab Main Harness 9-Pin Connector
- X3 - Front Frame/Engine Harness-to-Cab Main Harness 31-Pin Connector
- X13 - Unswitched Power Terminal (marked as Stud 1)
- X14 - Switched Power Terminal (marked as Stud 2)
- X15 - Front Frame/Engine Harness-to-Cab Main Harness 9-Pin Connector
- X351 - Front Frame/Engine Harness-to-ECU Interface Harness 33-Pin Connector
- Y40 - Cold Start Aid Solenoid
SE4—SE6
- A14 - Sealed Switch Module (SSM)
- B19 - Fuel Level Sensor
- B20 - Engine Coolant Low Level Sensor
- B23 - Service Brake Low Pressure Switch
- B24 - Secondary Steering Pressure Switch
- F8 - MDU 10-Amp Fuse
- F33 - MDU Ignition Status 10-Amp Fuse
- F37 - 12V Supply Relay, Front Wiper Park Signal, Headlight Switch, Rear Wiper Motor Park Signal 10-Amp Fuse
- F38 - Service Brake Pressure Switch and Secondary Steering 10-Amp Fuse
- H1 - Audible Alarm
- H2 - Monitor Display Unit (MDU)
- S6 - Range Hold Switch
- S8 - Inter-Axle Lock Switch
- S9 - Not Used
- S10 - Steering Column Switch (horn, drive lights, turn signals)
- S11 - Headlight Switch
- S14 - 4-Way Flasher Switch
- S15 - Work Light Switch
- S16 - Air Conditioning On/Off Switch
- S17 - Air Recirculation Switch
- S18 - Blower Motor Speed Control Switch
- S19 - Air Flow Control Switch
- S20 - Not Used
- S24 - Temperature Control Decrease Switch
- S25 - Temperature Control Increase Switch
- S26 - Not Used
- S27 - Bin Maximum Position Switch
- S28 - Bin Production Switch
- S29 - Retarder Decrease Switch
- S30 - Retarder Increase Switch
- S31 - Rear Wiper Switch
- S32 - Front Wiper Switch
- W1 - Main Ground
- W2 - Cab Firewall Ground
- W4 - Front Frame Ground (under cab)
- X2 - Hydraulic Harness-to-Cab Main Harness 23-Pin Connector
- X3 - Front Frame/Engine Harness-to-Cab Main Harness 31-Pin Connector
- X29 - 8-Pin Connector (not used)
- X31 - Steering Column Switch (S10) 12-Pin Connector
- X33 - Audible Alarm (H1) 2-Pin Connector
- X37 - Monitor Display Unit (H2) 16-Pin Connector
- X38 - Monitor Display Unit (H2) 14-Pin Connector
- X50 - 3-Pin Connector (not used)
- X560 - Sealed Switch Module (SSM) (A14) 4-Pin Connector
- X563 - 3-Pin Connector (not used)
- X565 - 4-Pin Connector (not used)
SE7—SE9
- 3 - JDLink™ Option (MIG/GTT)
- 4 - JDLink™ Option (MTG/SAT)
- A8 - Chassis Control Unit (CCU)
- B15 - System Air Pressure Sensor
- F4 - Left Turn Light and Right Turn Light 20-Amp Fuse (marked as CCU2)
- F25 - Bin Pressure Reduction Solenoid, Inter-Axle Lock Solenoid, Front Wiper Low Speed, and Rear Wiper Low Speed
- 20-Amp Fuse (marked as CCU2 Output Driver Supply 3)
- F26 - Park Lights and Work Lights 30-Amp Fuse (marked as CCU2 Output Driver Supply 6)
- F27 - Rear Wiper High Speed, Air System Drain Solenoid, Bin Lever Detent Magnet, and Backup Lights 20-Amp Fuse
- (marked as CCU2 Output Driver Supply 4)
- F28 - Horn, Headlights (low and high beam), and Flashing Beacon Light 20-Amp Fuse (marked as CCU2 Output Driver
- Supply 5)
- F29 - CCU Ignition Status 10-Amp Fuse
- F30 - Park Brake Solenoid, Overspeed Control, Front Washer Pump, Front Wiper High Speed, and Artic Reverse Light
- 25-Amp Fuse (marked as CCU2 Output Driver Supply 2)
- F31 - Bin Control, Hydraulic Cut-Off Solenoid, A/C Clutch Solenoid, Mirror Heating, and Recirculation Vent Actuator 15-
- Amp Fuse (marked as CCU2 Output Driver Supply 1)
- F36 - Hardware Detection, Park Brake Switch, Park Brake Pressure Switch, and JDLink™ (S.N. 617193— ) Switched
- Power 10-Amp Fuse
- K6 - Not Used (marked as R4)
- W2 - Cab Firewall Ground
- W31 - System Air Pressure Sensor Ground
- X2 - Hydraulic Harness-to-Cab Main Harness 23-Pin Connector
- X3 - Front Frame/Engine Harness-to-Cab Main Harness 31-Pin Connector
- X4 - Hydraulic Harness-to-Cab Main Harness 21-Pin Connector
- X9 - 18-Pin Connector (not used)
- X29 - 8-Pin Connector (not used)
- X44 - 3-Pin Connector (not used)
- X254 - 3-Pin Connector (not used)
- X265 - 12-Pin Connector (not used)
- X406 - CCU (J3) (A8) 32-Pin Connector
- X407 - CCU (J2) (A8) 48-Pin Connector
- X408 - CCU (J1) (A8) 32-Pin Connector
- X564 - 6-Pin Connector (not used)
SE10—SE12

- A13 - Output Expansion Unit (OEU)
- F3 - OEU 20-Amp Fuse
- F18 - Range Hold and Blower Speed Low 20-Amp Fuse (marked as OEU Output Driver Supply 3)
- F19 - Starter Solenoid 30-Amp Fuse (marked as OEU Output Driver Supply 6)
- F20 - Automatic Neutral Relay, Engine Overheat/Preselect 2nd, and Blower Speed Medium 20-Amp Fuse (marked as OEU Output Driver Supply 4)
- F21 - Blower Speed High 20-Amp Fuse (marked as OEU Output Driver Supply 5)
- F22 - OEU Ignition Status 10-Amp Fuse
- F23 - Fan Low Solenoid and Fan Medium Solenoid 25-Amp Fuse (marked as OEU Output Driver Supply 2)
- F24 - Heater Valve, Floor Vent Actuator, and Middle Vent/Defrost Actuator 15-Amp Fuse (marked as OEU Output
- Driver Supply 1)
- K8 - Not Used (marked as R2)
- K26 - Not Used (marked as R3)
- R3 - 120-Ohm CAN Termination Node
- W2 - Cab Firewall Ground
- X3 - Front Frame/Engine Harness-to-Cab Main Harness 31-Pin Connector
- X4 - Hydraulic Harness-to-Cab Main Harness 21-Pin Connector
- X7 - Transmission Control Harness-to-Cab Main Harness 12-Pin Connector
- X249 - 4-Pin Connector (not used)
- X253 - 3-Pin Connector (not used)
- X409 - OEU (J3) (A13) 32-Pin Connector
- X410 - OEU (J2) (A13) 48-Pin Connector
- X411 - OEU (J1) (A13) 32-Pin Connector
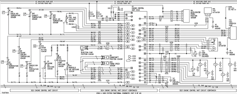
SE13—SE15

- A3 - Engine Control Unit (ECU)
- B2 - Engine Coolant Temperature Sensor
- B3 - Fuel Temperature Sensor
- B5 - Engine Oil Pressure Sensor
- B9 - Crankshaft Position Sensor
- B10 - Accelerator Pedal Position Sensor
- B34 - Injection Pump Position Sensor
- B35 - EGR Mixed Air Temperature Sensor
- B40 - Fuel Transfer Pump Pressure Sensor
- B41 - Fresh Air Temperature Sensor
- B42 - Exhaust Temperature Sensor
- B43 - Turbo Speed Sensor
- B44 - Water In Fuel (WIF) Sensor
- B45 - Manifold Air Pressure (MAP) Sensor
- B47 - Compressor Inlet Air Temperature Sensor
- B48 - Fuel Rail Pressure Sensor
- F2 - ECU Unswitched Power 20-Amp Fuse
- F17 - ECU Switched Power 10-Amp Fuse
- M14 - Exhaust Gas Recirculation (EGR) Actuator
- M15 - Variable Geometry Turbocharger (VGT) Actuator
- W1 - Main Ground
- W2 - Cab Firewall Ground
- Y32 - Fuel Transfer Pump
- Y33 - Pump Control Solenoid
- Y34 - Injector Solenoid (Cyl #1)
- Y35 - Injector Solenoid (Cyl #2)
- Y36 - Injector Solenoid (Cyl #3)
- Y37 - Injector Solenoid (Cyl #4)
- Y38 - Injector Solenoid (Cyl #5)
- Y39 - Injector Solenoid (Cyl #6)
- X8 - ECU Interface Harness-to-Cab Harness 21-Pin Connector
- X10 - ECU Interface Harness-to-Cab Harness 15-Pin Connector
- X308 - Electronic Fuel Injectors Harness 10-Pin Connector
- X350 - Front Frame/Engine Harness-to-ECU Interface Harness 23-Pin Connector
- X351 - Front Frame/Engine Harness-to-ECU Interface Harness 33-Pin Connector
- X352 - Engine Control Unit (ECU) 32-Pin Blue Connector
- X353 - Engine Control Unit (ECU) 48-Pin Connector
- X354 - Engine Control Unit (ECU) 32-Pin Brown Connector
SE16—SE18

- 3 - JDLink™ Option (MIG/GTT)
- 4 - JDLink™ Option (MTG/SAT)
- A4 - Transmission Shift Control
- A5 - Transmission Control Unit (TCU)
- A6 - Transmission Control Module
- B11 - Retarder Temperature Sensor
- B12 - Transmission Sump Temperature Sensor
- B13 - Turbine Speed Sensor
- B14 - Output Speed Sensor
- F1 - TCU Unswitched Power 10-Amp Fuse
- F7 - Diagnostic Connector Unswitched Power 10-Amp Fuse
- F15 - TCU Switched Power 10-Amp Fuse
- F32 - Diagnostic Connector Switched Power 10-Amp Fuse
- R4 - 120-Ohm CAN Termination Node
- R8 - Retarder Resistor
- W2 - Cab Firewall Ground
- X2 - Hydraulic Harness-to-Cab Main Harness 23-Pin Connector
- X7 - Transmission Control Harness-to-Cab Main Harness 12-Pin Connector
- X11 - 12-Pin Connector (not used)
- X62 - Diagnostic 9-Pin Connector
- X200 - 12-Pin Connector (not used)
- X219 - Transmission Control Unit CAN Connector
- X233 - Transmission Control Module (A6) Connector
- X234 - Transmission Control Harness-to-Transmission Harness Connector
- X236 - Transmission Shift Control (A4) Connector
- X237 - Transmission Diagnostic Connector
- X238 - Transmission Control Unit (A5) Connector
- Y1 - Clutch G Solenoid
- Y2 - Clutch F Solenoid
- Y3 - Clutch E Solenoid
- Y4 - Clutch D Solenoid
- Y5 - Clutch C Solenoid
- Y6 - Clutch B Solenoid
- Y7 - Clutch A Solenoid
- Y8 - Clutch WK Solenoid
- Y9 - Throttle Pressure D1 Solenoid
- Y10 - Retarder On Solenoid
- Y11 - Retarder Proportional Solenoid
SE19—SE21

- A9 - Battery Balancer (S.N. 609166
- A10 - AM/FM Radio
- B29 - Left Speaker
- B30 - Right Speaker
- F6 - Battery Balancer 10-Amp Fuse (S.N. 609166—617192)
- F9 - 10-Amp Fuse (not used)
- F11 - Spare 10-Amp Fuse (marked as SPARE 1) (S.N. 609166—617192)
- F12 - Spare 10-Amp Fuse (marked as SPARE 2)
- F13 - Spare 10-Amp Fuse (marked as SPARE 3)
- F14 - Spare 10-Amp Fuse (marked as SPARE 4)
- F34 - Not Used
- F39 - Not Used
- F40 - Electrical Seat 10-Amp Fuse
- F41 - Not Used
- F43 - 12V Radio (switched) 10-Amp Fuse
- F44 - Not Used
- F45 - 12V Power Socket and 12V Cigarette Lighter 10-Amp Fuse
- F46 - CCU 12V Input 10-Amp Fuse
- F47 - 12V Radio (unswitched) 10-Amp Fuse
- F49 - Spare 15-Amp Fuse
- F51 - Battery Balancer 20-Amp Circuit Breaker
- K15 - 12V Supply Relay (marked as R1) (S.N. 609166—617192)
- R9 - Lighter
- R17 - Seat Cushion Heater
- R18 - Back Cushion Heater
- S40 - Seat Heater Switch
- U1 - Voltage Converter
- W2 - Cab Firewall Ground
- X2 - Hydraulic Harness-to-Cab Main Harness 23-Pin Connector
- X4 - Hydraulic Harness-to-Cab Main Harness 21-Pin Connector
- X42 - Inter-Axle Lock Solenoid (Y16) 3-Pin Connector
- X63 - 12-Volt Accessory Power Socket
- X64 - Battery Balancer (A9) 6-Pin Connector
- X65 - 24 Volt Converter (U1) 4-Pin Connector
- X66 - Converter 6-Pin Connector
- X69 - 2-Way Radio 2-Pin Connector
- X74 - AM/FM Radio (A10) 3-Pin Connector
- X274 - TCU Programming Socket (marked as ZF EOL)
- X556 - AM/FM Radio (A10) 16-Pin Connector
- X561 - Cab Harness-to-Seat Heater Harness 2-Pin Connector
- X564 - 6-Pin Connector (not used)
- X590 - Seat Heater 2-Pin Connector
SE22—SE24

- E1 - Left Front Park Light
- E2 - Right Front Park Light
- E3 - Left Headlight
- E4 - Right Headlight
- E19 - Left Brake/Park Light
- E20 - Right Brake/Park Light
- E21 - Left Front Turn Light
- E22 - Right Front Turn Light
- E23 - Left Rear Turn Light
- E24 - Right Rear Turn Light
- E25 - Dome Light
- E27 - Rotating Beacon
- E28 - Left Work Light
- E29 - Right Work Light
- E30 - Articulation Backup Light
- E31 - Left Backup Light
- E32 - Right Backup Light
- F10 - Dome Light, Service Brake Light Switch, and 4-Way Flasher Switch 10-Amp Fuse
- H3 - Backup Alarm
- S12 - 4-Way Flasher Switch
- S23 - Service Brake Light Switch
- W1 - Main Ground
- W2 - Cab Firewall Ground
- W4 - Front Frame Ground (under cab)
- X2 - Hydraulic Harness-to-Cab Main Harness 23-Pin Connector
- X3 - Front Frame/Engine Harness-to-Cab Main Harness 31-Pin Connector
- X157 - Hydraulic Harness-to-Artic Harness 21-Pin Connector
- X158 - Artic Harness-to-Rear Frame Harness 21-Pin Connector
- X248 - Work Light Harness-to-Cab Main Harness 3-Pin Connector
SE25—SE27

- B18 - Park Brake Pressure Switch
- B25 - Inter-Axle Lock Pressure Switch
- H4 - Electric Horn
- S7 - Park Brake Switch
- V9 - Air System Drain Solenoid Diode
- V18 - Park Brake Solenoid Diode
- V19 - Inter-Axle Lock Solenoid Diode
- W2 - Cab Firewall Ground
- W4 - Front Frame Ground (under cab)
- X3 - Front Frame/Engine Harness-to-Cab Main Harness 31-Pin Connector
- Y15 - Park Brake Solenoid
- Y16 - Inter-Axle Lock Solenoid
- Y17 - Air System Drain Solenoid
- Y19 - Air Horn Solenoid
SE28—SE30

- B17 - Bin Position Sensor
- B21 - Hydraulic Temperature Sensor
- B36 - Bin Lever Position Sensor
- V8 - Bin Down Detent Magnet Clamping Diode
- V10 - Bin Up Solenoid Diode
- V11 - Bin Down Solenoid Diode
- V12 - Bin Pressure Reduction Solenoid Diode
- V16 - Hydraulic Cut-Off Solenoid Diode
- W2 - Cab Firewall Ground
- W4 - Front Frame Ground (under cab)
- X2 - Hydraulic Harness-to-Cab Main Harness 23-Pin Connector
- X4 - Hydraulic Harness-to-Cab Main Harness 21-Pin Connector
- X261 - 2-Pin Connector (not used)
- X570 - Bin Lever (B36) 6-Pin Connector
- Y18 - Hydraulic Cut-Off Solenoid
- Y25 - Bin Pressure Reduction Solenoid
- Y26 - Bin Up Solenoid
- Y27 - Bin Down Solenoid
- Y31 - Bin Lever Detent Magnet
SE31—SE33

- M2 - Front Wiper Motor
- M3 - Front Washer Pump Motor
- M9 - Left Mirror Servo Motors
- M10 - Right Mirror Servo Motors
- M12 - Rear Wiper Motor (S.N. 609166—617192)
- M13 - Rear Washer Pump Motor (S.N. 609166—617192)
- R12 - Left Mirror Defroster
- R13 - Right Mirror Defroster
- S21 - Mirror Positioning Switch
- W2 - Cab Firewall Ground
- X34 - Front Wiper Motor (M2) 6-Pin Connector
- X39 - Mirror Positioning Switch (S21) 8-Pin Connector
- X67 - Left Mirror (M9) 6-Pin Connector
- X68 - Right Mirror (M10) 6-Pin Connector
- X405 - Rear Wiper Motor (M12) 6-Pin Connector
SE34—SE36

- 1 - Blower Motor Resistor/Thermofuse Original Configuration
- 2 - Blower Motor Resistor/Thermofuse Configuration (if equipped)
- A16 - Air Conditioning Actuator Control Unit
- B31 - Air Conditioning High/Low Pressure Switch
- B32 - Air Conditioning Freeze Control Switch
- B37 - Air Conditioning Evaporator Temperature Sensor
- B38 - Air Conditioning Evaporator Inlet Sensor
- M4 - Blower Motor
- M5 - Heater Control Valve Actuator
- M6 - Recirculation Vent Actuator
- M7 - Defrost and Middle Vent Actuator
- M8 - Floor Vent Actuator
- R10 - Blower Motor Resistor/Thermofuse (if equipped)
- R11 - Blower Motor Resistor/Thermofuse
- W1 - Main Ground
- W21 - Air Conditioning Ground
- X3 - Front Frame/Engine Harness-to-Cab Main Harness 31-Pin Connector
- X58 - Cab Main Harness-to-A/C Actuator Harness 12-Pin Connector
- X284 - Air Conditioning Actuator Control Unit (A16) 8-Pin Connector
- X285 - Air Conditioning Actuator Control Unit (A16) 6-Pin Connector
- Y20 - Air Conditioning Compressor Clutch
Все коды диагностики неисправностей
А00
- 009001.05 Blower Speed 3 Open Circuit
CCU
- 000046.03 Pneumatic Pressure Sensor Voltage High
- 008000.05 Headlight Dip Open Circuit
- 008000.06 Headlight Dip Short Circuit
- 008000.18 Headlight Dip Less Than Normal Current
- 008001.05 Headlight Bright Open Circuit
- 008001.06 Headlight Bright Short Circuit
- 008001.18 Headlight Bright Less Than Normal Current
- 008002.00 System Air Pressure Voltage Too High
- 008002.01 System Air Pressure Voltage Too Low
- 008003.00 Start Signal Voltage Too High
- 008004.05 Reverse Open Circuit
- 008004.06 Reverse Short Circuit
- 008004.18 Reverse Less Than Normal Current
- 008005.00 Rear Two Speed Switch Voltage Too High
- 008006.00 Middle Two Speed Switch
- 008007.05 Rear Wiper LO Speed Open Circuit
- 008007.06 Rear Wiper LO Speed Short Circuit
- 008007.18 Rear Wiper Lo Speed Less Than Normal Current
- 008008.00 Scraper Dash Switch Voltage Too High
- 008009.01 Pressure Two Speed Switch Voltage Too High
- 008010.05 Front Wiper LO Speed Open Circuit
- 008010.06 Front Wiper LO Speed Short Circuit
- 008010.18 Front Wiper Lo Speed Less Than Normal Current
- 008011.00 Battery Voltage Too High
- 008011.01 Battery Voltage Too Low
- 008012.00 Horn Switch Voltage Too High
- 008013.05 Park Lights Open Circuit
- 008013.06 Park Lights Short Circuit
- 008013.18 Park Lights Less Than Normal Current
- 008014.01 Ignition Supply via Fuse 25 Voltage Too Low
- 008015.05 Work Lights Open Circuit
- 008015.06 Work Lights Short Circuit
- 008015.18 Work Light Less Than Normal Current
- 008016.01 Ignition Supply via Fuse 26 Voltage Too Low
- 008017.01 Brake Light Switch Voltage Too Low
- 008018.03 IDL Solenoid or Bin Pressure Reduction Solenoid Voltage Too High
- 008018.05 IDL Solenoid or Bin Pressure Reduction Solenoid Open Circuit or Short Circuit
- 008019.00 Bonnet Fan Temp Switch Voltage Too High
- 008021.00 Left Height Position Sensor Voltage Too High
- 008021.01 Left Height Position Sensor Voltage Too Low
- 008022.01 Hazard Dash Switch Voltage Too Low
- 008023.00 Right Height Position Sensor Voltage Too High
- 008023.01 Right Height Position Sensor Voltage Low
- 008024.03 Bin Lever Latch or Pneumatic Blow Off Solenoid Voltage Too High
- 008024.05 Bin Lever Latch or Pneumatic Blow Off Solenoid Voltage Too Low
- 008025.00 Artic Angle Position Sensor Voltage Too High
- 008025.01 Artic Angle Position Sensor Voltage Too Low
- 008026.00 Bin Position Sensor Voltage Too High
- 008026.01 Bin Position Sensor Voltage Too Low
- 008027.03 Rear Wiper High Speed Voltage Too High
- 008027.05 Rear Wiper High Speed Open Circuit or Short Circuit
- 008028.00 Bin Lever Position Sensor Voltage Too High
- 008028.01 Bin Lever Position Sensor Voltage Too Low
- 008030.01 Park Brake Dash Switch Voltage Too Low
- 008031.00 Front Two Speed Switch Voltage Too High
- 008032.03 Flashing Beacon Light or Horn Voltage Too High
- 008032.05 Flashing Beacon Light or Horn Open Circuit or Short Circuit
- 008033.00 Aircon Evaporator Temperature Voltage Too High
- 008033.01 Aircon Evaporator Temperature Voltage Too Low
- 008034.00 Wet Disk Brake Temperature Voltage Too High
- 008034.01 Wet Disk Brake Temperature Voltage Too Low
- 008035.00 Cab Temperature Voltage Too High
- 008035.01 Cab Temperature Voltage Too Low
- 008036.00 5-Volt Supply to Bin and Articulation Position Sensors Too High
- 008036.01 5-Volt Supply to Bin and Articulation Position Sensors Too High
- 008037.00 5-Volt Supply to Bin Sensors Too High
- 008037.01 5-Volt Supply to Bin Sensors Too Low
- 008038.01 Ignition Power via Fuse 27 Voltage Too Low
- 008039.01 Ignition Power via Fuse 28 Voltage Too Low
- 008040.00 Alternator Voltage via Fuse 29 Too High
- 008040.01 Alternator Voltage via Fuse 29 Too Low
- 008041.03 Artic Reverse Light or Rear Washer Pump Voltage Too High
- 008041.05 Artic Reverse Light or Rear Washer Pump Open Circuit or Short Circuit
- 008042.03 Recirculation Flap or Aircon Clutch Solenoid Voltage Too High
- 008042.05 Recirculation Flap or Aircon Clutch Solenoid Open Circuit or Short Circuit
- 008043.05 Bin Up Solenoid Open Circuit
- 008043.06 Bin Up Solenoid Short Circuit
- 008044.03 Engine Running or Brake Light Output Voltage Too High
- 008044.05 Engine Running or Brake Light Open Circuit or Short Circuit
- 008045.03 Left Indicator Light or Right Indicator Light Voltage Too High
- 008045.05 Left Indicator Light or Right Indicator Light Open Circuit or Short Circuit
- 008046.03 Front Wiper Hi Speed or Front Washer Pump Voltage Too High
- 008046.05 Front Wiper Hi Speed or Front Washer Pump Open Circuit or Short Circuit
- 008047.03 Mirror Heating or Hydraulic Cut Solenoid Voltage Too High
- 008047.05 Mirror Heating or Hydraulic Cut Solenoid Open Circuit
- 008048.03 Bin Down Solenoid Open Circuit
- 008048.05 Bin Down Solenoid Short Circuit
- 008049.03 Park Brake Solenoid Voltage Too High
- 008049.05 Park Brake Solenoid Open Circuit or Short Circuit
- 008050.00 Hydraulic Temperature Sensor Voltage Too High
- 008050.01 Hydraulic Temperature Sensor Voltage Too Low
- 008051.01 Ignition Power Voltage via Fuse 30 Too Low
- 008052.01 Ignition Power Voltage via Fuse 31 Too Low
- 008100.31 Boost Pressure Protection is Activated
- 008101.31 Free Wheeling Event Detected
- 008102.31 Engine is Idling for More than 20 Minutes
- 008103.31 Engine RPM Exceeded Allowable Limit
- 008104.31 Output Shaft Speed Exceeded Allowable Limit
- 008106.31 Harsh Braking Detected
- 008107.31 Engine Coolant Temperature Too High
- 008108.31 Engine Oil Pressure Too Low
- 008109.31 Transmission Sump Temperature Too High
- 008110.31 TCU Calibration Mismatch
- 008111.31 Park Brake Burnout Event Detected
- 008113.31 Hydraulic Temperature Too High
- 008114.31 Wet Disk Brake Temperature Too High
- 008116.31 Tire Speed Limitation Exceeded
- 008119.31 Unexpected Bin (Dump Body) Direction
- 009021.05 Left Strut Up/Down Solenoid Open Circuit
- 009024.03 Right Strut Up/Down Solenoid Voltage High
- 009024.05 Right Strut Up/Down Solenoid Current Low
ECU (Level 14 9.0L)
- 000028.03 Digital Throttle Signal Out of Range High
- 000028.04 Digital Throttle Signal Out of Range Low
- 000029.03 Secondary Analog Throttle Signal Out of Range High
- 000029.04 Secondary Analog Throttle Signal Out of Range Low
- 000091.03 Primary Analog Throttle Signal Out of Range High
- 000091.04 Primary Analog Throttle Signal Out of Range Low
- 000091.08 Throttle Signal Abnormal Frequency
- 000091.09 Primary Analog Throttle Signal Erratic
- 000094.03 Low Pressure Fuel Signal Out of Range High
- 000094.04 Low Pressure Fuel Signal Out of Range Low
- 000094.17 Low Pressure Fuel Signal Slightly Low
- 000094.31 Low-Pressure Fuel Pump Bypass Activated
- 000097.00 Water in Fuel Detected Most Severe Level
- 000097.03 Water In Fuel Signal Out of Range High
- 000097.04 Water In Fuel Signal Out of Range Low
- 000097.16 Water in Fuel Detected
- 000100.01 Engine Oil Pressure Signal Extremely Low
- 000100.04 Engine Oil Pressure Signal Out of Range Low
- 000100.18 Engine Oil Pressure Signal Moderately Low
- 000100.31 Engine Oil Pressure Detected with Engine Stopped
- 000102.02 Manifold Air Pressure Signal Invalid
- 000102.03 Manifold Air Pressure Signal Out of Range High
- 000102.04 Manifold Air Pressure Signal Out of Range Low
- 000103.00 Turbo Speed Extremely High
- 000103.05 Turbo Speed Signal Circuit has High Resistance
- 000103.08 Turbo Speed Signal Incorrect
- 000103.31 Turbo Speed Signal Missing
- 000105.00 Manifold Air Temperature Signal Extremely High
- 000105.03 Manifold Air Temperature Signal Out of Range High
- 000105.04 Manifold Air Temperature Signal Out of Range Low
- 000105.15 Manifold Air Temperature Signal Slightly High
- 000105.16 Manifold Air Temperature Signal Moderately High
- 000107.00 Air Filter Restriction Switch Activated
- 000107.31 Air Filter Restriction Switch Activated
- 000108.02 Barometric Pressure Signal Invalid
- 000110.00 Coolant Temperature Signal Extremely High
- 000110.03 Coolant Temperature Signal Out of Range High
- 000110.04 Coolant Temperature Signal Out of Range Low
- 000110.15 Coolant Temperature Signal Slightly High
- 000110.16 Coolant Temperature Signal Moderately High
- 000110.17 Coolant Temperature Signal Slightly Low
- 000111.01 Coolant Level Extremely Low
- 000111.17 Engine Coolant Level Slightly Low
- 000157.01 Fuel Rail Pressure Signal Extremely Low
- 000157.03 Fuel Rail Pressure Signal Out of Range High
- 000157.04 Fuel Rail Pressure Signal Out of Range Low
- 000157.10 Fuel Rail Pressure Loss Detected
- 000157.17 Fuel Rail Pressure Not Developed
- 000157.18 Fuel Rail Pressure Signal Moderately Low
- 000158.01 Battery Voltage Moderately Low
- 000158.17 ECU Power Down Error
- 000174.00 Fuel Temperature Signal Extremely High
- 000174.03 Fuel Temperature Signal Out of Range High
- 000174.04 Fuel Temperature Signal Out of Range Low
- 000174.16 Fuel Temperature Signal Moderately High
- 000189.00 Engine Speed Derate Condition Exists
- 000190.00 Engine Speed Extremely High
- 000190.16 Engine Speed Moderately High
- 000412.00 EGR Temperature Signal Extremely High
- 000412.03 EGR Temperature Signal Out of Range High
- 000412.04 EGR Temperature Signal Out of Range Low
- 000412.15 EGR Temperature Signal Slightly High
- 000412.16 EGR Temperature Signal Moderately High
- 000523.09 Current Gear Message Not Received or Timeout
- 000611.03 Injector Shorted to Voltage Source
- 000611.04 Injector Shorted to Ground
- 000627.01 All Injector Circuits Have High Resistance
- 000627.18 Injector Power Supply Voltage Moderately Low
- 000629.12 ECU EEPROM Error
- 000629.13 ECU Boot Block Error
- 000636.02 Camshaft Position Signal Invalid
- 000636.05 Camshaft Position Circuit Circuit Has High Resistance
- 000636.06 Camshaft Position Circuit Has Low Resistance
- 000636.08 Camshaft Position Signal Missing
- 000636.10 Camshaft Position Signal Rate of Change Abnormal
- 000637.02 Crankshaft Position Signal Invalid
- 000637.05 Crank Sensor Circuit Has High Resistance
- 000637.06 Crankshaft Position Circuit Has Low Resistance
- 000637.07 Crankshaft and Camshaft Position Signals Out of Sync
- 000637.08 Crankshaft Position Signal Missing
- 000637.10 Crankshaft Position Signal Rate of Change Abnormal
- 000640.11 External Engine Protection Commanded
- 000640.31 External Derate Commanded
- 000641.04 VGT Actuator Supply Voltage Out of Range Low
- 000641.12 VGT Actuator Communication Error
- 000641.13 VGT Actuator Learn Error
- 000641.16 VGT Actuator Temperature Moderately High
- 000644.02 External Speed Command Input Erratic
- 000647.05 Engine Fan Drive Circuit Has High Resistance
- 000647.07 Engine Fan Drive Not Responding
- 000647.31 Engine Fan Drive Manual Purge Switch Active Too Long
- 000651.02 Injector #1 Part # Data Invalid
- 000651.05 Injector #1 Circuit Has High Resistance
- 000651.06 Injector #1 Circuit Has Low Resistance
- 000651.07 Injector #1 Not Responding
- 000651.13 Injector #1 Calibration Fault
- 000652.02 Injector #2 Part # Data Invalid
- 000652.05 Injector #2 Circuit Has High Resistance
- 000652.06 Injector #2 Circuit Has Low Resistance
- 000652.07 Injector #2 Not Responding
- 000652.13 Injector #2 Calibration Fault
- 000653.02 Injector #3 Part # Data Invalid
- 000653.05 Injector #3 Circuit Has High Resistance
- 000653.06 Injector #3 Circuit Has Low Resistance
- 000653.07 Injector #3 Not Responding
- 000653.13 Injector #3 Calibration Fault
- 000654.02 Injector #4 Part # Data Invalid
- 000654.05 Injector #4 Circuit Has High Resistance
- 000654.06 Injector #4 Circuit Has Low Resistance
- 000654.07 Injector #4 Not Responding
- 000654.13 Injector #4 Calibration Fault
- 000655.02 Injector #5 Part # Data Invalid
- 000655.05 Injector #5 Circuit Has High Resistance
- 000655.06 Injector #5 Circuit Has Low Resistance
- 000655.07 Injector #5 Not Responding
- 000655.13 Injector #5 Calibration Fault
- 000656.02 Injector #6 Part # Data Invalid
- 000656.05 Injector #6 Circuit Has High Resistance
- 000656.06 Injector #6 Circuit Has Low Resistance
- 000656.07 Injector #6 Not Responding
- 000656.13 Injector #6 Calibration Fault
- 000676.03 Cold Start Aid Signal Received When Not Expected
- 000676.05 Cold Start Aid Circuit Has High Resistance
- 000898.09 Engine Speed CAN Message Invalid
- 000970.31 External Shutdown Switch Activated
- 000971.31 External Derate Switch Activated
- 001075.12 Low Pressure Fuel Pump Status Error
- 001109.31 Approaching Engine Protection Shutdown
- 001110.31 Engine Protection Shutdown Active
- 001136.00 ECU Temperature Signal Extremely High
- 001136.16 ECU Temperature Signal Moderately High
- 001172.03 Turbo Compressor Inlet Temperature Signal Out of Range High
- 001172.04 Turbo Compressor Inlet Temperature Signal Out of Range Low
- 001180.00 Calculated Turbo Turbine Inlet Temperature Signal Extremely High
- 001180.16 Turbine Inlet Temperature Signal Moderately High
- 001347.03 Suction Control Valve Signal Out of Range High
- 001347.05 Suction Control Valve Circuit Has High Resistance
- 001347.07 Fuel Rail Pressure Actual to Desired Mismatch
- 001568.02 Torque Curve Selection Error
- 001569.31 Engine in Power Derate Condition
- 001638.09 Hydraulic Oil Temperature Signal Erratic
- 001639.01 Fan Speed Signal Extremely Low
- 001639.16 Fan Speed Signal Moderately High
- 001639.18 Fan Speed Signal Moderately Low
- 002000.13 Incorrect ECU for Application
- 002005.09 No CAN Message From Source Address 5
- 002030.09 No CAN Message From Source Address 30
- 002071.09 No CAN Message From Source Address 71
- 002630.00 Charge Air Cooler Outlet Temperature Signal Extremely High
- 002630.03 Charge Air Cooler Outlet Temperature Signal Out Of Range High
- 002630.04 Charge Air Cooler Outlet Temperature Signal Out of Range Low
- 002630.15 Charge Air Cooler Outlet Temperature Signal Slightly High
- 002630.16 Charge Air Cooler Outlet Temperature Signal Moderately High
- 002659.02 Calculated EGR Flow Rate Invalid
- 002659.15 Calculated EGR Flow Rate Slightly High
- 002659.17 Calculated EGR Flow Rate Slightly Low
- 002790.16 Calculated Compressor Outlet Temperature Moderately High
- 002791.02 EGR Valve Position Signal Invalid
- 002791.03 EGR Valve Position Signal Out of Range High
- 002791.04 EGR Valve Position Signal Out of Range Low
- 002791.07 EGR Valve Not Reaching Expected Position
- 002791.13 EGR Valve Calibration Change Over a Short Period of Time
- 002791.31 EGR Valve Calibration Change Over a Long Time
- 002795.07 VGT Actuator Not Reaching Expected Position
- 003509.03 Sensor Supply #1 Voltage Out of Range High
- 003509.04 Sensor Supply #1 Voltage Out of Range Low
- 003510.03 Sensor Supply #2 Voltage Out of Range High
- 003510.04 Sensor Supply #2 Voltage Out of Range Low
- 003511.03 Sensor Supply #3 Voltage Out of Range High
- 003511.04 Sensor Supply #3 Voltage Out of Range Low
- 003512.03 Sensor Supply #4 Voltage Out of Range High
- 003512.04 Sensor Supply #4 Voltage Out of Range Low
- 003513.03 Sensor Supply #5 Voltage Out of Range High
- 003513.04 Sensor Supply #5 Voltage Out of Range Low
- 523379.03 Single Point Ground #7 Has High Resistance
- 523744.31 A/C Compressor is ON When it Should be OFF
- 523926.03 Reverse Pump Pressure Sensor #1 Signal Out Of Range High
- 523926.04 Reverse Pump Pressure Sensor #1 Signal Out Of Range Low
- 523927.03 Forward Pump Pressure Sensor #2 Signal Out Of Range High
- 523927.04 Forward Pump Pressure Sensor #2 Signal Out Of Range Low
ECU (Level В)
- 000028.03 Throttle Voltage High
- 000028.04 Throttle Voltage Low
- 000029.03 Throttle Voltage High
- 000029.04 Throttle Voltage Low
- 000051.02 Throttle Invalid
- 000091.03 Throttle Voltage High
- 000091.04 Throttle Voltage Low
- 000091.08 PWM Throttle Abnormal Pulse Width
- 000091.09 Throttle Invalid
- 000097.00 Water in Fuel Continuously Detected
- 000097.16 Water in Fuel Detected
- 000097.31 Water in Fuel Detected
- 000100.01 Engine Oil Pressure Extremely Low
- 000100.03 Engine Oil Pressure Input Voltage High
- 000100.04 Engine Oil Pressure Input Voltage Low
- 000100.18 Engine Oil Pressure Moderately Low
- 000105.00 Derated Torque Curve Selected
- 000105.03 Manifold Air Temperature Input Voltage High
- 000105.04 Manifold Air Temperature Input Voltage Low
- 000105.09 Manifold Air Temperature Invalid
- 000105.16 Manifold Air Temperature Moderately High
- 000107.00 Air Filter Restriction High
- 000110.00 Engine Coolant Temperature Extremely High
- 000110.03 Engine Coolant Temperature Input Voltage High
- 000110.04 Engine Coolant Temperature Input Voltage Low
- 000110.09 Engine Coolant Temperature Invalid
- 000110.16 Engine Coolant Temperature Moderately High
- 000111.01 Engine Coolant Level Low
- 000158.02 Intermittent Loss of ECU Power Supply
- 000160.02 Wheel Speed Input Noise
- 000171.03 Ambient Air Temperature Input Voltage High
- 000171.04 Ambient Air Temperature Input Voltage Low
- 000174.00 Fuel Temperature Moderately High
- 000174.03 Fuel Temperature Input Voltage High
- 000174.04 Fuel Temperature Input Voltage Low
- 000174.16 Fuel Temperature Moderately High
- 000177.02 Transmission Oil Temperature Erratic
- 000177.09 Transmission Oil Temperature Invalid
- 000189.00 Engine Speed Derate
- 000190.00 Engine Overspeed Extreme
- 000190.02 Engine Speed Input Noise
- 000190.03 Engine Speed Input Voltage High
- 000190.04 Engine Speed Input Voltage Low
- 000190.05 Engine Speed Sensor Circuit Open
- 000190.14 Engine Speed/Pump Speed Out of Sync
- 000190.16 Engine Overspeed Moderate
- 000191.02 Pump Speed Input Noise
- 000191.14 Engine Speed/Pump Speed Out of Sync
- 000191.16 Engine Overspeed Extreme
- 000620.03 Sensor Supply Voltage High
- 000620.04 Sensor Supply Voltage Low
- 000629.13 ECU Error
- 000632.11 Fuel Shut-off Circuit Fault
- 000638.02 Rack Instability
- 000638.07 Rack Position Error
- 000639.00 CAN Error
- 000639.02 CAN Error
- 000639.13 CAN Error
- 000640.11 Engine Shutdown Signal Invalid
- 000640.31 Auxiliary Engine Shutdown Switch Active
- 000723.02 Engine Speed Input Noise
- 000733.02 Rack Position Error with Engine Off
- 000733.03 Rack Position Voltage High
- 000733.04 Rack Position Voltage Low
- 000833.00 Rack Position Calibration Error
- 000833.01 Rack Position Calibration Error
- 000833.02 Rack Position Error with Engine Off
- 000833.03 Rack Position Voltage High
- 000833.04 Rack Position Voltage Low
- 000833.07 Rack Position Calibration Error
- 000833.15 Rack Position Calibration Error
- 000833.17 Rack Position Calibration Error
- 000834.02 Rack Instability
- 000834.03 Rack Actuator Control Circuit Short to Power
- 000834.05 Rack Actuator Control Circuit Open
- 000834.06 Rack Actuator Control Circuit Short To Ground
- 000834.07 Rack Position Error
- 000898.09 Vehicle Speed Invalid
- 000970.00 Auxiliary Engine Shutdown Switch Active
- 000970.11 Engine Shutdown Signal Invalid
- 000970.31 Auxiliary Engine Shutdown Switch Active
- 001041.02 Start Signal Missing
- 001041.03 Start Signal Always Active
- 001069.09 Tire Size Invalid
- 001069.31 Tire Size Error
- 001082.09 Engine Coolant Load Increase Invalid
- 001109.14 Engine Shutdown
- 001110.31 Engine Shutdown
- 001568.02 Torque Curve Selection Invalid
- 001568.09 Torque Curve Selection Invalid
- 001569.31 Fuel Derate
- 001639.01 Fan Speed Input Missing
- 001639.02 Fan Speed Input Noise
- 001639.16 Fan Speed Higher Than Expected
- 001639.18 Fan Speed Lower Than Expected
- 002000.09 Vehicle ID Missing
- 002000.13 Security Violation
JDL Primary Controller (Modular Telematics Gateway)
- JDL - 000237.11 JDL Not Registered
- JDL - 000639.09 JDL Not Detecting CAN Bus Messages
- JDL - 000841.05 GPS Antenna Error - Open Circuit
- JDL - 000841.06 GPS Antenna Error - Grounded/Short Circuit
- JDL - 000964.13 Real Time Clock Failure
- JDL - 002850.02 Cellular Antenna Error - Abnormal Signal
- JDL - 002850.05 Cellular Antenna Error - Open Circuit
- JDL - 002850.06 Cellular Antenna Error - Grounded/Short Circuit
- JDL - 002852.11 Unable to Detect SIM Card
- JDL - 516672.14 Network Authorization Failed
- JDL - 522976.11 Unable to Load Custom Alerts
- JDL - 522976.13 Unable to Load Configuration
- JDL - 523310.00 Low Disk Space
- JDL - 600006.31 Vehicle Controls Not Operating Correctly
JL2 Secondary Controller (Modular Telematics Gateway)
- JL2 - 000237.11 JL2 Not Registered
- JL2 - 000639.09 JL2 Not Detecting CAN Bus Messages
- JL2 - 000841.05 GPS Antenna Error - Open Circuit
- JL2 - 000841.06 GPS Antenna Error - Grounded/Short Circuit
- JL2 - 000964.12 Real Time Clock Failure
- JL2 - 000964.13 Real Time Clock Failure
- JL2 - 002850.02 Cellular Antenna Error - Abnormal Signal
- JL2 - 002850.05 Cellular Antenna Error - Open Circuit
- JL2 - 002850.06 Cellular Antenna Error - Grounded/Short Circuit
- JL2 - 002852.11 Unable to Detect SIM Card
- JL2 - 522976.11 Unable to Load Custom Alerts
- JL2 - 522976.13 Unable to Load Configuration
- JL2 - 523310.00 Low Disk Space
MDU
- 000237.13 VIN Mismatch between MDU and CCU
- 000628.13 MDU Controller is in Bootmode
- 000630.13 EOL Not Programmed Correctly
- 000639.19 Loss of All CAN Messages
- 000830.00 Fuel Sensor Above Normal
- 000830.01 Fuel Sensor Below Normal
- 002000.19 Loss of ECU CAN Messages
- 002003.19 Loss of TCU CAN Messages
- 002033.19 Loss of CCU CAN Messages
- 002049.19 Loss of OEU CAN Messages
- 002064.19 Loss of OBW Can Messages
- 002140.19 Loss of SSM CAN Messages
- 002251.19 Loss of MMU CAN Messages
OC3
- 002033.09 CCU CAN Communication Fault
OEU
- 009001.06 Blower Speed 3 Short Circuit
- 009002.05 Blower Speed 2 Open Circuit
- 009002.06 Blower Speed 2 Short Circuit
- 009004.05 Blower Speed 1 Open Circuit
- 009004.06 Blower Speed 1 Short Circuit
- 009004.18 Blower Speed 1 Less Than Normal Current
- 009005.05 Bonnet Fan 2 Open Circuit
- 009005.06 Bonnet Fan 2 Short Circuit
- 009005.18 Bonnet Fan 2 Less Than Normal Current
- 009006.01 Ignition Supply Voltage via Fuse 18 Too Low
- 009007.05 JD Starter Open Circuit
- 009007.06 JD Starter Short Circuit
- 009007.18 JD Starter Less Than Normal Current
- 009008.01 Ignition Supply Voltage via Fuse 19 Too Low
- 009009.03 Gear Hold Voltage Too High
- 009009.05 Gear Hold Open Circuit or Short Circuit
- 009010.03 Green or Yellow Load Light Short to Power
- 009010.05 Green or Yellow Load Light Open Circuit
- 009011.03 Automatic Neutral or Pre-Select 2nd Gear Voltage Too High
- 009011.05 Automatic Neutral or Pre-Select 2nd Gear Open Circuit or Short Circuit
- 009012.05 Load Light Red or Laden-Unladen Open Circuit or Short Circuit
- 009013.01 Ignition Power Voltage via Fuse 20 Too Low
- 009014.01 Ignition Power Voltage via Fuse 21 Too Low
- 009015.00 Alternator Voltage Via Fuse 22 Too High
- 009015.01 Alternator Voltage Via Fuse 22 Too Low
- 009017.03 Heater Valve Voltage Too High
- 009017.05 Heater Valve Open Circuit or Short Circuit
- 009018.05 Engine Cooling Fan Open Circuit
- 009018.06 Engine Cooling Fan Short to Ground
- 009019.03 Fan Cut Solenoid Voltage Too High
- 009019.05 Fan Cut Solenoid Open Circuit or Short Circuit
- 009021.03 Left Strut Up/Down Solenoid Short to Power
- 009022.03 Middle-Demist Actuator or Feet Actuator Voltage Too High
- 009022.05 Middle-Demist Actuator or Feet Actuator Open Circuit or Short Circuit
- 009025.01 Ignition Power Voltage via Fuse 23 Too Low
- 009026.01 Ignition Power Voltage via Fuse 24 Too Low
SSM
- 000629.12 Sealed Switch Module Watchdog Timeout
- 000639.09 Sealed Switch Module No CAN Message
- 000639.12 Sealed Switch Module CAN Lost Message
- 000639.13 Sealed Switch Module CAN Warning Limit Exceeded
- 000639.19 Sealed Switch Module CAN Bus Off
- 523523.10 Front Wiper Switch Stuck
- 523524.10 Retarder Increase Switch Stuck
- 523525.10 Retarder Decrease Switch Stuck
- 523526.10 Headlights Switch Stuck
- 523527.10 Beacon Light Switch Stuck
- 523528.10 Bin Limits Switch Stuck
- 523529.10 Temperature Control Down Switch Stuck
- 523530.10 Temperature Control Up Switch Stuck
- 523531.10 Air Flow Control Switch Stuck
- 523532.10 Two-Speed Switch Stuck
- 523533.10 Range Hold Switch Stuck
- 523534.10 Inter-Axle Lock Switch Stuck
- 523535.10 Differential Lock Switch Stuck
- 523536.10 Blower Speed Switch Stuck
- 523537.10 Recirculating Air Switch Stuck
- 523538.10 Air Conditioning Switch Stuck
- 523607.10 Bin Function Switch Stuck
- 523608.10 Side Mirror Heater Switch Stuck
- 523609.10 Work Lights Switch Stuck
- 523610.10 Rear Wiper Switch Stuck
TCU
- 005017.03 Retarder Temperature Sensor Open Circuit
- 005017.04 Retarder Temperature Sensor Short to Ground
- 005018.03 Sump Temperature Sensor Open Circuit
- 005018.04 Sump Temperature Sensor Short to Ground
- 005021.03 A Clutch Solenoid Short to Power
- 005021.04 A Clutch Solenoid Short to Ground
- 005021.05 A Clutch Solenoid Open Circuit
- 005022.03 B Clutch Solenoid Short to Power
- 005022.04 B Clutch Solenoid Short to Ground
- 005022.05 B Clutch Solenoid Open Circuit
- 005023.03 C Clutch Solenoid Short to Power
- 005023.04 C Clutch Solenoid Short to Ground
- 005023.05 C Clutch Solenoid Open Circuit
- 005024.03 D Clutch Solenoid Short to Power
- 005024.05 D Clutch Solenoid Open Circuit
- 005025.03 E Clutch Solenoid Short to Power
- 005025.04 E Clutch Solenoid Short to Ground
- 005025.05 E Clutch Solenoid Open Circuit
- 005026.03 F Clutch Solenoid Short to Power
- 005026.04 F Clutch Solenoid Short to Ground
- 005026.05 F Clutch Solenoid Open Circuit
- 005027.03 G Clutch Solenoid Short to Power
- 005027.04 G Clutch Solenoid Short to Ground
- 005027.05 G Clutch Solenoid Open Circuit
- 005028.03 WK Clutch Solenoid Short to Power
- 005028.04 WK Clutch Solenoid Short to Ground
- 005028.05 WK Clutch Solenoid Open Circuit
- 005039.03 Shifter Lock Solenoid Short to Power
- 005039.04 Shifter Lock Solenoid Short to Ground
- 005039.05 Shifter Lock Solenoid Open Circuit
- 005044.02 D1 Clutch Solenoid Resistance
- 005044.03 D1 Clutch Solenoid Short to Power
- 005044.04 D1 Clutch Solenoid Short to Ground
- 005044.05 D1 Clutch Solenoid Open Circuit
- 005045.03 Retarder Proportional Solenoid Short to Power
- 005045.04 Retarder Proportional Solenoid Short to Ground
- 005045.05 Retarder Proportional Solenoid Open Circuit
- 005046.02 Transmission Shift Control Signal Malfunction
- 005049.02 Hour Counter Malfunction
- 005051.02 TCU Memory Malfunction
- 005052.11 TCU System Malfunction
- 005055.02 CAN Data Link Malfunction
- 005056.04 Retarder On Solenoid Short to Ground
- 005056.05 Retarder On Solenoid Open Circuit
- 005058.02 Output Speed Sensor Signal Malfunction
- 005058.11 Output Speed Sensor Signal Overflow
- 005059.02 Turbine Speed Sensor Signal Malfunction
- 005059.11 Turbine Speed Sensor Signal Overflow
- 005061.11 Checksum Malfunction
- 005062.03 Retarder Resistor Open Circuit
- 005062.04 Retarder Resistor Short to Ground
- 005063.14 Transmission ID Code
- 005064.00 Transmission Slip Monitoring—Limit Value Exceeded
- 005065.00 Retarder Oil Temperature Over Limit
- 005065.14 Retarder Oil Over Temperature
- 005066.00 Transmission Sump Temperature Over Limit
- 005066.14 Transmission Sump Over Temperature
- 005067.03 Unused Output Short to Power
- 005068.12 Central Cut-Off Malfunction
- 005076.00 Slip Time Under Load During Upshift
- 005078.00 Transducer Clutch Slip Very high
- 005078.00 Transducer Clutch Slip Very High
- 005079.03 Operating Voltage Above Limits
- 005079.04 Operating Voltage Below Limits
- 005084.02 EEPROM Correction Parameter Checksum


