Тренинг персонала RENAULT TRUCKS (DXi 13)
и система OPTIBRAKE +
ЭЛЕКТРИКА
Информация по электрике, механике и диагностике в полном объеме
доступна нашим пользователям
с выходом 64 обновления

Блок EMS, MID 128:
Введение:
Речь идет об электронном блоке типа "EMS 2". (Engine Management System 2ое поколение).
Это устройство управления заимствует уже изученный принцип работы двигателей DXi 12 и DXi 11. (Многие функции были сохранены).
Напоминание: Вспомним об отличии блока EMS 2 и EECU дигателя E-Tech:
- EECU Позиция педали газа соответствует расходу впрыска.
- EMS 2 Позиция педали газа соответствует запросу крутящего момента.
Такая схема функционирования позволяет водителю лучше чувствовать мощность, снижая расход топлива. (За счет улучшенного управления впрыском).
Местонахождение:
Блок электронного управления двигателем (EMS) закреплен на левой стороне блока (со стороны впуска).
Он охлаждается топливом в части всасывания системы питания.

Структурная схема:

Блок взаимодействует с другими блоками ECU посредством шины J1939-1 и J1939-
Двигатель, которые позволяют ему получить другие входные данные. Диагностика блока производится с помощью шины J1587-1. MID блока - 128.
Когда блок больше не контактирует с шиной CAN, появляется PSID 200 в ожидании информации от блока EMS.
Функции:
Ниже сравнительная таблица функций двух последних двигателей, установленных на Magnum, и двигателя DXi 13.

Система впрыска:
Представление системы:
Речь идет о системе насос-форсунка. Каждая из них приводится в действие распредвалом, снабжается топливом с помощью контура низкого давления и шестеренчатого насоса, и позволяет создавать давление впрыска более 2000 bars.
Топливный контур:

1. Топливный насос
2. Топливный бак
3. Узел топливных фильтров
4. Предварительный топливный фильтр
5. Топливный фильтр
6. EMS
7. Разгрузочный клапан
8. Насос-форсунка
9. Топливный канал
10. Охлаждение EMS
11. Обратный клапан
12. Подкачивающий насос
13. Водоотделитель
14. Предохранительный клапан
15. Дренажный клапан
16. Отводной клапан
17. Обратный канал
18. Обратный клапан
19. Обратный клапан
20. Седло обратного клапана
21. Датчик давления
22. Контрольный вывод
23. Датчик наличия воды
24. Кнопка на панели приборов
25. Электроклапан слива воды
26. Подогреватель топлива
Топливо нагнетается топливным насосом (1), затем проходит через охладитель (10) блока управления двигателем (6), далее спускается узел топливных фильтров (3).
Топливо проходит через обратный клапан(11), попадает в предварительный фильтр (4) и его водоотделитель (13). (Назначение обратного клапана – не дать топливу вернуться в топливный бак, когда двигатель остановлен и производится подкачка.)
Топливный насос (1) нагнетает топливо в узел топливных фильтров (3) через главный фильтр (5), затем поступает в продольный канал головки блока (9). Этот канал снабжает топливом каждый насос-форсунку (8). Разгрузочный клапан (7) регулирует низкое давление.
Обратный поток из канала головки блока (9) проходит через разгрузочный клапан (7), чтобы вернуться в узел топливных фильтров (3). Таким образом, происходит повторное всасывание обратного потока топлива.
В топливном насосе находятся два клапана. Предохранительный клапан (14) позволяет топливу вернуться в сторону всасывания, когда давление становится слишком высоким, например, когда топливный фильтр загрязнен. Дренажный клапан (15) открывается, когда для облегчения поступления топлива используется ручной подкачивающий насос (12).
В разгрузочный клапан (7) также встроен отводной клапан (16). Система питания автоматически очищается во время запуска двигателя. Небольшое количество воздуха, оставшееся в системе питания, поступает по обратному каналу (17) в топливный бак вместе с небольшим количеством топлива. Для замены фильтра обратные клапаны (18 и 19) закрываются, чтобы избежать течи топлива во время
демонтажа фильтров. Во время замены фильтров, слив производится клапанами (18 и 20) в узле фильтров и обратным клапаном (16) на головке блока.
На узле топливных фильтров находится датчик давления (21) , который измеряет давление топлива после топливного фильтра. Контрольный вывод (22) на узле топливных фильтров используется для измерения давления с помощью внешнего манометра.
Датчик наличия воды (23) установлен на водоотделитель (13). Слив осуществляется кнопкой на панели приборов (24). Блок EMS управляет электроклапаном (25).
Для начала слива воды необходимы следующие условия:
• Датчик наличия воды выявил повышенный уровень воды
• Двигатель остановлен, контакт включен.
• Автомобиль обездвижен.
• Стояночный тормоз задействован.
Если двигатель запускается во время процедуры слива, слив прекращается.
Предупреждение на контрольно-измерительном модуле остается, пока датчик наличия воды фиксирует повышенный уровень воды.
В качестве опции на нижней части водоотделителя может быть установлен подогреватель топлива (26).
Ручной насос подкачки (12) служит для подачи топлива (двигатель остановлен), когда система питания не заполнена.
Важно!: Насос подкачки не должен использоваться при работающем двигателе.
Компоненты:

Некоторые компоненты системы питания являются идентичными или похожими на компоненты двигателей DXi 11.
A : Насос-форсунки E3 с двумя электроклапанами для более точного впрыска.
B : На узле топливных фильтров находятся насос подкачки(1), используемый для подачи топлива, когда система питания не заполнена, и обратный клапан, не позволяющий топливу возвращаться в топливный бак при остановленном двигателе.
Электрический разъем (2) предназначен для датчика уровня (3) и электроклапана слива (4) в водоотделителе (5). Предварительный фильтр (6) расположен со стороны всасывания. Главный фильтр (7) находится после топливного насоса, то есть, со стороны нагнетания.
C : Топливный насос шестеренчатого типа установлен на насос рулевого механизма (8). Он приводится в действие с помощью поперечного вала (9) насоса рулевого механизма. Герметичность между двумя насосами обеспечивается с помощью уплотнительного кольца (10), размещенного в желобе на фланце насоса рулевого механизма. Передача усилия между насосами осуществляется подвижным приводным фланцем (11). Корпус насоса (12) и фланец (13) изготовлены из чугуна.
Вал ведущей шестерни и шестерни насоса установлены в игольчатых подшипниках (14 и 15). Предохранительный клапан (16) размещен в корпусе насоса, а клапан слива (17) – во фланце насоса. Топливо, выходящее из ведущего вала насоса, поступает в сторону всасывания насоса по каналу (18).
D : Охладитель предохраняет блок EMS от перегрева с помощью топлива, идущего со стороны всасывания топливного насоса.
E : Разгрузочный клапан (19) на головке блока регулирует низкое давление.
Байпасный канал включает в себя устройство отвода воздуха для системы питания.
Расположение датчиков и исполнительных устройств:
С правой стороны:

С левой стороны:

Электропроводка:
Проводка двигателя (кроме важных силовых кабелей) связана с проводкой шасси через разъем.

Спецификация цветовых кодов :
Внимание, пучок проводов двигателя имеет цветное кодирование.

Питание и масса блока EMS:

Датчики блока EMS:
a. Скорость маховика двигателя SID 22
Функция:
Информирует блок EMS о режиме работы двигателя. Это важная информация для управления двигателем. Она передается в направлении нескольких блоков посредством EMS.
Тип: Индуктивный
В случае неисправностей:
Двигатель запускается благодаря датчику распредвала, но запуск более длительный.
"Сylinder balancing" (регулировка режима холостого хода) и тест компрессии не работают.
Внимание: датчик маховика двигателя и датчик распредвала не взаимозаменяемы!
Неисправность регистрируется в блоке EMS. MID 128, SID 22, FMI 3, 2 или 8.
IC05 : Сигнальная лампочка СЕРВИС + "ФУНКЦИЯ ДВИГАТЕЛЯ НАРУШЕНА"

Контроль:
Внутреннее сопротивление датчика ≈ 900 Ω
Омметр между клеммами A38 и A37 блока EMS или между клеммами 1 и 2 датчика.
Контроль проводки: Провод BL/SB (Сигнал) и провод BL/R (Масса)
Зазор: 1,1±0,4 мм.
Проверить целостность и изоляцию.
Мишень:
На данном изображении мы видим мишень датчика положения на маховике двигателя. Метки (3
отсутствующих двойных зубьев) позволяют блоку EMS уточнить верхнюю мертвую точку каждого
цилиндра.

Сигнал датчика на осциллографе:

Осциллограф в режиме AC.
Ось времени: 5 ms / Div
Шкала напряжения: 10 V / Div
b. Позиция распредвала SID 21
Функция:
Информирует блок EMS о положении двигателя, чтобы управлять форсункой соответствующего цилиндра.
Тип: Индуктивный
В случае неисправностей:
Двигатель запускается благодаря датчику маховика двигателя, но запуск более длительный.
Неисправность регистрируется в блоке EMS. MID 128, SID 21, FMI 3, 8 7 ou 2.
IC05 : Сигнальная лампочка СЕРВИС + "ЗАТРУДНЕННЫЙ ПУСК"

Контроль:
Внутреннее сопротивление датчика ≈ 900 Ω
Омметр между клеммами A45 и A46 блока EMS или между клеммами 1 и 2 датчика.
Контроль проводки: Провод BN/W (Сигнал) и провод Y (Масса)
Зазор: 1,1±0,4 мм.
Проверить целостность и изоляцию.
Мишень:
На данном изображении мы видим мишень датчика распредвала.
Мишень состоит из 7 зубьев, двойной зуб позволяет блоку EMS распознать цилиндр № 1.

Сигнал датчика на осциллографе:
Осциллограф AC.
Ось времени: 5 ms / Div
Шкала напряжения: 10 V / Div

Надо заметить, что может быть более полезным замерить сигнал датчика распредвала, а не двухканального датчика маховика двигателя. Это позволяет проверить фазирование между двумя датчиками, а значит и регулировку системы распределения.

c. Низкое давление топлива PID 94
Функция:
Информирует блок EMS о низком давлении топлива, чтобы выявить недопустимое значение давления или загрязненность фильтра.
Тип: Пьезорезистивный
В случае неисправностей:
Неисправность регистрируется в блоке EMS. MID 128, PID 94, FMI 5, 3, 7 0 или 1.
IC05 : Сигнальная лампочка СЕРВИС + ОБНАРУЖЕНО ЗАГРЯЗНЕНИЕ HS или НЕИСПРАВНОСТЬ В СИСТЕМЕ ПИТАНИЯ

Контроль:
Проверка питания: провод BN, клемма B17 на блоке EMS или 2 на датчике по отношению к массе: 5V.
Проверка массы: провод BN/W, клемма B18 на блоке EMS или 4 на датчике.
Проверка сигнала: провод 0BL/GR, клемма B16 на блоке EMS или 3 на датчике ≈ 0,5 V при остановленном двигателе и 3 V – двигатель на холостом ходу.
Контроль проводки: провод BN (Питание), провод BN/W (Масса) и провод BL/GR (Сигнал).
Сигнал датчика на осциллографе:

d. Давление наддува PID 102 / Температура наддува PID 105
Функция:
Информирует блок EMS о давлении и температуре наддува для того, чтобы скорректировать подачу воздуха / топлива.
Тип: Пьезорезистивный (PID 102) и CTN – Отрицательный температурный коэффициент (PID 105)

В случае неисправностей:
1. Давление наддува:
Блок EMS принимает фиксированное значение атмосферного давления + 30 kPa.
Снижение мощности двигателя и риск повышенной дымности в системе выхлопа.
Неисправность регистрируется в блоке EMS. MID 128, PID 102, FMI 5, 3, 2, 0 или 1.
IC05 : Сигнальная лампочка ИНФОРМАЦИЯ (FMI 2) или СЕРВИС (FMI 3 и 5) или СТОП (FMI 0) + ПОТЕРЯ МОЩНОСТИ
Мощность и крутящий момент двигателя: потеря мощности двигателя, режим со сниженными номинальными рабочими характеристиками.

2. Температура наддува:
Блок EMS принимает фиксированную температуру 20°C при запуске и 40°C при работе. Затрудненный холодный пуск.
Неисправность регистрируется в блоке EMS. MID 128, PID 105, FMI 5, 4, 0, 1 или 2.
IC05 : Сигнальная лампочка СЕРВИС (FMI 4 и 5) или СТОП (FMI 0) + ПОТЕРЯ МОЩНОСТИ


Контроль:
1. Давление наддува:
Проверка питания: провод GN/W, клемма A7 на блоке EMS или 3 на датчике по отношению к массе: 5V.
Проверка массы: провод BN/W, клемма A11 на блоке EMS или 1 на датчике.
Проверка сигнала: провод GR, клемма A22 на блоке EMS или 4 на датчике ≈ 1,07 ± 0,1 V при атмосферном давлении. (при высоте над уровнем моря 0)
Контроль проводки: провод GN/W (Питание), провод BN/W (Масса) и провод GR (Сигнал).
2. Температура наддува:
Внутреннее сопротивление датчика при температуре окружающей среды: ≈ 2100 Ω
Омметр между клеммами A47 и A11 на блоке EMS или между клеммами 1 и 2 на датчике.
Проверка проводки: провод BN/W (Масса) и провод BL/W (Сигнал)
Проверить целостность и изоляцию.
Сигнал датчика на осциллографе:

Сигнал датчика температуры на осциллографе:
Сигнал виден, когда:
1. Двигатель на ХХ, температура окружающей среды 22°C.
2. Остановка двигателя

e. Давление масла PID 100
Функция:
Информирует блок EMS о давлении масла, чтобы затем сообщить эту информацию водителю посредством дисплея IC'05.
Тип: Пьезорезистивный

В случае неисправностей:
Блок EMS принимает фиксированное значение 0 kPa. Потеря мощности двигателя и давление масла ноль на дисплее.
Неисправность регистрируется в блоке EMS. MID 128, PID 100, FMI 5, 3, 1или 0.
IC05: Сигнальная лампочка СЕРВИС (FMI 3 и 5) или СТОП (FMI 1) + ИНФОРМАЦИЯ О ДАВЛЕНИИ МАСЛА HS (FMI 3 или 5) или ДАВЛЕНИЕ МАСЛА (FMI 1)
Мощность и крутящий момент двигателя: Ограничивается блоком EMS, режим со сниженными номинальными рабочими характеристиками.

Контроль:
Проверка питания: провод BN, клемма B17 на блоке EMS или 1 на датчике по отношению к массе: 5V.
Проверка массы: провод BN/W, клемма B18 на блоке EMS или 4 на датчике.
Проверка сигнала: провод GR, клемма B11 на блоке EMS или 2 на датчике ≈ 0,5 V при остановленном двигателе и 2,8 V при холостом ходе, холодный двигатель.
Контроль проводки: провод BN (Питание), провод BN/W (Масса) и провод GR (Сигнал).
Сигнал датчика на осциллографе:
Сигнал на схеме снизу показывает давление масла в разных фазах:
1. Запуск двигателя
2. Холостой ход
3. Остановка двигателя и падение давления

f. Давление газа в картере, PID 153
Функция:
Информирует блок EMS о давлении газа в картере, чтобы защитить двигатель в случае избыточного давления и сообщить эту информацию водителю посредством дисплея IC'05.
Тип: Пьезорезистивный

В случае неисправностей:
Ограниченный режим, компрессионный тормоз и тормоз системы выпуска дезактивированы. Потеря мощности двигателя.
Неисправность регистрируется в блоке EMS. MID 128, PID 153, FMI 5, 3, 1, 0 или 2.
IC05 : Сигнальная лампочка СЕРВИС (FMI 3 и 5) или СТОП (FMI 0) + СНИЖЕНЫ РАБОЧИЕ ХАРАКТЕРИСТИКИ ЗАМЕДЛИТЕЛЯ (FMI 3 или 5) или ОСТАНОВИТЬ ДВИГАТЕЛЬ (FMI 0)
Режим двигателя: Ограничен до 1200 об/мин
Мощность и крутящий момент двигателя: Ограничивается блоком EMS, режим со сниженными номинальными рабочими характеристиками.

Контроль:
Проверка питания: провод BN, клемма B17 на блоке EMS или 1 на датчике по отношению к массе: 5V.
Проверка массы: провод BN/W, клемма B18 на блоке EMS или 4 на датчике.
Проверка сигнала: провод Y, клемма B28 на блоке EMS или 2 на датчике ≈ 2,8 V при остановленном двигателе и 2,8 V при холостом ходе, холодный двигатель.
Аварийный сигнал датчика срабатывает при: 8 kPa.
Давление в картере двигателе, нормальное значение < 1 kPa.
Проверка проводки: провод BN (Питание), провод BN/W (Масса) и провод Y (Сигнал).
Сигнал датчика на осциллографе:
Зафиксированный сигнал показывает давление газа в картере в разных фазах:
1. Двигатель остановлен
2. Запуск двигателя
3. Остановка двигателя

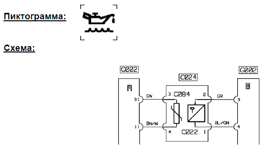
g. Температура масла PID 175 / Уровень масла PID 98
Функция:
Информирует блок EMS о температуре и уровне масла, чтобы сообщить эту информацию водителю посредством дисплея IC'05.
Тип: CTN (PID 175) / Проволочный термозонд (PID 98)
В случае неисправностей:
1. температура масла:
Блок EMS принимает фиксированное значение 35°C. Снижение крутящего момента двигателя и потеря мощности. (Защита двигателя)
Неисправность регистрируется в блоке EMS. MID 128, PID 175, FMI 5, 4, 0 или 1.
IC05: Сигнальная лампочка СЕРВИС (FMI 4 и 5) или СТОП (FMI 0) + ПОТЕРЯ МОЩНОСТИ (FMI 4 и 5) или ПЕРЕГРЕВ ДВИГАТЕЛЯ (FMI 0)
Мощность и крутящий момент двигателя: Ограничивается блоком EMS, режим со сниженными номинальными рабочими характеристиками.

2. Уровень масла:
Недостаточный уровень масла. Неисправность регистрируется в блоке EMS. MID 128, PID 98, FMI 1, 5 или 4.
IC05: Сигнальная лампочка СЕРВИС (FMI 1, 4 и 5) или СТОП (FMI 1, критический уровень) + НИЗКИЙ УРОВЕНЬ (FMI 1) или ДАТЧИК HS ПРОВЕРИТЬ УРОВЕНЬ (FMI 4 и 5)

Контроль:
1. Температура масла:
Сопротивление датчика при температуре окружающей среды 25°C ≈ 1700 Ω
Омметр между клеммами A31 и A11 на боке EMS или между клеммами 3 и 4 на датчике.
Проверка проводки: провод BN/W (Масса) и провод GN (Сигнал)
Проверить целостность и изоляцию.
2. Уровень масла:
Внутреннее сопротивление датчика без масла ≈ 12 Ω
Омметр между клеммами B3 и B4 на блоке EMS или между клеммами 1 и 2 на датчике.
Проверка проводки: провод GR и провод BL/GN
Проверить целостность и изоляцию.
Сигнал датчика температуры масла на осциллографе:
Зафиксированный сигнал показывает напряжение, создаваемое датчиком в зависимости от температуры масла.
1. Двигатель запущен
2. Двигатель остановлен

h. Температура охлаждающей жидкости PID 110
Функция:
Информирует блок EMS о температуре воды, чтобы иметь возможность точно управлять двигателем,
управлять системами подогрева и, наконец, сообщить эту информацию водителю посредством дисплея IC'05.
Тип: CTN

В случае неисправностей:
Блок EMS принимает фиксированное значение -15°C во время запуска, если при этом значении двигатель запускается с трудом,блок EMS переключается на значение 80°C.
При запущенном двигателе блок EMS принимает фиксированное значение 95°C и одновременно продолжает управлять вентилятором.
Плохая регулировка холостого хода.
Снижение крутящего момента двигателя и потеря мощности (Защита двигателя).
Двигатель запускается с трудом.
Неисправность регистрируется в блоке EMS. MID 128, PID 110, FMI 5, 4, 0 или 1.
IC05 : Сигнальная лампочка СЕРВИС (FMI 4, 5 и 0) или СТОП (FMI 0, критическая температура) + ПОТЕРЯ МОЩНОСТИ (FMI 4 и 5) или ПЕРЕГРЕВ ДВИГАТЕЛЯ (FMI 0)
Мощность и крутящий момент двигателя: Ограничивается блоком EMS, режим со сниженными номинальными рабочими характеристиками.

Контроль:
Сопротивление датчика при температуре окружающей среды 25°C ≈ 2100 Ω
Омметр между клеммами B27 и B18 на блоке EMS или между клеммами 1 и 2 на датчике.
Проверка проводки: провод Y/W (Масса) и провод BN/W (Сигнал)
Проверить целостность и изоляцию.
Сигнал датчика на осциллографе:
Ниже сигнал от датчика температуры охлаждающей жидкости, варьирующейся примерно от 65 °C (Точка A) до 75 °C. (Точка B)

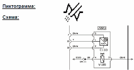
i. Скорость вентилятора, PID 26
Функция:
Информирует блок EMS о скорости вентилятора, позволяя ему управлять вентилятором в RCO (OPENING DUTY CYCLE).
Тип: датчик Холла

В случае неисправностей:
Блок EMS управляет вентилятором полностью или никак.
(активный - 100% или неактивный- 0%)
Неисправность регистрируется в блоке EMS. MID 128, PID 26, FMI 3, или 8.
IC05 : Сигнальная лампочка СЕРВИС + "НЕИСПРАВНОСТЬ ВЕНТИЛЯТОРА"

Контроль:
Проверка питания: провод GN/W, клемма A7 на блоке EMS или 5 на датчике по отношению к массе: 5V.
Проверка массы: провод GR/W, клемма A39 на блоке EMS или 2 на датчике.
Контроль проводки: провод GN/W (Питание), провод GR/W (Масса) и провод Y (Сигнал).
Сигнал датчика на осциллографе:

j. Наличие воды в топливе PID 97
Функция:
Информирует бок EMS о наличии воды в предварительном фильтре топлива, чтобы сообщить эту информацию водителю посредством пиктограммы на дисплее IC'05.
Тип: Электродный

В случае неисправностей:
Неисправность регистрируется в блоке EMS. MID 128, PID 97, FMI 3, 4 или 0.
IC05 : Сигнальная лампочка СЕРВИС + ДАТЧИК ВОДЫ В ТОПЛИВЕ HS (FMI 3) или ВОДА В ТОПЛИВЕ (FMI 0).

Контроль:
Сопротивление датчика, погруженного в топливо: +∞ Ω
Сопротивление между клеммами B8 и B10 на блоке EMS или между клеммами 1 и 2 на датчике.
Проверка проводки: провод GR/W (Масса) и провод Y (Сигнал)
Проверить целостность и изоляцию.
k. Различная информация, поступающая в блок EMS
Информация об остановке двигателя (PPID 6):
Функция:
Позволяет остановить двигатель, когда кабина поднята.
Тип: Разъем
В случае неисправностей:
Неисправность регистрируется в блоке EMS. MID 128, PPID 6, FMI 5. Не запускается.
IC05 : Сигнальная лампочка СЕРВИС + НЕИСПРАВНОСТЬ КНОПКИ ОСТАНОВКИ ДВИГАТЕЛЯ.

Feedback Super H
Функция:
Позволяет передать информацию о верхней шкале системы super H в блок EMS, чтобы затем сообщить это водителю с помощью сообщения на дисплее IC'O5.
Тип: Разъем
В случае неисправностей:
Система super H работает правильно, но информация выбора шкалы остается неизменной на верхней шкале (5/8) на дисплее IC'05.
Схема: (Разъем A)

Уровень охлаждающей жидкости, PID 111:
Функция:
позволяет информировать блок EMS о низком уровне охлаждающей жидкости для того, чтобы предупредить водителя посредством сообщения на дисплее IC'O5.
Тип: Гибкий пластинчатый выключатель + поплавок
В случае неисправностей:
Когда датчик неисправен, информация об уровне жидкости не появляется на дисплее IC'05. Когда уровень слишком низкий, крутящий момент двигателя снижается блоком EMS, двигатель может остановиться.
Неисправность регистрируется в блоке EMS. MID 128, PID 111, FMI 1, 3 или 5
IC05 : Сигнальная лампочка СЕРВИС (FMI 3 и 5) или СТОП (FMI 1) + ДАТЧИК HS ПРОВЕРИТЬ УРОВЕНЬ (FMI 3 и 5) или СЛИШКОМ НИЗКИЙ УРОВЕНЬ ЖИДКОСТИ (FMI 1)

Функционирование:
Мы видим намагниченное кольцо, встроенное в поплавок. Он скользит вокруг направляющей, имеющей два последовательных сопротивления (одно 4772 Ω и другое 470 Ω) и гибкий пластинчатый выключатель (ILS). Все установлено по приведенной ниже схеме.
Когда уровень охлаждающей жидкости в норме, выключатель разомкнут и суммарное сопротивление 4772 + 470 = 5242 Ω.
Когда уровень слишком низок (минимальный уровень), поплавок спускается вниз по направляющей, дойдя до выключателя, намагниченное кольцо замкнет выключатель, шунтируя сопротивление 4772 Ω. Суммарное сопротивление становится равным 470 Ω.

Аварийная информация IVS (SID 230):
Функция:
Информация о безопасности. Блок VECU получает различную информацию от педали газа: Положение педали, выключатель в положении "нога поднята" (IVS).
Блок передает эту информацию в блок EMS через шину J1939-1 или, в аварийном режиме, через шину 1587-1.
В том случае, когда обе шины BUS неисправны, (например, короткое замыкание в разъеме между двумя шинами) а/м возможно переместить благодаря получаемой информации. Действительно, когда водитель нажимает на педаль газа, блок EMS устанавливает режим около 1200 об/мин.
Type: Информация от кабеля. N° провода 5072.
Схема:

В случае неисправностей:
Неисправность регистрируется в блоке EMS. MID 128, SID 230, FMI 3 или 5.
IC05: Сигнальная лампочка СЕРВИС + НЕИСПРАВНОСТЬ ПЕДАЛИ ГАЗА.

Feedback предварительный подогрев воздуха (PID 45)
Функция:
Позволяет блоку EMS проверять состояние реле подогрева воздуха, которым он управляет.
Тип: Информация от кабеля. N° провода 803.
В случае неисправностей:
Блок EMS больше не управляет реле подогрева воздуха. Холодный запуск затруднен. Неисправность регистрируется в блоке EMS. MID 128, PID 45, FMI 3, 4 или 5.
IC05: Сигнальная лампочка СЕРВИС (FMI 3 или 5) или СТОП (FMI 4) + ПРЕДВАРИТЕЛЬНЫЙ ПОДОГРЕВ HS или ПРЕДВАРИТЕЛЬНЫЙ ПОДОГРЕВ HS ОТКЛЮЧИТЬ КОНТАКТ.

Сводная таблица:

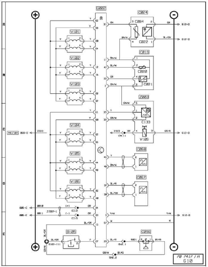
Исполнительные устройства блока EMS:

Электрические схемы:


Условные обозначения:
Разъём А:
- В105 Выключатель остановки двигателя
- С019 Комбинированный датчик давления и температуры наддуваемого воздуха
- С020 Датчик температуры наддуваемого воздуха
- С021 Датчик давления наддуваемого воздуха
- С022 Датчик уровня моторного масла
- С024 Комбинированный датчик давления и температуры моторного масла
- С067 Датчик оборотов двигателя на маховике
- С068 Датчик оборотов двигателя на распредвале
- С084 Датчик температуры моторного масла
- С096 Датчик давления на селекторе диапазона передач
- С133 Датчик скорости вентилятора системы охлаждения двигателя
- С002 Электронный блок управления двигателем
- VI01 Электроклапан форсунки цилиндра номер 1
- VI02 Электроклапан форсунки цилиндра номер 2
- VI03 Электроклапан форсунки цилиндра номер 3
- VI04 Электроклапан форсунки цилиндра номер 4
- VI05 Электроклапан форсунки цилиндра номер 5
- VI06 Электроклапан форсунки цилиндра номер 6
- VI09 Электроклапан регулирования скорости вентилятора охлаждения двигателя
- 2003 Блок регулятора вентилятора двигателя
Разъём B:
- С023 Датчик давления моторного масла
- С048 Датчик температуры контура охлаждения двигателя
- С088 Датчик уровня жидкости в контур! охлаждения двигателя
- С109 Датчик наличия воды в дизтопливе
- С132 Датчик давления дизтоплива в контуре низкого давления
- С150 Датчик давления дизтоплива внутри блока
- G002 Электронный блок управления двигателем
- N001 Термосопротивление подогрева топлива № 2
- N004 Термосопротивление подогрева воздуха
- S501 Реле предварительного нагрева воздуха
- V021 Электроклапан моторного тормоза OPTIBRAKE
- V023 Электроклапан горного тормоза
- V052 Электроклапан удвоителя шкалы передач
- V053 Электроклапан управления реле «коридора»
- V054 Узел управления реле коридора и удвоителя шкалы передач
- V108 Электроклапан дренажа осушителя воздуха Z001 Блок подогрева топлива