Электросхемы IVECO-STRALIS с 2002
КОДЫ КОМПОНЕНТОВ
03000 Генератор со встроенным выпрямительным мостом и регулятором напряжения
08000 Стартер
12015 Электродвигатель привода заслонки воздухозаборника
12023 Электродвигатель привода солнцезащитной шторки
12032 Двигатель гидропривода откидывания кабины
20000 Пусковая аккумуляторная батарея
22000 Звуковой сигнал
25200 Реле включения зажигания
25201 Реле предпускового подогрева
25202 Реле включения главного реле электропитания
25203 Реле выключения главного реле электропитания
25204 Реле разрешения пуска из моторного отсека при откинутой кабине
25205 Реле выключения двигателя
25206 Реле обогатителя смеси
25207 Реле для подключения б+ генератора к массе
25208 Реле разрешения пуска из моторного отсека при включенной передаче
25209 Реле отключения потребителей на время пуска
25210 Реле разрешения пуска при включенной нейтральной передаче
25211 Реле с задержкой размыкания для включения реле главного размыкателя массы
25212 Реле с задержкой замыкания для активации RTE
25213 Реле питания потребителей контура зажигания через плюс аккумуляторной батареи
25222 Реле включения предпускового подогревателя
25310 Реле разрешения включения обогревателя кабины в обход реле отключения потребителей во время пуска двигателя
25322 Реле включение первой скорости дополнительного обогревателя
25327 Реле включения системы кондиционирования воздуха
25332 Реле включения кондиционера
25544 Реле изменения полярности питания электродвигателя верхнего щитка LD
25545 Реле привода верхнего щитка (открыто/закрыто) LD
25722 Реле гидропривода откидывания кабины во время опускания
25723 Реле гидропривода откидывания кабины во время подъема
25866 Реле контакта 58
25874 Реле включения потребителей при работающем двигателе
25897 Реле включения боковой коробки отбора мощности (на КП)
25898 Реле включения задней коробки отбора мощности (на КП)
25900 Главный размыкатель массы
25924 Реле включения электронного блока управления двигателем (EDC) (Главное реле)
30001 Фара ближнего и дальнего света с габаритными огнями
30011 Противотуманная фара
32002 Передний указатель поворота
33001 Боковой указатель поворота
34000 Задний многофункциональный фонарь
34011 Фонарь освещения сцепного устройства
35000 Фонарь освещения номерного знака
37000 Передний и задний габаритный фонарь
37001 Передний габаритный фонарь
39003 Лампы освещения ступенек
39009 Лампы направленного света в кабине
39017 Лампы внутреннего освещения кабины с регулировкой направления света
39030 Лампа освещения бокового проема кабины
39034 Лампы (красные и белые) внутреннего освещения кабины
40011 Электронный тахограф
40032 Датчик спидометра и тахографа
40046 Индуктивный датчик высоты рамы заднего моста
40047 Индуктивный датчик высоты рамы переднего моста
42030 Датчик указателя давления моторного масла
42045 Датчик наружной температуры для регулировочного термометра
42102 Выключатель контрольной лампы стояночного тормоза
42108 Выключатель сигнализации замедления прицепа
42111 Выключатель сигнализации неисправности тормозной системы прицепа
42116 Выключатель сигнализации низкого давления в пневмоприводе электронной тормозной системы (EBS)
42200 Выключатель сигнализации неисправности пневматической подвески
42351 Выключатель контрольной лампы засорения воздушного фильтра
42374 Выключатель на приводе сцепления для электронного блока управления двигателем (EDC)
42381/А Правый датчик давления в пневмоподвеске с электронным управлением ведущего моста (ECAS)
42382/а Правый датчик давления в пневмоподвеске с электронным управлением подъемной оси (ECAS)
42389 Датчик давления в пневматическом контуре подъемного устройства третьего моста
42551 Выключатель контрольной лампы засорения масляного фильтра
42608 Блок из трех выключателей контроля давления хладагента в контуре кондиционера
42700 Выключатель контрольной лампы засорения топливного фильтра
44031 Датчик указателя уровня топлива с контрольной лампой низкого уровня топлива
44035 Индикатор уровня жидкости в бачке стеклоомывателя
44036 Индикатор низкого уровня охлаждающей жидкости
44037 Э Б У индикатора низкого уровня жидкости в приводе гидроусилителя рулевого управления
44043 Датчик уровня масла в двигателе
47032 Датчик указателя температуры масла в двигателе
47041 Датчик температуры охлаждающей жидкости ЭБУ тормоза-замедлителя
47042 Датчик температуры топлива
47043 Датчик температуры для вентилятора системы охлаждения
48035 Датчик частоты вращения двигателя
48042 Датчик частоты вращения двигателя на распредвале
48043 Датчик частоты вращения турбокомпрессора
50005 Блок КИП мультиплекс
52005 Выключатель со встроенной контрольной лампой зеркал заднего вида с электроподогревом
52009 Выключатель фонаря освещения седла с встроенной сигнальной лампой
52024 Выключатель дополнительных фар с встроенной контрольной лампой
52056 Выключатель противобуксовочного регулятора (ASR) с встроенной контрольной лампой
52059 Избиратель передач автоматической КП
52070 Выключатель боковой коробки отбора мощности
52071 Выключатель задней коробки отбора мощности
52090 Выключатель выравнивания пневмоподвески с электронным управлением (ECAS)
52091 Выключатель со встроенной контрольной лампой обогрева заднего стекла
52092 Выключатель отопителя кабины/подогрева двигателя
52093 Выключатель «надежной фиксации» задней крышки
52094 Выключатель фонаря направленного освещения кабины
52200 Выключатель пневматического и электрического звуковых сигналов
52302 Выключатель аварийной сигнализации со встроенной контрольной лампой
52304 Выключатель противотуманных фар, разрешающий включение задних противотуманных фонарей
52307 Выключатель наружных световых приборов
52312 Регулятор положения фар
52324 Переключатель режима моторного тормоза
52326 Переключатель красных и белых ламп внутреннего освещения кабины
52502 Замок зажигания (питания потребителей при работающем двигателе)
53006 Выключатель пуска двигателя из моторного отсека
53007 Выключатель двигателя, расположенный в моторном отсеке
53030 Выключатель устройства «облегчения трогания с места»
53061 Выключатель разрешения включения гидропривода откидывания кабины
53062 Выключатель гидропривода откидывания кабины во время опускания
53063 Выключатель гидропривода откидывания кабины во время подъема
53300 Переключатель стеклоподъемника двери водителя
53302 Переключатель стеклоподъемника пассажирской двери
53303 Панель управления приводом центрального замка
53304 Переключатель привода управления пневматической подвеской заднего моста
53305 Переключатель привода управления пневматической подвеской переднего моста
53306 Переключатель привода люка крыши кабины
53309 Переключатель привода подъемного устройства третьей оси
53311 Переключатель привода солнцезащитной шторки
53315 Переключатель заднего противотуманного фонаря
53316 Выключатель главного реле электропитания
53501 Выключатель стоп-сигналов
53503 Выключатель ламп заднего хода
53507 Выключатель контрольной лампы пониженного ряда передач
53508 Выключатель блокировки запуска двигателя при включенной передаче и включения ламп заднего хода
53509 Выключатель ламп освещения кабины
53510 Выключатель ламп освещения ступенек
53511 Выключатель сигнала откинутой кабины
53512 Выключатель блокировки запуска двигателя при выключенном стояночном тормозе
53521 Выключатель контрольной лампы межосевой блокировки дифференциала
53547 Выключатель вторичного сигнала от педали тормоза на электронный блок управления двигателем (EDC)
53567 Выключатель контрольной лампы боковой коробки отбора мощности
53568 Выключатель контрольной лампы задней коробки отбора мощности
53591 Выключатель контрольной лампы неисправности гидравлической системы дополнительного моста с управляемыми колесами
53593 Выключатель освещения инструментального ящика
53593 Выключатель лампы освещения бокового проема кабины
53602 Выключатель контрольной лампы неполного закрытия солнцезащитной шторки
53801 Переключатель контрольной лампы межколесной блокировки дифференциала (мосты Rockwell)
53802 Переключатель контрольной лампы межколесной блокировки дифференциала третьей оси (мосты Rockwell)
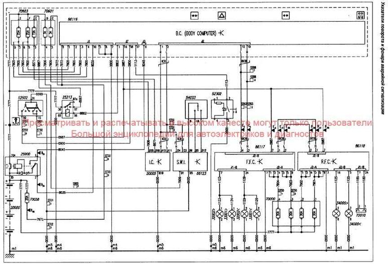
54030 Четырехфункциональный подрулевой переключатель
54033 Шестифункциональный подрулевой переключатель
61011 Корпус на 1 диод ЗА
61104 Сопротивление воздухосушителя тормозной системы
61121 Сопротивление предпускового подогрева двигателя
61126 Сопротивление вывода шины «Саn»
64000 Электронасос стеклоомывателя
68000 Радиоприемник
68001 Динамик
68003 Предусилитель
68005 Блок питания 24В-12В
68007 City band (радиопередатчик служебной связи)
70000 Блок предохранителей 6 (30 А)
70058 Предохранитель 1 на 20 а
70601 Блок предохранителей на 6 предохранителей
70602 Блок предохранителей на 6 предохранителей
70603 Блок предохранителей на 6 предохранителей
70604 Блок предохранителей на 6 предохранителей
70605 Блок предохранителей на 6 предохранителей
72006 7-контактный разъем для подключения электрооборудования АБС тягача и прицепа
7201015-контактный разъем для подключения электрооборудования прицепа
72021 30-контактный разъем для подключения диагностического электрооборудования
72025 2-контактный разъем на 12 В для подключения внешних потребителей
72026 2-контактный разъем на 12 В для подключения телефона
78016 Электроклапан вентилятора охлаждения
78050 Электроклапан привода моторного тормоза
78052 Электроклапан АБС/EBS
78053 Электроклапан управления противопробуксовочным регулятором (ASR)
78054 Электроклапан включения тормоза-замедлителя Retarder
78055 Электроклапан гидравлического аккумулятора тормоза-замедлителя Retarder
78057 Пропорциональный клапан контроля давления в пневмоприводе тормозов с электронным управлением переднего моста (EBS)
78058 Пропорциональный клапан контроля давления в пневмоприводе тормозов с электронным управлением прицепа (EBS)
78059 Дуплексный клапан тормозной системы с электронным управлением (EBS)
78060 Электроклапан отключения торможения колес третьего моста с помощью противобуксовочного регулятора (ASR)
78061 Дополнительный клапан торможения колес переднего моста в случае отказа электронного блока управления тормозами (EBS)
78203 Электроклапан привода пневматического звукового сигнала
78227 Электроклапан рециркуляции жидкости в теплообменнике
78238 Установленный на переднем мосте узел клапанов выравнивания рамы шасси
78239 Установленный на заднем мосте узел электроклапанов выравнивания рамы шасси
78243 Электропневматический распределитель заднего моста
78247 Электроклапан электронного впрыска топлива
78248 Электроклапан привода турбокомпрессора с изменяемой геометрией
78249 Электроклапан привода клапанов управления пневмосистемой третьего моста
78250 Электроклапан опускания третьего моста
78251 Электроклапан включения боковой коробки отбора мощности (на КП)
78252 Электроклапан включения задней коробки отбора мощности (на КП)
80000 Электродвигатель стеклоподъемника водительской двери
80001 Электродвигатель стеклоподъемника пассажирской двери 82000 Блок управления обогревателем ветрового стекла (дефростер)
82005 Дополнительный воздушный отопитель
82010 Электронный блок управления и контроля системы кондиционирования воздуха
84000 Водонагреватель
84009 Датчик наружной температуры воздуха
84010 Дозатор
84019 Электромагнитная муфта шкива
85000 Прикуриватель
85001 Разъем прикуривателя
85003 Зеркало заднего вида с подогревом (обзор прицепа)
85004 Зеркало заднего вида с подогревом (обзор на уровне колес)
85005 Зеркало заднего вида с подогревом
85006 Зеркало заднего вида с подогревом и электрорегулировкой (основное)
85007 Зеркало заднего вида с подогревом и электрорегулировкой (парковки)
85008 Зеркало заднего вида с подогревом и электрорегулировкой (широкоугольное)
85010 Электропривод зеркал заднего вида
85023 Электроблокировка замка
85065 Пульт дистанционного управления выравниванием подвески и подъемным устройством третьей оси
85150 Электронный блок управления двигателем (EDC)
85152 Датчик положения педали акселератора для EDC
85153 Датчик температуры жидкости в системе охлаждения (передача информации на электронный блок управления двигателем (EDC))
85154 Датчик давления воздуха в турбонагнетателе для EDC
85155 Датчик температуры воздуха в турбонагнетателе для EDC
85158 Датчик давления воздуха в предкамере турбокомпрессора для EDC
85159 Датчик температуры и давления наружного воздуха для EDC
86002 Датчики износа тормозных колодок передних колес
86003 Датчики износа тормозных колодок задних колес
86004 Электронный блок управления автоматической КП
86013 Датчик присутствия воды в топливном фильтре
86015 Электронный блок управления тормоза-замедлителя Retarder
86023 ЭБУ системы подъема и опускания подвески автомобиля
86030 Датчик солнечного света
86053 Прикроватная консоль управления и контроля по системной мультиплексной шине
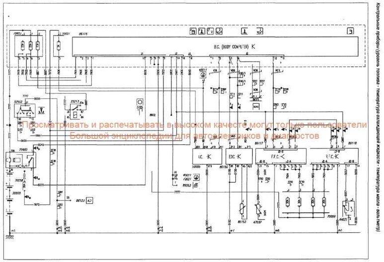
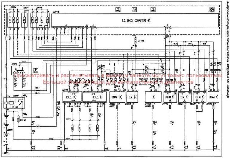
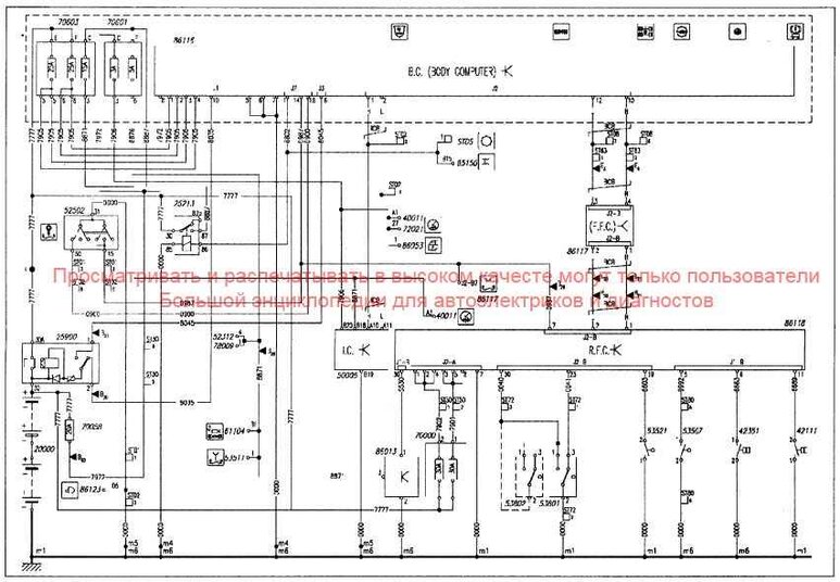
86116 Мультиплексный ЭБУ (В.С. - Бортовой компьютер)
86117 Мультиплексный ЭБУ (FFC - компьютер переднего контура электронного оборудования)
86118 Мультиплексный Э Б У (RFC - компьютер заднего контура электронного оборудования)
86119 Мультиплексный ЭБУ DDM (модуль двери водителя)
86120 Мультиплексный ЭБУ (модуль двери пассажира)
86123 Мультиплексный ЭБУ интерфейса с валом рулевого механизма
86124 Мультиплексный ЭБУ функциями оборудования кабины
88000 Электронный блок управления системы АБС
88001 Датчик системы АБС/EBS
88005 Электронный блок управления тормозной системы (EBS)
88006 Модулятор контроля давления в пневмоприводе тормозов с электронным управлением заднего моста (EBS)
88007 Потенциометр контроля положения тормозных колодок передних колес
88008 Потенциометр контроля положения тормозных колодок задних колес
88010 Предохранительный датчик для реализации максимального тормозного момента колес заднего моста при неисправности переднего моста (АБС с электронной системой ограничения тормозно-
го усилия EBL).















Все схемы - в энциклопедии