См. также:
Система двигателя CR4_T1N - OM646
(MB Sprinter 909)






- А12 (центральный блок реле и предохранителей)
- В11 (датчик температуры охлаждающей жидкости)
- В17/9 (датчик температуры нагнетаемого воздуха)
- В19 (датчик температуры катализатора)
- В19/12 (датчик температуры перед сажевым фильтром)
- В19/12x1 (электрическое штекерное соединение датчика температуры перед сажевым фильтром)
- В19x1 (электрическое штекерное соединение датчика температуры катализатора)
- В2/5 (термоанемометрический расходомер воздуха)
- В28/11 (датчик давления во впускном коллекторе)
- В28/8 (датчик дифференциального давления сажевого фильтра)
- В37/3 (модуль педали газа)
- В4/6 (датчик давления топлива)
- В40/5 (датчик уровня масла в двигателе)
- В5/1 (датчик давления нагнетаемого воздуха)
- В50 (датчик температуры топлива)
- В6/19 (датчик числа оборотов)
- В60 (датчик противодавления ОГ)
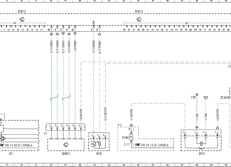
- В76 (обогрев топливного фильтра с датчиком конденсата)
- В85/2 (кислородный датчик)
- В85/2х1 (электрическое штекерное соединение кислородного датчика)
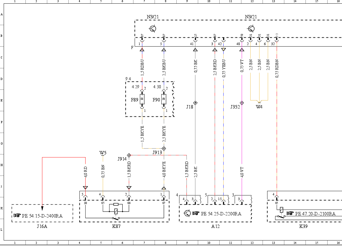
- F140 (блок предохранителей)
- F140.5 (электрический предохранитель, система предпускового подогрева клемма 30)
- F180 (электрический предохранитель 22 клемма 30)
- F89 (электрический предохранитель 29 реле клеммы 87 (1))
- F90 (электрический предохранитель 30 реле клеммы 87 (2))
- F91 (электрический предохранитель 31 реле клеммы 87 (3))
- G1 (генератор)
- ЛОО (концевая муфта клеммы 87)
- Л 01 (концевая муфта выхода 5 В)
- ЛОЗ (концевая муфта клеммы 87)
- Л 06 (концевая муфта клеммы 31)
- Л6А (концевая муфта клеммы 30)
- Л 8 (концевая муфта клеммы 15)
- J340 (концевая муфта CAN-High)
- J352 (концевая муфта клеммы 50)
- J378 (концевая муфта CAN-Low)
- J913 (концевая муфта клеммы 87)
- J914 (концевая муфта клеммы 30)
- J99 (концевая муфта клеммы 87)
- К39 (реле топливного насоса)
- К61 (реле стартера)
- К74 (реле клеммы 15)
- К87 (реле клеммы 87)
- L5/7 (датчик положения коленвала)
- М16/40 (сервомотор дроссельной заслонки)
- N14/2 (выходной каскад предпускового подогрева)
- N3/21 (блок управления CDI)
- Р15 (комбинация приборов)
- Р17 (диагностический разъём 16-контактный)
- R14 (свеча накаливания)
- R15 (свеча накаливания)
- R16 (свеча накаливания)
- R17 (свеча накаливания)
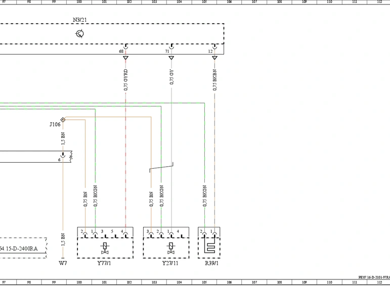
- R39/1 (нагревательный элемент трубопровода вентиляции)
- S40/3 (выключатель педали сцепления)
- W4 (точка массы моторного щита)
- W5 (точка массы короба сиденья)
- W7 (точка массы моторного отсека)
- Х26/38 (электрическое штекерное соединение жгута электропроводки двигателя)
- Y27/11 (регулятор рециркуляции ОГ)
- Y74 (клапан регулирования давления)
- Y76/1 (форсунка цилиндра 1)
- Y76/2 (форсунка цилиндра 2)
- Y76/3 (форсунка цилиндра 3)
- Y76/4 (форсунка цилиндра 4)
- Y77/1 (сервомеханизм регулировки давления нагнетаемого воздуха)
- Y94 (дозирующий клапан)
Места установки
N3/21 (блок управления CDI)

N14/2 (выходной каскад предпускового подогрева)

G1 (генератор)

М16/40 (сервомотор дроссельной заслонки)

R14 (свеча накаливания) Цилиндр 4
R15 (свеча накаливания) Цилиндр 3
R16 (свеча накаливания) Цилиндр 2
R17 (свеча накаливания) Цилиндр 1

R39/1 (нагревательный элемент трубопровода вентиляции)

Y27/11 (регулятор рециркуляции ОГ)

Y74 (клапан регулирования давления)

Y76/1 (форсунка цилиндра 1)
Y76/2 (форсунка цилиндра 2)
Y76/3 (форсунка цилиндра 3)
Y76/4 (форсунка цилиндра 4)

Y94 (дозирующий клапан)

В2/5 (термоанемометрический расходомер воздуха)

В4/6 (датчик давления топлива)

В5/1 (датчик давления нагнетаемого воздуха)

В6/19 (датчик числа оборотов)

В11 (датчик температуры охлаждающей жидкости)

В17/9 (датчик температуры нагнетаемого воздуха)

В19 (датчик температуры катализатора)

В19/12 (датчик температуры перед сажевым фильтром)

В28/8 (датчик дифференциального давления сажевого фильтра)

В28/11 (датчик давления во впускном коллекторе)

В37/3 (модуль педали газа)

В40/5 (датчик уровня масла в двигателе)

В50 (датчик температуры топлива)

В60 (датчик противодавления ОГ)

В76 (обогрев топливного фильтра с датчиком конденсата)

В85/2 (кислородный датчик)

L5/7 (датчик положения коленвала)

S40/3 (выключатель педали сцепления)

В19x1 (электрическое штекерное соединение датчика температуры катализатора)

В19/12x1 (электрическое штекерное соединение датчика температуры перед сажевым фильтром)

В85/2х1 (электрическое штекерное соединение кислородного датчика)

Х26/38 (электрическое штекерное соединение жгута электропроводки двигателя)

F140 (блок предохранителей)
F140.5 (электрический предохранитель, система предпускового подогрева клемма 30)

А12 (центральный блок реле и предохранителей)

К61 (реле стартера)
К87 (реле клеммы 87)
F89 (электрический предохранитель 29 реле клеммы 87 (1))
F90 (электрический предохранитель 30 реле клеммы 87 (2))
F91 (электрический предохранитель 31 реле клеммы 87 (3))
F180 (электрический предохранитель 22 клемма 30)

W4 (точка массы моторного щита)
W5 (точка массы короба сиденья)
W7 (точка массы моторного отсека)

J18 (концевая муфта клеммы 15)
J16А (концевая муфта клеммы 30)
J99 (концевая муфта клеммы 87)
J100 (концевая муфта клеммы 87)
J101 (концевая муфта выхода 5 В)
J103 (концевая муфта клеммы 87)
J106 (концевая муфта клеммы 31)
J340 (концевая муфта CAN-High)
J352 (концевая муфта клеммы 50)
J378 (концевая муфта CAN-Low)
J913 (концевая муфта клеммы 87)
J914 (концевая муфта клеммы 30)

Распределение штекеров

- 1 F89 (электрический предохранитель 29 реле клеммы 87 (1))
- 2 W4 (точка массы моторного щита)
- 3 А12 (центральный блок реле и предохранителей) Штекер 5, контакт 2
- 4 W4 (точка массы моторного щита)
- 5 F90 (электрический предохранитель 30 реле клеммы 87 (2))
- 6 W4 (точка массы моторного щита)
- 7 В37/3 (модуль педали газа) Контакт 3
- 8 —
- 9 В2/5 (термоанемометрический расходомер воздуха) Контакт 3
- 10 В2/5 (термоанемометрический расходомер воздуха) Контакт 4
- 11 В28/8 (датчик дифференциального давления сажевого фильтра) Контакт 1
- 12 В37/3 (модуль педали газа) Контакт 6
- 13 В2/5 (термоанемометрический расходомер воздуха) Контакт 2
- 14 —
- 15 В37/3 (модуль педали газа) Контакт 1
- 16 В28/8 (датчик дифференциального давления сажевого фильтра) Контакт 3
- 17 В28/11 (датчик давления во впускном коллекторе) Контакт 3
- 18 Р17 (диагностический разъём 16-контактный) Контакт 3
- 19-20 —
- 21 В28/11 (датчик давления во впускном коллекторе) Контакт 2
- 22-23 —
- 24 В37/3 (модуль педали газа) Контакт 2
- 25 В28/11 (датчик давления во впускном коллекторе) Контакт 1
- 26-29 —
- 30 В28/8 (датчик дифференциального давления сажевого фильтра) Контакт 2
- 31 —
- 32 К39 (реле топливного насоса) Контакт 4
- 33 —
- 34 S40/3 (выключатель педали сцепления) Контакт 1
- 35-39 —
- 40 В37/3 (модуль педали газа) Контакт 4
- 41 А12 (центральный блок реле и предохранителей) Штекер 4, контакт 3
- 42 А12 (центральный блок реле и предохранителей) Штекер 5, контакт 15
- 43 —
- 44 К61 (реле стартера) Контакт 4
- 45-46 —
- 47 N14/2 (выходной каскад предпускового подогрева) Штекер 1, контакт 2
- 48 А12 (центральный блок реле и предохранителей) Штекер 3, контакт 3
- 49-50 —
- 51 J340 (концевая муфта CAN-High)
- 52 J378 (концевая муфта CAN-Low)
- 53-58 —

- 1 Y76/1 (форсунка цилиндра 1) Контакт 2
- 2 Y76/4 (форсунка цилиндра 4) Контакт 2
- 3-5 —
- 6 В85/2х1 (электрическое штекерное соединение кислородного датчика) Контакт 5
- 7 —
- 8 В76 (обогрев топливного фильтра с датчиком конденсата) Контакт 1
- 9 В60 (датчик противодавления ОГ) Контакт 2
- 10 В6/19 (датчик числа оборотов) Контакт 1
- 11 М16/40 (сервомотор дроссельной заслонки) Контакт 2
- 12 R39/1 (нагревательный элемент трубопровода вентиляции) Контакт 1
- 13-14 —
- 15 В6/19 (датчик числа оборотов) Контакт 3
- 16-17 —
- 18 В60 (датчик противодавления ОГ) Контакт 1
- 19 В5/1 (датчик давления нагнетаемого воздуха) Контакт 3
- 20-22 —
- 23 Y74 (клапан регулирования давления) Контакт 2
- 24 М16/40 (сервомотор дроссельной заслонки) Контакт 5
- 25 Y76/3 (форсунка цилиндра 3) Контакт 2
- 26 Y76/2 (форсунка цилиндра 2) Контакт 2
- 27 —
- 28 В17/9 (датчик температуры нагнетаемого воздуха) Контакт 1
- 29 Р15 (комбинация приборов), Клемма D+
- 30 —
- 31 В85/2х1 (электрическое штекерное соединение кислородного датчика) Контакт 6
- 32 —
- 33 В6/19 (датчик числа оборотов) Контакт 2
- 34 В40/5 (датчик уровня масла в двигателе) Контакт 1
- 35 В76 (обогрев топливного фильтра с датчиком конденсата) Контакт 2
- 36 В40/5 (датчик уровня масла в двигателе) Контакт 2
- 37-39 —
- 40 В40/5 (датчик уровня масла в двигателе) Контакт 3
- 41 М16/40 (сервомотор дроссельной заслонки) Контакт 1
- 42 —
- 43 В4/6 (датчик давления топлива) Контакт 3
- 44-46 —
- 47 Y94 (дозирующий клапан) Контакт 2
- 48 В85/2х1 (электрическое штекерное соединение кислородного датчика) Контакт 3
- 49 Y76/2 (форсунка цилиндра 2) Контакт 1
- 50 Y76/1 (форсунка цилиндра 1) Контакт 1
- 51 —
- 52 В11 (датчик температуры охлаждающей жидкости) Контакт 1
- 53 —
- L5/7 (датчик положения коленвала) Контакт 2
- 54-55 —
- 56 В50 (датчик температуры топлива) Контакт 1
- 57 В85/2х1 (электрическое штекерное соединение кислородного датчика) Контакт 2
- 58-59 —
- 60 В11 (датчик температуры охлаждающей жидкости) Контакт 2
- 61 В50 (датчик температуры топлива) Контакт 2
- 62 В19x1 (электрическое штекерное соединение датчика температуры катализатора) Контакт 2
- 63 В19/12x1 (электрическое штекерное соединение датчика температуры перед сажевым фильтром) Контакт 2
- 64 В4/6 (датчик давления топлива) Контакт 1
- 65 В4/6 (датчик давления топлива) Контакт 2
- 66 —
- 67 М16/40 (сервомотор дроссельной заслонки) Контакт 3
- 68 Y77/1 (сервомеханизм регулировки давления нагнетаемого воздуха) Контакт 4
- 69-70 —
- 71 Y27/11 (регулятор рециркуляции ОГ) Контакт 1
- 72 М16/40 (сервомотор дроссельной заслонки) Контакт 4
- 73 Y76/4 (форсунка цилиндра 4) Контакт 1
- 74 —
- 75 Y76/3 (форсунка цилиндра 3) Контакт 1
- 76 —
- 77 L5/7 (датчик положения коленвала) Контакт 1
- 78-79 —
- 80 В85/2х1 (электрическое штекерное соединение кислородного датчика) Контакт 1
- 81 В60 (датчик противодавления ОГ) Контакт 3
- 82 В5/1 (датчик давления нагнетаемого воздуха) Контакт 2
- 83 В19x1 (электрическое штекерное соединение датчика температуры катализатора) Контакт 1
- 84 В17/9 (датчик температуры нагнетаемого воздуха) Контакт 2
- 85-86 —
- 87 В5/1 (датчик давления нагнетаемого воздуха) Контакт 1
- 88 G1 (генератор) Контакт 1
- 89 В19/12x1 (электрическое штекерное соединение датчика температуры перед сажевым фильтром) Контакт 1
- 90-92 —
- 93 Y74 (клапан регулирования давления) Контакт 1
- 94 Y94 (дозирующий клапан) Контакт 1
- 95-96 —

