Электронная тормозная система (EBS)
Подфункции EBS
- EPB Электропневматическая тормозная система. EPB выполняет функцию электронной регулировки тормозного усилия. Без ABS это выполняется до полной регулировки давления. Дополнительные функции способствуют электронному регулированию тормозного давления, за счет которого осуществляется различное распределение тормозного давления на тормозные цилиндры.
- ABS Антиблокировочная система. ABS регулирует тормозное давление в случае возможной блокировки колес и выключает тормоз-замедлитель.
- ASR Антипробуксовочная система. ASR регулирует тормозное давление на приводных мостах при возможном прокручивании колес и/или уменьшает мощность двигателя.
- ESP Электронная система обеспечения устойчивости. Путем регулировки ESP уменьшает опасность опрокидывания на поворотах и заноса/изгиба поезда на скользкой дороге.
- Система регулировки замыкающего усилия точно согласовывает тормозные усилия тягача и прицепа. Тем самым обеспечивается оптимальное и одновременное торможение обеих частей автомобиля.
- Система экстренного торможения измеряет высоту и интенсивность нажатия тормозной педали. Таким образом определяется намерение водителя выполнить полное торможение (например, резко нажать на тормоз), после чего электрическая система обеспечивает полное тормозное усилие.
EBS состоит из двухконтурной чисто пневматической и наложенной одноконтурной электропневматической цепи управления. Конструкция нижележащей двухконтурной пневматической цепи управления в целом соответствует конструкции обычной тормозной системы. Электронное регулирование тормозного давления выполняется пневматическим контуром управления (резервным контуром), который включается автоматически при сбое электропитания. Стояночная тормозная система обычная, действует механически с пневматической передачей сигнала.
Характеристики EBS для грузовых автомобилей
- Стандартная стояночная тормозная система: с механическим управлением и пневматической передачей сигнала.
- Рабочая тормозная система: с одноконтурной тормозной системой с электронным регулированием от бортового напряжения и с двухконтурным пневматическим резервным контуром.
- Бортовое напряжение 24 вольта, резервное давление до 12,5 бар, давление в тормозных цилиндрах до 10 бар.
- Пневматическая двухпроводная тормозная система со стандартным модулем управления прицепом.
- 7-контактное электрическое штекерное соединение по DIN ISO 7638 между тягачом и прицепом.
- Блок управления EBS с шиной CAN для передачи данных:
- Шина данных CAN трансмиссии – блок управления EBS к остальным системам на автомобиле.
- Шина данных CAN прицепа – блок управления EBS тягача/прицепа по DIN ISO 7638.
- Шина данных CAN тормозной системы – блок управления EBS к модулям регулировки давления на тягаче и прицепе.
- Шина данных CAN датчиков – блок управления EBS к датчикам ESP (датчик угла поворота и датчик угла поворота рулевого колеса).
- Одноканальные/двухканальные модули регулировки давления с интегрированной электроникой.
- Модуль управления прицепом служит для электронной регулировки стандартных прицепов.
- Датчик частоты вращения и датчики тормозных накладок подключены непосредственно к модулям регулировки давления.
- Функция ASR с регулятором тормозов и двигателя осуществляется с помощью шины данных CAN трансмиссии.
- Дополнительный функциональный переключатель (например, повышения порога пробуксовки ASR).
- Программируемая с помощью EOL конфигурация системы и характеристики давления по индивидуальным критериям оптимальности (одинаковая установка всех колесных тормозов, распределение давления, износ тормозных накладок, одинаковая сила сцепления, максимальная задержка).
- Система регулировки замыкающего усилия (только вместе с модулем управления прицепом).
- Регулировка износа тормозных накладок, функциональный сигнализатор предельно допустимого износа тормозных накладок.
- Диагностика осуществляется с помощью диагностической розетки X200 ("KWP-on-CAN").
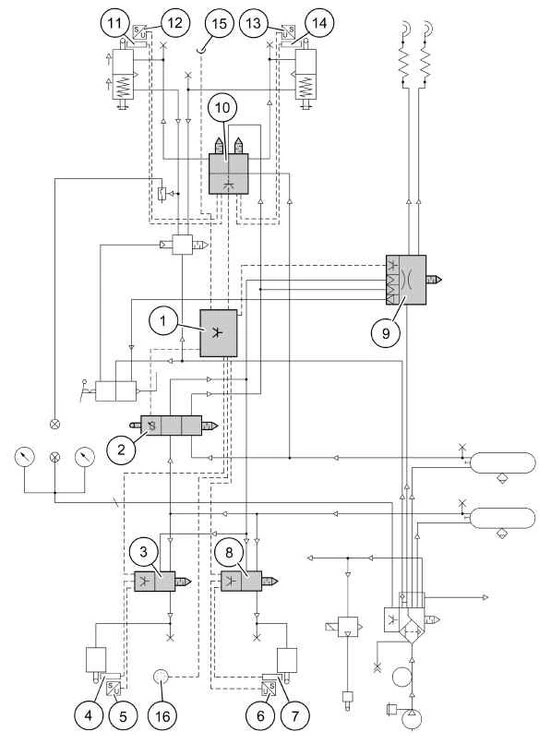
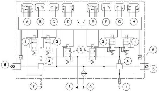
Функциональная схема и схема электрических соединений (грузовые автомобили 4x2)

--------- пневмопроводы
- - - - - электрические провода
1 Блок управления EBS (A402)
2 Рабочий тормозной клапан с интегрированным тормозным датчиком (G7.310/B337)
3 Модуль регулировки давления переднего моста справа (G67.310/Y262)
4 Датчик частоты вращения переднего моста справа (B120)
5 Датчик тормозной накладки переднего моста справа (B332)
6 Датчик тормозной накладки переднего моста слева (B333)
7 Датчик частоты вращения переднего моста слева (B119)
8 Модуль регулировки давления переднего моста слева (G67.310/Y263)
9 Модуль управления прицепом (G17.310/Y278)
10 Модуль регулировки давления заднего моста (G67.311/Y264)
11 Датчик частоты вращения заднего моста справа (B122)
12 Датчик тормозной накладки ведущего моста справа (B334)
13 Датчик тормозной накладки ведущего моста слева (B335)
14 Датчик частоты вращения заднего моста слева (B121)
15 Розетка прицепа ABS (X317)
16 Диагностическая розетка (X200)
Принцип действия компонентов
Транспортное положение
Если зажигание включено, блок управления EBS (1) приводится в действие. Если неисправности отсутствуют, включается EBS при отпущенной тормозной педали. Электропитание EBS поступает от бортовой электрической сети. Все электромагнитные клапаны в тормозной системе оказываются обесточенными при выключении тормоза.
Если зажигание выключено и рабочий тормозной клапан приведен в действие, включается блок управления EBS (X1/6) с помощью сигнала "Wake up" от рабочего тормозного клапана (B337, Pin 3). Это обеспечивает электропневматическое регулирование давления также и при выключенном зажигании.
EPB - Электропневматическая тормозная система
Рабочий тормозной клапан (2) приводится в действие. Интегрированный в рабочий тормозной клапан тормозной датчик отправляет электрический сигнал в блок управления EBS (1). На основании норм EOL генерируется номинальное значение тормозного давления. Оно передается штекерному соединению прицепа (15) (шина данных CAN прицепа). Кроме того, номинальные значения, полученные блоком управления EBS, поступают по шине данных CAN тормозной системы в модули регулировки давления (3, 8, 10). Они автоматически регулируют тормозное давление включенных последовательно тормозных цилиндров.
Номинальные значения, которые передаются из блока управления EBS в модули регулировки давления, соответствуют нагрузке мостов. Масса автомобиля определяется с помощью сигналов датчиков частоты вращения (частоты вращения колес) тягача и сигнала CAN прицепа.
Торможение посредством резервного контура
В тягаче регулируются два пневматических тормозных давления независимо от электрического сигнала тормозного датчика рабочего тормозного клапана (2). Они поступают в модули регулировки давления (3, 8, 10) тягача.
Пневматическое тормозное давление при торможении, регулируемом электронной системой, поддерживается в модулях регулировки давления в "резерве". Пневматическое давление рабочего тормозного клапана назначается в тягаче также в модуле управления прицепом (9). Модуль управления прицепом регулирует давление соединительной головки тормозной системы и резервное давление соединительной головки.
Торможение посредством резервного контура (без "резерва" на модуле регулировки давления) выполняется в следующих случаях
- Блок управления EBS не отправляет электрическое номинальное значение в отдельные или все модули регулировки давления
- Блок управления EBS отключил при обнаружении неисправности отдельные или все модули регулировки давления.
При торможении посредством резервного контура на электромагнитные клапаны в модулях регулировки давления (3, 8, 10) не подается электропитание. Тормозное давление, регулируемое рабочим тормозным клапаном (2) и назначенное на входе управления модулем регулировки давления, оказывает воздействие на ускорительный клапан в модуле регулировки давления и модуль управления прицепом. Эти модули регулируют пропорционально давление подключенной питающей магистрали в тормозном цилиндре и в магистрали тормозного привода прицепа.
Антиблокировочная система (ABS)
Датчики частоты вращения (4, 7, 11, 14) подключены к входам модулей регулировки давления (3, 8, 10). Сигналы передаются в блок управления EBS (1) по шине данных CAN тормозной системы, блок управления определяет базовую скорость движения автомобиля и другие параметры, которые затем снова передаются по шине данных CAN тормозной системы в модули регулировки давления.
ABS при электропневматической тормозной системе (EPB с электрическим номинальным значением)
Каждый модуль регулировки давления понижает тормозное давление относительно заданного номинального значения в канале регулировки в соответствии с допустимой величиной скольжения.
ABS и тормоз-замедлитель
На выходе реле тормоза-замедлителя (A402) определяется наличие регулировки ABS, которое отображается в виде информации "ABS активна" сообщения EBC1 на шине данных CAN трансмиссии.
Сигналы генерируются:
- во время рабочего торможения с ABS
- если не включен рабочий тормоз при повышенном скольжении
Тормоз-замедлитель отключается с помощью этих сигналов во время регулировки ABS.
Способы регулировки автомобилей с ABS
EBS доступны четыре стратегии регулировки, которые активируются в зависимости от комбинации модуля регулировки давления с датчиком частоты вращения и программированием EOL.
- Индивидуальное регулирование (IR)
- Модифицированное индивидуальное регулирование (IRM)
- Регулирование Select-low (SL)
- Регулирование Select-smart (SSM)
- Индивидуальное регулирование (IR)
Тормозное давление в канале регулировки регулируется индивидуально в соответствии с режимом частоты вращения контролируемого колеса. При разных значениях коэффициента трения шин о полотно дороги слева/справа соответствующие, однако различные силы торможения создают момент рыскания автомобиля относительно вертикальной оси. Этот способ регулировки применяется преимущественно на неуправляемых мостах и помогает контролировать реакции автомобиля при торможении.
- Модифицированное индивидуальное регулирование (IRM)
Тормозное давление в двух каналах регулировки регулируется индивидуально в соответствии с режимом частоты вращения контролируемых колес. Для еще незаблокированного колеса все же ограничивается максимально возможное тормозное давление по сравнению с колесом, которое уже регулируется ABS. Поддерживаются минимальные моменты рыскания без существенного увеличения пути торможения. Применяется преимущественно на управляемых мостах (в зависимости от нагрузки на мост).
- Регулирование Select-low (SL)
Тормозное давление в канале регулировки регулируется в зависимости от режима частоты вращения двух контролируемых колес. Кроме того, тормозное давление регулируется с использованием датчиков на том колесе, которое блокируется первым (выбирается Low-Rad). На колесо, которое движется при высоком коэффициенте трения (ведущее колесо моста с большим сцеплением с дорогой), не передается тормозная сила. Регулирование SL положительно влияет на устойчивость автомобиля, а на путь торможения – отрицательно. Применяется на мостах с одноканальным модулем регулировки (например, на управляемом поддерживающем мосту) или применяется одностороннее регулирование SL.
- Регулирование Select-smart (SSM)
Тормозное давление в канале регулировки регулируется в зависимости от режима частоты вращения двух контролируемых колес. При разных значениях коэффициента трения дорожного покрытия на контролируемых колесах устанавливается более высокое тормозное давление в результате интеллектуальной оценки, чем при SL. Это приводит к увеличению среднего значения тормозной силы. На колесе с более низким коэффициентом трения (ведущем колесе моста с меньшим сцеплением с дорогой) появляются короткие фазы блокирования, в которых регулировка выполняется по Select-high (SH). Применяется на мостах с одноканальным модулем регулировки или применяется одностороннее SSM.
ASR - регулирование антипробуксовочной системы
Электроника определяет проворачивание ведущих колес при трогании с места и ускорении по разности скоростей приводных и неприводных колес и понижает крутящий момент двигателя (регулятор двигателя).
При разных значениях коэффициента трения справа/слева (µ-split) в основном проворачивается только колесо на дорожном покрытии с наименьшим коэффициентом трения. Проскальзывающее колесо притормаживается с помощью регулятора торможения ASR. Движущий момент активируется только на колесе с высоким значением коэффициента трения. Таким образом ASR выступает в качестве автоматической блокировки дифференциала. Для выполнения измерений на испытательном стенде следует отключить ASR.
Регулятор двигателя ASR
При одинаковом проворачивании ведущих колес движущий момент двигателя уменьшается настолько, чтобы средняя скорость вращения приводных колес заднего моста незначительно превышала скорость вращения неприводных колес переднего моста. Блок управления EBS выдает необходимый для понижения сигнал в электронную систему управления дизелем Electronic Diesel Control (EDC) по шине данных CAN трансмиссии. Регулятор двигателя активируется при любом диапазоне скоростей.
Связь с блоком управления EDC
Связь с автомобильным компьютером (A403) поддерживается с помощью шины данных CAN трансмиссии, от него по шине данных CAN двигателя – с блоком управления EDC (A435).
Off-Road-ASR (ASR при движении по бездорожью)
Нажатием на клавишу ASR-Off-Road регулируется пробуксовка при особых условиях движения по бездорожью. Контрольная лампа ASR-Info (информационный дисплей) на приборной панели сигнализирует водителю об активации этого специального режима, или в виде пиктограммы индицируется информация "ABS-Off-Road switch active". Эта функция деактивируется при повторном нажатии на клавишу или выключении зажигания.
Регулятор торможения ASR
Проскальзывающее колесо постепенно притормаживается и контролируется датчиком давления и датчиком частоты вращения. При торможении скорость проскальзывающего колеса понижается, а скорость приводного колеса повышается посредством движущего момента. Скорости ведущих колес вследствие этого синхронизируются.
При скорости более 40 км/ч регулятор торможения не активируется. Если он работает во время ускорения при более низкой скорости, то он остается включенным при соответствующем режиме регулировки до следующего переключения передачи более 40 км/ч. Блок управления EBS не может установить термическую нагрузку колесных тормозов с помощью регулятора торможения ASR. Применение соответствующего режима пуска предотвращает возможную перегрузку при длительном регулировании ASR.
При слишком низком резервном давлении в одном из тормозных контуров регулятор торможения ASR отключается примерно через секунду. По этой причине от блока управления EBS поступает напряжение для красной сигнальной лампы, или считывается информация о резервном давлении в сообщении "Резервное давление" по шине данных CAN трансмиссии
Система регулировки силы сцепки
Тормозное действие между тягачом и прицепом точно согласуется друг с другом. Электрическая система автомобиля должна быть определять качество тормозов прицепа. Для этого в качестве эталона используются первые торможения автопоезда. Затем выполняется обработка данных тормозного давления, датчиков частоты вращения, определяется масса тягача и прицепа.
Затем регулируется пороговое давление тормозной системы прицепа или полуприцепа.
Автоматическая компенсация шин
Система оснащена автоматической компенсацией шин. После замены шин существует возможность подключения регулятора двигателя ASR перед завершением адаптации балансировки шин.
Это может быть прервано нажатием клавиши ASR-Off-Road. Через несколько минут свободного движения на прямом дорожном полотне без торможения адаптация завершается, и клавиша ASR-Off-Road снова выключается.
Компоненты EBS
Блок управления EBS (A402)
Электронный блок управления служит для управления и контроля тормозной системы с электронным регулированием. Электропитание поступает от центральной электрической сети. В блок управления EBS (A402) интегрирована функция ESP.
Передача данных
- в остальные системы осуществляется по шине данных CAN "Трансмиссия"
- между тягачом и прицепом по шине данных CAN "Прицеп"
- к модулям регулировки давления в автомобиле с тягачом и прицепом по шине данных CAN "Тормоз"
- к датчикам ESP по шине данных CAN "Датчик".
Устройство управления программируется по методу "EOL" (End Of Line). Чтобы ввести параметры завода-изготовителя системы, на выходе автомобиля с конвейера завод-изготовитель автомобиля также вводит индивидуальные параметры автомобиля. Ввод параметров проверяется с помощью диагностического сканера, при необходимости можно изменить их.
Тормозной датчик (B337)
Тормозной датчик интегрирован в рабочий тормозной клапан. Электропитание поступает от блока управления EBS (A402).
1-канальный модуль регулировки давления (Y262/Y263)
На переднем мосту справа и слева установлен 1-канальный модуль регулировки давления с интегрированной электроникой. Электропитание поступает от блока управления EBS (A402). Передача данных из модулей регулировки давления в блок управления EBS осуществляется по шине данных CAN "Тормоз".
Модуль регулировки давления 2-канальный (Y264)
На заднем мосту установлен 2-канальный модуль регулировки давления (Y264) с интегрированной электроникой. Электропитание поступает от блока управления EBS (A402). Передача данных из модуля регулировки давления в блок управления EBS осуществляется по шине данных CAN "Тормоз".
Модуль управления прицепом (Y278)
Для обеспечения эксплуатации автомобиля с прицепом установлен модуль управления прицепом. Блок управления EBS (A402) осуществляет функции электропитания и управления электромагнитными клапанами. Основной функцией модуля управления прицепом является регулирование тормозного давления в магистрали тормозного привода прицепа (разъем 22). Стояночный тормоз и функция срабатывания при отрыве работают обычным образом.
Устройство датчика частоты вращения
Устройство датчика частоты вращения состоит из зубчатого импульсного ротора и индуктивного датчика частоты вращения (B119/B120 передний мост, B591/B592 2-й передний мост, B121/B122 ведущий мост).
Датчики частоты вращения электрически подключены к модулям регулировки давления. При вращающемся колесе в датчике скорости вращения вырабатывается переменное напряжение, частота которого пропорциональна скорости колеса.
Датчик тормозной накладки
Каждый колесный тормоз контролируется датчиком тормозной накладки. В 1-канальных модулях регулировки давления (Y262/Y263) на переднем мосту подключены датчики B332 (справа) и B333 (слева). При наличии 2-го переднего моста к этим 1-канальным модулям регулировки давления дополнительно подключаются датчики B537 и B538.
В 2-канальном модуле регулировки давления (Y264) на задних мостах подключаются на мост по два датчика (B334/B335 – на ведущем мосту и B529/B530 – на дополнительном мосту).
На датчики поступает электропитание только во время торможения, за исключением инициализации после включения зажигания. По завершении процесса торможения регистрируются электрические сигналы в модулях регулировки давления. Передача данных осуществляется по шине данных CAN "Тормоз".
Розетка прицепа
Электропитание розетки прицепа (X317) поступает от центральной электрической сети (А100). Передача данных от тягача к прицепу осуществляется по шине данных CAN "Прицеп" (X317 Pin 6 и Pin 7)
Для обеспечения взаимозаменяемости тягача и прицепа эксплуатация EBS прицепа предполагает наличие следующих компонентов:
- Двухпроводная пневматическая тормозная система с резервным трубопроводом подачи сжатого воздуха и магистралью тормозного привода.
- Штепсельный разъем для ABS, с полной разводкой, Pin 6 и 7 (7-контактный соединительный кабель).
ОСТОРОЖНО: Если в прицеп интегрирована EBS, то тягач и прицеп соединяются только 5-контактным соединительным кабелем ABS, и применяется обычный пневматический контур управления.
Совместимость различных тормозных систем
Кроме комбинаций автомобилей из тягачей и прицепов с EBS возможны комбинации тягачей EBS с обычными прицепами, а также прицепами, соответствующими стандартам ISO 11992 и ISO 7638 (7-контактными).
Усилие, воздействующее на прицеп, зависит от пневматических проводов, электропитания, а также магистралей тормозного привода, которыми соединяются тягач и прицеп.
В нижеследующей таблице представлены возможные комбинации для:
Тягач с EBS и прицепы с различным оснащением (см. комбинации автомобилей 1-5)

Функции прицепа в следующих комбинациях автомобиля.
1 Подключение прицепа к тягачу осуществляется с помощью пневматической двухпроводной системы, и торможение выполняется в соответствии с его комплектацией.
2 Подключение прицепа к тягачу осуществляется с помощью пневматической двухпроводной системы, и торможение выполняется в соответствии с его комплектацией, включая ABS с сигналом торможения.
3 Подключение прицепа к тягачу осуществляется с помощью пневматической двухпроводной системы и 5-контактного соединения ABS, и торможение выполняется в соответствии с его комплектацией, включая ABS по нормам ISO 7638.
4 Подключение прицепа к тягачу осуществляется с помощью пневматической двухпроводной системы и 7-контактного соединения EBS, и торможение выполняется в соответствии с пневматическим давлением в магистрали тормозного привода или с номинальным значением шины данных CAN "Прицеп". Выбор осуществляется в соответствии с указаниями директивы о тормозной системе прицепа.
5 Прицеп подключен к тягачу с помощью резервного пневмопровода и 7-контактного соединения EBS. По шине данных CAN "Прицеп" от тягача поступает кодовый сигнал о поступлении электрического сигнала торможения из электрической одноконтурной бортовой сети. В соответствии с указаниями в дополнении к директиве о тормозной системе выполняется автоматическое торможение прицепа. При этой комбинации движение категорически запрещается.
Осторожно! Если в прицеп интегрирована EBS, то тягач и прицеп соединяются только 5-контактным соединительным кабелем ABS, и функция в прицепе соответствует
комбинации № 3.
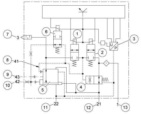
Функциональная схема и схема соединений (прицеп)

--------- пневмопроводы
- - - - - электрические провода
1 Розетка прицепа ABS
2 Блок управления EBS
3 Датчик ALB (датчик давления)
4 Датчик тормозной накладки
5 Датчик частоты вращения
6 Модули регулировки давления
7 Резервное реле давления
8 Тормозной клапан прицепа
Функция в прицепе
Прицеп, как в обычном автомобиле, обслуживается посредством устройства с двумя линиями. При функционировании EBS в блок управления EBS поступает сигнал о процессе торможения через 7-контактную розетку прицепа ABS через Pin 6 (CAN High) и Pin 7 (CAN Low).
Даже если автомобиль снабжен только 5-контактной розеткой прицепа, осуществляется электронное регулирование торможения, поскольку блок управления определяет номинальное значение давления через пневматический резервный контур. Тем самым поддерживаются все функции регулировки давления, как регулирование ALB посредством датчика ALB, так и ABS.














































