Тренинг персонала по антиблокировочной системе ABS Ci12 MAN

СОДЕРЖАНИЕ
- Электрооборудование 0
- Содержание
- Указатель сокращений
- Общая информация
- Правила техники безопасности
- Специальные указания
- Описание системы
- Принципиальная схема системы ABS/ASR C i1 2
- Принцип действия антиблокировочной системы ABS
- Принцип действия антипробуксовочной системы ASR
- Регулятор тормоза
- Регулятор двигателя
- Повышение проскальзывания ASR
- Регулирование тормоза-замедлителя (DBR)
- ABS для пересеченной местности (только для грузовых автомобилей высокой проходимости)
- Отключение блокировки межосевого дифференциала
- Контрольная лампа ABS
- Возможности диагностики с помощью блинк-кода или MAN-cats
- Шина данных CAN
- Функциональное описание
- Общая информация
- Модифицированное индивидуальное регулирование
- Регулирование тормоза-замедлителя.
- Отключение блокировки межосевого дифференциала
- Принцип действия антипробуксовочной системы ASR
- Декодирование сигналов датчика частоты вращения
- Автоматическая балансировка шин
- Предельная скорость в зазоре
- Одноканальный клапан ограничения давления
- Функционирование сигнальных ламп ABS
- Описание компонентов
- Блок управления ABS/ASR Ci12
- Назначение отдельных узлов блока управления
- Ввод в эксплуатацию блока управления
- Разводка контактов штекера блока управления ABS Ci12
- Диагностика блока управления с помощью блинк-кода
- Диагностика блока управления с помощью MAN-cats
- Контроль безопасности с помощью блока управления ABS Ci12
- Датчик частоты вращения
- Клапан ограничения давления
- Переключающий клапан ASR
- Электромагнитный клапан ASR
- Сигнальные/контрольные лампы ABS/ASR для грузовых автомобилей
- Сигнальные/контрольные лампы ABS/ASR для автобусов
- Клавишный выключатель антипробуксовочной системы-повышения порога проскальзывания для грузовых автомобилей
- Клавишный выключатель антипробуксовочной системы-повышения порога проскальзывания для автобусов
- Выключатель ABS для пересеченной местности
- Выключатель стоп-сигнала, грузовой автомобиль/автобус
- Схемы электрических соединений
- Руководство по применению схем электрических соединений
- Предварительное замечание, места установки компонентов грузовой автомобиль/автобус
- ABS/ASR Ci12 для грузовых автомобилей F2000 / M2000-M / E2000
- Схемы электрических соединений (продолжение)
- ABS/ASR Ci12 для грузовых автомобилей L2000 / M2000-L
- ABS/ASR Ci12 для грузовых автомобилей L2000 / M2000-L, дополнение ASR (KSW)
- ABS/ASR Ci12 для грузовых автомобилей L91
- ABS/ASR Ci12 для грузовых автомобилей SX2000
- ABS для полноприводных автомобилей (M2000-M)
- ABS/ASR Ci12 для прицепов (грузовые автомобили F2000 / M2000-M / E2000 / 989)
- ABS/ASR Ci12 для автобусов A03 / A13 / A32
- ABS/ASR Ci12 для автобусов A72 / A74 / A86 / 989
- ABS/ASR Ci12 для автобусов A20 / A21 / A22 / J 2 2
- ABS/ASR Ci12 для автобусов, 6-канальный A23 / J23
- ABS/ASR Ci12 для автобусов A28 / A 3 1
- ABS/ASR Ci12 для автобусов, дизельно-электрический привод (A20 / A 2 1 )
- ABS/ASR шина данных CAN от блока управления двигателем EDC
- Диагностика ABS/ASR Bosch Ci12
- Конфигурация и диагностика
- Самодиагностика
- Диагностика с помощью блинк-кода
- Запрос блинк-кода
- Регистрация неисправностей
- Удаление данных о неисправностях в регистраторе неисправностей
- Блинк-коды, вид неисправности
- Схема электрических соединений кнопки запроса
- Контроль с помощью испытательного блока MAN
- Кнопка запроса блинк-кода, собственное изготовление
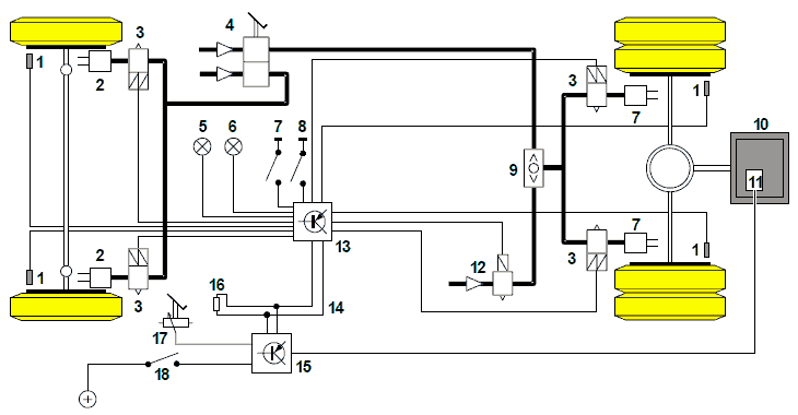
Принципиальная схема системы ABS/ASR Ci12
На рисунке ниже представлен пример принципиальной схемы системы ABS/ASR для автомобиля с 2
мостами. На рисунке изображена схема системы 4S/4K, т.е. такой системы, в которую входят 4 датчика
частоты вращения (сенсора) и 4 клапана ограничения давления (канала регулировки).
Основными компонентами системы являются датчики частоты вращения, регистрирующих частоту
вращения колес, клапанов ограничения давления, которые при регулировании с помощью системы
ABS/ASR передают на тормозные камеры заданную водителем и регулируемую с помощью рабочего
тормозного клапана величину давления, а также электронного блока управления, рассчитывающего
управление клапанами ограничения давления на основании сигналов датчиков частоты вращения. Системы ABS/ASR с регулятором двигателя ASR оборудованы устройством для ограничения момента двигателя или разъем для блока управления двигателем. Для регулирования ASR (как показано на рисунке) дополнительно необходимы один электромагнитный клапан (12) ASR и один переключающий клапан (9).

1 Датчик частоты вращения, зубчатый диск импульсного датчика
2 Тормозной цилиндр
3 Клапан ограничения давления
4 Рабочий тормозной клапан
5 Контрольная лампа ABS тягача
6 Контрольная лампа информации ASR
7 Кнопка для адаптации ABS к режиму езды по пересеченной местности
8 Кнопка для повышения проскальзывания ASR
9 Переключающий клапан ASR
10 Двигатель автомобиля
11 Исполнительный элемент EDC
12 Электромагнитный клапан ASR
13 Блок управления ABS/ASR
14 Шина CAN (линия передачи данных)
15 Блок управления EDC (со встроенным нагрузочным резистором для шины CAN)
16 Нагрузочный резистор для шины CAN
17 Педальный датчик EDC
18 Выключатель стоп-сигнала (сигнал торможения на блок управления)
Распределение по диагонали
В блоке управления колеса обоих мостов распределяются по диагонали согласно схеме, представленной
ниже. R = правое, L = левое, A1 = передний мост, A2 = задний мост

Принцип действия антиблокировочной системы ABS
Общая информация
При торможении, вызывающем блокирование колес, блок управления производит расчет управления
клапанами ограничения давления на основании сигналов полученных от датчиков частоты вращения о
тенденции к блокировке одного или нескольких колес. Для каждого канала регулирования ABS в
отдельности тормозное усилие уменьшается, поддерживается или увеличивается в зависимости от
характеристик вращения колеса и соотношения сил трения между шинами и дорогой, и таким образом
выполняется оптимальная усредненная регулировка тормозных усилий для всех колес.
Блок управления рассчитывает управление клапаном следующим образом:
На основании данных о скорости и характеристиках вращения колес определяются опорные значения
скорости, которые находятся в диапазоне оптимального величины проскальзывания колеса - несколько
ниже скорости автомобиля.
На основании данных о скоростях и опорных значений скорости формируются следующие основные
логические сигналы:
- a0: Замедление
Окружное замедление колеса превысило заданное пороговое значение.
- a1: Ускорение
Окружное ускорение колеса превысило заданное пороговое значение
- 11, 12: отрицательный порог проскальзывания колеса
Окружная скорость колеса меньше опорного значения скорости на заданное пороговое значение
- 10: положительный порог проскальзывания колеса
Окружная скорость колеса превышает опорное значение скорости на заданное пороговое значение
Отдельные пороговые значения корректируются в зависимости от скорости автомобиля.
Эти логические сигналы описывают состояние каждого из колес. На основании этих сигналов регулятор
уменьшает, поддерживает или увеличивает давление на колесо.
Способ регулирования ABS Ci12
В случае ABS для колес переднего моста
• применяется модифицированное индивидуальное регулирование
для колес заднего моста
• индивидуальное регулирование
Принцип действия антипробуксовочной системы ASR
В случае пробуксовки ведущих колес при трогании или ускорении автомобиля электроника системы
ABS/ASR определяет тенденцию к пробуксовке на основании скоростей ведущих колес (обычно задних) и скорости автомобиля, и уменьшает скорость буксующих ведущих колес до оптимальной величины.
Для выполнения вышеуказанных задач система ASR имеет два контура регулирования:
• Контур регулирования тормоза
• Контур регулирования двигателя
При регулировании с помощью системы ASR загорается желтая контрольная лампа ASR.
Регулятор тормоза
При разных значениях коэффициента трения справа/слева (p-split) регулятор тормоза активируется и
подтормаживает пробуксовывающее ведущее колесо. Для этого воздух из ресивера подается в
тормозной контур через электромагнитный клапан ASR и переключающий клапан ASR. С помощью
клапанов ограничения давления ABS ведущего моста давление в тормозных камерах регулируется так,
чтобы скорость ведущих колес была примерно одинаковой.
За опорное значение скорости для регулирования торможения принимается скорость вращения второго
ведущего колеса того же моста.
Если скорость вращения ведущего колеса по отношению к аналогичной скорости второго ведущего
колеса превышает допустимое пороговое значение, срабатывает электромагнитный клапан ASR. Давление ресивера регулируется с помощью клапанов ограничения давления ABS ведущих колес. Клапан ограничения давления не пробуксовывающего колеса переключается в одно из двух положений - "уменьшение давления" и "поддержание давления" - тем самым предотвращая полное торможение этого колеса.
Регулятор тормоза работает только в заданном диапазоне скоростей автомобиля. Если регулятор
срабатывает при ускорении уже на низких скоростях, то он работает до окончания данного процесса
ускорения.
После окончания регулирования торможения воздух снова полностью удаляется из трубопровода,
ведущего к тормозным камерам.
Регулятор двигателя
В случае одинакового пробуксовывания обоих ведущих колес при трогании автомобиля срабатывает
регулятор двигателя, уменьшающий момент привода двигателя. Этот адаптивный нелинейный интегральный регулятор уменьшает мощность двигателя так, чтобы средняя скорость вращения ведущих колес превышала среднюю скорость вращения неведущих передних колес. За опорное значение скорости принимается среднее значение скорости вращения неведущих передних колес.
Блок управления ABS/ASR сообщает по шине CAN блоку управления двигателя необходимую величину
уменьшения момента.
Повышение проскальзывания системы ASR (функциональный переключатель ASR)
Повышение проскальзывания системы ASR создает улучшает сцепление колес с дорогой при
определенных условиях (езда по глубокому снегу или в песчаных дюнах). При повышенном
проскальзывании мигает контрольная лампа ASR.
Обработка светового сигнала торможения
Сигнал выключателя стоп-сигнала (BLS) необходим для получения дополнительных данных для запуска
регулирования с помощью системы ABS и блокировки функции ASR при нажатии на педаль тормоза.
После каждого включения зажигания выполняется проверка BLS (выключателя стоп-сигнала) на
исправность функционирования; при этом блок управления осуществляет контроль перехода педали из
"нажатого" в "отжатое" состояние. Если при включенном зажигании ("зажигание ВКЛ") этот переход не
выполняется, то функция ASR блокируется, а контрольная лампа ASR продолжает гореть.
Регулирование тормоза-замедлителя (DBR)
В случае пониженной силы сцепления активация тормоза-замедлителя (моторный тормоз или ретардер)
может вызывать повышенный коэффициент проскальзывания при торможении ведущих колес. При
определении тенденции к блокировке одного или нескольких колес блок управления ABS/ASR отключает тормоз-замедлитель или попеременно включает и отключает его. К контактному выводу тормоза-замедлителя DBR-Pin в блоке управления ABS/ASR подсоединено реле, отключающее тормоз-замедлитель при работе системы ABS. Если в блоке управления не задана конфигурация "Контроль DBR", то блок управления управляет DBR-Pin, однако не выполняет контроль на прерывание.
ABS для пересеченной местности (только для грузовых автомобилей высокой проходимости)
Уменьшение сил бокового увода на пересеченной местности из-за блокировки колес при определенных
обстоятельствах может приводить к значительному сокращению тормозного пути. При включенной функции ABS для пересеченной местности и скоростях ниже 15 км/ч функция ABS отключается. В диапазоне скоростей от 15 км/ч до 40 км/ч специально задаются фазы блокировки. На скорости свыше 40 км/ч ABS работает так же, как и при нормальных условиях. При включенной функции ABS для пересеченной местности мигает сигнальная лампа ABS тягача.
Отключение блокировки межосевого дифференциала
При регулировании с помощью системы ABS блок управления ABS/ASR отключает блокировку
межосевого дифференциала, установленную и подключенную на полноприводных автомобилях.
Контрольная лампа ABS
В случае обнаружения блоком управления ABS/ASR электрически регистрируемой неисправности система ABS/ASR полностью или частично отключается, о чем водителю сигнализирует сигнальная лампа ABS.
Диагностика с помощью блинк-кода
Посредством блинк-кода выводятся данные о конфигурации блоков управления и шестнадцати (максимум) последних сохраненных неисправностях, а при необходимости и сигнал BLS (выключателя стоп-сигнала).
Вывод блинк-кода выполняется с помощью контрольной лампы ASR (на информационный дисплей) и
вызывается с помощью специальной кнопки запроса блинк-кода. Выведенные блинк-коды можно
декодировать, используя таблицу блинк-кодов.
Диагностика с помощью MAN-cats (по стандарту ISO-9141)
Диагностика по стандарту ISO обеспечивает обмен данными между блоками управления и системой
контроля MAN-cats. Система MAN-cats также может выводить в виде незакодированных текстовых
сообщений полученные от блока управления ABS/ASR последние шестнадцать распознанных и
сохраненных кодов неисправностей, а при необходимости и сигнал от неактивированного BLS
(выключателя стоп-сигнала) или недействительный сигнал BLS-CAN. Также с помощью системы MAN-cats можно выполнять стирание данных в регистраторе неисправностей. Диагностику разрешено проводить только обслуживающему персоналу!
Шина данных CAN
Раньше обмен данными между блоками управления выполнялся по обычным кабелям. Для входного/
выходного сигналов предусмотрены отдельные линии.
По шине данных CAN различные входные/выходные сигналы с определенными кодировками могут
декодироваться, обрабатываться и отправляться блоками управления (с интерфейсом связи CAN).
Обмен информацией или данными между блоками управления выполняется по двум скрученным
проводам. Сигналы компонентов (например, сигнал тормоза, скорости и т.п.) теперь снимаются не для
каждого блока управления по отдельности, а только для одного блока управления. Все остальные блоки управления, требующие этих сигналов, получают их по шине данных CAN. Значения скорости передачи сигналов входят в диапазон ms. Контроль интерфейса постоянно осуществляется всеми блоками управления. В случае сбоев при передаче сигналов команды не выполняются. После устранения сбоев осуществляется попытка повторного ввода интерфейса в эксплуатацию. При отключении интерфейса загорается контрольная лампа ASR.
На обоих концах линий передачи данных CAN предусмотрены нагрузочные резисторы, при этом один
резистор (R155) в линию, а второй в блок управления EDC (A142).

A100 Центральная электрическая сеть
A139 Блок управления ABS/ASR-Ci 12
A142 Блок управления EDC
R155 Нагрузочный резистор для шины CAN
X1001 3-штырьковое штекерное соединение, подсоединение EDC к шине CAN
Обозначение провода:
bl/ws = синий/белый, bl/rt = синий/красный (скрученный, = индукционная защита)
Общая информация
Антиблокировочная система (ABS)
Заблокированные колеса не передают силы бокового увода. Это может привести к боковому заносу и
потери управляемости автомобиля. Это также может повлечь за собой боковой увод прицепа грузового
тягача и потерю продольной устойчивости седельного автопоезда.
Антиблокировочная система предотвращает блокировку колес. ABS срабатывает в том случае, если между шинами и дорожным полотном требуется сила сцепления больше максимально допустимой, т.е. в случае чрезмерного торможения автомобиля.
Поэтому автомобиль, оснащенный системой ABS не теряет
• устойчивости (отсутствие бокового заноса) и
• управляемости (поворот, заграждение на пути, объезд препятствия).
Кроме того, в отличии от торможения с блокировкой колес использование системы ABS в большинстве
случаев приводит к сокращению тормозного пути.
Антипробуксовочная система (ASR)
При трогании на скользкой дороге проворачивающиеся колеса почти не передают приводной момент, а
при движении по кривой - силы бокового увода. В первом случае очень часто автомобиль не может
тронуться с места, а во втором случае - задняя часть автомобиля выходит из колеи и автомобиль заноси в сторону.
При резком ускорении колес антипробуксовочная система предотвращает проворачивание ведущих колес и, таким образом, уменьшает приводной момент до величины ниже предела трения сцепления.
В следствии этого
• автомобиль легче трогается с места на скользкой дороге,
• не теряет устойчивости при движении в повороте
• и легче преодолевает подъем.
ASR входит в систему обеспечения безопасности и использует компоненты системы ABS.
Если в процессе торможения отсутствует тенденция блокировке колес, а при трогании автомобиля с места или ускорении ведущие колеса не проворачиваются, система ABS/ASR не срабатывает.
ABS - Способ регулирования (относится только к колесам переднего моста)
- ABS, индивидуальное регулирование (IR)
- ABS, модифицированное индивидуальное регулирование (IRM)
- ABS, регулирование Select-low (SLR)
В автомобилях MAN применяется модифицированное индивидуальное регулирование
Применяется модифицированное индивидуальное регулирование
Для обеспечения контроля в режиме p-split (разные коэффициенты трения справа и слева), а также
сокращения тормозных путей по сравнению с низкопороговым регулированием Select-low для переднего моста было разработано так называемое "модифицированное индивидуальное регулирование" (IRM).
Этот вид регулирования применяется для переднего моста. Также как и при индивидуальном
регулировании, здесь для каждого переднего колеса здесь используется клапан ограничения давления и
датчик частоты вращения.
За счет использования специальных алгоритмов регулирования для управления обоими клапанами
ограничения давления обеспечивается ограничение разницы величин давления между правой и левой
тормозных камерах. Таким образом ограничиваются моменты рыскания и моменты сопротивления
повороту, что обеспечивает более высокий уровень управляемости автомобиля.
Коэффициент торможения колеса при высоком коэффициенте трения при данном виде регулирования
выше, чем при регулировании Select-low, и ниже, чем при индивидуальном регулировании. Это
компромиссное решение уменьшает необходимый угол поворота рулевого колеса при рулевом
управлении (по сравнению с аналогичным углом при индивидуальном регулировании). Однако тормозной путь в этом случае несколько длиннее.
Если сила сцепления справа и слева одинаково велика, эта модификация не слишком заметна.
Регулирование управляемого моста в таком случае по сути ничем не отличается от простого
индивидуального, а тормозной путь не удлиняется.
В таблице ниже и на рисунке приведены описания функций "модифицированного индивидуального
регулирования" на примере ситуации, при которой в следствие p-split только правое колесо теряет
устойчивость и должно быть отрегулировано системой ABS.

Модифицированное индивидуальное регулирование (IRM) в режиме p-split

AV = Выпускной клапан
BZ = Тормозная камера
EV = Впускной клапан
VR = переднее правое
VL = переднее левое
vFz = Скорость автомобиля
vRef = Опорное значение скорости
l = лямбда
а = Ускорение вращения колеса
p = давление, t = время
vVL = скорость вращения переднего левого колеса
Регулирование тормоза-замедлителя (DBR)
Как только система ABS начинает регулировать вращения хотя бы одного колеса, или если
проскальзывание одного из задних колес таково, что может повлиять на устойчивость автомобиля,
блок управления передает сигнал управления через штекер X1, контакт 16 DBR. Этот контакт DBRPin
включает реле (K178) (только на автомобилях с двигателем EURO 1- и двигателем на сжатом
природном газе), которое при работе системы ABS/ASR отключает тормоз-замедлитель. Если в
блоке управления не задана конфигурация "Контроль DBR", то он управляет DBR-Pin, однако не
выполняет контроль на прерывание.
Отключение блокировкимежосевого дифференциала
Если эта функция задана при EoL- программировании то при запуске регулирования ABS на контакт
ASP/LSP (штекер X1, Pin 4) подается ток, и одновременно выключатель стоп-сигнала декодирует
действительный сигнал. При этом на полноприводных автомобилях при работе системы ABS можно
отключать имеющуюся подключенную блокировку межосевого дифференциала.
Принцип действия ASR
В случае пробуксовки ведущих колес при трогании или ускорении автомобиля электроника системы
ABS/ASR определяет тенденцию к пробуксовке на основании скоростей ведущих колес (обычно задних) и скорости автомобиля, и уменьшает скорости ведущих колес до оптимальной величины.
Для выполнения вышеуказанных задач система ASR имеет два контура регулирования:
• Контур регулирования тормоза
• Контур регулирования двигателя
Водитель узнает о срабатывании системы ASR по загоранию INA (информационной лампы ASR).
Регулирование торможения
При разных значениях коэффициента трения справа/слева (p-split) в основном проворачивается только
ведущее колесо на дорожном покрытии с наименьшим коэффициентом трения. Сообщаемый приводной
момент часто недостаточен для трогания, и автомобиль продолжает стоять на месте. В таком случае
регулятор тормоза активируется и подтормаживает проворачивающееся приводное колесо. Для этого
воздух из ресивера подается в тормозной контур через электромагнитный клапан ASR и переключающий клапан. С помощью клапанов ограничения давления ABS ведущего моста давление в тормозных камерах регулируется так, чтобы скорость ведущих колес была примерно одинаковой.
Тормозной момент проворачивающегося колеса при высоком коэффициенте трения действует как
приводной момент. Таким образом регулятор тормоза ASR действует идентично автоматической
блокировке дифференциала.
За опорное значение скорости для регулятора тормоза принимается скорость вращения второго ведущего колеса того же моста. На основании скоростей вращения колес и опорных значений скорости на электромагнитные клапаны (электромагнитный клапан ASR и клапаны ограничения давления ABS на
ведущем мосту) передаются сигналы управления по следующему алгоритму:
• Электромагнитный клапан ASR
Если скорость вращения ведущего колеса по отношению к аналогичной скорости второго ведущего
колеса превышает допустимое пороговое значение, срабатывает электромагнитный клапан ASR. После
этого давление ресивера регулируется с помощью клапанов ограничения давления ABS ведущих колес.
После окончания регулирования торможения электромагнитный клапан ASR (через определенное время) возвращается в первоначальное положение, а из трубопровода, идущего к тормозным камерам,
полностью спускается воздух.
• Клапаны ограничения давления системы ABS
Для клапана ограничения давления проворачивающего колеса рассчитывается время увеличения,
поддержания и уменьшения давления (как и в случае ABS) в зависимости от скорости вращения колес,
опорного значения скорости, а также проскальзывания, ускорения и замедления. При этом выполняется
текущая корректировка параметров регулирования.
В некоторых системах ABS/ASR на каждое ведущее колесо применяется по одному электромагнитному
клапану ASR и одному переключающему клапану ASR. В таком случае клапан ограничения давления не
пробуксовывающего колеса переключается в одно из двух положений - "уменьшение давления" и
"поддержание давления" - тем самым предотвращая полное торможение этого колеса. Переключение
между положениями "уменьшения давления" и "поддержания давления" необходимо, поскольку в время
регулирования с помощью системы ASR управление впускным и выпускным клапанами не выполняется
постоянно, и происходит термическая разгрузка клапана ограничения давления.
Система Ci12 предполагает наличие только одного электромагнитного клапана ASR на ведущий мост. В
этом случае в срабатывании клапана ограничения давления ABS не проворачивающего ведущего колеса
при работе регулятора тормоза ASR нет необходимости.
Из соображений безопасности регулятор тормоза не активируется после превышения определенной
скорости автомобиля. Однако если регулятор срабатывает при ускорении уже на низких скоростях, то он работает до окончания данного процесса ускорения (по мере необходимости).
Регулирование двигателя
При синхронном проворачивании правого и левого ведущих колес срабатывает регулирование двигателя, уменьшающее приводной момент двигателя настолько, чтобы средняя скорость ведущих колес превышала среднюю скорость неведущих колес переднего моста на допустимую величину проскальзывания. При этом как опорное значение скорости для регулятора двигателя ASR принимается среднее значение скорости вращения неведущих колес переднего моста. Компьютером рассчитывается разность средних скоростей вращения колес переднего и заднего мостов в качестве величины отклонения регулируемого параметра.
Собственное уменьшение крутящего момента двигателя определяет адаптивный нелинейный интегральный регулятор.
В зависимости от применяемой системы ABS/ASR, электроника ABS/ASR либо передает данные о
необходимом уменьшении момента по интерфейсу CAN на блок управления EDC, либо непосредственно
активирует исполнительный орган на ТНВД.
Таблица ниже с распределением событий по ментам времени ссылается на представленную ниже
диаграмму, где регулирование ASR с регулированием торможения и двигателя представлено по
отношению к скорости вращения колес.

Пример регулирования с помощью ASR

BZ = тормозная камера, HR = заднее правое, HA = задний мост, HL = заднее левое,
VL = полная нагрузка, LL = холостой ход, p = давление, v = скорость
Спецификация электромагнитного клапана ASR
Время увеличения давления должно выполнять соответствовать следующему условию:
время от начала срабатывания электромагнитного клапана ASR
до достижения давления тормозной камеры 5 бар t < 280 мс
Если давление ресивера сообщатся через электромагнитный клапан ASR непосредственно (т.е. не через
ускорительный клапан) в тормозной контур заднего моста, данное условие необходимо проверять
измерительным приспособлением, составленным по следующей схеме.

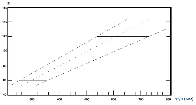
Допустимый размер шины
При расчете скорости с помощью зубчатого диска импульсного датчика с 100 сегментами (зубьями)
за основу принимается радиус колеса r = 0,50 м, соответствующий участку пути, проходимому шиной
за один оборот 3,14 м. Относительно данной величины допустимой является погрешность от -10%
до +20%. Эти данные основываются на фактическом участке пути, проходимом шинами за один оборот. Под этим понимается участок пути за один оборот с учетом размера шины, износа шины,
давления воздуха, нагрузки и т.д.
Порог чувствительности ABS меньше, если фактический участок пути за один оборот для всех четырех колес слишком велик! Поэтому если величина участка пути за один оборот выходит за пределы значений, указанных в данной спецификации, необходимо корректировать число сегментов зубчатого диска импульсного датчика! В таких случаях это число обычно составляет 80 или 120 сегментов.
На диаграмме ниже необходимое число сегментов показано как функция динамического радиуса
качения шины.

z = число сегментов зубчатого диска импульсного датчика
rdyn = динамический радиус качения
........... . = идеальное число сегментов
----------- = выполненное число сегментов
---------- = предел допустимой погрешности
Величина отношения фактических радиусов качения передних и задних колес должна находиться в диапазоне от 0,8 до 1,2:

При этом необходимым условием является одинаковый размер шин колес одного моста. Величины
радиуса качения каждого колеса переднего и заднего мостов при различных размерах шин должна
находиться в пределах допустимого диапазона.
Автоматическая балансировка шин
Для исправной работы ABS и ASR блок управления должен получать точное соотношение радиусов
качения передних и задних колес. Поэтому в процессе считывания точно определяется необходимое
отношение в диапазоне от 0,8 до 1,2, и соответствующие данные сохраняются в EEPROM, если
выполняются следующие условия:
• отношение радиусов качение входит в допустимый диапазон
• автомобиль движется со скоростью свыше 20 км/ч
• автомобиль не замедляется и не ускоряется
• отсутствуют ошибки в считывании датчиком частоты вращения колес
В новый блок управления вводится величина 1,04. Если при автоматической балансировке
определяется другое значение, первоначальное значение переписывается. С учетом полученного
результата балансировки шин функции ABS и ASR адаптируются к характеристикам автомобиля.
Предельная скорость в зазоре
Предельная скорость в зазоре - это скорость, при которой датчик частоты вращения передает
достоверный декодируемый сигнал. Чем больше воздушный зазор (величина зазора) между датчиком частоты вращения и зубчатым диском импульсного датчика, тем выше предельная скорость в зазоре (см. раздел 4.03 - 1).
Блок управления определяет предельную скорость в зазоре для каждого колеса. Эффекты, получаемые в зависимости от величины предельной скорости в зазор представлены в таблице ниже.

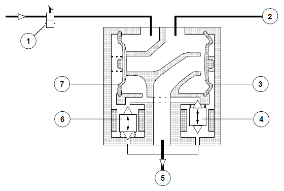
Одноканальный клапан ограничения давления
При регулировании с помощью ABS или ASR одноканальные клапаны ограничения давления (два на
переднем мосту, два - на заднем) регулируют нагнетание тормозного давления в тормозных цилиндрах в соответствии с сигналами, поступающими от блока управления ABS/ASR.
Клапаны ограничения давления имеют одинаковое конструктивное исполнение и в основном состоят их
двух мембран (впускной клапан / выпускной клапан) с пневматическим приводом от двух
электромагнитных клапанов. Электромагнитные клапаны за миллисекунды реагируют на регулирующий
сигнал блока управления, приводя в действие мембранные клапаны с большой пропускной способностью, которые, в свою очередь, впускают или спускают воздух из тормозных камер.
Регулирование тормозного давления включает (при регулировании с помощью ABS или ASR) три фазы
давления:
- Создание давления
- Поддержание давления
- Декомпрессия
Увеличение давления
При наращивании давления электромагнитные клапаны неактивны. В этом положении воздух,
поступающий от рабочего тормозного клапана, давит на впускной клапан (мембранный клапан).
Закрытый электромагнитный клапан предотвращает открывание впускного клапана. При открытом электромагнитном клапане давление, нагнетаемое от рабочего тормозного клапана, закрывает выпускной клапан. При этом воздух проходит через клапан ограничения давления на выпуск в тормозную камеру. В этом состоянии клапан ограничения давления находится и при отсутствии регулирования ABS.

- Рабочий тормозной клапан
- к тормозной камере
- Выпускной клапан
- Электромагнитный клапан предварительного управления выпускным клапаном
- Спуск воздуха (в атмосферу)
- Электромагнитный клапан предварительного управления впускным клапаном
- Впускной клапан
Поддержание давления
На этой фазе процесса осуществляется управление только электромагнитным клапаном, при этом
он открывается. Далее давление, нагнетаемое через рабочий тормозной клапан, давит на впускной
клапан. Теперь давление с правой и левой сторон впускного клапана одинаково. Однако поскольку эффективная площадь с левой стороны клапана (с учетом воздействия силы натяжения пружины), впускной клапан снова закрывается. Тот же принцип действует для электромагнитного клапана и выпускного клапана. Таким образом клапан ограничения давления перекрывает соединение рабочего тормозного клапана и тормозной камеры. Таким образом поддерживается давление в тормозной камере.

Уменьшение давления
Эта фаза начинается при срабатывании обоих электромагнитных клапанов. К электромагнитному
клапану и впускному клапану применимы содержание пункта "Поддержание давления". В данном случае электромагнитный клапан перекрывает соединение с байпасным клапаном посредством электрического управления. Поэтому оставшееся в тормозной камере давление открывает выпускной клапан, и воздух спускается из тормозной камеры.

Функционирование сигнальных ламп ABS
Красная сигнальная лампа ABS (WL) сигнализирует о функциональной готовности системы ABS/ASR.
Тестирования системы ABS/ASR не выявили неисправности, сигнальная лампа гаснет, тем самым
сигнализируя о функциональной готовности системы.
После включения зажигания сигнальная лампа ABS должна загореться, при этом блок управления
проверяет систему в режиме внутренней и внешней самодиагностики (статическое тестирование).
Сигнальная лампа ABS гаснет при трогании автомобиля после первого успешного контроля датчиков
частоты вращения (динамическое тестирование).
При первом пуске в эксплуатацию блока управления сигнальная лампа горит до окончания статического и динамического тестирования, если таковые не выявили неисправности.
Кроме того после включения зажигания ("зажигание ВКЛ") выполняется индикация величины воздушного зазора датчика частоты вращения. Если после последнего пробега автомобиля воздушный зазор между датчиком частоты вращения и зубчатым диском импульсного датчика увеличился, превысив заданную величину, сигнальная лампа мигает, сигнализируя об этом водителю, после включения зажигания ("зажигание ВКЛ"). Такое увеличение зазора еще не нарушает функциональность системы ABS. При следующем обслуживании автомобиля необходимо откорректировать величину зазора и выявить причину такого увеличения.
Момент загорания и отключения сигнальной лампы зависит от активированного режима работы сигнальных ламп.
Возможны четыре различных режима работы сигнальных ламп, которые устанавливаются при EoL-
программировании.
Автомобили MAN с ABS/ASR Ci12 имеют только описанный далее режим.
При включении зажигания ("зажигание ВКЛ") включается сигнальная лампа. Если после последнего пробега автомобиля не было зарегистрировано неисправностей датчика частоты вращения, то после статического тестирования, не выявившего неисправностей, примерно через две секунды после включения зажигания, сигнальная лампа гаснет и не загорается, если динамическое тестирование также не выявило неисправностей.
Режим работы сигнальной лампы
Работа сигнальной лампы при исправном функционировании системы без сохраненных данных о
неисправностях датчика частоты вращения и режиме управления "вкл./выкл." с функцией памяти. Ни на
одном из колес предельная скорость в зазоре не превышает 10 км/ч.

Работа сигнальной лампы при исправном функционировании системы без сохраненных данных о
неисправностях датчика частоты вращения и режиме управления "вкл./выкл." с функцией памяти. Как
минимум на одном из колес предельная скорость в зазоре превышает 10 км/ч.

Работа сигнальной лампы при исправном функционировании системы с сохраненными данными о
неисправностях датчика частоты вращения и режимом управления "вкл./выкл." с функцией памяти. Ни на одном из колес предельная скорость в зазоре не превышает 10 км/ч.

Работа сигнальной лампы при исправном функционировании системы с сохраненными данными о
неисправностях датчика частоты вращения и режимом управления "вкл./выкл." с функцией памяти. Как
минимум на одном из колес предельная скорость в зазоре превышает 10 км/ч.

Если после последнего пробега автомобиля были сохранены данные о неисправностях датчика частоты
вращения, сигнальная лампа гаснет только после завершения статического и динамического тестирований, если таковые не выявили неисправностей.
Блок управления ABS/ASR Ci12
Блок управления ABS/ASR Ci12 может через линию передачи данных CAN (Controller Area Network)
связывать шину данных CAN с другими блоками управления, например EDC.

Регулирования двигателя с помощью системы ASR либо по нише данных CAN автомобиля, либо по
двухпроводному интерфейсу регулирования двигателя для автомобилей, не оснащенных EDC.
Для адаптации функций систем ABS и ASR к различным условиям движения блок управления Ci12 имеет
два входа для переключения функций.
Самое очевидное отличие между ранее использовавшейся системой ABS Bosch Gamma 2E и системой
ABS/ASR Ci12 состоит в блоке управления или его контактах. Ранее (в системе Gamma 2E) разъем блока
управления выполнялся в виде одного 35-контактного штекерного соединения.
Система ABS/ASR Ci12 имеет четыре отдельных штекерных соединения, разделенных по расположению
компонентов.
Штекерные соединения блока управления Ci12
Контакты распределены по четырем различным штекерам. На схеме изображены штекерные соединения
блока управления Ci12 со стороны контактов.

Назначение отдельных узлов блока управления ABS/ASR Ci12
Электропитание
Типовой блок "электропитание" подает стабилизированное напряжение 5 В, необходимое для работы блока управления. Фильтры нивелируют электрические помехи на UZ (напряжение на клемме автомобиля 15).
Схемы входа
Схемы входа отфильтровывают возможные помехи (например, помехи от передатчика) полезного
сигнала и подготавливают сигналы для передачи на микрокомпьютер. Диагностическая линия K при
определенных коммутациях может передавать данные в обоих направлениях: к блоку управления и от блока управления, например, на диагностическое устройство.
Компьютер
В блок управления входят CAN-контроллер и два связанных друг с другом по схеме с резервированием микрокомпьютера. Последние производят расчет скорости вращения каждого колеса на основании сигналов от датчиков частоты вращения и формируют управляющие сигналы для клапанов и других компонентов по алгоритмам ABS и ASR. Кроме того, при обнаружении неисправностей последним присваиваются соответствующие номера в регистраторе неисправностей. CAN-контроллер осуществляет связь по шине CAN.
Выходные каскады
Переключаемые выходные каскады управляют электромагнитными клапанами и другими периферийными компонентами, такими как реле тормоза-замедлителя, сигнальная лампа и информационная лампа ASR. Кроме того, для выявления неисправностей на микрокомпьютер подаются квитирующие сигналы.
GND-FET
Соединение электромагнитных клапанов на массу (Ground, GND) выполняется с помощью электронных выключателей. Таковыми являются полевые транзисторы (FET). Полевые транзисторы GND-FET создают соединение электромагнитных клапанов на массу в случае готовности блока управления. Если блок управления обесточен, полевые транзисторы GND-FET размыкают соединение электромагнитных клапанов на массу. При возникновении неисправностей один или оба полевых транзистора GND-FET, в зависимости от причины неисправности, размыкают соединение на массу.
Блок-схема блока управления ABS Ci12

Ввод в эксплуатацию блока управления ABS/ASR Ci12
Перед вводом в эксплуатацию нового блока управления необходимо ввести требуемые параметры
конфигурации с помощью ISO-диагностики. Если необходимо выполнить "кнопочное определение
параметров", включите блок управления, нажимая на кнопку диагностики (зажигание ВКЛ). Необходимым условием выполнения данной операции является правильное подключение всех компонентов системы. При этом блок управления проверяет жгут проводов на наличие подключения компонентов, параметры которых можно назначить с помощью кнопок, таким образом определяя конфигурацию системы. После настройки конфигурации системы с помощью диагностики необходимо убедиться в том, что блок управления сохранил требуемую конфигурацию. Если правильная конфигурация не сохранена, необходимо проверить компоненты, параметры которых можно назначить с помощью кнопок, и при необходимости поправить проводные соединения. После этого необходимо еще раз проверить новую конфигурацию.
При наличии недопустимого распределения компонентов или неисправного компонента, блок управления определяет их и сохраняет как неисправность. Поэтому далее необходимо считать данные регистратора неисправностей. Если в регистраторе выявлены неисправные компоненты, необходимо проверить кабельную разводку таких компонентов по схеме электрических соединений, внести соответствующие коррективы в компоновку контактов или проводные соединения, при необходимости заменить компоненты и стереть данные о неисправностях в регистраторе неисправностей. После нового включения зажигания необходимо еще раз считать данные регистратора неисправностей. Если в регистраторе не обнаружено неисправностей не обнаружено, необходимо провести окончательный контроль пробным пробегом. При трогании с места следите за индикацией сигнальной лампы. После начала движения она должна погаснуть.
Если лампа погасла, система готова к эксплуатации.
Разводка контактов штекера блока управления ABS Bosch Ci12
Контакты распределены по четырем штекерным соединениям; на рисунках ниже показана разводка
контактов штекеров блока управления со стороны контактов.
Штекерное соединение X1 18-контактное

1 синий/белый Шина данных CAN, Low-Signal, блок управления EDC A139(1)
2 Экран CAN
3 синий/красный Шина данных CAN, High-Signal, блок управления EDC A139(3)
4 Блокировка межосевого дифференциала/запорный клапан
5 Переключение функции ABS для пересеченной местности
6 74512 Переключение функции, переключатель порога проскальзывания ABS
7 73001 Электропитание блока управления A139 от предохранителя F162
8 не занят
9 73001 Электропитание блока управления A139 от предохранителя F162
10 31000 Соединение на массу ABS X192(1), распределитель X615(5) клеммной панели X613 провод 31000
11 31000 Соединение на массу клапанов ограничения давления, передний мост слева / задний мост справа
12 31000 Соединение на массу клапанов ограничения давления, передний мост справа / задний мост слева
13 73201 Штекерное соединение 37 конт. Диагностика ABS/ASR X200(E)
14 73200 Штекерное соединение 4 конт. Диагностика ABS/ASR X202(2) и/или X200(F)
15 — Разъединитель контактов (распознавание отсоединения, соединение контакта 12 с контактом 18 на штекере при отсоединении)
16 73504 Отключение ретардера, шина X251(14) или реле грузового автомобиля K178(6)
17 74100 Контрольная лампа ASR Info (INA) H140 на блоке контрольных ламп A185(1/7)
18 73100 Сигнальная или контрольная лампа ABS тягача H139 на блоке контрольных ламп A185(1/2)
Продолжение и полное описание - смотрите в