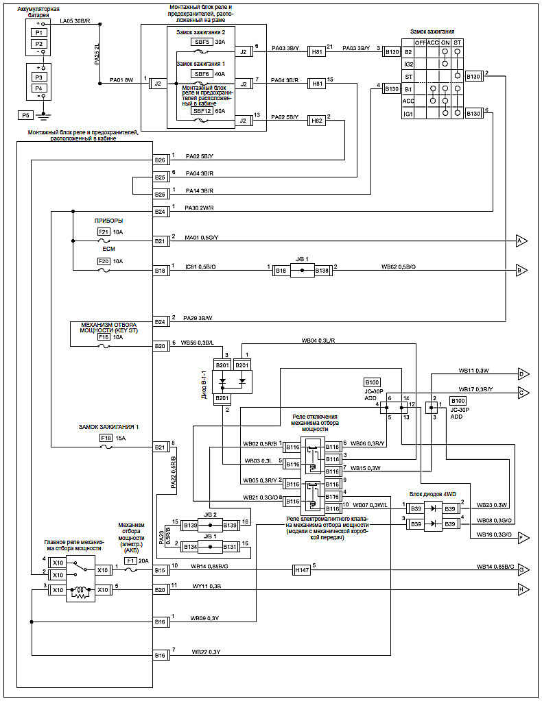
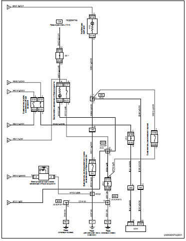
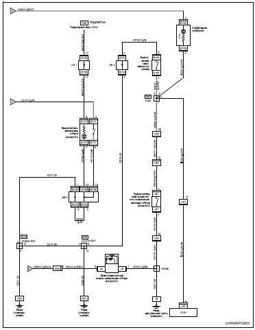
ISUZU СЕРИЯ N - Отбор мощности
(NLR, NMR, NNR, NPR, NQR, NPS, NQ)
Механическая трансмиссия


Роботизированная коробка передач

Все схемы в
Подписывайтесь на наш канал в Telegram и будьте всегда в курсе самых последних сообщений и публикаций с сайта. |


