Диагностика топливной системы XPI програмой SDP3
- Баланс по цилиндрам
- Клик-тест
- Выключение цилиндров
- Проверка герметичности EGR
- Тест компрессии
- Проверка отдачи цилиндра
- Проверка герметичности защитного клапана
- Проверка внутренних утечек
- Снижение давления топлива
- Девалидация кодов
- Проверка давления топлива
- Тест турбины
- Проверка программы блока
- Проверка регулятора давления
- Проверки элементов




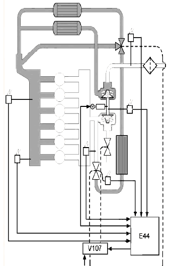
Проверка утечки в системе EGR
Снимите патрубок подачи воздуха с датчиком массового расхода.
Подключите регулятор давления с помощью инструмента 99620.
Установите трубку после промежуточного соединителя на турбину с компрессорной стороны.
Снимите трубку между клапаном EGR и патрубком наддувного воздуха.
Установите резьбовую заглушку на патрубок наддувного воздуха.
Опрессуйте систему подачей давления (на входе) до 3 атм. Если давление 1.7 - 1.8 атм в системе не достигается при давлении на входе 3 атм - есть большие утечки. Небольшие утечки около демпфера EGR и уплотнения охладителя являются нормой.
Проверьте наличие утечки воздуха около байпасного клапана. Откройте байпасный клапан - давление должно упасть до атмосферного (в этом состоит проверка работоспособности клапана). Для проверки наличия утечек используйте спрей.
Проверьте места, указанные стрелками - нет ли там увеличенных скоплений сажи, указывающих на
утечки отработавших газов.
Значительные утечки отработавших газов до клапана EGR ведут к снижению давления отработавших
газов и влияют на эффективность моторного замедлителя.
Значительные утечки отработавших газов после клапана EGR ведут к снижению давления отработавших
газов и давления наддува, что может повлиять на мощность двигателя и привести к черному дымлению.



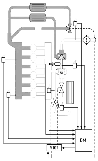
Поверните маховик до появления метки 432 в верхнем окне. Снимите клапанную крышку 1 цилиндра и убедитесь в том, что впускные и выпускные клапаны закрыты (для предотвращения утечки через двигатель).
Подключите SDP3, Подключите приспособление 99557 (редукционный клапан) Убедитесь в том, что клапан EGR закрыт.
Подайте давление 0,3 атм. Считывайте давление наддува в SDP3 - оно должно составлять около 1.2 атм. Не увеличивайте давление выше 0,3 атм!
Убедитесь в отсутствии утечек в системе EGR (минимальные утечки допустимы)
Утечки в зоне, заштрихованной серым цветом, влияют на работу двигателя.
Если есть утечка в демпфере клапана EGR, это влияет на дымление при работе на холостом ходу, снижает мощность двигателя на низких оборотах и при переключении передач.
Неисправность датчика положения клапана EGR также приводит к утечкам клапана (с аналогичными
проявлениями)

Проверка наличия утечки при закрытом клапане EGR. Такая утечка может влиять на мощность двигателя, а также приводить к обогащению смеси и черному дымлению.

Снимите давление, ограничив подачу воздуха и открыв клапан EGR.
Отсоедините трубку от байпасного клапана, снимите трубку 2 и соединитель 1. Резиновой заглушкой
закройте место подсоединения трубки 3.
Проверьте работоспособность байпасного клапана закрыв клапан EGR и байпасный клапан, подав в
систему давление воздуха (до 0,3 атм) и проверяя наличие утечки в точке 1.
Перекройте подачу воздуха и откройте клапан EGR. Заглушите соединитель 1 и установите его на байпасный клапан.

Откройте байпасный клапан и подайте давление до 0,3 атм. С помощью SDP3 убедитесь в том, что давление стабильно. Давление не должно падать более чем на 0,15 атм за 15 секунд.
Примечание: внутренние утечки в байпасном клапане ведут к увеличению температуры отработавших газов и снижению мощности двигателя. Кроме того, увеличивается риск замерзания системы при отрицательных температурах.

Тест компрессии
Тест выполняется в два приема и продолжается около 1 минуты.
Результаты приводятся в виде разности скорости маховика при прокрутке стартером на такте сжатия. Если значение положительное - компрессия в данном цилиндре хуже, Условия для запуска теста:
- Стереть все коды неисправности
- Прогреть двигатель выше +40 С
- Двигатель равномерно работает на холостом ходу
- Включен стояночный тормоз
- С момента запуска двигателя прошло более 2 минут
Для получения правильных результатов:
- Пневмосистема должна быть заполнена, компрессор включаться не должен
- Педали тормоза и сцепления не должны быть нажаты
- Ретардер, моторный замедлитель и ограничитель белого дымления должны быть выключены
- Аккумуляторные батареи должны быть полностью заряжены (стартер должен крутить быстро).
Проверка отдачи цилиндра
Тест является сравнительным, он показывает, отличается ли крутящий момент цилиндров.
Условия проведения теста
- Сотрите все коды неисправности
- Прогрейте двигатель до температуры выше +50 С
- Двигатель должен равномерно работать на оборотах холостого хода.
- Стояночный тормоз должен быть включен
- С момента запуска двигателя должно пройти более 2 минут
Для получения правильных результатов:
Пневмосистема должна быть заполнена, компрессор включаться не должен.
Педали тормоза и сцепления не должны быть нажаты.
Ретардер, моторный замедлитель и ограничитель белого дымления должны быть выключены
Двигатель разгоняется всеми цилиндрами до 1800 об/мин, после чего продолжает работать на одном
цилиндре.
Тест проходит в порядке 1-2-3-4-5-6, дважды. Полное время прохождения теста 1,5 мин.
Двигатель работает крайне неравномерно, со стуками, тахометр показывает 500 об/мин, генератор
включается и выключается. Все это абсолютно нормально.

Примечание: на всех двигателях тест начинается с 1 цилиндра.
На двигателе XPI идет в порядке 1-2-3-4-5-6, а на двигателях PDE и HPI в порядке 1-5-3-6-2-4.
Тест проверки защитного клапана на наличие утечек
Тест повышает давление в топливной системе до 2400 атм.
Для проверки утечки топлива через защитный клапан трубку с клапана следует снять. За одну минуту утечка топлива через клапан не должна превысить 3 капель.
Условия для запуска теста:.
- Двигатель должен быть прогрет до температуры более чем +45 С
- Двигатель работает на оборотах холостого хода
- Стояночный тормоз включен
- Коробка передач в нейтрали
- Педаль тормоза и сцепления не нажата.

Проверка внутренних утечек
Тест начинается с увеличения давления до 2400 атм, после чего форсунки закрываются и двигатель
останавливается.
Контролируется падение давления. Через одну минуту давление не должно падать ниже 10 атм.
Условия для запуска теста:
- двигатель прогрет до температуры выше +45 С
- двигатель работает на оборотах холостого хода
Проверка внутренних утечек через форсунки
Подключите прибор для измерения давления 99362 к контрольному штуцеру на рампе обратного слива. Оно не должно превысить 0,8 атм. В случае превышения - в какой-то форсунке утечка, проверьте баланс по цилиндрам.

Снижение давления топлива
Снижение давления в топливной системе выполняется за счет активации форсунок - топливо сливается в цилиндры.
Не нажимайте педали тормоза и сцепления - при нажатии процесс снижения давления прекращается.
Внимание!
Давление в топливной системе достигает 3000 атм. Перед началом любых работ с топливной системой следует снизить в ней давление.
Всегда следует предполагать, что в системе есть давление топлива, даже если двигатель не заводился несколько дней.
Возможны сложности с прохождением процедуры снижения давления в случае неисправности датчика давления топлива
Девалидация кодов неисправности по системе EGR
Для того, чтобы некоторые коды неисправности по системе EGR стали неактивными, приходится
проводить процедуру признания их недействительными (девалидация).
Программа SDP3 проведет проверку того, устранены ли причины, вызвавшие появление кода неисправности.
Если проверка пройдет успешно, коды станут неактивными, и их можно будет удалить.
Ограничение крутящего момента также будет снято.
Внимание: при проведении теста двигатель работает под нагрузкой и температура отработавших газов
увеличивается до 300 -400 С. Газоотводящие шланги такой температуры не выдерживают, поэтому
тест лучше выполнять на открытом воздухе.
Условия для проведения теста девалидации:
- в системе есть активные коды неисправности, требующие девалидации
- неисправности устранены
- коды неисправности, которые могут быть удалены без девалидации, стерты
- двигатель работает на оборотах холостого хода
- стояночный тормоз включен
- педаль тормоза и сцепления не нажата
Если при проведении теста будет нажата педаль тормоза или сцепления, девалидация будет остановлена
Возможны проблемы при проведении теста, если автомобиль находится в условиях высокогорья (более 1000 м над уровнем моря). Выдаются предупреждения о превышении оборотов двигателя или турбины. Решение - провести тест на меньшей высоте.
Тест занимает 30 минут на прогретом двигателе и около 45 минут на холодном. Обороты двигателя при
тестировании могут достигать 2500 об/мин. Программа показывает, на сколько % выполнен тест.
Первая часть теста девалидации (0 - 33%) - прогрев двигателя до 70 С и проверка датчиков температуры
Вторая часть проверки - тестирование датчика массового расхода воздуха и его адаптация (34
- 66%). Двигатель работает с закрытым клапаном EGR, обороты возрастают от 500 до 2200 об/мин.
Послетняя, третья часть проверки (67 - 100%) заключается в тестировании системы EGR.

Проверка турбины
Сопло турбины перемещается от одного предельного положения до другого, при этом измеряется ток
электромотора привода. Если заеданий нет -ток не превышает 60%. Если ток достигает 100%, привод
турбины неисправен.
Привод может заедать из-за замерзания влаги на холоде (при этом замена не требуется) из-за заклинивания вследствие механического повреждения или отложений сажи В некоторых случаях заклинивание происходит в нагретом состоянии, поэтому проверку следует провести также и при температуре около 300С.
Если проверка показывает наличие заедания привода, следует снять электромотор и проверить рукой
перемещение привода сопла:
Если перемещение рычага затруднено - замените турбину в сборе
Если рычаг движется свободно - попытайтесь откалибровать, при неудаче замените электропривод

Проверка клапана IMV, регулирующего давление топлива
(IMV = inlet metering valve)
В процессе проверки блок управления двигателя увеличивает и снижает давление топлива в пределах
от 500 до 2000 атм., после чего сравнивает требуемые и фактические значения давления. В качестве
результата теста выдается максимальная разница между требуемым и фактическим давлением.
Условия выполнения теста:
Автомобиль неподвижен
Двигатель работает на оборотах холостого хода (500 - 600 об/мин)
Педаль акселератора не нажата.
Пневмосистема заполнена (компрессор не включается).
Тестирование занимает около 2 минут.



Базовая адаптация датчика расхода воздуха Т126
Выполнение базовой адаптации требуется после замены датчика или после устранения утечки воздуха.
После первоначальной (базовой) адаптации блок управления периодически выполняет адаптацию датчика массового расхода воздуха при работающем двигателе.
При первоначальной (базовой) адаптации двигатель должен быть выключен.
Базовая адаптация форсунок
При работе двигателя происходит постоянная подстройка блока управления к параметрам форсунок.
Базовая адаптация форсунок требуется после замены одной или нескольких форсунок.
Для осуществления базовой адаптации форсунок двигатель должен быть выключен, зажигание включено.
После базовой адаптации подстройка параметров блока управления (для достижения оптимальной экономичности) может занять до 100 часов.
Базовая установка и калибровка системы EGR
Выполнение базовой установки и калибровка EGR нужны после замены клапана EGR, пневмоцилиндра привода клапана или датчика T124 положения клапана EGR.
Также базовая установка и калибровка могут потребоваться при появлении кодов неисправности, связанных с неправильным содержанием отработавших газов во впускном коллекторе.
Условия
- Двигатель должен быть выключен
- Зажигание включено
- Стояночный тормоз включен
Перед началом калибровки следует проверить наличие нормального давления в пневмосистеме автомобиля.
Выполнение калибровки занимает около 6 минут. Во время калибровки потребуется запуск двигателя.
Базовая установка и калибровка электромотора привода турбины с изменяемой геометрией
Базовая установка выполняется на снятом электроприводе турбины, перед установкой привода на турбину.
Внимание! Не выполняйте базовую установку привода турбины, если привод уже установлен на турбину!
Сектор на турбине устанавливается в крайнее правое положение (до совмещения отверстий А и С - см. рис.).
После базовой установки привода и перемещения сектора в крайнее положение, электропривод может быть установлен на турбину.
После установки привода следует выполнить калибровку.

Считывание параметров калибровки турбины с изменяемой геометрией
В случае, если калибровка была проведена на неисправной турбине, рабочий диапазон может быть сужен, что скажется на мощности двигателя, расходе топлива и т.п.
В этом разделе можно считать калибровочные параметры турбины.
Новой калибровки при считывании параметров не осуществляется.
Диапазон регулирования (верхняя строка) должен составлять:
- Для 13 л двигателя: 210 - 230
- Для 9 л двигателя: 173 - 213


Адаптация отбора мощности
В этом разделе можно отключить адаптацию отбора мощности.
Адаптация требуется для того, чтобы переключение передач системой Opticruise при работе отбора мощности происходило более плавно. При адаптации блок управления двигателя определяет, какой крутящий момент используется для работы отбора мощности.
Отключение адаптации форсунок
В этом разделе можно отключить или заморозить адаптацию форсунок.
Блок управления двигателем постоянно производит адаптацию к каждой отдельной форсунке.
В некоторых случаях оказывается целесообразным эту адаптацию отключить или заморозить.
В настройках доступны 3 варианта:
0= адаптация отключена
1= адаптация заморожена
2= адаптация активна
Варианты настройки
В случае, если двигатель работает жестко, стучит, Opticruise переключается с рывками, целесообразно отключить адаптацию, установив значение 0, после чего снова включить ее, установив 2.
Если двигатель начнет работать лучше - такую настройку надо оставить.
Если двигатель сперва начнет работать хорошо, но затем качество работы начнет ухудшаться, целесообразно выбрать момент, когда двигатель будет работать наилучшим образом и заморозить в этот момент адаптацию, установив значение 1.
Коррекция характеристики педали акселератора
В этом разделе можно включить режим управления RQV при нахождении КПП в нейтрали или нажатой педали сцепления в случае, если нормальная характеристика педали акселератора - RQ.
Это означает, что при выборе настройки «Коррекция характеристики педали акселератора» = 1, если характеристика педали акселератора запрограммирована RQ (т.е. крутящий момент двигателя пропорционален нажатию педали акселератора), если передача не включена, частота вращения двигателя будет пропорциональна степени нажатия педали акселератора.
Продолжение и полное описание - доступно только пользователям