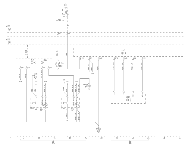
Электросхемы ECAS 2 MAN TGS / TGX
A Электропитание
B Пульт ДУ
C Контрольная лампа
- A100 Центральная электрическая сеть
- A143 Блок управления ECAS
- A221 Пульт ДУ ECAS
- A302 Центральный компьютер 2
- A407 Приборная панель
- F164 Предохранитель ECAS (клемма 30)
- F375 Предохранитель кабины снаружи (клемма 15)
- H394 Контрольная лампа ECAS неисправности/предупреждения
- X770 Штекерное соединение ECAS, уровень подвески II
- X1644 Точка массы кабины рядом с центральной электрической сетью
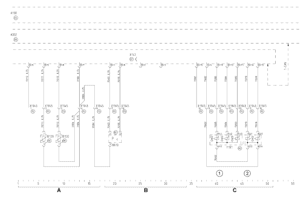
A Датчики перемещения
B Датчики давления
C Электромагнитные клапаны
- A100 Центральная электрическая сеть
- A143 Блок управления ECAS
- A302 Центральный компьютер 2
- B130 Датчик перемещения заднего моста справа
- X1945 Штекерное соединение ECAS/CDC
- Y132 Клапанный блок ECAS
A Кнопка
B Пульт ДУ
- A100 Центральная электрическая сеть
- A143 Блок управления ECAS
- A221 Пульт ДУ ECAS
- A302 Центральный компьютер 2
- A407 Приборная панель
- F164 Предохранитель ECAS (клемма 30)
- F375 Предохранитель кабины снаружи (клемма 15)
- H394 Контрольная лампа ECAS неисправности/предупреждения
- S267 Кнопка ECAS системы поддержки при трогании с места
- S954 Кнопка ECAS, подъем/опускание заднего поддерживающего/переднего поддерживающего моста
- X770 Штекерное соединение ECAS, уровень подвески II
- X1644 Точка массы кабины рядом с центральной электрической сетью
- X4732 Распределитель потенциалов провода 16000 освещения переключателя
A Датчики перемещения
B Датчики давления
C Электромагнитные клапаны
- A100 Центральная электрическая сеть
- A143 Блок управления ECAS
- A302 Центральный компьютер 2
- B129 Датчик перемещения заднего моста слева
- B130 Датчик перемещения заднего моста справа
- B610 Датчик давления заднего моста слева
- X1945 Штекерное соединение ECAS/CDC
- Y161 Блок электромагнитных клапанов ECAS заднего моста (II = заднего/переднего поддерживающих мостов)
1 Маркировочная насадка "1" на штекере Y161/61
2 Маркировочная насадка "2" на штекере Y161/62



