Перейти к контенту

Пропустить меню
Подписывайтесь на наш канал в Telegram и будьте всегда в курсе самых последних сообщений и публикаций с сайта.
 См. также:
     ABS
     ЭСУПП
Электрооборудование автомобилей
МАЗ-544018, 643018,650118 (Евро-3), МАЗ-534019, 544019, 630119, 650119 (Евро-4)
с двигателями Mercedes OM501LAIII/18, OM501LAIV/4

Cхемы электрические

     - 2

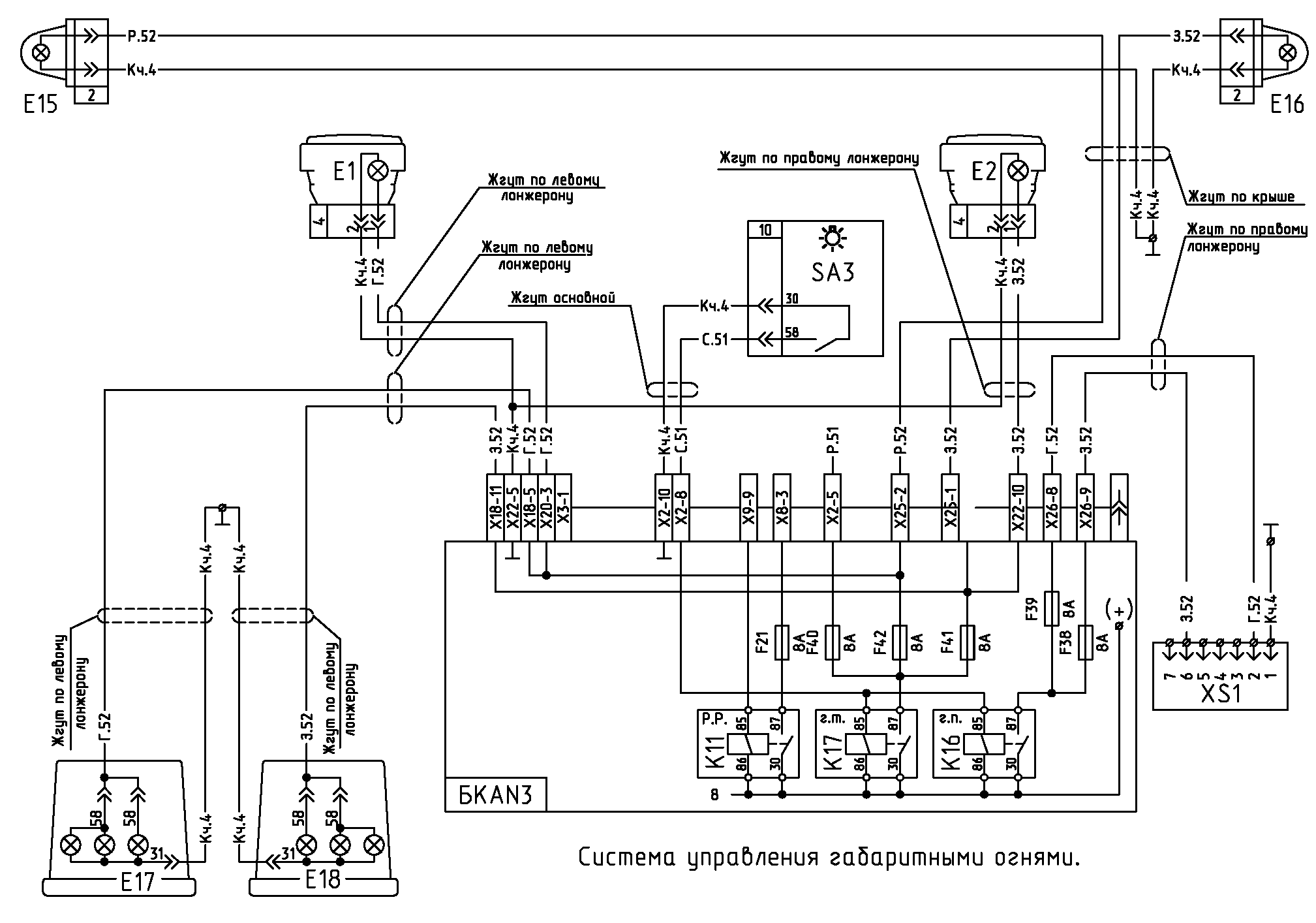
Обозначение компонентов

Позиция                    Наименование
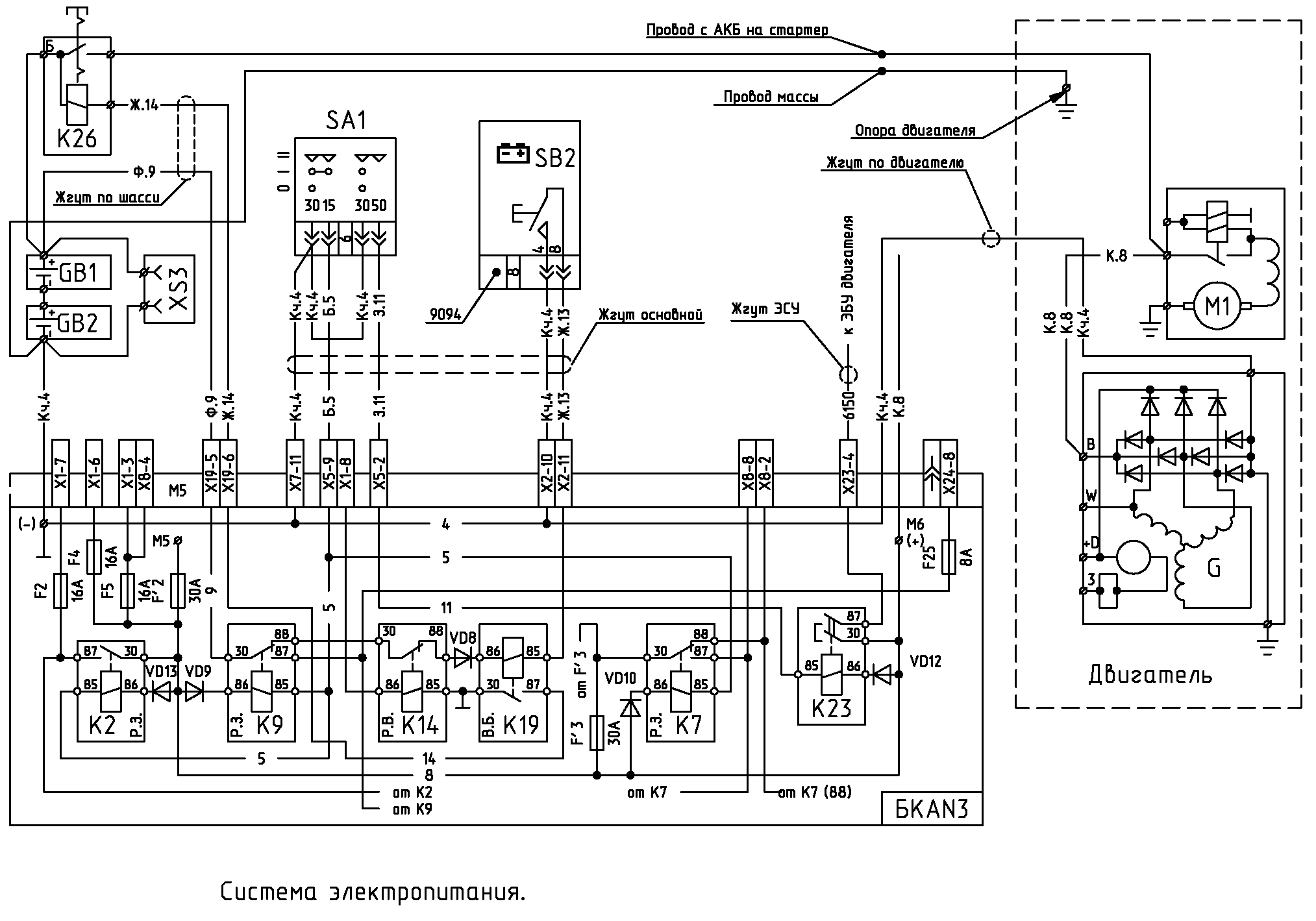
  • G Генератор
  • GB1.GB2 Аккумуляторная батарея 6СТ 190А
  • НА1 Зуммер
  • НА2 Зуммер
  • НАЗ Комплект электрических сигналов
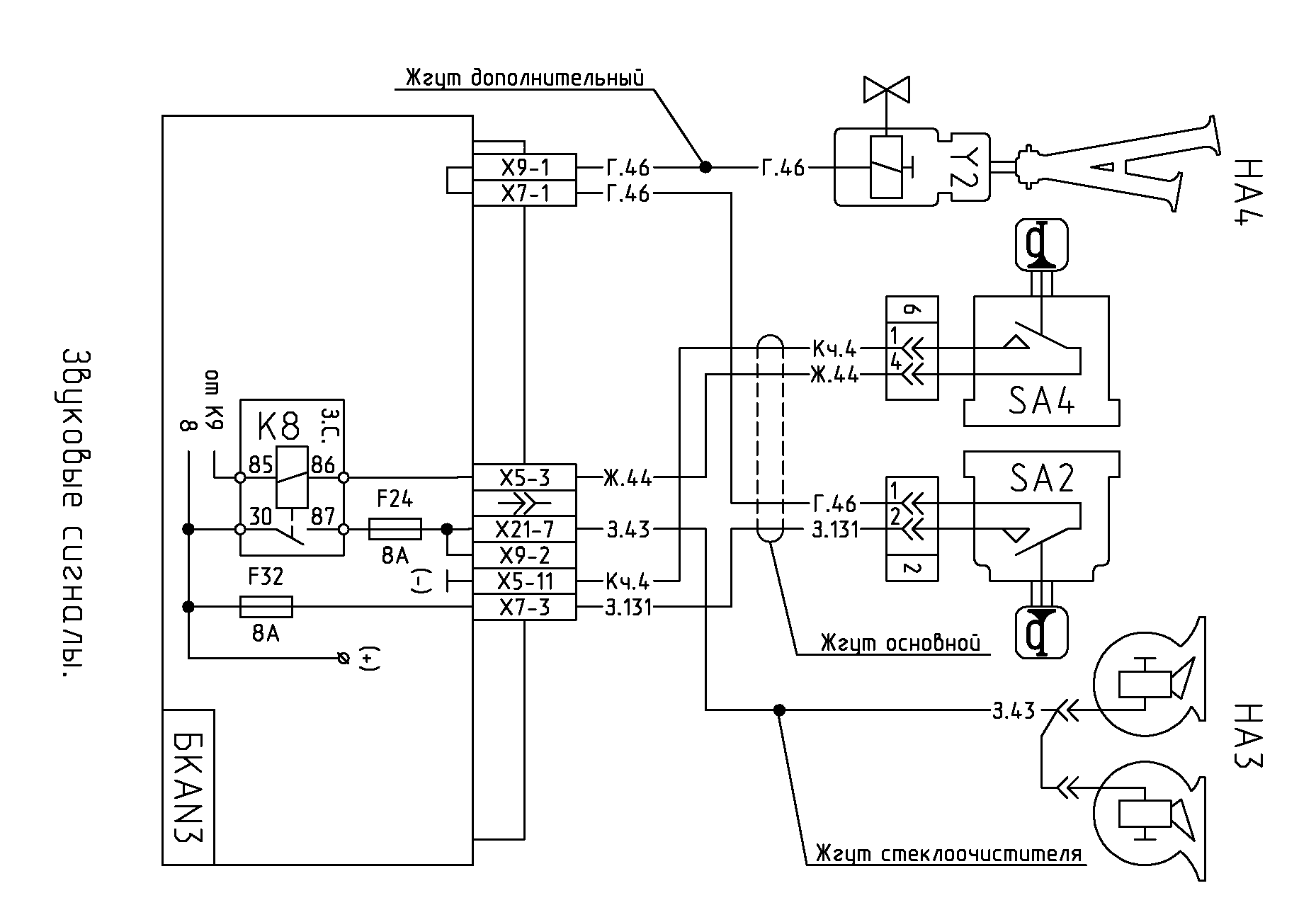
  • НА4 Сигнал пневматический

Контрольные лампы =
  • HL1 Предпускового подогрева двигателя
  • HL2 Включения муфты вентилятора
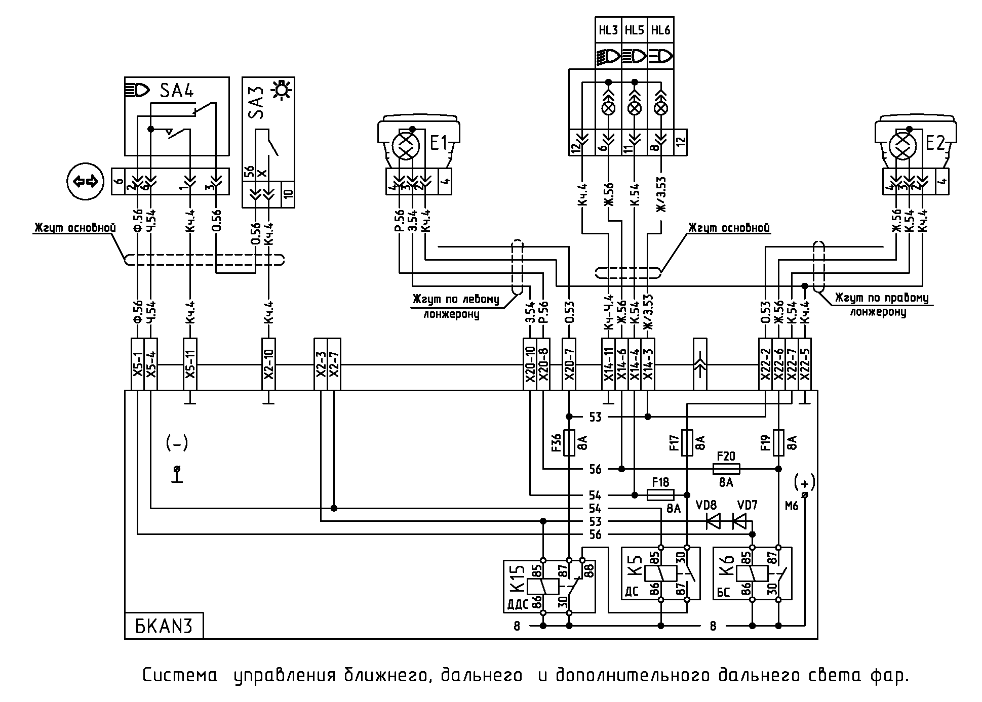
  • HL3 Ближнего света фар
  • NL4 Передних противотуманных фар
  • HL5 Дальнего света фар
  • HL6 Дополнительного дальнего света фар
  • HL7 Поворотов тягача
  • HL8 Поворотов прицепа
  • HL1D Заднего противотуманного фонаря
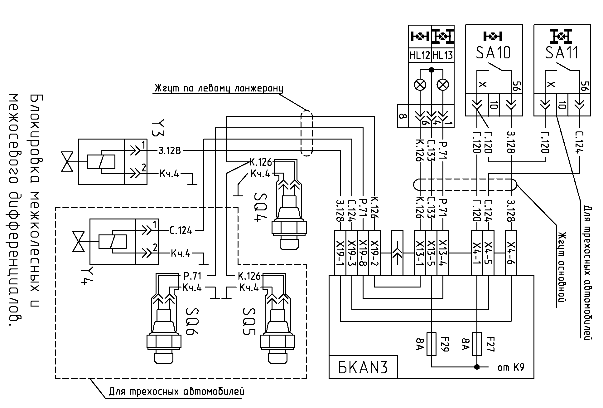
  • HL12 Блокировки межколесного дифференциала
  • HL13 Блокировки межосевого дифференциала
  • HL15 Стояночного тормоза
  • HL17 Засоренности воздушного фильтра
  • HL18 Засоренности масленного фильтра
  • HL19 Зарядки батареи
  • HL21 Уровня охлаждающей жидкости
  • HL22 Аварийного давления масла
  • HL23 Перегрева двигателя
  • HL24 Центральный аварийный сигнал
  • HL25 Неисправности тормозной системы
  • HL26 Аварийного давления первого контура
  • HL27 Аварийного давления второго контура
  • HL28 Резерв топлива

  • М1 Стартер
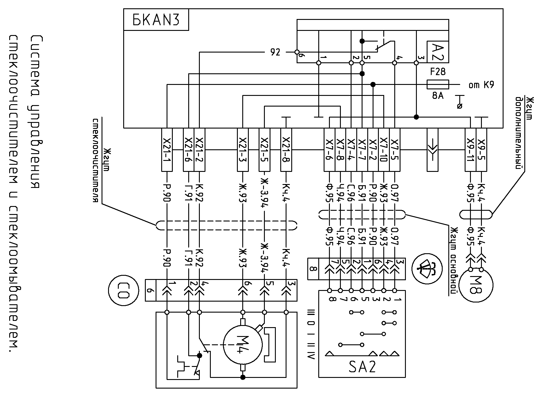
  • М4 Электродвигатель стеклоочистителя
  • М7 Циркуляционный насос
  • М8 Электродвигатель стеклоомывателя
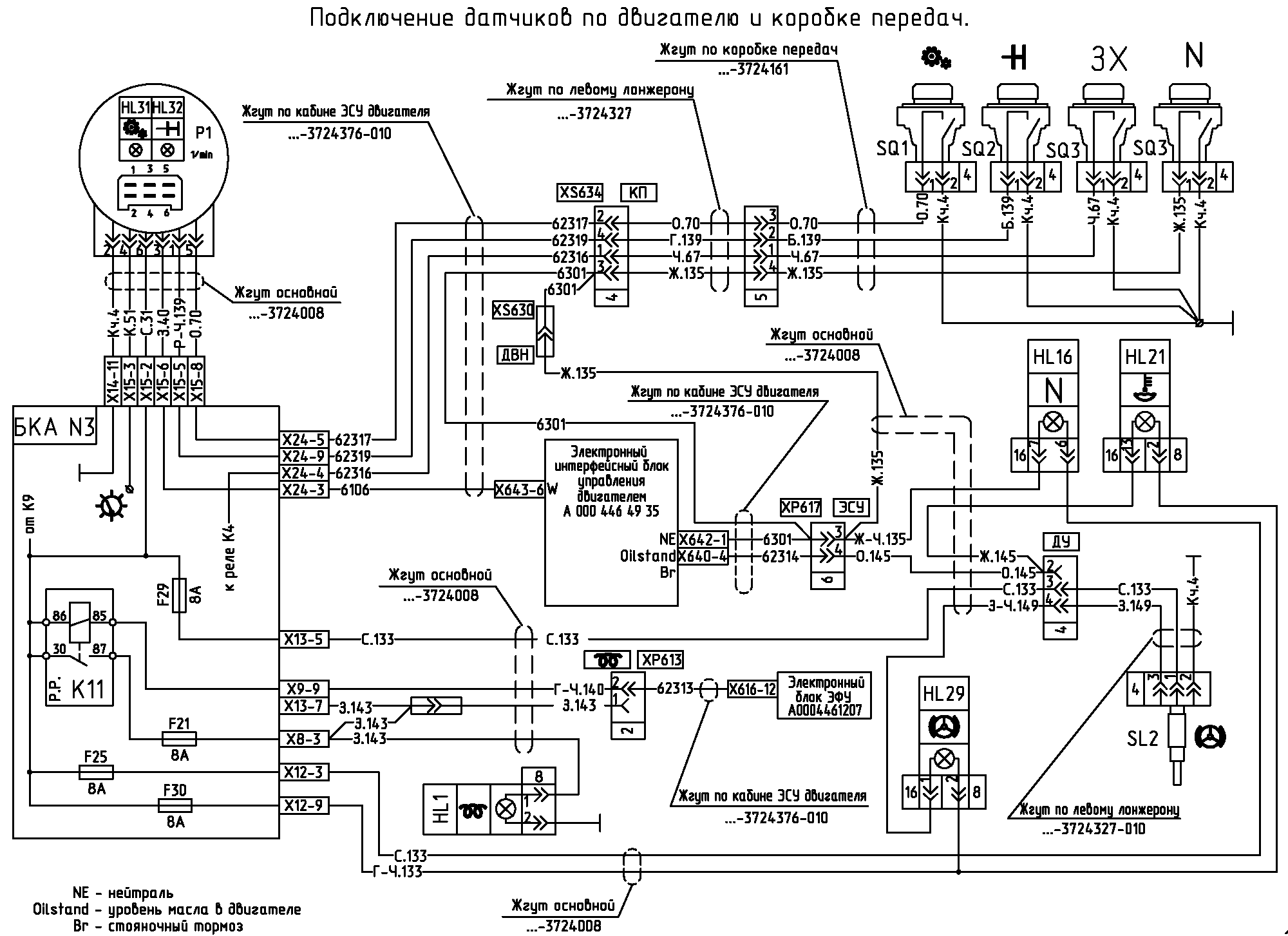
  • Р1 Тахометр
  • Р5 Щиток прибороВт
  • PS Тахограф
  • RP Реостат подсветки
  • SA1 Выключатель стартера
  • SA2 Переключатель стеклоочистителя
  • SA3 Переключатель света главный
  • SA4 Переключатель указателей поворота, света и электрических сигналов
  • SA5 Переключатель отопителя
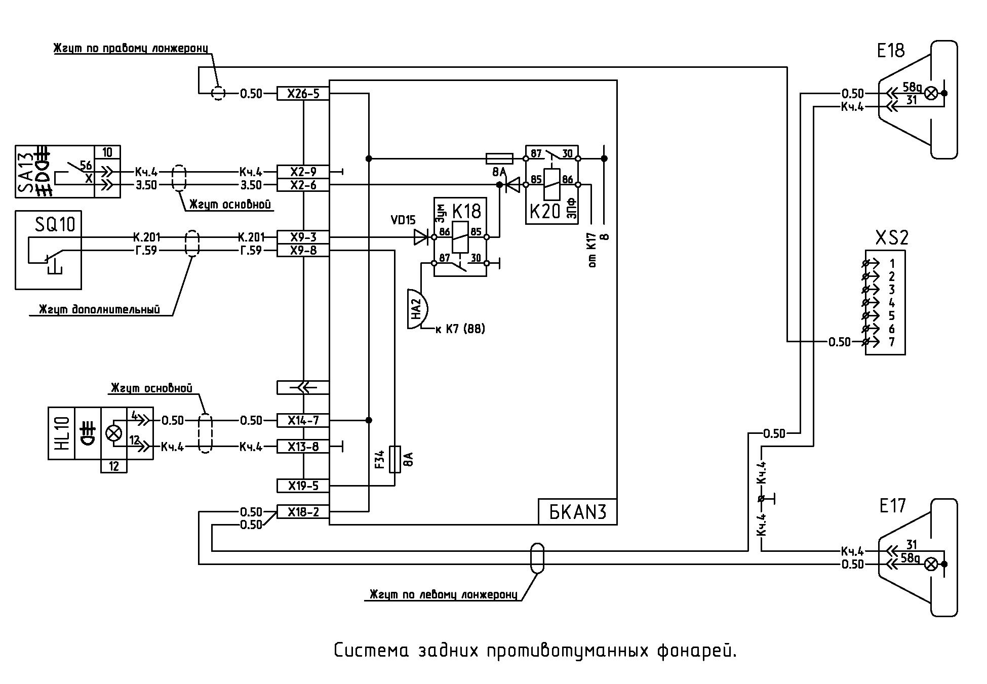
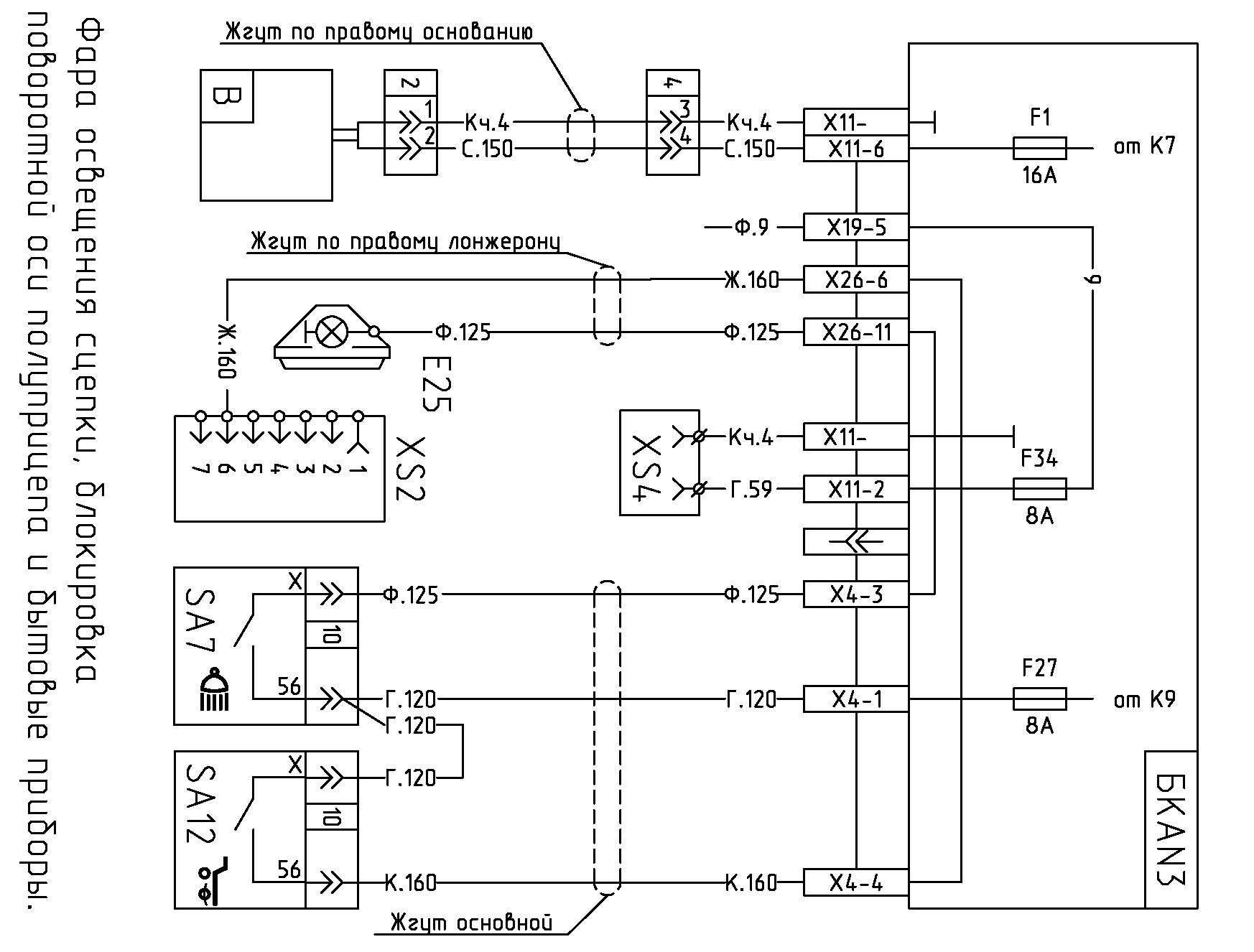
  • SA7 Выключатель фары сцепки
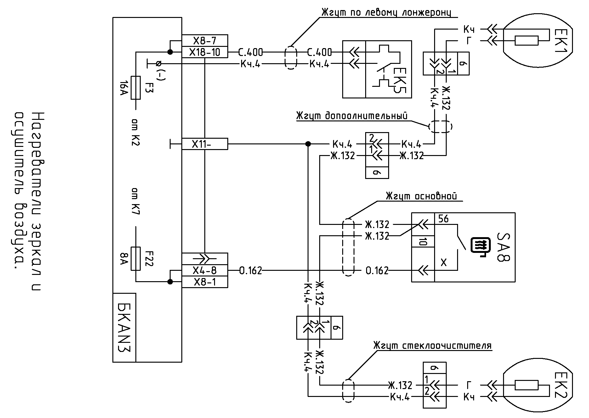
  • SA8 Выключатель нагребателя зеркал
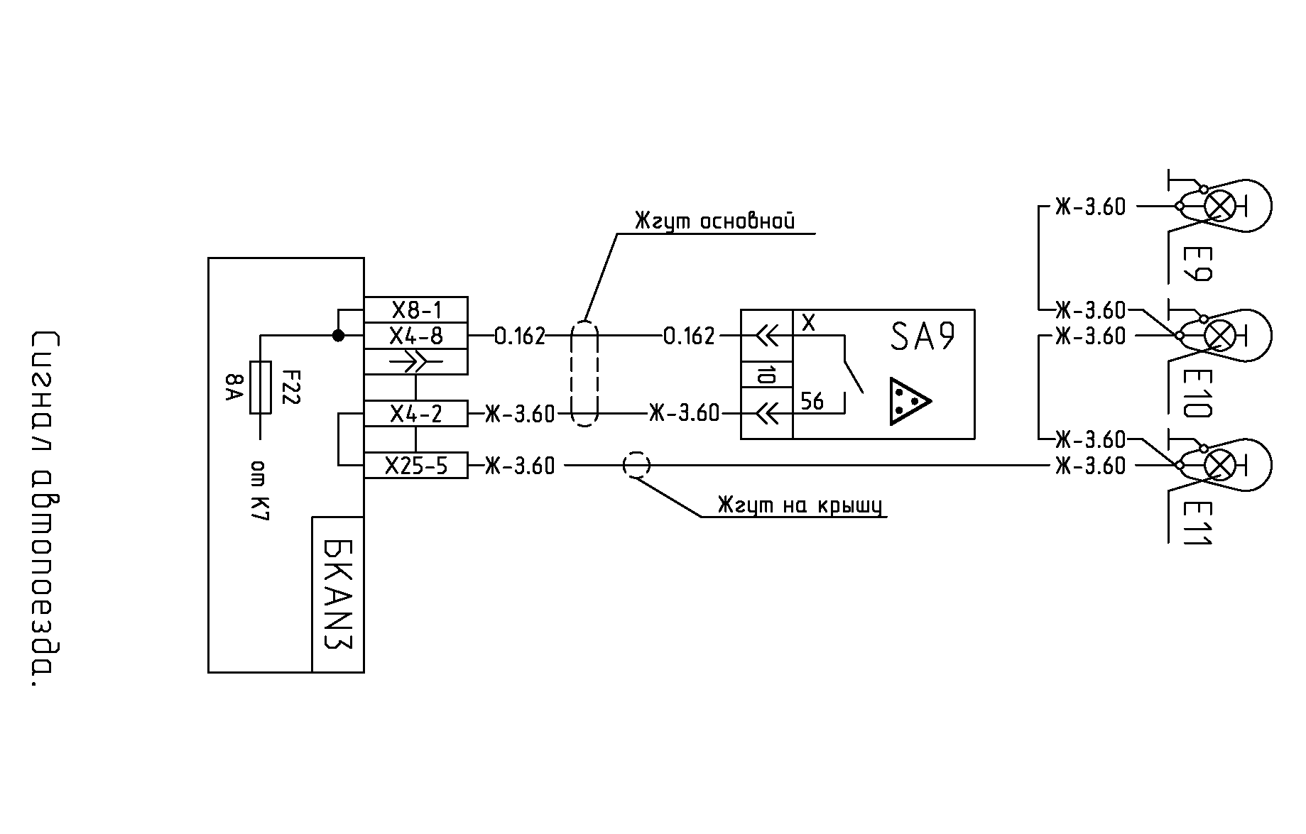
  • SA9 Выключатель фонарей автопоезда
  • SA10 Выкл. межколесного дифференциала
  • SA11 Выкл. межосеВого дифференциала
  • SA12 Выкл. поВоротной оси полуприцепа
  • SA13 Выкл. противотуманных фонарей
  • SB1 Выключатель аварийной сигнализации
  • SB2 Дистанционный выключатель АКБ
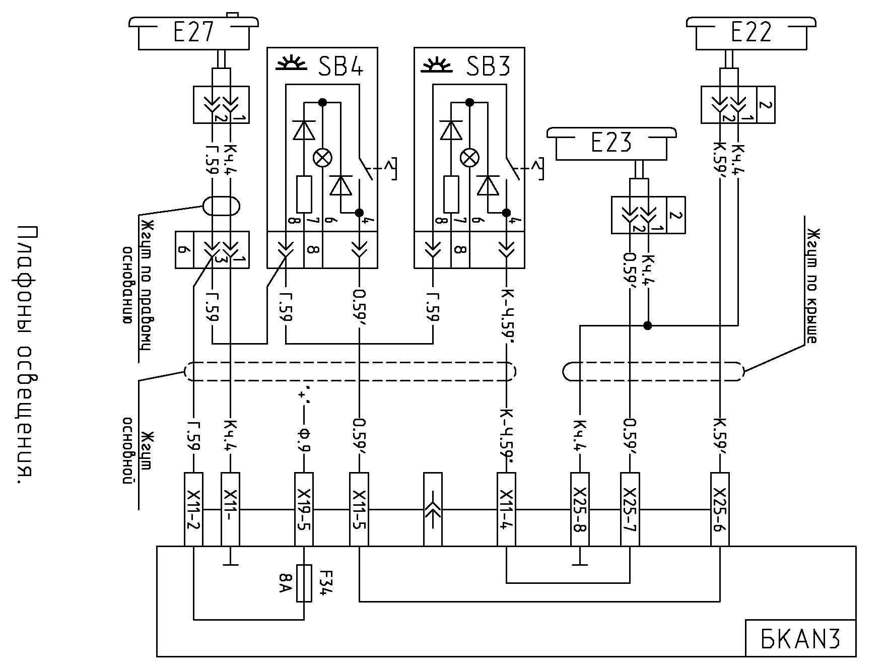
  • SB3.SB4 Выключатель освещения кабины
  • SL1 Датчик уровня топлива
  • SL2 Датчик уровня жидкости
  • SP1 Выключатель сигналов 'стоп*
  • SQ1.SQ2 Выключатель
  • SQ3 Выключатель
  • SQ4..SQ6 Выключатель
  • SQ1D Выключатель
  • WA Антенна
  • XS1 Розетка основная
  • XS2 Розетка дополнительная
  • XS3 Розетка переносной лампы
  • XS4 Розетка переносной лампы в кабине

Электропневмоклапана:
  • Y2 Пневмосигнала
  • Y3 Блокировки межколесной
  • Y4 Блокировки межосевой

Перечень элементов электрооборудования
  • А Блок коммутационной аппаратуры
  • А1 Прерыватель
  • А2 Прерыватель стеклоочистителя
  • А7 Магнитола стереофоническая автомобильная
  • В Холодильник
  • ВА1.ВА2 Широкополосная акустическая система
  • ВК Датчик указателя температуры воды
  • ВР1.ВР2 Датчик комбинированный давления
  • ВР4 Датчик аварийного давления воздуха
  • ВР5 Датчик
  • Е1.Е2 Фара головная
  • ЕЗ.Е4 Фара противотуманная
  • Е7.Е8 Передний указатель поворота
  • Е9...Е11 Знак опознавательный
  • Е13.Е14 Указатель поборота боковой дополнительный
  • Е15.Е16 Фонарь боковой габаритный 4462.3731-03
  • Е17 Фонарь задний
  • Е18 Фонарь задний
  • Е22.Е23 Плафон освещения кабины
  • Е25 Фара освещения сцепки
  • Е26.Е27 Плафон освещения спального места
  • ЕК1.ЕК2 Нагреватель зеркал
  • ЕК5 Осушитель воздуха

СилоВые предохранители:
  • F' 1 60А (с винтоВым креплением Мб)
  • F' 2 ЗОА (с винтоВым креплением МБ)
  • F' 3 ЗОА (с винтоВым креплением МБ)

Цилиндрические предохранители на 8А и 16А:
  • F1 16А холодильника
  • F2 16А (+) от замка для ABS тормозов
  • F3 16А осушителя воздуха, нагревателей
  • F4 16А (+) от генератора для ABS тормозов
  • F5 16А от генератора для электроники дБигателя
  • F6 8А указателей поВорота
  • F7 8А фонарей автопоезда
  • F8 8А сигналов торможения тягача
  • F9 8А (+) с реле сигналов торможения
  • F10 8А фонаря заднего хода
  • F11 8А сигналов торможения прицепа
  • F12 8А аварийной сигнализации
  • F13 8А блока управления подогревателем
  • F14 8А таймера терморегулятора, радио
  • F15 8А вентиляторо штатного отопителя
  • F16 8А нагревателей независимого отопителя
  • F17 8А дальнего света правой фары
  • F18 8А дальнего света левой фары
  • F19 8А ближнего света правой фары
  • F20 8А ближнего света леВой фары
  • F21 8А резерва габаритов
  • F22 8А подогрева зеркал, стеклоподъемников
  • F23 8А муфта вентилятора
  • F24 8А электрических сигналов
  • F25 8А регулятора напряжения, останов двигателя
  • F26 8А клапана останова двигателя
  • F27 8А выключателей
  • F28 8А стеклоочистителя, стекло и фаромывателя
  • F29 8А питания контрольных ламп остальных
  • F30 8А питания контрольных ламп аварийных
  • F31 8А питания приборов
  • F32 ВА провод 131
  • F33 8А тахографа
  • F 34 6А плафонов кабины
  • F35 6А задних противотуманных фонарей
  • F36 8А дополнительных фар дальнего света
  • F37 8А передних противотуманных фар
  • F38 8А правого габарита прицепа
  • F39 8А левого габарита прицепа
  • F40 8А подсветки приборов
  • F41 8А правого габарита тягача
  • F42 8А левого габарита тягача

  • HL29 Уровня масла В ГУР
  • HL31 Делителя коробки передач
  • HL32 Демультипликатора коробки передач

Промежуточные реле:
  • К1 Шунтирование добавочного сопротивления
  • К2 Разгрузки выключателя стартера и приборов
  • КЗ Сигналов ‘торможения’ тягача
  • К4 Фонарей заднего хода
  • К5 Дальнего света фар (Д.С.)
  • Кб Ближнего света фар (Б.С.)
  • К7 Разгрузки выключателя стартера и приборов
  • К8 Электрических звуковых сигналов
  • К9 Разгрузки выключателя стартера и приборов
  • K10 Сигналов 'торможения' прицепа
  • К11 Резервное реле
  • К12 Включения ЭФУ
  • К13 Глушения двигателя
  • К14 Реле задержки времени отключения АБ
  • К15 Дополнительных фар Д.С. (прожекторов)
  • К16 Габаритов прицепа
  • К17 Габаритов тягача
  • К18 Зуммер
  • К19 Дистанционного выключателя АБ
  • K20 Задних противотуманных фонарей (ЗПр.)
  • К21 Передних противотуманных фар
  • К22 Муфта вентилятора
  • К23 Стартера
  • К26 Выключатель аккумуляторной батареи
  • КК Реле контрольной лампы стояночного томоза

gerikogan@gmail.com

Сайт (2149 страниц) - создан из материалов"Большой энциклопедии для автоэлектриков и диагностов"и на нем лишь мизерное количество информациис огромной электронной энциклопедии !!!

подписчики
1981
Назад к содержимому