Автономный водяной отопитель Hydronic M10, M12

Управляющие и предохранительные устройства
На отопительном приборе установлены следующие устройства управления и предохранительные
устройства:
• Если отопительный прибор не запускается в течение 74 секунд после начала подачи топлива, то старт выполняется заново.
Если отопительный прибор снова не запускается после следующих 65 секунд, то производится аварийное отключение.*
После определенного количества неудачных запусков происходит блокировка блока управления.**
• Если процесс горения в камере сгорания прекращается сам по себе, то производится новый запуск.
Если отопительный прибор не запускается через 74 секунд после возобновления подачи топлива, происходит аварийное отключение.*
После определенного количества неудачных запусков происходит блокировка блока управления.**
• При перегреве (напр., недостаток охлаждающей жидкости, плохая деаэрация контура ее циркуляции) срабатывает датчик перегрева, прекращается подача топлива, происходит аварийное отключение.*
После устранения причины перегрева отопительный прибор можно запустить вновь путем выключения и последующего включения (условие: отопительный прибор достаточно остыл, температура охлаждающей жидкости < 72°C).
После определенного количества отключений вследствие перегрева происходит блокировка блока управления.*
• При достижении нижней или верхней границ напряжения происходит аварийное отключение.*
• При обрыве электропроводки дозирующего насоса отопительный прибор не запускается.
• При неисправности одного из электродов накаливания процедура запуска выполняется с использованием только одного электрода.
• Число оборотов двигателя вентилятора контролируется непрерывно. Если не запускается вентилятор, то он блокируется; если число оборотов отклоняется от нормы более чем на 12,5 %, то через 60 секунд происходит аварийное отключение.*
• Работа водяного насоса контролируется непрерывно.
* Аварийное отключение может быть деактивировано путем быстрого выключения и включения.
** Снятие блокировки или считывание ошибок.
Выключение и включение не повторять больше двух раз.
Принудительное отключение при эксплуатации согласно нормативам ADR / ADR99.
На транспортных средствах, предназначенных для перевозки опасных грузов (напр., топливозаправщики), отопительный прибор перед въездом в опасную зону (нефтеперерабатывающий завод, автозаправочная станция) должен быть отключен.
При несоблюдении этих требований отопительный прибор автоматически отключается, если
• отключается двигатель автомобиля;
• включается дополнительный агрегат (вспомогательный привод разгрузочного насоса и т.п.);
• открывается одна из дверей автомобиля (норматив ADR99, только для Франции).
Затем выполняется короткий инерционный выбег вентилятора в течение макс. 40 секунд.
Указание по переключению проводов 12-контактного штекера кабельного жгута
Если после замены Hydronic M (Hydronic 10) на Hydronic M-II проложенный в автомобиле кабельный жгут будет использоваться далее, необходимо снять 12-контактный штекер с кабельного жгута при помощи съемника AMP (номер по каталогу AMP 1-1579007-4) и в соответствии с приведенной ниже таблицей выполнить новый проводной монтаж.
12-контактный штекер кабельного жгута

Штекер показан со стороны входа кабеля.

* Удаленное управление водяного насоса для Hydronic M-II не предусмотрено
Спецификация элементов для монтажной схемы Hydronic M-II 24 В
- 1.1 Двигатель сгорания
- 1.2 Электрод накаливания 1
- 1.2.1 Калильный электрод 2 (опционально 12 кВт / FAME)
- 1.5 Датчик перегрева
- 1.12 Датчик горения
- 1.13 Температурный датчик
- 2.1 Блок управления
- 2.2 Дозировочный насос
- 2.5.7 Реле, вентилятор системы охлаждения автомобиля
- 2.5.18 Реле, переключение контура циркуляции охлаждающей жидкости – установка самим заказчиком при необходимости
- 2.7 Главный предохранитель 24 В = 15 А
- 2.7.1 Предохранитель, срабатывание на 5 A
- 2.7.5 Предохранитель вентилятора системы охлаждения автомобиля, 25 A
- 2.12 Водяной насос
- 5.1 Аккумулятор
- 5.10 Вентилятор автомобиля
- a) Разъем для подключения устройства управления
- b) Переключение контура циркуляции охлаждающей жидкости: Реле выполняет закрытие при 68°C и открытие при 63°C (с устройством понижения температуры 58°C / 45°C)
- c) Разъем подключения отопительного прибора
Описание контактов 12-контактного штекера (внешний)
№ контакта Подсоединение Сечение провода мм2
- A1 Дозировочный насос 1,5
- B1 Магн. клапан (опция) 1,0
- C1 Реле, нагнетатель 1,0
- А2 Клемма 31 4,0
- B2 Диагностика (OEM) –
- C2 свободна –
- А3 Клемма 30 4,0
- B3 свободна –
- C3 Понижение температ. 1,0
- А4 Выход плюсового сигнала 1,5
- B4 Диагностика (HELJED) 1,0
- C4 Обогрев ВКЛ 1,0
- d) Понижение температуры (с плюсовым сигналом)
- e) Подключить кабели к штекерам элементов управления
- x) Разъединить кабель
Цвета проводов
- rt = красный
- bl = синий
- ws = белый
- sw = черный
- gn = зеленый
- gr = серый
- ge = желтый
- vi = фиолетовый
Монтажная схема Hydronic M-II – 24 В

Спецификации монтажных схем Hydronic M-II – ADR – 24 В
- 1.1 Двигатель сгорания
- 1.2 Электрод накаливания 1
- 1.2.1 Электрод накаливания 2
- 1.5 Датчик перегрева
- 1.12 Датчик горения
- 1.13 Температурный датчик
- 2.1 Блок управления
- 2.2 Дозирующий насос
- 2.5.7 Реле, вентилятор системы охлаждения автомобиля
- 2.5.18 Реле, переключение контура циркуляции охлаждающей жидкости – установка самим заказчиком при необходимости
- 2.7 Главный предохранитель 24 В = 15 A
- 2.7.1 Предохранитель срабатывания 5 A
- 2.7.5 Предохранитель вентилятора системы охлаждения автомобиля, 25 A
- 2.12 Водяной насос
- 3.1.2 Включатель, обогрев (длительный режим работы)
- 3.2.9 Часовое реле
- 5.1 Аккумулятор
- 5.2.1 Главный выключатель аккумулятора (управление работой, напр., через замок зажигания) g)
- 5.2.2 Разъединитель аккумулятора (функция АВАР-ВЫКЛ согласно ADR) g)
- 5.10 Вентилятор автомобиля
- a) Разъем для подключения устройства управления
- b) Для ADR D+ (генератор)
- c) Для ADR HA+ (вспомогательный привод / электропривод) плюсовое включение
- d) Переключение контура циркуляции охлаждающей жидкости: Реле выполняет закрытие при 68°C и открытие при 63°C (с устройством понижения температуры 58°C / 45°C)
- e) Разъем подключения отопительного прибора
Описание контактов 12-контактного штекера (внешний)
№ контакта Подсоединение Сечение провода мм2
- A1 Дозировочный насос 1,5
- B1 Магн. клапан (опция) 1,0
- C1 Реле, нагнетатель 1,0
- А2 Клемма 31 4,0
- B2 Диагностика (OEM) –
- C2 D+ 1,0
- А3 Клемма 30 4,0
- B3 Сигнал TRS (ADR) 1,0
- C3 Понижение температ. 1,0
- А4 Выход плюсового сигнала 1,5
- B4 Диагностика (HELJED) 1,0
- C4 Обогрев ВКЛ 1,0
- f) Понижение температуры (с плюсовым сигналом)
- g) При использовании только одного включателя для поз. 5.2.1 и 5.2.2 необходимо, чтобы при активации функции „Размыкание разъединителя аккумулятора“ (функция Авар-ВЫКЛ согласно ADR) выключатель всегда немедленно (вне зависимости от состояния отопительного прибора) размыкался и все электрические цепи отопительного прибора обесточивались.
- x) Разъединить кабель
- a1) Обратный сигнал ADR
- a2) Диагностика
- a3) Сигнал включения S+
- a4) Питание, плюс, +30
- a5) Питание, минус, –31
- a6) (+) Управление разъединителем аккумулятора (диоды: номер по каталогу 208 00 012)
Цвета проводов
- rt = красный
- bl = синий
- ws = белый
- sw = черный
- gn = зеленый
- gr = серый
- ge = желтый
- vi = фиолетовый
Монтажная схема Hydronic M-II – ADR – 24 В

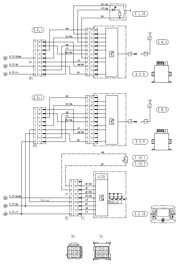
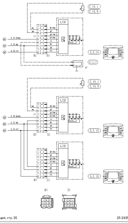
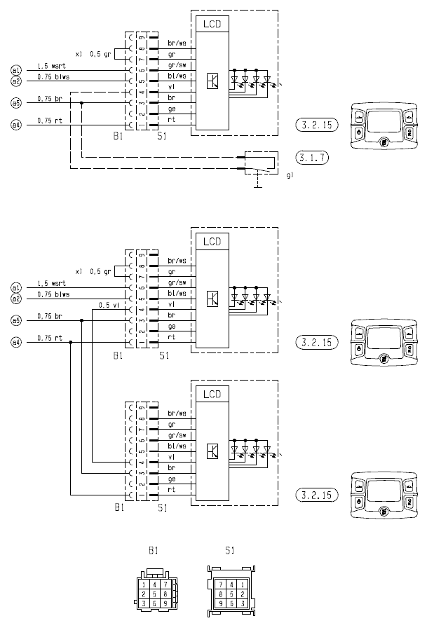
Спецификация монтажных схем элементов управления EasyStart R+ / EasyStart R / EasyStart T и EasyStart T – ADR
- 2.15.1 Датчик температуры внутри салона (для EasyStart R+ входит в комплект поставки для EasyStart R и EasyStart T - опция)
- 2.15.9 Датчик наружной температуры
- 3.1.7 Кнопка „ВКЛ / ВЫКЛ“
- 3.1.16 Кнопочный выключатель радиоуправления
- 3.2.15 Часовое реле EasyStart T
- 3.3.9 Радиоуправление EasyStart R (стационарный элемент)
- 3.3.10 Радиоуправление EasyStart R+ (стационарный элемент)
- 3.6.1 Переходный кабель
- 3.8.3 Антенна
- c) Клемма 58 (освещение)
- e) Подключение часового реле EasyStart T
- g) Вынесенная кнопка „ВКЛ / ВЫКЛ“ (опция)
- x) Перемычка ADR
Монтажная схема органа управления EasyStart R+

Монтажная схема органа управления EasyStart R

Монтажная схема органа управления EasyStart T

Монтажная схема органа управления EasyStart T – ADR

При возможных неисправностях проверьте следующие пункты
• Отопительный прибор после включения не запускается:
– Выключить и включить отопительный прибор.
• Если отопительный прибор все равно не включается, проверить:
– Есть ли топливо в топливном баке?
– Исправны ли предохранители?
– Исправна ли проводка, соединения, места разъемов?
– Нет ли помех в каналах подачи воздуха в камеру сгорания или отвода выхлопных газов?
• Отверстия подачи воздуха в камеру сгорания и отвода выхлопных газов после длительного простоя необходимо проверить, при необходимости — почистить.