Подвеска с электронным управлением ECAS IVECO STRALIS
Пневматическая подвеска
Пневматическая подвеска характеризуется прекрасными амортизационными свойствами, улучшенным демпфированием колебаний и, что особенно важно, способностью поддерживать постоянный клиренс автомобиля вне зависимости от нагрузки.
Таким образом, пневматическая подвеска позволяет простым нажатием кнопки изменять клиренс автомобиля и, соответственно, высоту грузовой площадки. Система ECAS помимо приведенных выше возможностей, обладает следующими преимуществами:
- значительным сокращением расхода воздуха;
- доступностью и простотой всех регулировок;
- простотой узлов;
- высоким уровнем безопасности;
- возможностью проведения комплексной диагностики системы.
Система ECAS (Пневматическая подвеска с электронным управлением) автоматически поддерживает заданный дорожный просвет автомобиля.
При этом работа подвески контролируется и ограничивается конкретными условиями эксплуатации и системами безопасности транспортного средства.
ЭБУ системы ECAS постоянно сравнивает действительное значение дорожного просвета, поступающее от датчиков, с параметрами, заложенными в памяти системы.
В случае расхождения данных значений, ЭБУ задействует электропневматические устройства, которые корректируют действительное положение транспортного средства в соответствии с параметрами, ранее запрограммированными водителем.
В системе предусмотрен выносной пульт для операций по подъему/опусканию и выравниванию шасси, причем эти операции можно осуществлять как на неподвижном автомобиле, так и во время движения.
Помимо операций по подъему/опусканию и выравниванию рамы шасси, с помощью пульта можно вводить и вызывать из памяти различные уровни положения рамы.
Поднятие, опускание и выравнивание автомобиля по горизонтали, выполняемое перед его загрузкой или разгрузкой, производится с помощью пульта управления, расположенного сбоку от сиденья водителя.
Пульт можно вынуть из гнезда, что позволяет производить указанные операции и с земли. При выгрузке тяжелых грузов или контейнеров (при помощи крана) опустите автомобиль в крайнее нижнее положение.
Не выключайте двигатель, если включилась контрольная лампа (10).
Если во время движения включается контрольная лампа (9), остановите автомобиль и переведите ключ в замке зажигания в положение STOP, а примерно через семь секунд верните его в положение MAR. Если контрольная лампа (9) не погаснет в течение двух секунд, необходимо обратиться на станцию технического обслуживания.


Схемы пневматических подвесок
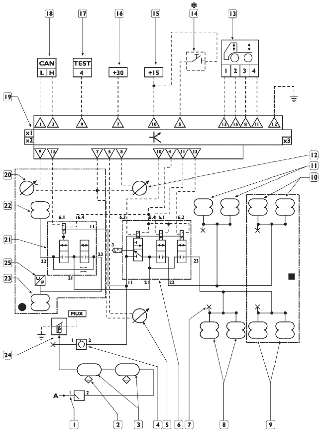
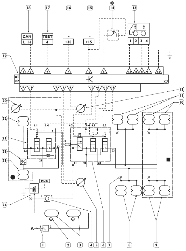
Схема задней пневматической подвески (тягачи, 4 х 2 Р)

1 Обратный клапан с контролем давления
2 Ручной клапан сброса давления
3 Ресиверы пневмосистемы подвески
4 Клапан нереверсивный
5 Электропневматический распределитель
6 Штуцер подачи сжатого воздуха
7 Пневматические рессоры (сильфоны) левые, задний мост
8 Пневматические рессоры (сильфоны) правые, задний мост
9 Выносной пульт управления
10 Выключатель для автоматического выравнивания по горизонтали
11 Цепь электропитания (от замка зажигания)
12 Плюс питания напрямую от аккумуляторной батареи
13 30-контактный диагностический разъем
14 Связь по линии CAN
15 Электронный блок управления
16 Датчик горизонтального положения
17 Выключатель низкого давления (8 бар)
A От APU (блока подготовки воздуха)
* Опция
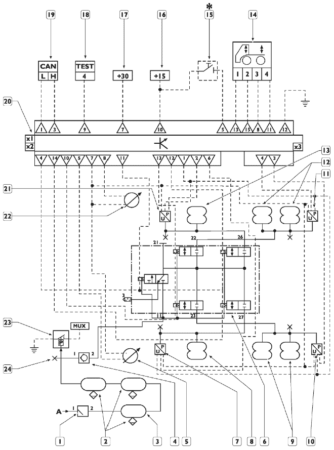
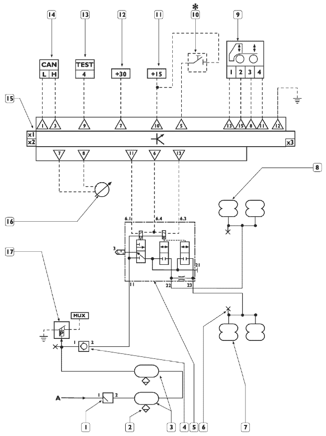
Схема передней и задней пневматической подвески
(тягачи 4 х 2 FР/ кузовные автомобили 4 х 2 P/FP и 6 х 4 Р)

1 Обратный клапан с контролем давления
2 Ручной клапан сброса давления
3 Ресиверы пневмосистемы подвески
4 Клапан нереверсивный
5 Датчик горизонтального положения заднего моста, левый
6 Электропневматический распределитель заднего моста
7 Штуцер подачи сжатого воздуха
8 Пневматические рессоры (сильфоны) левые, задний мост
9 Пневматические рессоры (сильфоны) левые, задний мост
10 Пневматические рессоры (сильфоны) правые, задний мост
11 Пневматические рессоры (сильфоны) левые, задний мост
12 Датчик горизонтального положения заднего моста, левый
13 Выносной пульт управления
14 Выключатель для автоматического выравнивания по горизонтали
15 Цепь электропитания (от замка зажигания)
16 Плюс питания напрямую от аккумуляторной батареи
17 30-контактный диагностический разъем
18 Связь по линии CAN
19 Электронный блок управления
20 Датчик горизонтального положения переднего моста
21 Электропневматический распределитель переднего моста
22 Пневматическая рессора (сильфон) правая, передний мост
23 Пневматическая рессора (сильфон) левая, передний мост
24 Выключатель низкого давления (8 бар)
25 Датчик давления
A От APU (блока подготовки воздуха)
* Опция
• Только для модификаций FP
А Только для модификаций 6 х 4
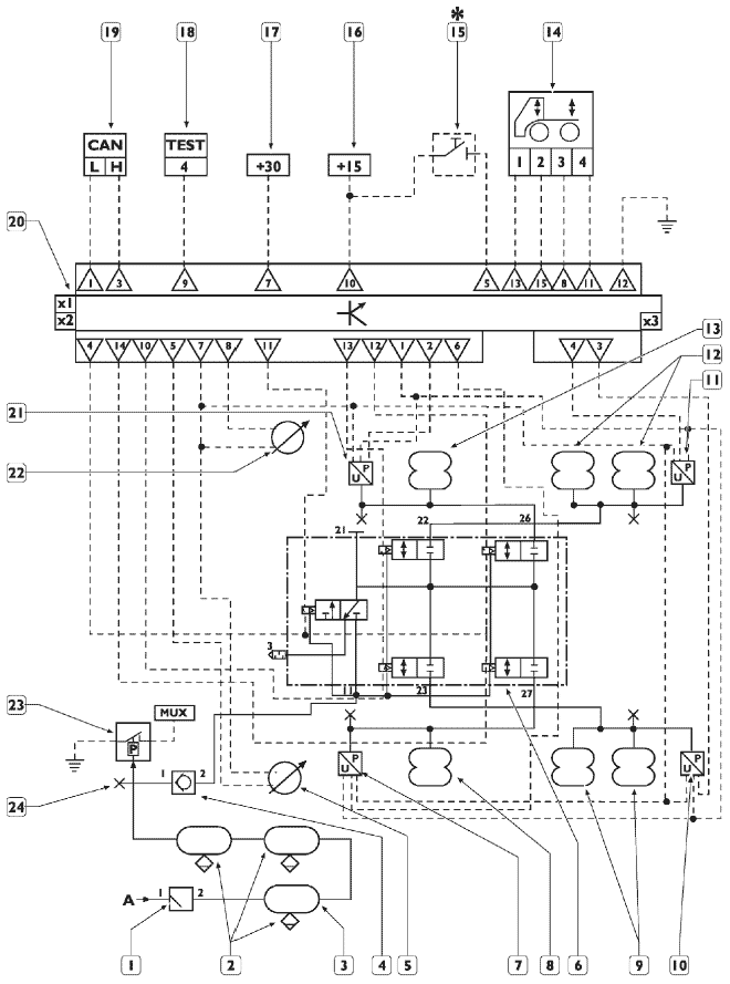
Схема задней пневматической подвески (тягачи, 6 х 2 Т х Р)

1 Обратный клапан с контролем давления
2 Ресиверы пневмосистемы подвески
3 Ручной клапан сброса давления
4 Клапан нереверсивный
5 Датчик горизонтального положения заднего моста, левый
6 Электропневматический распределитель
7 Датчик давления пневмоподвески среднего моста, левый
8 Пневматическая рессора (сильфон) левая, средний мост
9 Пневматические рессоры (сильфоны) левые, задний мост
10 Датчик давления пневмоподвески заднего моста, левый
11 Датчик давления пневмоподвески заднего моста, правый
12 Пневматические рессоры (сильфоны) правые, задний мост
13 Пневматическая рессора (сильфон) правая, средний мост
14 Выносной пульт управления на левый датчик горизонтального положения заднего моста
15 Выключатель для автоматического выравнивания автомобиля по горизонтали
16 Цепь электропитания (от замка зажигания)
17 Плюс питания напрямую от аккумуляторной батареи
18 30-контактный диагностический разъем
19 Связь по линии CAN
20 Электронный блок управления
21 Датчик давления среднего моста, правый
22 Датчик горизонтального положения заднего моста, правый
23 Выключатель низкого давления (8 бар)
24 Штуцер подачи сжатого воздуха
A От APU (блока подготовки воздуха)
* Опция
Схема передней и задней пневматической подвески (кузовные автомобили 6 х 2 P-FP-PS-FS-PT-FT)

1 Выключатель низкого давления (8 бар)
2 Штуцер подачи сжатого воздуха
3 Клапан нереверсивный
4 Датчик горизонтального положения заднего моста, левый
5 Датчик давления в пневмосистеме заднего моста, левый
6 Обратный клапан с контролем давления
7 Ресиверы пневмосистемы подвески
8 Ручной клапан сброса давления
9 Пневматические рессоры (сильфоны) левые, задний мост
10 Электропневматический распределитель заднего моста
11 Пневматическая рессора (сильфон) левая, дополнительный мост
12 Датчик давления дополнительного моста, левый
13 Пневматическая рессора (сильфон) подъемного устройства дополнительного моста
14 Датчик давления в пневмосистеме подъемного устройства дополнительного моста
15 Нереверсивный клапан повторного забора воздуха
16 Датчик давления дополнительного моста, правый
17 Пневматическая рессора (сильфон) правая дополнительного моста, датчик давления правый заднего моста
18 Пневматические рессоры (сильфоны) правые, задний мост
19 Выносной пульт управления
20 Выключатель для автоматического выравнивания по горизонтали
21 Цепь электропитания (от замка зажигания)
22 Плюс питания напрямую от аккумуляторной батареи
23 30-контактный диагностический разъем
24 Связь по линии CAN
25 Электронный блок управления
26 Датчик горизонтального положения заднего моста, правый
27 Датчик горизонтального положения переднего моста
28 Пневматическая рессора (сильфон) правая, передний мост
29 Датчик давления заднего моста, правый
30 Электропневматический распределитель переднего моста
31 Пневматическая рессора (сильфон) левая, передний мост
32 Датчик давления переднего моста
A От APU (блока подготовки воздуха)
* Опция
• Только для модификаций FP
■ Только для модификаций PT-FT
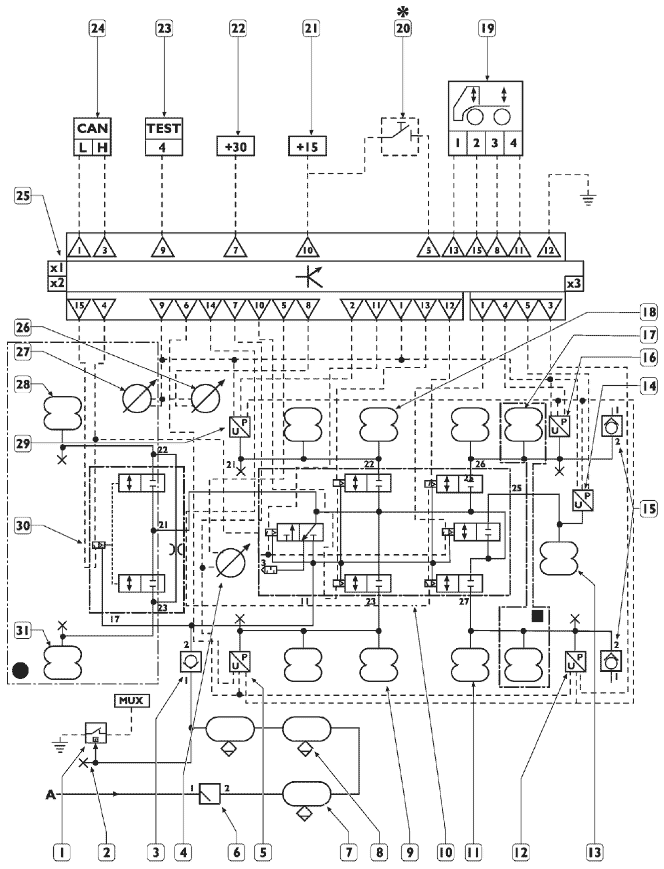
ЭБУ ECAS
- Производитель WABCO
- Напряжение питания 18...30 В пост. тока
- Рабочий диапазон температуры -40°C...75 °C

ЭБУ ECAS задней пневматической подвески (тягачи, 4 х 2 Р)

Разъем Х1

Разъем X2

ЭБУ ECAS передней и задней пневматической подвески
(тягачи 4 х 2 РР, кузовные автомобили 4 х 2 P/FP и 6 х 4 Р)

Разъем Х1

Разъем X2

ЭБУ ECAS задней пневматической подвески (тягачи, 4 х 2 ТХР)

Разъем Х1

Разъем Х2

Разъем Х3

ЭБУ ECAS передней и задней пневматической подвески (кузовные автомобили 6 х 2 P-PT-FT-FP)

Разъем Х1

Разъем X2

Разъем X3

Оборудование
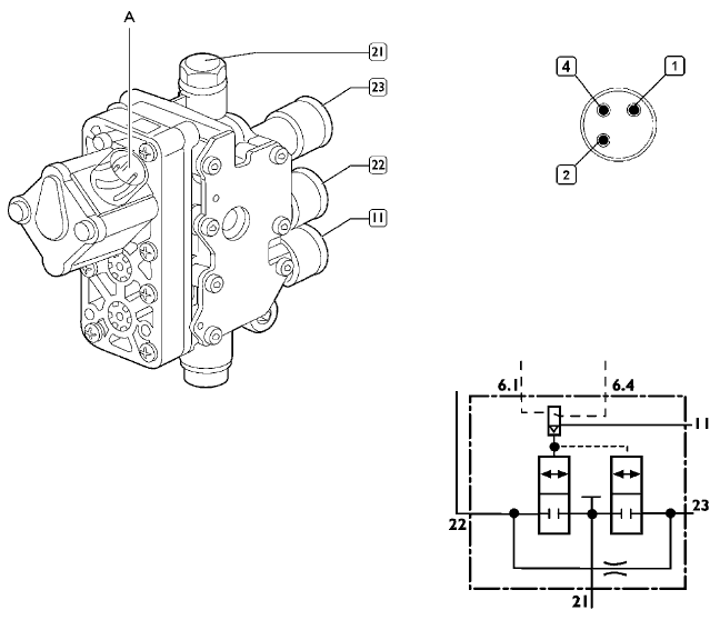
Электропневматический распределитель давления переднего моста (тягачи 4 х 2 — 6 х 2 — FP)
Данный узел установлен на всех автомобилях с подвеской интегрированного типа. Он состоит из управляющего электроклапана и двух пневматических распределителей для управления пневматическими рессорами с обеих сторон переднего моста.
Для того, чтобы мост был устойчивым, необходимо обеспечить независимое давление в каждой рессоре, с этой целью в пневмоконтуре внутреннего сообщения между отводами на рессоры предусмотрено калиброванное отверстие.
Электропневматический распределитель давления соединяется с системой 3-контактным разъемом (А).

1 Управляемый минус на электроклапан (контакт 6.1)
2 Плюс (6.4)
4 —
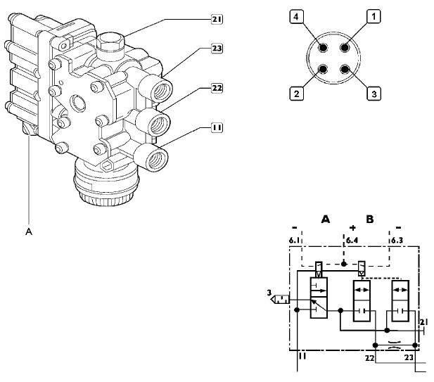
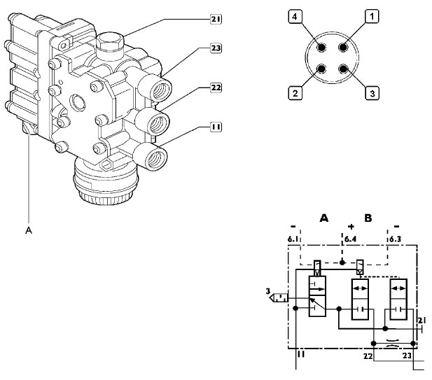
Электропневматический распределитель давления заднего моста (тягачи 4 х 2 P)
Данный узел состоит из двух управляющих электроклапанов «А» и «В» и трех пневматических распределителей.
Электроклапан «А» управляет распределителем подачи/выпуска воздуха.
Электроклапан «В» управляет распределителем положения рамы шасси.
Электропневматический распределитель давления соединяется с системой 4-контактным разъемом (А).

1 Управляемый минус на электроклапан «А»
2 Общий плюс
3 Управляемый минус на электроклапан «В»
4 —
Распределитель давления заднего моста (тягачи 4 х 2 FР, кузовные автомобили 4 х 2 P/FP и 6 х 4 Р)
Данный узел состоит из трех управляющих электроклапанов «А», «В» и «С» и трех пневматических распределителей.
Электроклапан «А» управляет распределителем подачи/выпуска воздуха. Электроклапан «В» управляет распределителем положения правой части рамы шасси. Электроклапан «С» управляет распределителем положения левой части рамы шасси.
Электропневматический распределитель давления соединяется с системой 4-контактным разъемом (А).

1 Управляемый минус на электроклапан «А»
2 Управляемый минус на электроклапан «В»
3 Управляемый минус на электроклапан «С»
4 Общий плюс
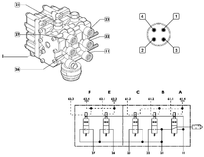
Электропневматический распределитель давления заднего моста (тягачи 6х2 TXP)
Данный узел состоит из пяти управляющих электроклапанов «А», «В», «С», «Е», «F» и пяти пневматических распределителей.
Электроклапан «А» управляет распределителем подачи/выпуска воздуха.
Электроклапан «В» управляет распределителем положения правой части заднего моста.
Электроклапан «С» управляет распределителем положения левой части заднего моста.
Электроклапан «Е» управляет распределителем положения правой части дополнительного моста.
Электроклапан «F» управляет распределителем положения левой части дополнительного моста.
Электропневматический распределитель давления соединяется с системой двумя 4-контактными разъемами (I) и (II).

«I»
1 Управляемый минус на электроклапан «А» (61.1)
2 Управляемый минус на электроклапан «В» (61.2)
3 Управляемый минус на электроклапан «С» (61.3)
4 Общий плюс (61.4)
«II»
1 Управляемый минус на электроклапан «Е» (62.1)
2 Общий плюс (62.2)
3 Управляемый минус на электроклапан «F» (62.3)
4 Общий плюс (62.4)
Электропневматический распределитель давления заднего моста (кузовные автомобили 6 х 2)
Данный узел состоит из шести управляющих электроклапанов «А», «В», «С», «D», «Е», «F» и шести пневматических распределителей.
Электроклапан «А» управляет распределителем подачи/выпуска воздуха.
Электроклапан «В» управляет распределителем положения правой части заднего моста.
Электроклапан «С» управляет распределителем положения левой части заднего моста.
Электроклапан «D» управляет распределителем положения правой части дополнительного моста.
Электроклапан «Е» управляет распределителем положения левой части дополнительного моста.
Электроклапан «F» управляет распределителем, который управляет подъемным устройством.
Электропневматический распределитель давления соединяется с системой двумя 4-контактными разъемами (I) и (II).

«I»
1 Управляемый минус на электроклапан «А» (61.1)
2 Управляемый минус на электроклапан «В» (61.2)
3 Управляемый минус на электроклапан «С» (61.3)
4 Общий плюс (61.4)
«II»
1 Управляемый минус на электроклапан «F» (62.1)
2 Управляемый минус на электроклапан «D» (62.2)
3 Управляемый минус на электроклапан «Е» (62.3)
4 Общий плюс (62.4)