КП - ZF ECOMAT 2
HP 502C / HP 592C / HP 602C / EST 46C / EST 47C
Привязка периферийных частей

1 Штекерный разъем электрической части коробки передач
2 Штекерный разъем EST 46 C/EST 47 C
3 Штекерный разъем тормоза-замедлителя (ретардера)
4 Штекерный разъем накопителя
5 Штекерный разъем датчика температуры
6 Выключатель “kick-down”
7 Штепсельная вилька MOBiDIG
8 Контроллер (клавишный выключатель)
9 Маслоизмерительный стержень (контроль уровня и состояния масла)
10 Тормозной клапан с педальным управлением для управления механизмом рабочей тормозной системы и плавного управления тормозом-замедлителем с помощью CAN
11 Педаль акселератора
12 Выключатель тормоза-замедлителя ВЫКЛ - ВКЛ
13 Электрическая бортовая сеть
14 Кнопочный выключатель для NBS
15 Электронная автоматика переключения EST 46 C / EST 47 C
16 Рычаг тормоза-замедлителя, электрический
17 Датчик импульсов спидометра
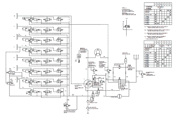
Гидравлическая схема без NBS
Гидравлическая схема с NBS
EST 46C Схема подключения
EST 46C Схема подключения
EST 47C Схема подключения
EST 47C Схема подключения
EST 46/47 C Электрическая принципиальная схема
EST 46/47 C, изображение полюсов
Таблица настройки тормоза-замедлителя
Номер Обозначение Настройка тормоза-замедлителя
6029 201 652 сопротивление 150,00 кОм
6029 201 651 сопротивление 100,00 кОм
6029 201 650 сопротивление 75,00 кОм
6029 201 649 сопротивление 57,60 кОм
6029 201 648 сопротивление 46,40 кОм
6029 201 647 сопротивление 37,40 кОм
6029 201 646 сопротивление 31,60 кОм
6029 201 645 сопротивление 26,10 кОм
6029 201 644 сопротивление 22,10 кОм
6029 201 643 сопротивление 18,70 кОм
6029 201 642 сопротивление 15,80 кОм
6029 201 641 сопротивление 13,30 кОм
6029 201 640 сопротивление 11,30 кОм
6029 201 639 сопротивление 9,31 кОм
6029 201 638 сопротивление 7,68 кОм
6029 201 637 сопротивление 6,34 кОм
6029 201 636 сопротивление 5,11 кОм
6029 201 635 сопротивление 3,92 кОм
6029 201 634 сопротивление 2,94 кОм
6029 201 633 сопротивление 1,96 кОм
ОСТОРОЖНО
Каждое сопротивление привязано к соответствующей коробке передач настройкой тормоза-замедлителя и на нем имеется номер.
Считать этот номер. Вставить новое сопротивление с номером, идентичным номеру старого сопротивления.








