См. также:
Электросхема Steyr CVT 6165, CVT 6180, CVT 6200, CVT 6210, CVT 6225
Просматривать и распечатывать все схемы в высоком качесте и описания
могут только пользователи
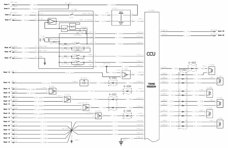
Трансмиссия (контроллер трансмиссии)
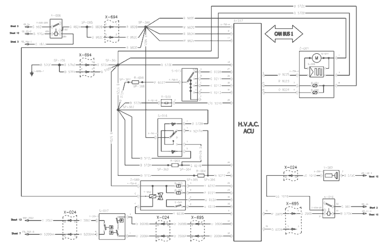
Обогрев (автоматическая климатическая система)
ЭБУ двигателя
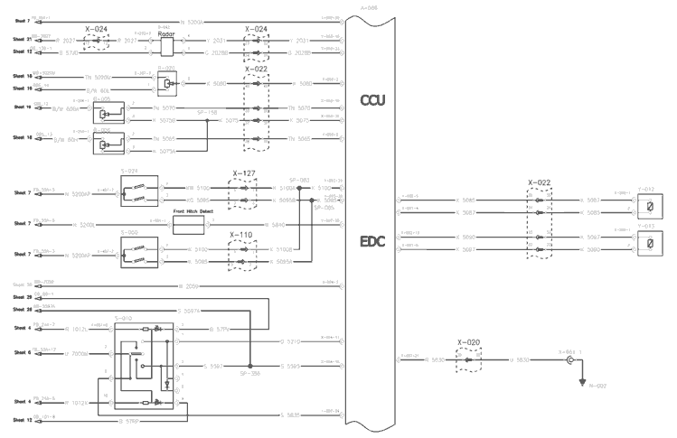
Электронный регулятор тяги (контроллер трансмиссии)

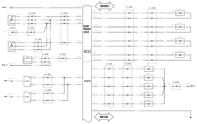
SFA, электрогидравлические клапаны дистанционного управления, выравнивание тяг (вспомогательный блок управления)



