Электросхемы и коды неисправносте 640, 648G-III and 460D
Skidder John Deere
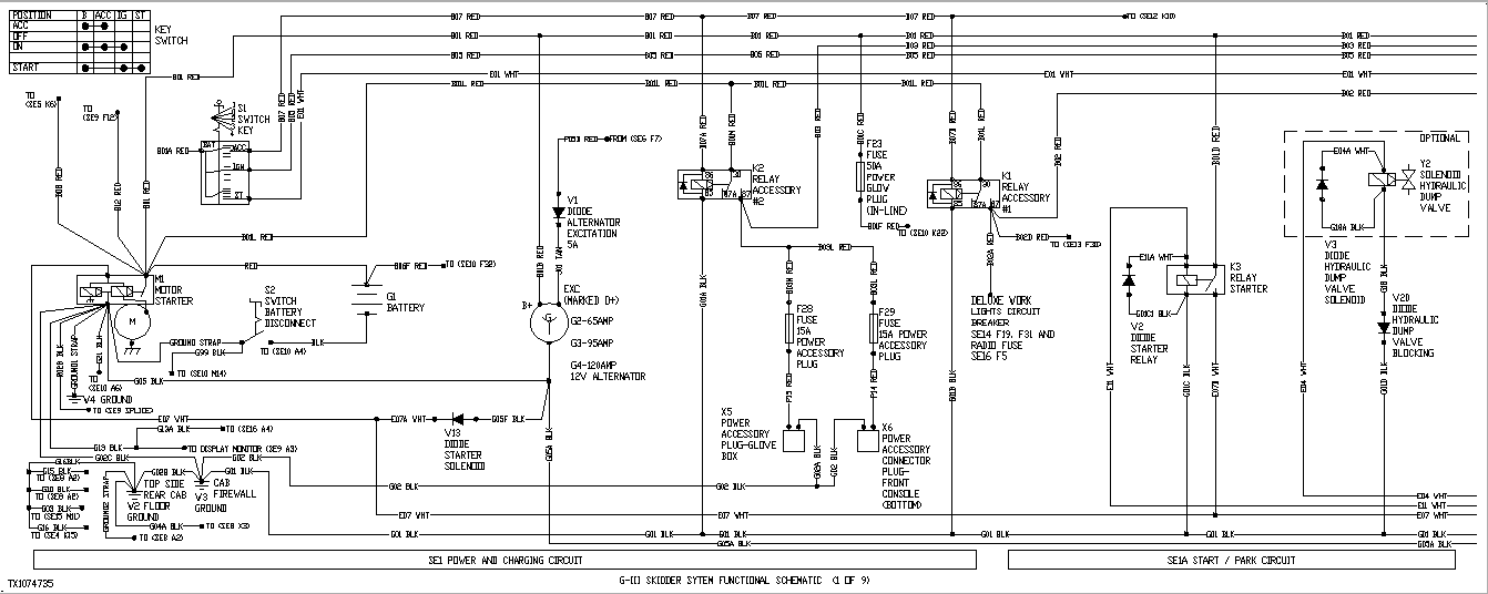
- F23 - Fuse, Inline, Glow Plug Power (50A)
- F28 - Fuse, Power Accessory Plug (15A)
- F29 - Fuse, Power Accessory (15A)
- G1 - Batteries
- G2 - Alternator, 65 Amp (not used)
- G3 - Alternator, 95 Amp (standard)
- G4 - Alternator, 120 Amp (option)
- K1 - Relay, Accessory #1
- K2 - Relay, Accessory #2
- K3 - Relay, Start
- M1 - Motor, Starter
- S1 - Switch, Ignition Key
- S2 - Switch, Battery Disconnect
- V2 - Diode, Start Relay
- V3 - Diode, Hydraulic Dump Valve Solenoid
- V13 - Diode, Starter Solenoid
- V20 - Diode, Hydraulic Dump Valve Blocking
- W2 - Ground, Cab Floor Under TCU and TCU Ground Strap
- W3 - Ground, Cab Firewall
- W4 - Ground, Engine-to-Frame Ground Strap
- X5 - Power Accessory Plug in Glove Box
- X6 - Power Accessory Connector on Console
- Y2 - Solenoid, Hydraulic Dump Valve
- B15 - Pressure Switch, Service Brake
- B23 - Pressure Switch, De-clutch (TC only)
- E12 - Light, Secondary Steering Indicator (if installed)
- F1 - Fuse, Park Brake and Reverse Alarm (10A)
- F2 - Fuse, Starter and Park Brake (10A)
- F3 - Fuse, Diff Lock, and Rotate Solenoid (7.5A)
- K4 - Relay, Park Brake Reset
- K5 - Relay, Park Start
- K20 - Relay, Neutral Start
- S3 - Switch, Diff Lock
- S4 - Switch, Grapple Rotate Lever
- S26 - Switch, De-clutch (TC only)
- V5 - Diode, Park Brake Reset (SS diode module pins B-G)
- V6 - Diode, Park Brake Solenoid
- V7 - Diode, Diff Lock Solenoid Suppression
- V8 - Diode, Rotate Grapple Left Solenoid (rotate lever)
- V9 - Diode, Grapple Rotate Right Solenoid (rotate lever)
- V23 - Diode, Secondary Steering Blocking (SS diode module pins C-F)
- V25 - Diode, Secondary Steering Indicator Light Check Blocking (SS diode module pins D-E)
- Y3 - Solenoid, Park Brake Release
- Y4 - Solenoid, Diff Lock
- Y5 - Solenoid, Grapple Rotate Left (rotate lever)
- Y6 - Solenoid, Grapple Rotate Right (rotate lever)
- A1 - Controller, Secondary Steering
- B1 - Pressure Switch, Secondary Steering
- E10 - Light, Grapple Latch Indicator
- F24 - Fuse, Secondary Steering (10A)
- K6 - Relay, Secondary Steering Pump
- K15 - Relay, Grapple Open
- K16 - Relay, Grapple Latch
- K17 - Relay, Grapple Close
- K18 - Relay, Grapple Rotate Left
- K19 - Relay, Grapple Rotate Right
- M2 - Motor, Secondary Steering Pump Motor
- S19 - Switch, Pilot Controller, Grapple Open
- S20 - Switch, Pilot Controller, Grapple Latch
- S21 - Switch, Pilot Controller, Grapple Close
- S22 - Switch, Pilot Controller, Grapple Rotate Left
- S23 - Switch, Pilot Controller, Grapple Rotate Right
- V8A - Diode, Grapple Rotate Left Solenoid (pilot controller)
- V9A - Diode, Grapple Rotate Right Solenoid (pilot controller)
- V14 - Diode, Grapple Open Solenoid
- V15 - Diode, Grapple Close Solenoid
- V16 - Diode, Grapple Latch Relay Blocking (PC diode module pins C-F)
- V17 - Diode, Grapple Latch Relay Latching (PC diode module pins B-G)
- V18 - Diode, Grapple Latch Blocking Close Solenoid (PC diode module pins A-H)
- V19 - Diode, Grapple Latch Indicator Light Blocking (PC diode module pins D-E)
- Y5A - Solenoid, Grapple Rotate Left (pilot controller)
- Y6A - Solenoid, Grapple Rotate Right (pilot controller)
- Y18 - Solenoid, Grapple Open
- Y19 - Solenoid, Grapple Close

- B2 - Horn
- F27 - Fuse, Rear Wiper/Washer Motor (10A)
- F6 - Fuse, Reversing Fan (10A)
- F7 - Fuse, Horn, and Alternator Excitation (15A)
- F8 - Fuse, Front Washer/Wiper Motor (10A)
- K13 - Relay, Horn
- M12 - Motor, Rear Windshield Washer Pump
- M3 - Motor, Rear Wiper
- M4 - Motor, Front Wiper
- M5 - Motor, Front Windshield Washer Pump
- S5 - Switch, Reversing Fan
- S6 - Switch, Horn
- S7 - Switch, Rear Washer/Wiper
- S8 - Switch, Front Washer/Wiper
- W2 - Ground, Cab Floor Under TCU and TCU Ground Strap

- A2 - Transmission Control Unit (TCU)
- B4 - Pickup, Cylinder Shaft Speed
- B5 - Pickup, Output Shaft Speed
- B6 - Sensor, Transmission Temperature (TC only)
- F10 - Fuse, Transmission Controller Input Power (10A)
- F11 - Fuse, Transmission Controller Output Power (10A)
- H1 - Alarm, Reverse
- K21 - Relay, Reverse Alarm
- K9 - Relay, Transmission, and Monitor ON
- L1 - Block Inductor Ferrite
- R1 - Potentiometer, Inching (DD only)
- R7 - CAN Termination Resistor, 120 Ohm, TCU
- S11 - Switch, Inching In/Out (DD only)
- S24 - Switch, Park Brake Rocker
- S25 - Bump Shifter
- X3 - Connector, Service Expert (9-pin)
- X4 - Connector, Transmission Calibration
- X61 - Default Gear Select Connector
- X62 - Third Gear Default Connector
- X63 - First Gear Default Connector
- Y10 - Solenoid 1, Transmission
- Y11 - Solenoid 2, Transmission
- Y12 - Solenoid 3, Transmission
- Y13 - Solenoid 4, Transmission (DD only)
- Y14 - Solenoid A, Transmission
- Y15 - Solenoid B, Transmission
- Y16 - Solenoid C, Transmission (DD only)
- Y17 - Solenoid D, Transmission

- A3 - Monitor Display Unit
- B8 - Pressure Switch, Hydraulic Filter Restriction
- B9 - Pressure Switch, Transmission Filter Restriction
- B10 - Pressure Switch, Air Filter Restriction
- B11 - Pressure Switch, Park Brake On
- B13 - Pressure Switch, Diff Lock Filter Restriction
- B16 - Sensor, Hydraulic Reservoir Temperature
- B18 - Sensor, Fuel Level
- F12 - Fuse, Monitor Battery Voltage Input (5A)
- F13 - Fuse, Monitor (5A)
- H2 - Buzzer, Monitor Primary Warning
- R6 - Resistor, CAN Termination, 120 Ohm, ECU
- V21 - Diode, Secondary Steering Control (SS diode module pins A-H)

- A6 - Engine Control Unit (ECU) Level 14
- B21 - Throttle, Primary
- B25 - Sensor, Fuel Temperature
- B26 - Sensor, Crank Position
- B29 - Sensor, VTG Speed
- B30 - Sensor, Engine Cam
- B31 - Sensor, EGR Exhaust Temperature
- B32 - Sensor, EGR Fresh Air Temperature
- B33 - Sensor, EGR Mixed Air Temperature
- B34 - Sensor, Fuel Rail Pressure
- B35 - Sensor, Water-in-Fuel
- B36 - Sensor, Coolant Temperature
- B37 - Sensor, Comp Inlet Temperature
- B38 - Sensor, Fuel Pressure
- B39 - Sensor, Exhaust Pressure
- B40 - Sensor, Manifold Air Pressure
- B41 - Sensor, Engine Oil Pressure
- E13 - Light, Glow Plug Indicator
- F9 - Fuse, ECU Switched Power (7.5A)
- F32 - Fuse, Inline, ECU (20A)
- K22 - Relay, Glow Plug
- K23 - Relay, Reverse Fan
- M13 - Valve, EGR
- M14 - Actuator, VTG
- R4 - Resistor, Glow Plug
- V22 - Diode, Glow Plug Relay
- Y21 - Solenoid, Cylinder #1 Fuel Injector
- Y22 - Solenoid, Cylinder #2 Fuel Injector
- Y23 - Solenoid, Cylinder #3 Fuel Injector
- Y24 - Solenoid, Cylinder #4 Fuel Injector
- Y25 - Solenoid, Cylinder #5 Fuel Injector
- Y26 - Solenoid, Cylinder #6 Fuel Injector
- Y27 - Solenoid, Reverse Fan
- Y28 - Solenoid, Fan Proportional Control
- Y29 - Pump PCV1

- B12 - Temperature Switch, Freeze Control Temperature Cycling
- B27 - Pressure Switch, AC Refrigerant Hi/Lo
- F4 - Fuse, AC Defrost
- F14 - Fuse, Blower Motor (20A)
- F15 - Fuse, Temperature Control (5A)
- F16 - Fuse, High Speed Blower (25A)
- F17 - Fuse, Purge Speed Blower (30A)
- F22 - Fuse, Precleaner (10A)
- K10 - Relay, Blower
- K11 - Relay, Blower High Speed
- K12 - Relay, Blower Purge
- K14 - Relay, Precleaner
- M6 - Motor, Precleaner
- M7 - Motor, Blower
- M8 - Motor, Hot Water Valve Servo
- R2 - Resistor, Blower
- R5 - Temperature Control Knob
- S14 - Switch, Blower Speed
- S15 - Switch, AC Defrost On/Off
- V4 - Diode, AC Compressor Clutch Solenoid
- W5 - Ground, Pressure Blower Motor, and Precleaner at Battery Box Divider
- Y1 - Solenoid, AC Compressor Clutch

- A4 - Radio, AM/FM
- B19 - Speaker, Left
- B20 - Speaker, Right
- E1 - Light, Left Front Deluxe Work
- E2 - Light, Left Front Work
- E3 - Light, Right Front Work
- E4 - Light, Left Rear Work
- E5 - Light, Right Rear Work
- E6 - Light, Right Front Deluxe Work
- E7 - Light, Left Rear Deluxe Work
- E8 - Light, Right Rear Deluxe Work
- E9 - Light, Dome
- F5 - Fuse, Radio (5A) Switched
- F18 - Circuit Breaker, Front Work Lights (15A)
- F19 - Circuit Breaker, Rear Deluxe Work Lights (15A)
- F20 - Fuse, Air Seat (20A)
- F21 - Fuse, Dome Light (5A) Unswitched
- F25 - Circuit Breaker, Rear Work Lights (15A)
- F30 - Fuse, Work Lights (5A)
- F31 - Circuit Breaker, Front Deluxe Work Lights (15A)
- K7 - Relay, Front Work Lights
- K8 - Relay, Rear Work Lights
- M1 - Motor, Starter
- S10 - Switch, Dome Light
- S16 - Switch, Deluxe Work Lights
- S17 - Switch, Work Light
- S18 - Switch, Air Seat
- W2 - Ground, Cab Floor Under TCU and TCU Ground Strap
Все коды диагностики неисправностей
ECU (Level 12)
- 000028.03 Throttle Voltage High
- 000028.04 Throttle Voltage Low
- 000029.03 Throttle Voltage High
- 000029.04 Throttle Voltage Low
- 000029.14 Throttle Voltage Out of Range
- 000084.31 Vehicle Speed Mismatch
- 000091.03 Throttle Voltage High
- 000091.04 Throttle Voltage Low
- 000091.07 Throttle Calibration Invalid
- 000091.09 Throttle CAN message Missing
- 000091.10 Throttle Voltage Low
- 000091.13 Throttle Calibration Aborted
- 000091.14 Throttle Voltage Out of Range
- 000094.01 Fuel Pressure Extremely Low
- 000094.03 Fuel Pressure Input Voltage High
- 000094.04 Fuel Pressure Input Voltage Low
- 000094.18 Fuel Pressure Moderately Low
- 000097.00 Water in Fuel Continuously Detected Diagnostic Procedure
- 000097.03 Water in Fuel Signal Voltage High
- 000097.04 Water in Fuel Signal Voltage Low
- 000097.16 Water in Fuel Detected
- 000097.31 Water in Fuel Detected (750J Crawler Only)
- 000100.01 Engine Oil Pressure Extremely Low
- 000100.03 Engine Oil Pressure Input Voltage High
- 000100.04 Engine Oil Pressure Input Voltage Low
- 000100.16 Engine Oil Pressure High, Moderately Severe Level Incorrect Reading Diagnostic
- Procedure
- 000100.18 Engine Oil Pressure Moderately Low
- 000100.31 Engine Oil Pressure Detected with Engine Stopped
- 000105.00 Manifold Air Temperature Extremely High
- 000105.03 Manifold Air Temperature Input Voltage High
- 000105.04 Manifold Air Temperature Input Voltage Low
- 000105.16 Manifold Air Temperature Moderately High
- 000107.00 Air Filter Restriction Switch Activated
- 000110.00 Engine Coolant Temperature Extremely High
- 000110.03 Engine Coolant Temperature Input Voltage High
- 000110.04 Engine Coolant Temperature Input Voltage Low
- 000110.15 Engine Coolant Temperature High Least Severe
- 000110.16 Engine Coolant Temperature Moderately High
- 000111.00 Loss of Coolant Temperature Extremely High
- 000111.03 Loss of Coolant Temperature Input Voltage High
- 000111.04 Loss of Coolant Temperature Input Voltage Low
- 000158.17 ECU Power Down Error
- 000160.02 Wheel Speed Input Noise
- 000171.03 Ambient Air Temperature Input Voltage Out Of Range High (750J Crawlers only)
- 000171.04 Ambient Air Temperature Input Voltage Out Of Range Low (750J Crawlers Only)
- 000174.00 Fuel Temperature Extremely High
- 000174.03 Fuel Temperature Input Voltage High
- 000174.04 Fuel Temperature Input Voltage Low
- 000174.16 Fuel Temperature High Moderately Severe
- 000189.00 Engine Speed Derate
- 000190.00 Engine Overspeed Extreme
- 000190.01 Engine Overload Moderate
- 000190.01 Engine Speed Below Normal Operational Range, Most Severe Level
- 000190.16 Engine Overspeed Moderate
- 000190.18 Engine Overload Severe
- 000523.09 Current Gear Selection Invalid or Not Received (J-series Loaders Only)
- 000620.03 Sensor Supply Voltage High
- 000620.04 Sensor Supply Voltage Low
- 000629.13 ECU Error
- 000637.02 Crank Position Input Noise
- 000637.08 Crank Position Input Missing
- 000637.10 Crank Position Input Pattern Error
- 000639.13 CAN Bus Error
- 000644.02 External Speed Command Input (OEM, Marine Only)
- 000729.03 Inlet Air Heater Signal High
- 000729.05 Inlet Air Heater Signal Low
- 000898.09 Vehicle Speed or Torque Message Invalid
- 000970.31 Auxiliary Engine Shutdown Switch Active
- 000971.31 External Engine Derate Switch Active
- 001069.09 Tire Size Invalid
- 001069.31 Tire Size Error
- 001076.00 Pump Control Valve Closure Too Long
- 001076.01 Pump Control Valve Closure Too Short
- 001076.03 Pump Solenoid Current High
- 001076.05 Pump Solenoid Circuit Open
- 001076.06 Pump Solenoid Circuit Severely Shorted
- 001076.07 Pump Control Valve Closure Not Detected
- 001076.10 Pump Solenoid Circuit Moderately Shorted
- 001076.13 Pump Current Decay Time Invalid
- 001079.03 Sensor Supply Voltage High
- 001079.04 Sensor Supply Voltage Low
- 001109.31 Engine Protection Shutdown Warning
- 001110.31 Engine Protection Shutdown
- 001569.31 Fuel Derate
- 002000.06 Internal ECU Failure
- 002000.13 Security Violation
- 002006.06 Internal ECU Failure
ECU (Level 14 4.5L/6.8L)
- 000028.03 Digital Throttle Signal Out of Range High
- 000028.04 Digital Throttle Signal Out of Range Low
- 000029.03 Secondary Analog Throttle Signal Out of Range High
- 000029.04 Secondary Analog Throttle Signal Out of Range Low
- 000091.03 Primary Analog Throttle Signal Out of Range High
- 000091.04 Primary Analog Throttle Signal Out of Range Low
- 000091.09 Throttle CAN message Missing
- 000094.03 Low Pressure Fuel Signal Out of Range High
- 000094.04 Low Pressure Fuel Signal Out of Range Low
- 000094.17 Low Pressure Fuel Signal Slightly Low
- 000097.00 Water in Fuel Detected Most Severe Level
- 000097.03 Water In Fuel Signal Out of Range High
- 000097.04 Water In Fuel Signal Out of Range Low
- 000097.16 Water in Fuel Detected
- 000100.01 Engine Oil Pressure Signal Extremely Low
- 000100.04 Engine Oil Pressure Signal Out of Range Low
- 000100.18 Engine Oil Pressure Signal Moderately Low
- 000100.31 Engine Oil Pressure Detected with Engine Stopped
- 000102.02 Manifold Air Pressure Signal Invalid
- 000102.03 Manifold Air Pressure Signal Out of Range High
- 000102.04 Manifold Air Pressure Signal Out of Range Low
- 000103.00 Turbo Speed Signal Extremely High
- 000103.05 Turbo Speed Signal Circuit has High Resistance
- 000103.08 Turbo Speed Signal Invalid
- 000103.31 Turbo Speed Signal Missing
- 000105.00 Manifold Air Temperature Signal Extremely High
- 000105.03 Manifold Air Temperature Signal Out of Range High
- 000105.04 Manifold Air Temperature Signal Out of Range Low
- 000105.15 Manifold Air Temperature Signal Slightly High
- 000105.16 Manifold Air Temperature Signal Moderately High
- 000107.00 Air Filter Restriction Switch Activated
- 000107.31 Air Filter Restriction Switch Activated
- 000108.02 Barometric Air Pressure Signal Invalid
- 000110.00 Coolant Temperature Signal Extremely High
- 000110.03 Coolant Temperature Signal Out of Range High
- 000110.04 Coolant Temperature Signal Out of Range Low
- 000110.15 Coolant Temperature Signal Slightly High
- 000110.16 Coolant Temperature Signal Moderately High
- 000110.17 Coolant Temperature Signal Slightly Low
- 000111.01 Engine Coolant Level Extremely Low
- 000157.01 Fuel Rail Pressure Signal Extremely Low
- 000157.03 Fuel Rail Pressure Signal Out of Range High
- 000157.04 Fuel Rail Pressure Signal Out of Range Low
- 000157.10 Fuel Rail Pressure Loss Detected
- 000157.17 Fuel Rail Pressure Not Developed
- 000157.18 Fuel Rail Pressure Signal Moderately Low
- 000158.17 ECU Power Down Error
- 000174.00 Fuel Temperature Signal Extremely High
- 000174.03 Fuel Temperature Signal Out of Range High
- 000174.04 Fuel Temperature Signal Out of Range Low
- 000174.16 Fuel Temperature Signal Moderately High
- 000189.00 Engine Speed Derate Condition Exists
- 000190.00 Engine Speed Extremely High
- 000190.01 Engine Overload Moderate
- 000190.16 Engine Speed Moderately High
- 000190.18 Engine Overload Severe
- 000412.00 EGR Temperature Signal Extremely High
- 000412.03 EGR Temperature Signal Out of Range High
- 000412.04 EGR Temperature Signal Out of Range Low
- 000412.15 EGR Temperature Signal Slightly High
- 000412.16 EGR Temperature Signal Moderately High
- 000611.03 Injector Shorted to Voltage Source
- 000611.04 Injector Shorted to Ground
- 000627.01 All Injectors Circuits Have High Resistance
- 000627.18 Injector Power Supply Voltage Out of Range Low
- 000629.12 ECU EEPROM Error
- 000629.13 ECU Boot Block Error
- 000636.02 Camshaft Position Signal Invalid
- 000636.05 Camshaft Position Circuit Has High Resistance
- 000636.06 Camshaft Position Circuit Has Low Resistance
- 000636.08 Camshaft Position Sensor Signal Missing
- 000636.10 Camshaft Position Signal Rate of Change Abnormal
- 000637.02 Crankshaft Position Signal Invalid
- 000637.05 Crankshaft Position Sensor Circuit Has High Resistance
- 000637.06 Crankshaft Position Circuit Has Low Resistance
- 000637.07 Crankshaft and Camshaft Position Signals Out of Sync
- 000637.08 Crankshaft Position Signal Missing
- 000637.10 Crankshaft Position Signal Rate of Change Abnormal
- 000640.31 External Derate Commanded
- 000641.04 VGT Actuator Supply Voltage Out of Range Low
- 000641.12 VGT Actuator Communication Error
- 000641.13 VGT Actuator Learn Error
- 000641.16 Turbo Actuator Temperature Moderately High
- 000644.02 External Speed Command Input Erratic
- 000647.05 Engine Fan Drive Circuit Has High Resistance
- 000647.31 Engine Fan Drive Manual Purge Switch Active Too Long
- 000651.02 Injector #1 Part # Data Invalid
- 000651.05 Injector #1 Circuit Has High Resistance
- 000651.06 Injector #1 Circuit Has Low Resistance
- 000651.07 Injector #1 Not Responding
- 000651.13 Injector #1 Calibration Fault
- 000652.02 Injector #2 Part # Data Invalid
- 000652.05 Injector #2 Circuit Has High Resistance
- 000652.06 Injector #2 Circuit Has Low Resistance
- 000652.07 Injector #2 Not Responding
- 000652.13 Injector #2 Calibration Fault
- 000653.02 Injector #3 Part # Data Invalid
- 000653.05 Injector #3 Circuit Has High Resistance
- 000653.06 Injector #3 Circuit Has Low Resistance
- 000653.07 Injector #3 Not Responding
- 000653.13 Injector #3 Calibration Fault
- 000654.02 Injector #4 Part # Data Invalid
- 000654.05 Injector #4 Circuit Has High Resistance
- 000654.06 Injector #4 Circuit Has Low Resistance
- 000654.07 Injector #4 Not Responding
- 000654.13 Injector #4 Calibration Fault
- 000655.02 Injector #5 Part # Data Invalid
- 000655.05 Injector #5 Circuit Has High Resistance
- 000655.06 Injector #5 Circuit Has Low Resistance
- 000655.07 Injector #5 Not Responding
- 000655.13 Injector #5 Calibration Fault
- 000656.02 Injector #6 Part # Data Invalid
- 000656.05 Injector #6 Circuit Has High Resistance
- 000656.06 Injector #6 Circuit Has Low Resistance
- 000656.07 Injector #6 Not Responding
- 000656.13 Injector #6 Calibration Fault
- 000676.03 Cold Start Aid Signal Received When Not Expected
- 000676.05 Cold Start Aid Circuit Has High Resistance
- 000898.09 Engine Speed CAN Message Invalid
- 000970.31 External Shutdown Switch Activated
- 000971.31 External Derate Switch Activated
- 001075.05 Low Pressure Fuel Pump Circuit Has High Resistance
- 001075.06 Low Pressure Fuel Pump Circuit Has Low Resistance
- 001075.12 Low Pressure Fuel Pump Status Error
- 001109.31 Approaching Engine Protection Shutdown
- 001110.31 Engine Protection Shutdown Active
- 001136.00 ECU Temperature Signal Extremely High
- 001136.16 ECU Temperature Signal Moderately High
- 001172.03 Compressor Inlet Temperature Signal Out of Range High
- 001172.04 Compressor Inlet Temperature Signal Out of Range Low
- 001180.00 Calculated Turbine Inlet Temperature Signal Extremely High
- 001180.16 Calculated Turbine Inlet Temperature Signal Moderately High
- 001347.03 Suction Control Valve Signal Out of Range High
- 001347.05 Suction Control Valve Circuit Has High Resistance
- 001347.07 Fuel Rail Pressure Actual to Desired Mismatch
- 001569.31 Engine in Power Derate Condition
- 001638.00 Hydraulic Oil Temperature Extremely High
- 001638.03 Hydraulic Oil Temperature Signal Out of Range High
- 001638.04 Hydraulic Oil Temperature Signal Out of Range Low
- 001638.16 Hydraulic Oil Temperature Signal Moderately High
- 001639.01 Fan Speed Signal Extremely Low
- 001639.16 Fan Speed Signal Moderately High
- 001639.18 Fan Speed Signal Moderately Low
- 002000.13 Incorrect ECU for Application
- 002003.09 No CAN Message From Source Address 3
- 002004.09 No CAN Message From Source Address 4
- 002005.09 No CAN Message From Source Address 5
- 002005.14 Incorrect CAN Message Received From Source Address 5
- 002030.09 No CAN Message From Source Address 23
- 002033.09 No CAN Message From Source Address 33
- 002033.14 Incorrect CAN Message Received From Source Address 33
- 002033.19 Synchronizing Problem With Source Address 33
- 002057.09 No CAN Message From Source Address 57
- 002071.09 No CAN Message From Source Address 71
- 002580.03 Brake Pressure Signal Out of Range High
- 002580.04 Brake Pressure Signal Out of Range Low
- 002630.00 Charge Air Cooler Outlet Temperature Signal Extremely High
- 002630.03 Charge Air Cooler Outlet Temperature Signal Out of Range High
- 002630.04 Charge Air Cooler Outlet Temperature Signal Out of Range Low
- 002630.15 Charge Air Cooler Outlet Temperature Signal Slightly High
- 002630.16 Charge Air Cooler Outlet Temperature Signal Moderately High
- 002659.02 Calculated EGR Flow Rate Invalid
- 002659.15 Calculated EGR Flow Rate Slightly High
- 002659.17 Calculated EGR Flow Rate Slightly Low
- 002790.16 Calculated Compressor Outlet Temperature Moderately High
- 002791.02 EGR Valve Position Signal Invalid
- 002791.03 EGR Valve Position Signal Out of Range High
- 002791.04 EGR Valve Position Signal Out of Range Low
- 002791.07 EGR Valve Not Reaching Expected Position
- 002791.13 EGR Valve Calibration Change Over a Short Period of Time
- 002791.31 EGR Valve Calibration Change over a Long Time
- 002795.07 VGT Actuator Not Reaching Expected Position
- 003509.03 Sensor Supply #1 Voltage Out of Range High
- 003509.04 Sensor Supply #1 Voltage Out of Range Low
- 003510.03 Sensor Supply #2 Voltage Out of Range High
- 003510.04 Sensor Supply #2 Voltage Out of Range Low
- 003511.03 Sensor Supply #3 Voltage Out of Range High
- 003511.04 Sensor Supply #3 Voltage Out of Range Low
- 003512.03 Sensor Supply #4 Voltage Out of Range High
- 003512.04 Sensor Supply #4 Voltage Out of Range Low
- 003513.03 Sensor Supply #5 Voltage Out of Range High
- 003513.04 Sensor Supply #5 Voltage Out of Range Low
- 523792.04 EPGDS LTC Pump Signal Out of Range Low
- 524099.11 EPGDS LTC Pump Blockage
ECU (Level 3)
- 000028.03 Throttle Voltage High
- 000028.04 Throttle Voltage Low
- 000029.03 Throttle Voltage High
- 000029.04 Throttle Voltage Low
- 000051.02 Throttle Invalid
- 000091.03 Throttle Voltage High
- 000091.04 Throttle Voltage Low
- 000091.08 PWM Throttle Abnormal Pulse Width
- 000091.09 Throttle Invalid
- 000097.00 Water in Fuel Continuously Detected
- 000097.16 Water in Fuel Detected
- 000097.31 Water in Fuel Detected
- 000100.01 Engine Oil Pressure Extremely Low
- 000100.03 Engine Oil Pressure Input Voltage High
- 000100.04 Engine Oil Pressure Input Voltage Low
- 000100.18 Engine Oil Pressure Moderately Low
- 000105.00 Derated Torque Curve Selected
- 000105.03 Manifold Air Temperature Input Voltage High
- 000105.04 Manifold Air Temperature Input Voltage Low
- 000105.09 Manifold Air Temperature Invalid
- 000105.16 Manifold Air Temperature Moderately High
- 000107.00 Air Filter Restriction High
- 000110.00 Engine Coolant Temperature Extremely High
- 000110.03 Engine Coolant Temperature Input Voltage High
- 000110.04 Engine Coolant Temperature Input Voltage Low
- 000110.09 Engine Coolant Temperature Invalid
- 000110.16 Engine Coolant Temperature Moderately High
- 000111.01 Engine Coolant Level Low
- 000158.02 Intermittent Loss of ECU Power Supply
- 000160.02 Wheel Speed Input Noise
- 000171.03 Ambient Air Temperature Input Voltage High
- 000171.04 Ambient Air Temperature Input Voltage Low
- 000174.00 Fuel Temperature Moderately High
- 000174.03 Fuel Temperature Input Voltage High
- 000174.04 Fuel Temperature Input Voltage Low
- 000174.16 Fuel Temperature Moderately High
- 000177.02 Transmission Oil Temperature Erratic
- 000177.09 Transmission Oil Temperature Invalid
- 000189.00 Engine Speed Derate
- 000190.00 Engine Overspeed Extreme
- 000190.02 Engine Speed Input Noise
- 000190.03 Engine Speed Input Voltage High
- 000190.04 Engine Speed Input Voltage Low
- 000190.05 Engine Speed Sensor Circuit Open
- 000190.14 Engine Speed/Pump Speed Out of Sync
- 000190.16 Engine Overspeed Moderate
- 000191.02 Pump Speed Input Noise
- 000191.14 Engine Speed/Pump Speed Out of Sync
- 000191.16 Engine Overspeed Extreme
- 000620.03 Sensor Supply Voltage High
- 000620.04 Sensor Supply Voltage Low
- 000629.13 ECU Error
- 000632.11 Fuel Shut-off Circuit Fault
- 000638.02 Rack Instability
- 000638.07 Rack Position Error
- 000639.00 CAN Error
- 000639.02 CAN Error
- 000639.13 CAN Error
- 000640.11 Engine Shutdown Signal Invalid
- 000640.31 Auxiliary Engine Shutdown Switch Active
- 000723.02 Engine Speed Input Noise
- 000733.02 Rack Position Error with Engine Off
- 000733.03 Rack Position Voltage High
- 000733.04 Rack Position Voltage Low
- 000833.00 Rack Position Calibration Error
- 000833.01 Rack Position Calibration Error
- 000833.02 Rack Position Error with Engine Off
- 000833.03 Rack Position Voltage High
- 000833.04 Rack Position Voltage Low
- 000833.07 Rack Position Calibration Error
- 000833.15 Rack Position Calibration Error
- 000833.17 Rack Position Calibration Error
- 000834.02 Rack Instability
- 000834.03 Rack Actuator Control Circuit Short to Power
- 000834.05 Rack Actuator Control Circuit Open
- 000834.06 Rack Actuator Control Circuit Short To Ground
- 000834.07 Rack Position Error
- 000898.09 Vehicle Speed Invalid
- 000970.00 Auxiliary Engine Shutdown Switch Active
- 000970.11 Engine Shutdown Signal Invalid
- 000970.31 Auxiliary Engine Shutdown Switch Active
- 001041.02 Start Signal Missing
- 001041.03 Start Signal Always Active
- 001069.09 Tire Size Invalid
- 001069.31 Tire Size Error
- 001082.09 Engine Coolant Load Increase Invalid
- 001109.14 Engine Shutdown
- 001110.31 Engine Shutdown
- 001568.02 Torque Curve Selection Invalid
- 001568.09 Torque Curve Selection Invalid
- 001569.31 Fuel Derate
- 001639.01 Fan Speed Input Missing
- 001639.02 Fan Speed Input Noise
- 001639.16 Fan Speed Higher Than Expected
- 001639.18 Fan Speed Lower Than Expected
- 002000.09 Vehicle ID Missing
- 002000.13 Security Violation
ECU (Level 9)
- 000028.03 Throttle Voltage High
- 000028.04 Throttle Voltage Low
- 000029.03 Throttle Voltage High
- 000029.04 Throttle Voltage Low
- 000029.14 Throttle Voltage Out of Range
- 000084.09 Vehicle Speed Invalid or Missing
- 000091.03 Throttle Voltage High
- 000091.04 Throttle Voltage Low
- 000091.08 PWM Throttle Abnormal Pulse Width
- 000091.09 Throttle Invalid
- 000091.14 Throttle Voltage Out of Range
- 000094.03 Fuel Rail Pressure Input Voltage High
- 000094.04 Fuel Rail Pressure Input Voltage Low
- 000094.10 Fuel Rail Pressure Loss Detected
- 000094.17 Fuel Rail Pressure Not Developed
- 000097.00 Water in Fuel Continuously Detected
- 000097.03 Water in Fuel Input Voltage High
- 000097.04 Water in Fuel Input Voltage Low
- 000097.16 Water in Fuel Detected
- 000097.31 Water in Fuel Detected
- 000100.01 Engine Oil Pressure Extremely Low
- 000100.03 Engine Oil Pressure Input Voltage High
- 000100.04 Engine Oil Pressure Input Voltage Low
- 000100.16 Engine Oil Pressure Above Normal
- 000100.18 Engine Oil Pressure Moderately Low
- 000102.03 Manifold Air Pressure Input Voltage High
- 000102.04 Manifold Air Pressure Input Voltage Low
- 000105.03 Manifold Air Temperature Input Voltage High
- 000105.04 Manifold Air Temperature Input Voltage Low
- 000105.16 Manifold Air Temperature Moderately High
- 000107.00 Air Filter Restriction
- 000110.00 Engine Coolant Temperature Extremely High
- 000110.03 Engine Coolant Temperature Input Voltage High
- 000110.04 Engine Coolant Temperature Input Voltage Low
- 000110.15 Engine Coolant Temperature High Least Severe
- 000110.16 Engine Coolant Temperature Moderately High
- 000110.31 Engine Coolant Temperature High
- 000111.01 Engine Coolant Level Low
- 000158.17 ECU Power Down Error
- 000160.02 Wheel Speed Input Noise
- 000171.03 Ambient Air Temperature Input Voltage High
- 000171.04 Ambient Air Temperature Input Voltage Low
- 000174.00 Fuel Temperature High Most Severe
- 000174.03 Fuel Temperature Input Voltage High
- 000174.04 Fuel Temperature Input Voltage Low
- 000174.16 Fuel Temperature High Moderately Severe
- 000189.00 Engine Speed Derate
- 000190.00 Engine Overspeed Extreme
- 000190.01 Engine Overload Moderate
- 000190.16 Engine Overspeed Moderate
- 000190.18 Engine Overload Severe
- 000237.02 Vehicle Identification Number Invalid
- 000237.13 Vehicle Identification Option Code Invalid
- 000237.31 Vehicle Model Number Invalid
- 000523.09 Gear Selection Invalid
- 000596.31 Cruise Control On/Off Inputs Shorted
- 000611.03 Electronic Injector Wiring Shorted To Power Source
- 000611.04 Electronic Injector Wiring Shorted To Ground
- 000620.03 Sensor Supply 1 Voltage High
- 000620.04 Sensor Supply 1 Voltage Low
- 000627.01 Electronic Injector Supply Voltage Problem
- 000629.13 ECU Error
- 000636.02 Pump Position Sensor Input Noise
- 000636.08 Pump Position Sensor Input Missing
- 000636.10 Pump Position Sensor Input Pattern Error
- 000637.02 Crankshaft Position Input Noise
- 000637.07 Crankshaft Position/Pump Position Timing Moderately Out of Sync
- 000637.08 Crankshaft Position Input Missing
- 000637.10 Crankshaft Position Input Pattern Error
- 000639.13 CAN Bus Error
- 000640.31 Engine Shutdown - Vehicle Request
- 000644.02 External Speed Command Input Erratic
- 000651.05 Cylinder #1 EI Circuit Open
- 000651.06 Cylinder #1 EI Circuit Shorted
- 000651.07 Cylinder #1 EI Fuel Delivery Failure
- 000652.05 Cylinder #2 EI Circuit Open
- 000652.06 Cylinder #2 EI Circuit Shorted
- 000652.07 Cylinder #2 EI Fuel Delivery Failure
- 000653.05 Cylinder #3 EI Circuit Open
- 000653.06 Cylinder #3 EI Circuit Shorted
- 000653.07 Cylinder #3 EI Fuel Delivery Failure
- 000654.05 Cylinder #4 EI Circuit Open
- 000654.06 Cylinder #4 EI Circuit Shorted
- 000654.07 Cylinder #4 EI Fuel Delivery Failure
- 000655.05 Cylinder #5 EI Circuit Open
- 000655.06 Cylinder #5 EI Circuit Shorted
- 000655.07 Cylinder #5 EI Fuel Delivery Failure
- 000656.05 Cylinder #6 EI Circuit Open
- 000656.06 Cylinder #6 EI Circuit Shorted
- 000656.07 Cylinder #6 EI Fuel Delivery Failure
- 000898.09 Vehicle Speed or Torque Message Invalid
- 000970.31 Engine Shutdown - Auxiliary Request
- 000971.31 External Fuel Derate Switch Active
- 001069.09 Tire Size Invalid
- 001069.31 Tire Size Error
- 001079.03 Sensor Supply 2 Voltage High
- 001079.04 Sensor Supply 2 Voltage Low
- 001080.03 Fuel Rail Pressure Sensor Supply Voltage High
- 001080.04 Fuel Rail Pressure Sensor Supply Voltage Low
- 001109.31 Engine Protection Shutdown Warning
- 001110.31 Engine Protection Shutdown
- 001347.05 Pump Control Valve #1 Error
- 001347.07 Fuel Rail Pressure Incorrect
- 001347.10 Pump Control Valve #1 Fuel Flow Not Detected
- 001348.05 Pump Control Valve #2 Error
- 001348.10 Pump Control Valve #2 Fuel Flow Not Detected
- 001568.02 Torque Curve Selection Invalid
- 001568.09 Torque Curve Selection Missing
- 001569.31 Fuel Derate
- 001638.00 Hydraulic Oil Temperature High Most Severe
- 001638.03 Hydraulic Oil Temperature Sensor Above Normal
- 001638.04 Hydraulic Oil Temperature Sensor Voltage Below Normal
- 001638.16 Hydraulic Oil Temperature High
- 001639.01 Fan Speed Input Missing
- 001639.16 Fan Speed Higher Than Expected
- 001639.18 Fan Speed Lower Than Expected
- 002005.09 ACU Signal Missing
- 002049.09 Cab Signal Missing
- 002071.09 CCU Signal Missing
- 002580.03 Brake Pressure Sensor Voltage Above Normal
- 002580.04 Brake Pressure Sensor Voltage Below Normal
JDL Primary Controller (Modular Telematics Gateway)
- JDL - 000237.11 JDL Not Registered
- JDL - 000639.09 JDL Not Detecting CAN Bus Messages
- JDL - 000841.05 GPS Antenna Error - Open Circuit
- JDL - 000841.06 GPS Antenna Error - Grounded/Short Circuit
- JDL - 000964.13 Real Time Clock Failure
- JDL - 002850.02 Cellular Antenna Error - Abnormal Signal
- JDL - 002850.05 Cellular Antenna Error - Open Circuit
- JDL - 002850.06 Cellular Antenna Error - Grounded/Short Circuit
- JDL - 002852.11 Unable to Detect SIM Card
- JDL - 516672.14 Network Authorization Failed
- JDL - 522976.11 Unable to Load Custom Alerts
- JDL - 522976.13 Unable to Load Configuration
- JDL - 523310.00 Low Disk Space
- JDL - 600006.31 Vehicle Controls Not Operating Correctly
JL2 Secondary Controller (Modular Telematics Gateway)
- JL2 - 000237.11 JL2 Not Registered
- JL2 - 000639.09 JL2 Not Detecting CAN Bus Messages
- JL2 - 000841.05 GPS Antenna Error - Open Circuit
- JL2 - 000841.06 GPS Antenna Error - Grounded/Short Circuit
- JL2 - 000964.12 Real Time Clock Failure
- JL2 - 000964.13 Real Time Clock Failure
- JL2 - 002850.02 Cellular Antenna Error - Abnormal Signal
- JL2 - 002850.05 Cellular Antenna Error - Open Circuit
- JL2 - 002850.06 Cellular Antenna Error - Grounded/Short Circuit
- JL2 - 002852.11 Unable to Detect SIM Card
- JL2 - 522976.11 Unable to Load Custom Alerts
- JL2 - 522976.13 Unable to Load Configuration
- JL2 - 523310.00 Low Disk Space


