См. также:
Описание и ремонт холодильника DAF

Холодильник не работает
Данная ситуация имеет место при наличии следующих признаков:
- Компрессор не работает
- Охлаждение отсутствует
В данной ситуации клиент будет жаловаться на то, что холодильник не работает. Холодильник не реагирует на установку термостата в максимальное положение.
Компрессор выключен; в результате холодильник не будет охлаждать.
Холодильник функционирует, но охлаждение не эффективно
Данная ситуация имеет место при наличии следующих признаков:
- Компрессор работает
- Низкая эффективность охлаждения или охлаждение отсутствует
В данной ситуации компрессор функционирует; это означает, что компрессор запускается. Однако,
невозможно обеспечить необходимую температуру внутри холодильника.
Клиент будет жаловаться на отсутствие охлаждения или недостаточную эффективность охлаждения.
Описание компонента, холодильник
Система охлаждения

Компрессор
Компрессор (1), используемый в холодильнике, герметизирован. Это означает, что компрессор и
электродвигатель монтируются вместе как единый герметичный блок. Задача компрессора увеличивать давление хладагента. Компрессор работает от напряжения 24 В; работой компрессора управляет электронный блок. Электронный блок контролирует частоту вращения компрессора и значения включения и отключения.
Значения включения и отключения защищают аккумуляторную батарею автомобиля от полной разрядки.
Электронный блок управления напрямую подключен к компрессору с помощью трехконтактного разъема.
Конденсатор
Используется конденсатор (2) вентилируемого типа. Его задача состоит в рассеивании тепла. Он
устанавливается вблизи в месте с наилучшими возможностями для теплообмена. Он не должен быть
забит пылью или другими загрязнениями, которые могли бы препятствовать теплообмену.
Капиллярная трубка
Сужение капиллярной трубки (3) создает разницу давления между стороной подачи и всасывания
контура. Сужение является конструктивной особенностью испарителя.
Испаритель
Хладагент поступает в испаритель (4) в жидком состоянии и превращается в газ. Тепло, необходимое для процесса испарения, поглощается из потока воздуха. Испаритель расположен в области для хранения холодильника.
Замена компонентов контура хладагента возможна (напр. компрессор, конденсатор, капиллярная трубка) только при условии слива хладагента. Однако операция слива хладагента из системы не включена в данный документ. Операцию могут выполнять только квалифицированные специалисты. В случае неисправности данных компонентов необходима замена всего холодильника.
Электронная система

Электронный блок управления
Электронный блок управления (4) - это устройство с электронным управлением, которое контролирует
частоту вращения компрессора.
Электронный блок управления имеет встроенную тепловую защиту, которая отключает компрессор в случае перегрева. Максимальная допустимая средняя температура 55°C.
Компрессор прекращает работу и запускается повторно в зависимости от границ напряжения, измеряемых электронным блоком управления, установленных запрограммированными значениями
включения и отключения.
Электронный блок контролирует частоту вращения компрессора и напрямую подключен к компрессору.
Вентилятор охлаждения
Вентилятор охлаждения (2) включает бесщеточный электродвигатель.
Вентилятор создает поток воздуха через конденсатор и отводит тепло из холодильника. Работой вентилятора охлаждения управляет электронный блок управления через точки подключения F и +. Возможны следующие уровни напряжения:
- Нормальная работа вентилятора охлаждения 12 В
- Обрыв цепи вентилятора охлаждения 24 В
- Короткое замыкание в цепи вентилятора охлаждения 0 В
Во время нормальной работы на вентилятор подается питание 12 В.
Если при электронной проверке обнаружен обрыв цепи в точках подключения F и "+", на точки
подключения подается напряжение 24 В. Если электронным блоком управления обнаружено короткое
замыкание в проводке вентилятора охлаждения, напряжение питание устанавливается на 0 В, пока длится короткое замыкание.
В случае повреждения вентилятор необходимо заменить полностью.
Термостат
Используется механический термостат (1). Чтобы отрегулировать температуру, можно повернуть
рукоятку. Датчик расположен таким образом, чтобы измерять температуру у испарителя. Термостат между точками C и T последовательно включен в цепь датчика откидывания кабины.
В случае неисправности его невозможно отремонтировать и необходимо заменить полностью.
Датчик откидывания кабины
Датчик откидывания кабины (3) прекращает работу компрессора в случае откидывания кабины, чтобы
защитить компрессор от повреждений. Датчик откидывания кабины между точками C и T
последовательно включен в цепь термостата.
Сведения о расположении, холодильник

1 Термостатический
2 Датчик откидывания кабины
3 Компрессор
4 Испаритель
5 Фильтр
6 Капиллярная трубка
7 Конденсатор
8 Вентилятор охлаждения
Дополнительная информация к электрической схеме
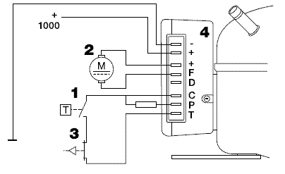
Подключение проводки электронного блока

1 Термостат
2 Вентилятор охлаждения
3 Датчик откидывания кабины
Список проверок
Если компрессор и вентилятор охлаждения работают, необходимо выполнить проверки, перечисленные ниже, прежде чем приступать к диагностике холодильника. Перечисленные аспекты могут повлиять на эффективность работы холодильника:
Если холодильник заполнен продуктами, на охлаждение потребуется больше времени.
Проверьте холодильник на предмет повреждений, которые могли бы вызвать нарушение герметичности.
Проверьте резиновый уплотнитель между холодильником и крышкой на наличие повреждения или утечек.
Не загромождайте пространство вблизи холодильника, так как для нормальной работы необходимо обеспечить свободную циркуляцию воздуха.
Убедитесь в том, что вентилятор охлаждения на задней стенке холодильника свободно вращается и воздушные отверстия в задней стенке кабины не заблокированы.
Проверьте, работает ли компрессор.
1. Проверьте, установлен ли термостат в максимальное положение.
2. Проверьте, слышен ли запуск компрессора.
Временная задержка между включением блока и запуском компрессора, может составлять ок. 1 мин.

Проверьте силовой провод

Проверка силового провода
1. Проверьте правильность подключения силового провода.
2. Проверьте не зажат ли провод в отсеке холодильника.
3. Проверьте силовой провод на предмет повреждений и/или обрыва.
Проверка питания
1. Измерьте напряжение питания, поступающего на разъем силового провода, с помощью мультиметра.
Если напряжение питания слишком низкое, холодильник отключается автоматически в соответствии с
настройками отключения.
2. Включите зажигание и запустите двигатель автомобиля, чтобы максимальное питание поступало
на холодильник.
3. Повторно измерьте напряжение питания. Напряжение питания должно увеличиться. Если
напряжение питания превышает напряжение включения, компрессор должен начать работу.
Если напряжение ниже порога отключения, проверьте аккумуляторную батарею автомобиля.
Технические данные
- Напряжение включения 24,6 В ±0,3 В
- Напряжение отключения 23,2 В ±0,3 В
Активную функцию включения/отключения также можно проверить с помощью "Мигающие коды"
Проверьте испаритель

1. Включите холодильник не менее чем на 5 минут.
2. Откройте холодильный отсек.
3. Убедитесь, что температура испарителя (1) значительно ниже температуры окружающей среды.
Проверьте капиллярную трубку
Убедитесь, что холодильник включен и работает не менее 5 минут.
1.Проверьте капиллярную трубку (6) на предмет образования льда.
2.Наличие льда на капиллярной трубке свидетельствует о засорении капиллярной трубки.

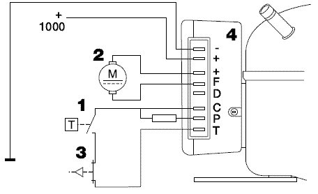
Проверьте внутренний жгут проводов
Верное подключение проводки электронного блока

1 Термостат
2 Вентилятор охлаждения
3 Датчик откидывания кабины
Проверьте внутренний жгут проводов
1. Снимите холодильник с автомобиля.
2. Снимите защитную крышку в задней части холодильника
3. Убедитесь в том, что внутренние провода подключены верно в соответствии с электрической
схемой.
Проверьте датчик откидывания кабины

1. Отсоедините датчик откидывания кабины (3) от электронного блока.
2. Установите перемычку на разъемы "faston" ЭБУ.
3. Если компрессор запускается, то датчик откидывания кабины неисправен.
Проверьте вентилятор охлаждения

1. Измерьте напряжение питания от электронного блока управления к вентилятору охлаждения в
указанных точках подключения.
Точки подключения
- Подача питания +
- "Масса" F
Данные проверки 12 В
- Нормальная работа вентилятора охлаждения
- 24 В Обрыв цепи вентилятора охлаждения
- 0 В Короткое замыкание в цепи вентилятора охлаждения
Напряжение питания
Во время нормальной работы на вентилятор подается питание 12 В. Если при электронной проверке обнаружен обрыв цепи в точках подключения F и "+", на точки подключения подается напряжение 24 В. Если электронным блоком управления обнаружено короткое замыкание в проводке вентилятора охлаждения, напряжение питание устанавливается на 0 В, пока длится короткое замыкание.
В случае повреждения вентилятор необходимо заменить полностью.
Исправность вентилятора охлаждения также можно проверить с помощью "Мигающие коды"
Проверьте термостат

1. Отсоедините термостат электронного блока.
2. Установите перемычку на разъемы "faston" (1) и (2).
3. Если холодильник запускается, то термостат неисправен.
Проверьте компрессор
Электронный блок подключен к компрессору с помощью трехконтактного разъема. Измерив
сопротивление в каждой комбинации пар контактов, можно определить состояние внутренних обмоток
компрессора.

1. Снимите электронный блок с компрессора.
2. Отсоедините трехконтактный разъем.
3. Измерьте сопротивление в каждой возможной комбинации двух контактов с помощью мультиметра.
Исправность компрессора также можно проверить с помощью "Мигающие коды"
Технические данные, компрессор
Сопротивление 2,3 Ом
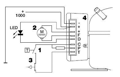
Мигающие коды
Считать мигающие коды можно с помощью светодиодного индикатора. Коды неисправностей обозначаются количеством вспышек. Светодиодный индикатор не включен в комплект холодильника, но может быть подключен отдельно в целях диагностики. Подключите светодиодный индикатор в точках D и "+" электронного блока управления (4) в соответствии с электрической схемой.
Источник неисправности обозначается количеством вспышек.

Количество вспышек Описание кода Возможная причина неисправности Действие
1 Защита аккумуляторной батареи, отключение
Напряжение питания превысило настройки включения и отключения
Проверьте напряжение питания аккумуляторной батареи автомобиля
Проверьте силовой провод
2 Превышение макс. тока вентилятора охлаждения, отключение
Короткое замыкание в цепи вентилятора охлаждения
Неисправность вентилятора охлаждения
Проверьте проводку вентилятора охлаждения
Проверьте напряжение питания от ЭБУ
Замените вентилятор охлаждения
3 Ошибка запуска двигателя компрессора
Двигатель компрессора заблокирован
Слишком высокое дифференциальное давление в системе охлаждения
Короткое замыкание в обмотках компрессора
Проверьте компрессор
Если неисправность повторяется несколько раз, замените холодильник
4 Ошибка минимальной частоты вращения компрессора
Система подачи хладагента переполнена, и компрессор не может поддерживать минимальную частоту вращения
Если неисправность повторяется несколько раз, замените холодильник
5 Тепловая защита, отключение
Система подачи хладагента переполнена, электронный блок
Если неисправность повторяется несколько раз, замените холодильник
Слишком высокая температура окружающей среды (> 55°C)
Холодильнику необходимо охладиться
Если неисправность повторяется несколько раз, замените холодильник