Электросхемы и коды неисправностей
540H and 548H Skidder John Deere
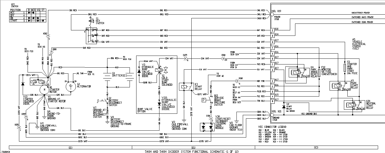
- SE1—Power and Charge Circuits
- SE2—Start and Cold Start Circuits
- SE3—Vehicle Electrical Center (VEC)—Fuses F2 and F12; Relays K4, K5, and K20; Diode V2
- SE4—Vehicle Electrical Center (VEC)—Fuses F10 and F11; Relays K9 and K21
- SE5—Vehicle Electrical Center (VEC)—Fuses F1, F6, F9, F13, and F24
- SE6—Vehicle Electrical Center (VEC)—Fuses F20 and F21; Circuit Breakers F18 and F25; Relays K7 and K8
- SE7—Vehicle Electrical Center (VEC)—Fuses F3, F5, F19, F30, and F31; Relay K1
- SE8—Vehicle Electrical Center (VEC)—Fuses F7, F8, F27, F28, and F29; Relays K2 and K13; Diode V1
- SE9—Vehicle Electrical Center (VEC)—Fuses F4, F14, F15, F16, F17, and F22; Relays K10, K11, and K12
- SE10—Differential Lock, Bump Shifter, and Park Brake Circuits
- SE11—Park Brake and Transmission Control Unit (TCU) Circuits
- SE12—Transmission Control Unit (TCU) Circuits Continued
- SE13—Transmission Control Unit (TCU) Circuits Continued
- SE14—Transmission Control Unit (TCU) Circuits Continued
- SE15—Transmission Control Unit (TCU) Circuits Continued
- SE16—Secondary Steering Control Circuit
- SE17—Standard Display Monitor (SDM) Circuits
- SE18—Standard Display Monitor (SDM) Circuits Continued
- SE19—Engine Control Unit (ECU) Circuits
- SE20—Engine Control Unit (ECU) Circuits Continued
- SE21—Engine Control Unit (ECU) Circuits Continued
- SE22—Engine Control Unit (ECU) Circuits Continued
- SE23—Engine Control Unit (ECU) Circuits Continued
- SE24—Engine Control Unit (ECU) Circuits Continued
- SE25—Pilot Control Grapple Rotate and Open/Close Circuits
- SE26—Pilot Control Grapple Rotate and Open/Close Circuits Continued
- SE27—Grapple Rotate Circuits Continued
- SE28—Air Conditioner and Heater Temperature Circuits
- SE29—Air Conditioner and Pressurizer Blower Circuits
- SE30—Air Conditioner and Heater Blower Circuits
- SE31—Power Outlets and Horn Circuits
- SE32—Windshield Wiper and Washer Circuits
- SE33—Dual Mode Steer Circuit
- SE34—Work Light Circuits
- SE35—Deluxe Work Light and Dome Light Circuits
- SE36—Air Seat and Radio Circuits
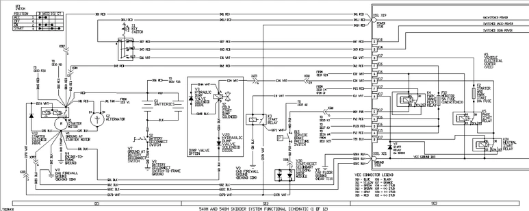
SE1, SE2, SE3
- A5 - Vehicle Electrical Center (VEC)
- B15 - Service Brake Pressure Switch
- F2 - Starter and Park Start 10-Amp Fuse
- F12 - Monitor, Radio, Service ADVISOR™ 5-Amp Fuse (unswitched)
- G1 - Battery (2 used; connected in parallel)
- G2 - Alternator (95-amp or optional 120-amp)
- K3 - Starter Relay
- K4 - Park Brake Reset Relay
- K5 - Park Start Relay
- K20 - Neutral Start Relay
- M1 - Starter Motor
- S1 - Key Switch
- S2 - Battery Disconnect Switch
- V2 - Start Relay 6-Amp Diode
- V3 - Hydraulic Dump Valve Solenoid Diode
- V13 - Starter Solenoid Diode
- V20 - Cold Start Dump Valve Blocking Diode
- V30 - Start Reset/Secondary Steering Diode Module
- W1 - Ground at Starter Motor
- W2 - Cab Floor Ground (near TCU)
- W3 - Cab Firewall Ground (behind SDM)
- W4 - Engine-to-Frame Ground
- W7 - Ground at Battery Disconnect Switch
- W8 - Battery Disconnect Switch-to-Frame Ground
- X10 - Vehicle Electrical Center (VEC) (BLU) Connector
- X14 - Vehicle Electrical Center (VEC) (GRY) Connector
- X15 - Vehicle Electrical Center (VEC) (RED) Connector
- X16 - Vehicle Electrical Center (VEC) (ORG) Connector
- X17 - Vehicle Electrical Center (VEC) (BLK) Connector
- X18 - Vehicle Electrical Center (VEC) Unswitched Power Connector
- X19 - Vehicle Electrical Center (VEC) Unswitched Power Connector
- X20 - Vehicle Electrical Center (VEC) Ground Connector
- X21 - Vehicle Electrical Center (VEC) Ground Connector
- X125 - Hydraulic Reservoir Harness-to-Engine Interface Harness Connector
- X301 - Load Center Harness-to-Engine Harness Connector
- X307 - Load Center Harness-to-Engine Harness Connector
- Y2 - Cold Start Dump Solenoid
SE4, SE5, SE6
- A5 - Vehicle Electrical Center (VEC)
- F1 - Park Brake and Backup Alarm 10-Amp Fuse
- F6 - Reversing Fan 10-Amp Fuse
- F9 - Engine Control Unit (ECU) 7.5-Amp Fuse (switched)
- F10 - Transmission Control Unit (TCU) Inputs Power 10-Amp Fuse
- F11 - Transmission Control Unit (TCU) Outputs Power 10-Amp Fuse
- F13 - Monitor 5-Amp Fuse (switched)
- F18 - Front Work Lights 15-Amp Circuit Breaker (option)
- F20 - Air Seat 20-Amp Fuse
- F21 - Dome Light 5-Amp Fuse (unswitched)
- F24 - Secondary Steering 10-Amp Fuse (option)
- F25 - Rear Work Lights 15-Amp Circuit Breaker (optional)
- K7 - Front Work Lights Relay (option)
- K8 - Rear Work Lights Relay (option)
- K9 - Transmission Control Relay
- K21 - Backup Alarm Relay
- W1 - Ground at Starter Motor
- X10 - Vehicle Electrical Center (VEC) (BLU) Connector
- X11 - Vehicle Electrical Center (VEC) (YEL) Connector
- X12 - Vehicle Electrical Center (VEC) (GRN) Connector
- X13 - Vehicle Electrical Center (VEC) (BRN) Connector
- X14 - Vehicle Electrical Center (VEC) (GRY) Connector
- X15 - Vehicle Electrical Center (VEC) (RED) Connector
- X16 - Vehicle Electrical Center (VEC) (ORG) Connector
- X17 - Vehicle Electrical Center (VEC) (BLK) Connector
- X301 - Load Center Harness-to-Engine Harness Connector
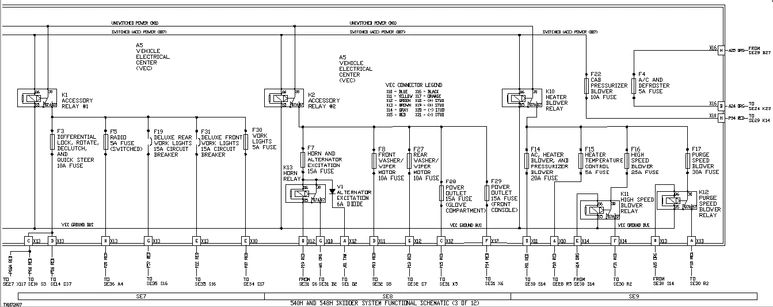
SE7, SE8, SE9
- A5 - Vehicle Electrical Center (VEC)
- F3 - Differential Lock, Rotate, De-clutch, and Quick Steer 10-Amp Fuse (S.N. —622374)
- F4 - A/C and Defroster 5-Amp Fuse
- F5 - Radio 5-Amp Fuse (switched)
- F7 - Horn and Alternator Excitation 15-Amp Fuse
- F8 - Front Washer and Wiper Motor 10-Amp Fuse
- F14 - A/C, Heater Blower, and Pressurizer Blower 20-Amp Fuse
- F15 - Heater Temperature Control 5-Amp Fuse
- F16 - High Speed Blower 25-Amp Fuse
- F17 - Purge Speed Blower 30-Amp Fuse
- F19 - Rear Deluxe Work Lights 15-Amp Circuit Breaker (option)
- F22 - Cab Pressurizer Blower 10-Amp Fuse
- F27 - Rear Washer and Wiper Motor 10-Amp Fuse
- F28 - Power Outlet 15-Amp Fuse (glove compartment)
- F29 - Power Outlet 15-Amp Fuse (front console)
- F30 - Work Lights 5-Amp Fuse (option)
- F31 - Front Deluxe Work Lights 15-Amp Circuit Breaker (option)
- K1 - Accessory 1 Relay
- K2 - Accessory 2 Relay (power outlets, horn, and wipers)
- K10 - A/C and Heater Blower Motor Relay
- K11 - High Speed Blower Relay
- K12 - Purge Speed Blower Relay
- K13 - Horn Relay
- V1 - Alternator Excitation 6-Amp Diode
- X10 - Vehicle Electrical Center (VEC) (BLU) Connector
- X11 - Vehicle Electrical Center (VEC) (YEL) Connector
- X12 - Vehicle Electrical Center (VEC) (GRN) Connector
- X13 - Vehicle Electrical Center (VEC) (BRN) Connector
- X14 - Vehicle Electrical Center (VEC) (GRY) Connector
- X16 - Vehicle Electrical Center (VEC) (ORG) Connector
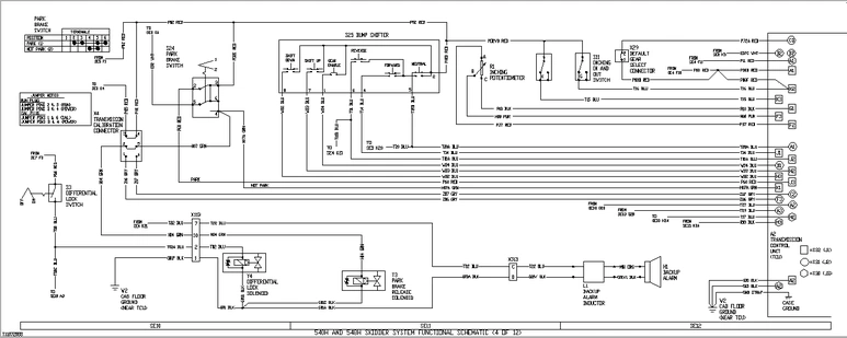
SE10, SE11, SE12

- A2 - Transmission Control Unit (TCU)
- H1 - Backup Alarm
- L1 - Backup Alarm Module
- R1 - Inching Potentiometer
- S3 - Differential Lock Switch
- S11 - Inching In and Out Switch
- S24 - Park Brake Switch
- S25 - Bump Shifter
- W2 - Cab Floor Ground (near TCU)
- X4 - Transmission Calibration Connector
- X29 - Default Gear Select Connector
- X113 - Load Center Harness-to-Transmission Harness Connector
- X313 - Fuel Level Sensor and Reverse Alarm Harness-to-Transmission Harness Connector
- Y3 - Park Brake Release Solenoid
- Y4 - Differential Lock Solenoid
SE13, SE14, SE15

- A2 - Transmission Control Unit (TCU)
- B4 - Input Shaft Speed Pickup
- B5 - Output Shaft Speed Pickup
- B6 - Transmission Oil Temperature Sensor
- B23 - De-clutch Pressure Switch (models with de-clutch)
- R7 - CAN Termination Resistor (TCU)
- S26 - De-clutch Switch (models with de-clutch)
- W2 - Cab Floor Ground (near TCU)
- W3 - Cab Firewall Ground (behind SDM)
- X3 - Service Advisor™ Connector
- X113 - Load Center Harness-to-Transmission Harness Connector
- Y10 - Transmission Solenoid 1
- Y11 - Transmission Solenoid 2
- Y12 - Transmission Solenoid 3
- Y13 - Transmission Solenoid 4
- Y14 - Transmission Solenoid A
- Y15 - Transmission Solenoid B
- Y16 - Transmission Solenoid C
- Y17 - Transmission Solenoid D
SE16, SE17, SE18

- A1 - Secondary Steering Controller
- A3 - Standard Display Monitor (SDM)
- B1 - Secondary Steering Pressure Switch
- B8 - Hydraulic Filter Restriction Switch
- B9 - Transmission Oil Filter Restriction Switch
- B10 - Air Filter Restriction Switch
- B11 - Park Brake Pressure Switch
- B16 - Hydraulic Reservoir Oil Temperature Sensor
- B18 - Fuel Level Sensor
- H2 - Monitor Alarm
- K6 - Secondary Steering Pump Motor Relay
- M2 - Secondary Steering Pump Motor
- V30 - Start Reset/Secondary Steering Diode Module
- W1 - Ground at Starter Motor
- W3 - Cab Firewall Ground (behind SDM)
- W4 - Engine-to-Frame Ground
- W7 - Ground at Battery Disconnect Switch
- X35 - Secondary Steering Controller 2-Pin Connector
- X36 - Secondary Steering Controller 4-Pin Connector
- X113 - Load Center Harness-to-Transmission Harness Connector
- X125 - Hydraulic Reservoir Harness-to-Engine Interface Harness Connector
- X301 - Load Center Harness-to-Engine Harness Connector
- X307 - Load Center Harness-to-Engine Harness Connector
- X308 - Engine Interface Harness-to-Secondary Steering Harness Connector
- X309 - Engine Harness-to-Engine Interface Harness Connector
SE19, SE20, SE21

- A6 - Engine Control Unit (ECU)
- B21 - Engine Speed Control (accelerator position) Sensor
- B25 - Fuel Temperature Sensor
- B26 - Crankshaft Position Sensor
- B30 - Camshaft Position Sensor
- B31 - Exhaust Gas Recirculation (EGR) Exhaust Temperature Sensor
- B32 - Exhaust Gas Recirculation (EGR) Fresh Air Temperature Sensor
- B33 - Exhaust Gas Recirculation (EGR) Mixed Air Temperature Sensor
- B34 - Fuel Rail Pressure Sensor
- B35 - Water in Fuel Sensor
- B36 - Coolant Temperature Sensor
- B37 - Compressor Inlet Temperature Sensor
- B38 - Fuel Pump Pressure Sensor
- B40 - Charge Air Pressure Sensor
- B41 - Engine Oil Pressure Sensor
- F32 - Engine Control Unit (ECU) 20-Amp Fuse (in-line; unswitched)
- K25 - Fuel Lift Pump Relay
- M15 - Fuel Lift Pump Motor
- R6 - CAN Termination Resistor (ECU)
- S27 - Engine Speed Switch
- W7 - Ground at Battery Disconnect Switch
- X38 - Engine Control Unit (ECU) Connector
- X39 - Engine Control Unit (ECU) J3 Connector (BLU)
- X40 - Engine Control Unit (ECU) J1 Connector (BLK)
- X301 - Load Center Harness-to-Engine Harness Connector
- X309 - Engine Harness-to-Engine Interface Harness Connector
SE22, SE23, SE24

- A6 - Engine Control Unit (ECU)
- B29 - Variable Geometry Turbocharger (VGT) Speed Sensor
- F23 - Glow Plug 50-Amp Fuse (in-line)
- K22 - Glow Plug Relay
- K23 - Reversing Fan Relay
- M13 - Exhaust Gas Recirculation (EGR) Actuator
- M14 - Variable Geometry Turbocharger (VGT) Actuator
- R4 - Glow Plugs
- S5 - Reversing Fan Switch
- V22 - Glow Plug Relay Diode
- W1 - Ground at Starter Motor
- W7 - Ground at Battery Disconnect Switch
- X38 - Engine Control Unit (ECU) Connector
- X39 - Engine Control Unit (ECU) J3 Connector (BLU)
- X40 - Engine Control Unit (ECU) J1 Connector (BLK)
- X41 - Engine Harness-to-Injector Harness Connector
- X309 - Engine Harness-to-Engine Interface Harness Connector
- Y21 - Electronic Injector Cylinder #1
- Y22 - Electronic Injector Cylinder #2
- Y23 - Electronic Injector Cylinder #3
- Y24 - Electronic Injector Cylinder #4
- Y25 - Electronic Injector Cylinder #5
- Y26 - Electronic Injector Cylinder #6
- Y27 - Reversing Fan Solenoid
- Y28 - Fan Speed Proportional Solenoid
- Y29 - Fuel Pump Control Valve
SE25, SE26, SE27

- E10 - Grapple Latch Indicator (pilot control)
- K15 - Grapple Open Relay (pilot control only)
- K16 - Grapple Latch Relay (pilot control only)
- K17 - Grapple Close Relay (pilot control only)
- K18 - Grapple Rotate Left Relay (pilot control only)
- K19 - Grapple Rotate Right Relay (pilot control only)
- S4 - Grapple Rotate Switch (mechanical control)
- S19 - Grapple Open Switch (pilot control)
- S20 - Grapple Latch Switch (pilot control)
- S21 - Grapple Close Switch (pilot control)
- S22 - Grapple Rotate Left Switch (pilot control)
- S23 - Grapple Rotate Right Switch (pilot control)
- V8 - Grapple Rotate Left Solenoid Diode
- V9 - Grapple Rotate Solenoid Right Diode
- V31 - Grapple Control Diode Module (pilot control only)
- W1 - Ground at Starter Motor
- W2 - Cab Floor Ground (near TCU)
- X42 - Single Lever Pilot Control 4-Pin Connector
- X43 - Single Lever Pilot Control 3-Pin (S20) Connector
- X117 - Load Center Harness-to-Grapple Control Harness Connector
- X125 - Hydraulic Reservoir Harness-to-Engine Interface Harness Connector
- X127 - Hydraulic Reservoir Harness-to-Engine Interface Harness Connector
- X307 - Load Center Harness-to-Engine Harness Connector
- Y5 - Grapple Rotate Left Solenoid
- Y6 - Grapple Rotate Right Solenoid
- Y18 - Grapple Open Solenoid (pilot control only)
- Y19 - Grapple Close Solenoid (pilot control only)
SE28, SE29, SE30

- B12 - A/C Freeze Control Temperature Switch
- B27 - A/C High/Low Pressure Switch
- K14 - Cab Pressurizer Blower Motor Relay
- M6 - Cab Pressurizer Blower Motor
- M7 - A/C and Heater Blower Motor
- M8 - Heater Valve Actuator
- R2 - Heater Blower Motor Resister
- R5 - A/C Heater Temperature Control
- S14 - A/C Heater Blower Motor Switch
- S15 - A/C Defrost On/Off Switch
- V4 - A/C Compressor Solenoid Diode
- W5 - A/C and Heater Ground
- W7 - Ground at Battery Disconnect Switch
- X302 - Load Center Harness-to-Cab Roof Harness Connector
- X315 - Load Center Harness-to-Cab Roof Harness Connector
- X316 - Load Center Harness-to-Cab Roof Harness Connector
- X318 - Load Center Harness-to-Cab Roof Harness Connector
- Y1 - A/C Compressor Clutch
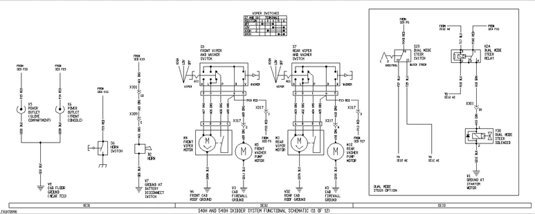
SE31, SE32, SE33

- B2 - Horn
- K24 - Dual Mode Steer Relay
- M3 - Wiper Motor Rear
- M4 - Wiper Motor Front
- M5 - Washer Pump Motor Front
- M12 - Washer Pump Motor Rear
- S6 - Horn Switch SE31 ),
- S7 - Rear Wiper and Washer Switch
- S8 - Front Wiper and Washer Switch
- S28 - Dual Mode Steer Switch
- W1 - Ground at Starter Motor
- W2 - Cab Floor Ground (near TCU)
- W3 - Cab Firewall Ground (behind SDM)
- W6 - Front Cab Roof Ground
- W7 - Ground at Battery Disconnect Switch
- W32 - Rear Cab Roof Ground
- X5 - Power Outlet (glove compartment)
- X6 - Power Outlet (front console)
- X301 - Load Center Harness-to-Engine Harness Connector
- X309 - Engine Harness-to-Engine Interface Harness Connector
- X317 - Load Center Harness-to-Cab Roof Harness Connector
- Y30 - Dual Mode Steer Solenoid
SE34, SE35, SE36

- A4 - Radio
- B19 - Left Speaker
- B20 - Right Speaker
- E1 - Work Light Left Front (option)
- E2 - Work Light Left Front (option)
- E3 - Work Light Right Front (option)
- E4 - Work Light Left Rear (option)
- E5 - Work Light Right Rear (option)
- E6 - Work Light Right Front (option)
- E9 - Dome Light
- M11 - Air Seat Compressor Motor
- S10 - Dome Light Switch
- S16 - Work Light Switch Deluxe (option)
- S17 - Work Light Switch (option)
- S18 - Air Seat Switch
- W2 - Cab Floor Ground (near TCU)
- W6 - Front Cab Roof Ground
- W32 - Rear Cab Roof Ground
- X302 - Load Center Harness-to-Cab Roof Harness Connector
- X310 - Cab Roof Harness-to-Radio Harness Connector
- X317 - Load Center Harness-to-Cab Roof Harness Connector
- X320 - Air Seat Switch and Motor Connector
Все коды диагностики неисправностей
CHC
- 003651.13 FNR Sensor Calibration Fault
- 003654.13 FNR Sensor Calibration Fault
ECU (Level 12)
- 000190.00 Engine Overspeed Extreme
- 000190.16 Engine Overspeed Moderate
ECU (Level 14 4.5L/6.8L)
- 000028.03 Digital Throttle Signal Out of Range High
- 000028.04 Digital Throttle Signal Out of Range Low
- 000029.03 Secondary Analog Throttle Signal Out of Range High
- 000029.04 Secondary Analog Throttle Signal Out of Range Low
- 000091.03 Primary Analog Throttle Signal Out of Range High
- 000091.03 Throttle Voltage Out of Range High
- 000091.04 Primary Analog Throttle Signal Out of Range Low
- 000091.04 Throttle Voltage Out of Range Low
- 000091.09 Throttle CAN message Missing
- 000091.09 CAN Throttle Message Missing or Late
- 000094.03 Low Pressure Fuel Signal Out of Range High
- 000094.04 Low Pressure Fuel Signal Out of Range Low
- 000094.17 Low Pressure Fuel Signal Slightly Low
- 000097.00 Water in Fuel Detected Most Severe Level
- 000097.03 Water In Fuel Signal Out of Range High
- 000097.04 Water In Fuel Signal Out of Range Low
- 000097.16 Water in Fuel Detected
- 000100.01 Engine Oil Pressure Signal Extremely Low
- 000100.04 Engine Oil Pressure Signal Out of Range Low
- 000100.18 Engine Oil Pressure Signal Moderately Low
- 000100.31 Engine Oil Pressure Detected with Engine Stopped
- 000102.02 Manifold Air Pressure Signal Invalid
- 000102.03 Manifold Air Pressure Signal Out of Range High
- 000102.04 Manifold Air Pressure Signal Out of Range Low
- 000103.00 Turbo Speed Signal Extremely High
- 000103.05 Turbo Speed Signal Circuit has High Resistance
- 000103.08 Turbo Speed Signal Invalid
- 000103.31 Turbo Speed Signal Missing
- 000105.00 Manifold Air Temperature Signal Extremely High
- 000105.03 Manifold Air Temperature Signal Out of Range High
- 000105.04 Manifold Air Temperature Signal Out of Range Low
- 000105.15 Manifold Air Temperature Signal Slightly High
- 000105.16 Manifold Air Temperature Signal Moderately High
- 000107.00 Air Filter Restriction Switch Activated
- 000107.31 Air Filter Restriction Switch Activated
- 000108.02 Barometric Air Pressure Signal Invalid
- 000110.00 Coolant Temperature Signal Extremely High
- 000110.03 Coolant Temperature Signal Out of Range High
- 000110.04 Coolant Temperature Signal Out of Range Low
- 000110.15 Coolant Temperature Signal Slightly High
- 000110.16 Coolant Temperature Signal Moderately High
- 000110.17 Coolant Temperature Signal Slightly Low
- 000111.01 Engine Coolant Level Extremely Low
- 000157.01 Fuel Rail Pressure Signal Extremely Low
- 000157.03 Fuel Rail Pressure Signal Out of Range High
- 000157.04 Fuel Rail Pressure Signal Out of Range Low
- 000157.10 Fuel Rail Pressure Loss Detected
- 000157.17 Fuel Rail Pressure Not Developed
- 000157.18 Fuel Rail Pressure Signal Moderately Low
- 000158.17 ECU Power Down Error
- 000174.00 Fuel Temperature Signal Extremely High
- 000174.03 Fuel Temperature Signal Out of Range High
- 000174.04 Fuel Temperature Signal Out of Range Low
- 000174.16 Fuel Temperature Signal Moderately High
- 000189.00 Engine Speed Derate Condition Exists
- 000190.00 Engine Speed Extremely High
- 000190.01 Engine Overload Moderate
- 000190.16 Engine Speed Moderately High
- 000190.18 Engine Overload Severe
- 000412.00 EGR Temperature Signal Extremely High
- 000412.03 EGR Temperature Signal Out of Range High
- 000412.04 EGR Temperature Signal Out of Range Low
- 000412.15 EGR Temperature Signal Slightly High
- 000412.16 EGR Temperature Signal Moderately High
- 000611.03 Injector Shorted to Voltage Source
- 000611.04 Injector Shorted to Ground
- 000627.01 All Injectors Circuits Have High Resistance
- 000627.18 Injector Power Supply Voltage Out of Range Low
- 000629.12 ECU EEPROM Error
- 000629.13 ECU Boot Block Error
- 000636.02 Camshaft Position Signal Invalid
- 000636.05 Camshaft Position Circuit Has High Resistance
- 000636.06 Camshaft Position Circuit Has Low Resistance
- 000636.08 Camshaft Position Sensor Signal Missing
- 000636.10 Camshaft Position Signal Rate of Change Abnormal
- 000637.02 Crankshaft Position Signal Invalid
- 000637.05 Crankshaft Position Sensor Circuit Has High Resistance
- 000637.06 Crankshaft Position Circuit Has Low Resistance
- 000637.07 Crankshaft and Camshaft Position Signals Out of Sync
- 000637.08 Crankshaft Position Signal Missing
- 000637.10 Crankshaft Position Signal Rate of Change Abnormal
- 000640.31 External Derate Commanded
- 000641.04 VGT Actuator Supply Voltage Out of Range Low
- 000641.12 VGT Actuator Communication Error
- 000641.13 VGT Actuator Learn Error
- 000641.16 Turbo Actuator Temperature Moderately High
- 000644.02 External Speed Command Input Erratic
- 000647.05 Engine Fan Drive Circuit Has High Resistance
- 000647.05 Fan Proportional Solenoid Out of Range Low
- 000647.30 Reversing Fan Switch Active Too Long
- 000647.31 Engine Fan Drive Manual Purge Switch Active Too Long
- 000651.02 Injector #1 Part # Data Invalid
- 000651.05 Injector #1 Circuit Has High Resistance
- 000651.06 Injector #1 Circuit Has Low Resistance
- 000651.07 Injector #1 Not Responding
- 000651.13 Injector #1 Calibration Fault
- 000652.02 Injector #2 Part # Data Invalid
- 000652.05 Injector #2 Circuit Has High Resistance
- 000652.06 Injector #2 Circuit Has Low Resistance
- 000652.07 Injector #2 Not Responding
- 000652.13 Injector #2 Calibration Fault
- 000653.02 Injector #3 Part # Data Invalid
- 000653.05 Injector #3 Circuit Has High Resistance
- 000653.06 Injector #3 Circuit Has Low Resistance
- 000653.07 Injector #3 Not Responding
- 000653.13 Injector #3 Calibration Fault
- 000654.02 Injector #4 Part # Data Invalid
- 000654.05 Injector #4 Circuit Has High Resistance
- 000654.06 Injector #4 Circuit Has Low Resistance
- 000654.07 Injector #4 Not Responding
- 000654.13 Injector #4 Calibration Fault
- 000655.02 Injector #5 Part # Data Invalid
- 000655.05 Injector #5 Circuit Has High Resistance
- 000655.06 Injector #5 Circuit Has Low Resistance
- 000655.07 Injector #5 Not Responding
- 000655.13 Injector #5 Calibration Fault
- 000656.02 Injector #6 Part # Data Invalid
- 000656.05 Injector #6 Circuit Has High Resistance
- 000656.06 Injector #6 Circuit Has Low Resistance
- 000656.07 Injector #6 Not Responding
- 000656.13 Injector #6 Calibration Fault
- 000676.03 Cold Start Aid Signal Received When Not Expected
- 000676.03 Glow Plug Relay Out of Range High
- 000676.03 Glow Plug Relay Out of Range High
- 000676.05 Cold Start Aid Circuit Has High Resistance
- 000676.05 Glow Plug Relay Out of Range Low
- 000676.05 Glow Plug Relay Out of Range Low
- 000898.09 Engine Speed CAN Message Invalid
- 000970.31 External Shutdown Switch Activated
- 000971.31 External Derate Switch Activated
- 001075.05 Low Pressure Fuel Pump Circuit Has High Resistance
- 001075.05 Low Pressure Fuel Pump Out of Range Low
- 001075.05 Low Pressure Fuel Pump Out of Range Low
- 001075.06 Low Pressure Fuel Pump Circuit Has Low Resistance
- 001075.06 Low Pressure Fuel Pump Out of Range High
- 001075.06 Low Pressure Fuel Pump Out of Range High
- 001075.12 Low Pressure Fuel Pump Status Error
- 001109.31 Approaching Engine Protection Shutdown
- 001110.31 Engine Protection Shutdown Active
- 001136.00 ECU Temperature Signal Extremely High
- 001136.16 ECU Temperature Signal Moderately High
- 001172.03 Compressor Inlet Temperature Signal Out of Range High
- 001172.04 Compressor Inlet Temperature Signal Out of Range Low
- 001180.00 Calculated Turbine Inlet Temperature Signal Extremely High
- 001180.16 Calculated Turbine Inlet Temperature Signal Moderately High
- 001347.03 Suction Control Valve Signal Out of Range High
- 001347.05 Suction Control Valve Circuit Has High Resistance
- 001347.07 Fuel Rail Pressure Actual to Desired Mismatch
- 001569.31 Engine in Power Derate Condition
- 001638.00 Hydraulic Oil Temperature Extremely High
- 001638.03 Hydraulic Oil Temperature Signal Out of Range High
- 001638.04 Hydraulic Oil Temperature Signal Out of Range Low
- 001638.16 Hydraulic Oil Temperature Signal Moderately High
- 001639.01 Fan Speed Signal Extremely Low
- 001639.16 Fan Speed Signal Moderately High
- 001639.18 Fan Speed Signal Moderately Low
- 002000.13 Incorrect ECU for Application
- 002003.09 No CAN Message From Source Address 3
- 002003.09 TCU Communication Data Error
- 002003.09 TCU Communication Data Error
- 002003.13 TCU Communication Calibrate Error
- 002003.13 TCU Communication Calibrate Error
- 002004.09 No CAN Message From Source Address 4
- 002005.09 No CAN Message From Source Address 5
- 002005.14 Incorrect CAN Message Received From Source Address 5
- 002017.09 SDM Communication Data Error
- 002017.09 SDM Communication Data Error
- 002017.13 SDM Communication Calibrate Error
- 002017.13 SDM Communication Calibrate Error
- 002030.09 No CAN Message From Source Address 23
- 002033.09 No CAN Message From Source Address 33
- 002033.14 Incorrect CAN Message Received From Source Address 33
- 002033.19 Synchronizing Problem With Source Address 33
- 002057.09 No CAN Message From Source Address 57
- 002071.09 No CAN Message From Source Address 71
- 002580.03 Brake Pressure Signal Out of Range High
- 002580.04 Brake Pressure Signal Out of Range Low
- 002630.00 Charge Air Cooler Outlet Temperature Signal Extremely High
- 002630.03 Charge Air Cooler Outlet Temperature Signal Out of Range High
- 002630.04 Charge Air Cooler Outlet Temperature Signal Out of Range Low
- 002630.15 Charge Air Cooler Outlet Temperature Signal Slightly High
- 002630.16 Charge Air Cooler Outlet Temperature Signal Moderately High
- 002659.02 Calculated EGR Flow Rate Invalid
- 002659.15 Calculated EGR Flow Rate Slightly High
- 002659.17 Calculated EGR Flow Rate Slightly Low
- 002790.16 Calculated Compressor Outlet Temperature Moderately High
- 002791.02 EGR Valve Position Signal Invalid
- 002791.03 EGR Valve Position Signal Out of Range High
- 002791.04 EGR Valve Position Signal Out of Range Low
- 002791.07 EGR Valve Not Reaching Expected Position
- 002791.13 EGR Valve Calibration Change Over a Short Period of Time
- 002791.31 EGR Valve Calibration Change over a Long Time
- 002795.07 VGT Actuator Not Reaching Expected Position
- 002883.03 Engine Speed Switch Out of Range High
- 002883.04 Engine Speed Switch Out of Range Low
- 003509.03 Sensor Supply #1 Voltage Out of Range High
- 003509.04 Sensor Supply #1 Voltage Out of Range Low
- 003510.03 Sensor Supply #2 Voltage Out of Range High
- 003510.04 Sensor Supply #2 Voltage Out of Range Low
- 003511.03 Sensor Supply #3 Voltage Out of Range High
- 003511.04 Sensor Supply #3 Voltage Out of Range Low
- 003512.03 Sensor Supply #4 Voltage Out of Range High
- 003512.04 Sensor Supply #4 Voltage Out of Range Low
- 003513.03 Sensor Supply #5 Voltage Out of Range High
- 003513.04 Sensor Supply #5 Voltage Out of Range Low
- 523792.04 EPGDS LTC Pump Signal Out of Range Low
- 524099.11 EPGDS LTC Pump Blockage
EHC
- 003651.03 FNR Sensor Circuit Fault
- 003651.04 FNR Sensor Circuit Fault
- 003654.03 FNR Sensor Circuit Fault
- 003654.04 FNR Sensor Circuit Fault
- 516205.02 FNR Signal Data Erratic or Intermittent
FLC
- 000111.01 Engine Coolant Level Low
- 000589.01 Alternator Speed Slow
- 000746.05 Differential Lock Open Circuit
- 000746.06 Differential Lock Short to Ground
- 000977.05 Reversing Fan Open Circuit
- 000977.06 Reversing Fan Short to Ground
- 001071.03 Proportional Fan Solenoid Short to Power
- 001071.05 Proportional Fan Solenoid Open Circuit or Short to Ground
- 001550.05 Air Conditioner Clutch Open Circuit
- 001550.06 Air Conditioner Clutch Short to Ground
- 002000.09 CAN Communication Lost for ECU
- 002017.09 CAN Communication Lost for SDM
- 002141.09 CAN Communication Lost for SSM
- 522170.04 Tong Squeeze Switch Short to Ground
- 522171.04 Tong Close Switch Short to Ground
- 522172.04 Tong Open Switch Short to Ground
- 522174.04 Grapple Rotate CCW Switch Short to Ground
- 522175.04 Grapple Rotate CW Switch Short to Ground
- 522176.04 Secondary Steering Pressure Switch Short to Ground
- 522177.05 Tong Close Solenoid Open Circuit
- 522177.06 Tong Close Solenoid Short to Ground
- 522178.05 Tong Open Solenoid Open Circuit
- 522178.06 Tong Open Solenoid Short to Ground
- 522179.05 Grapple Rotate CCW Solenoid Open Circuit
- 522179.06 Grapple Rotate CCW Solenoid Short to Ground
- 522180.05 Grapple Rotate CW Solenoid Open Circuit
- 522180.06 Grapple Rotate CW Solenoid Short to Ground
- 522311.05 Rear Washer Pump Open Circuit
- 522311.06 Rear Washer Pump Short to Ground
- 522312.05 Front Washer Pump Open Circuit
- 522312.06 Front Washer Pump Short to Ground
- 522426.04 Rear Wiper Park Short to Ground
- 522427.04 Front Wiper Park Short to Ground
- 522433.05 Rear Wiper Open Circuit
- 522433.06 Rear Wiper Short to Ground
- 522434.05 Front Wiper Low Speed Open Circuit
- 522434.06 Front Wiper Low Speed Short to Ground
- 522435.05 Front Wiper High Speed Open Circuit
- 522435.06 Front Wiper High Speed Short to Ground
- 523577.05 Secondary Steering Open Circuit
- 523577.06 Secondary Steering Short to Ground
- 523795.05 Dual Mode Steering Open Circuit
- 523795.06 Dual Mode Steering Short to Ground
- 524097.03 Accelerator Pedal Short to Power
- 524097.04 Accelerator Pedal Open or Short to Ground
JDL Primary Controller (Modular Telematics Gateway)
- JDL - 000237.11 JDL Not Registered
- JDL - 000639.09 JDL Not Detecting CAN Bus Messages
- JDL - 000841.05 GPS Antenna Error - Open Circuit
- JDL - 000841.06 GPS Antenna Error - Grounded/Short Circuit
- JDL - 000964.13 Real Time Clock Failure
- JDL - 002850.02 Cellular Antenna Error - Abnormal Signal
- JDL - 002850.05 Cellular Antenna Error - Open Circuit
- JDL - 002850.06 Cellular Antenna Error - Grounded/Short Circuit
- JDL - 002852.11 Unable to Detect SIM Card
- JDL - 516672.14 Network Authorization Failed
- JDL - 522976.11 Unable to Load Custom Alerts
- JDL - 522976.13 Unable to Load Configuration
- JDL - 523310.00 Low Disk Space
- JDL - 600006.31 Vehicle Controls Not Operating Correctly
JL2 Secondary Controller (Modular Telematics Gateway)
- JL2 - 000237.11 JL2 Not Registered
- JL2 - 000639.09 JL2 Not Detecting CAN Bus Messages
- JL2 - 000841.05 GPS Antenna Error - Open Circuit
- JL2 - 000841.06 GPS Antenna Error - Grounded/Short Circuit
- JL2 - 000964.12 Real Time Clock Failure
- JL2 - 000964.13 Real Time Clock Failure
- JL2 - 002850.02 Cellular Antenna Error - Abnormal Signal
- JL2 - 002850.05 Cellular Antenna Error - Open Circuit
- JL2 - 002850.06 Cellular Antenna Error - Grounded/Short Circuit
- JL2 - 002852.11 Unable to Detect SIM Card
- JL2 - 522976.11 Unable to Load Custom Alerts
- JL2 - 522976.13 Unable to Load Configuration
- JL2 - 523310.00 Low Disk Space
SDM
- 000096.03 Fuel Level Sensor Out of Range High
- 000096.03 Fuel Level Sensor Out of Range High
- 000096.04 Fuel Level Sensor Out of Range Low
- 000096.04 Fuel Level Sensor Out of Range Low
- 000107.00 Engine Air Filter Restriction Data Above Normal
- 000107.00 Engine Air Filter Restriction Data Above Normal
- 000126.00 Transmission Oil Filter Restriction Data Above Normal
- 000126.00 Transmission Oil Filter Restriction Data Above Normal
- 000158.00 System Voltage Data Above Normal
- 000158.00 System Voltage Data Above Normal
- 000158.01 System Voltage Data Below Normal
- 000158.01 System Voltage Data Below Normal
- 001508.00 Hydraulic Reservoir Oil Temperature Sensor Data Above Normal
- 001508.00 Hydraulic Reservoir Oil Temperature Sensor Data Above Normal
- 001508.03 Hydraulic Reservoir Oil Temperature Sensor Out of Range High
- 001508.03 Hydraulic Reservoir Oil Temperature Sensor Out of Range High
- 001508.04 Hydraulic Reservoir Oil Temperature Sensor Out of Range Low
- 001508.04 Hydraulic Reservoir Oil Temperature Sensor Out of Range Low
- 001508.16 Hydraulic Oil Temp Sensor Moderately High Value
- 001508.16 Hydraulic Oil Temp Sensor Moderately High Value
- 001713.00 Hydraulic Oil Filter Restriction Data Above Normal
- 001713.00 Hydraulic Oil Filter Restriction Data Above Normal
- 002000.09 ECU Communication Data Error
- 002000.09 ECU Communication Data Error
- 002000.13 ECU Communication Calibrate Error
- 002000.13 ECU Communication Calibrate Error
- 002003.09 TCU Communication Data Error
- 002003.09 TCU Communication Data Error
SSM
- 002033.09 SSM Lost Communications
- 520752.04 SSM Button 17 Stuck
- 520752.09 SSM Button 17 No CAN Message
- 520753.04 SSM Button 18 Stuck
- 520753.09 SSM Button 18 No CAN Message
- 520754.04 SSM Button 19 Stuck
- 520754.09 SSM Button 19 No CAN Message
- 520755.04 SSM Button 20 Stuck
- 520755.09 SSM Button 20 No CAN Message
- 523335.04 SSM Button 25 Stuck
- 523335.09 SSM Button 25 No CAN Message
- 523336.04 SSM Button 24 Stuck
- 523336.09 SSM Button 24 No CAN Message
- 523338.04 SSM Button 23 Stuck
- 523338.09 SSM Button 23 No CAN Message
- 523339.04 SSM Button 22 Stuck
- 523339.09 SSM Button 22 No CAN Message
- 523340.04 SSM Button 21 Stuck
- 523340.09 SSM Button 21 No CAN Message
- 523849.04 SSM Button 16 Stuck
- 523849.09 SSM Button 16 No CAN Message
- 523850.04 SSM Button 15 Stuck
- 523850.09 SSM Button 15 No CAN Message
- 523852.04 SSM Button 14 Stuck
- 523852.09 SSM Button 14 No CAN Message
- 523854.04 SSM Button 13 Stuck
- 523854.09 SSM Button 13 No CAN Message
- 523855.04 SSM Button 12 Stuck
- 523855.09 SSM Button 12 No CAN Message
- 523856.04 SSM Button 11 Stuck
- 523856.09 SSM Button 11 No CAN Message
- 523857.04 SSM Button 10 Stuck
- 523857.09 SSM Button 10 No CAN Message
- 523858.04 SSM Button 9 Stuck
- 523858.09 SSM Button 9 No CAN Message
- 523860.04 SSM Button 8 Stuck
- 523860.09 SSM Button 8 No CAN Message
- 523861.04 SSM Button 7 Stuck
- 523861.09 SSM Button 7 No CAN Message
- 523862.04 SSM Button 6 Stuck
- 523862.09 SSM Button 6 No CAN Message
- 523863.04 SSM Button 5 Stuck
- 523863.09 SSM Button 5 No CAN Message
- 523864.04 SSM Button 4 Stuck
- 523864.09 SSM Button 4 No CAN Message
- 523865.04 SSM Button 3 Stuck
- 523865.09 SSM Button 3 No CAN Message
- 523867.04 SSM Button 2 Stuck
- 523867.09 SSM Button 2 No CAN Message
- 523868.04 SSM Button 1 Stuck
- 523868.09 SSM Button 1 No CAN Message
TCU
- 000158.03 Switched Power Out of Range High
- 000161.02 Transmission Input Speed Sensor Erratic or Bad Data
- 000177.00 Transmission Oil Temperature High
- 000177.03 Transmission Oil Temperature Sensor Out of Range High
- 000177.04 Transmission Oil Temperature Sensor Out of Range Low
- 000177.12 Oil Temp Sensor Out of Range
- 000191.02 Transmission Output Speed Data Invalid
- 000525.02 Shift Parameter Erratic or Bad Data
- 000525.02 Shift Parameter Erratic or Bad Data
- 000525.12 Request for an Unidentified Shift Being Made
- 000774.04 Bump Up Shift Switch Short to Ground
- 000775.04 Bump Down Shift Switch Short to Ground
- 000777.03 Lockup Clutch Out of Range High
- 000777.05 Lockup Clutch Out of Range Low
- 002000.09 ECU Communication Data Error
- 002000.13 ECU Communication Calibrate Error
- 003509.04 Sensor Supply #1 Out of Range Low
- 003510.04 Sensor Supply #2 Out of Range Low
- 003511.04 Sensor Supply #3 Out of Range Low
- 003512.04 Sensor Supply #4 Out of Range Low
- 298626.03 Park and Not Park Active Out of Range High
- 298626.04 Park and Not Park Active Out of Range Low
- 298678.04 Clutch Valve Supply Voltage Out of Range Low
- 298808.31 Output Speed Sensor Condition Exists
- 298809.31 Starter Input Signal High
- 298810.05 Solenoid C Out of Range Low
- 298810.06 Solenoid C Out of Range High
- 298811.05 Solenoid B Out of Range Low
- 298811.06 Solenoid B Out of Range High
- 298812.05 Solenoid A Out of Range Low
- 298812.06 Solenoid A Out of Range High
- 298813.05 Solenoid 4 Out of Range Low
- 298813.06 Solenoid 4 Out of Range High
- 298814.05 Solenoid 3 Out of Range Low
- 298814.06 Solenoid 3 Out of Range High
- 298815.05 Solenoid 2 Out of Range Low
- 298815.06 Solenoid 2 Out of Range High
- 298818.31 Directional Clutch Slip Condition Exists
- 298819.31 Speed Clutch Slip Condition Exists
- 298903.31 Inching Pedal Switch Input Invalid
- 298904.03 Inching Pedal Potentiometer Out of Range High
- 298904.04 Inching Pedal Potentiometer Out of Range Low
- 298907.31 Not Park and Park Pressure Inputs Passive
- 298919.31 Not Park and Park Pressure Inputs Active
- 298925.31 Shifter Neutral and Reverse Inputs Active
- 298926.31 Shifter Neutral and Forward Inputs Active
- 298927.31 Neutral Forward Reverse Inputs Passive
- 298928.31 Upshift and Downshift Inputs Active
- 298929.31 Bottom of Clutch Input Passive
- 298931.31 Output Speed Sensor Out of Range
- 298932.31 Calibration Without Park Brake Applied
- 298933.31 EEPROM Shift Parameter Condition
- 298934.03 Solenoid Group 3 Out of Range High
- 298934.04 Solenoid Group 3 Out of Range Low
- 298935.03 Solenoid Group 2 Out of Range High
- 298935.04 Solenoid Group 2 Out of Range Low
- 298936.03 Solenoid Group 1 Out of Range High
- 298936.04 Solenoid Group 1 Out of Range Low
- 298937.31 Hold Clutch Pressure Condition
- 298939.31 Calibrating Clutch Pressure Condition
- 298940.31 Clutch D Fast Fill Time Condition
- 298941.31 Clutch C Fast Fill Time Condition
- 298942.31 Clutch B Fast Fill Time Condition
- 298943.31 Clutch A Fast Fill Time Condition
- 298944.31 Clutch 4 Fast Fill Time Condition
- 298945.31 Clutch 3 Fast Fill Time Condition
- 298946.31 Clutch 2 Fast Fill Time Condition
- 298947.31 Clutch 1 Fast Fill Time Condition
- 298948.31 Cylinder Speed With Reverse Clutch Condition
- 298949.31 Cylinder Speed With Forward Clutch Condition
- 298950.31 Cylinder Speed Condition
- 298951.31 Engine Speed Too Low For Calibration
- 298952.31 Engine Speed Too High For Calibration
- 298953.31 Sump Temp Too Low For Calibration
- 298954.05 Solenoid 1 Out of Range Low
- 298954.06 Solenoid 1 Out of Range High
- 298955.05 Solenoid D Out of Range Low
- 298955.06 Solenoid D Out of Range High
- 299359.31 Forward and Reverse Inputs Active
- 522002.31 Upshift and Downshift Inputs Active
- 522003.31 Neutral, Forward, and Reverse Inputs Passive
- 522004.04 Park and Not Park Active Out of Range Low
- 522005.03 Park and Not Park Active Out of Range High
- 522151.31 Shifter Neutral and Forward Inputs Active
- 522153.31 Shifter Neutral and Reverse Inputs Active
- 522169.04 Gear Enable/Differential Lock Switch Out of Range
- 522252.00 Clutch #1 Hold Value Out of Range High
- 522252.01 Clutch #1 Hold Value Out of Range Low
- 522253.00 Clutch #2 Hold Value Out of Range High
- 522253.01 Clutch #2 Hold Value Out of Range Low
- 522254.00 Clutch #3 Hold Value Out of Range High
- 522254.01 Clutch #3 Hold Value Out of Range Low
- 522255.00 Clutch #4 Hold Value Out of Range High
- 522255.01 Clutch #4 Hold Value Out of Range Low
- 522256.00 Clutch A Hold Value Out of Range High
- 522256.01 Clutch A Hold Value Out of Range Low
- 522257.00 Clutch B Hold Value Out of Range High
- 522257.01 Clutch B Hold Value Out of Range Low
- 522258.00 Clutch C Hold Value Out of Range High
- 522258.01 Clutch C Hold Value Out of Range Low
- 522259.00 Clutch D Hold Value Out of Range High
- 522259.01 Clutch D Hold Value Out of Range Low
- 522284.02 Transmission Cylinder Speed Data Invalid
- 522398.12 Not Park and Park Pressure Inputs Active
- 522414.03 Clutch D Out of Range High
- 522414.05 Clutch D Out of Range Low
- 522507.14 Calibrate While Inching
- 523120.16 Clutch Temperature Moderately High Value
- 523655.03 Forward and Reverse Inputs Active
- 523656.05 Dual Mode Steer Output Out of Range Low
- 523656.06 Dual Mode Steer Output Out of Range High
- 523697.04 Inching Pedal Top of Clutch Switch Short to Ground
- 523697.09 Top of Clutch Input Passive Abnormal Data Rate
- 523699.31 Speed Clutch Slippage
- 523700.16 Inching Pedal Limit Exceeded
- 523700.31 Directional Clutch Slippage
- 523708.02 Inching Pedal Switch Module Data Invalid
- 523708.04 Inching Pedal Bottom of Clutch Switch Short to Ground
- 523712.31 Park Brake Not Set During Calibration
- 523717.31 Holding Clutch Unexpected Response
- 523718.31 Cylinder Speed Invalid During Calibration
- 523720.00 Clutch D Fill Out of Range High
- 523720.01 Clutch D Fill Out of Range Low
- 523721.00 Clutch C Fill Out of Range High
- 523721.01 Clutch C Fill Out of Range Low
- 523722.00 Clutch B Fill Out of Range High
- 523722.01 Clutch B Fill Out of Range Low
- 523723.00 Clutch A Fill Out of Range High
- 523723.00 Clutch A Fill Out of Range Low
- 523724.00 Clutch 4 Fill Out of Range High
- 523724.01 Clutch 4 Fill Out of Range Low
- 523725.00 Clutch 3 Fill Out of Range High
- 523725.01 Clutch 3 Fill Out of Range Low
- 523726.00 Clutch 2 Fill Out of Range High
- 523726.01 Clutch 2 Fill Out of Range Low
- 523727.00 Clutch 1 Fill Out of Range High
- 523727.01 Clutch 1 Fill Out of Range Low
- 523728.31 Unexpected Cylinder Speed REV Calibration
- 523729.31 Unexpected Cylinder Speed FWD Calibration
- 523730.31 No Cylinder Speed Calibration
- 523731.31 Output Speed During Calibration
- 523732.31 Engine Speed Too Low During Calibration
- 523733.31 Engine Speed Too High During Calibration
- 523747.14 Not Park and Park Pressure Inputs Passive
- 523761.03 Clutch 4 Out of Range High
- 523761.05 Clutch 4 Out of Range Low
- 523762.03 Clutch 3 Out of Range High
- 523762.05 Clutch 3 Out of Range Low
- 523763.03 Clutch 2 Out of Range High
- 523763.05 Clutch 2 Out of Range Low
- 523764.03 Clutch 1 Out of Range High
- 523764.05 Clutch 1 Out of Range Low
- 523795.05 Dual Mode Steering Solenoid Out of Range Low
- 523795.06 Dual Mode Steering Solenoid Out of Range High
- 523925.03 Dual Mode Steer Switch Out of Range High
- 523925.04 Dual Mode Steer Switch Out of Range Low
- 523967.09 Top of Clutch Input Passive Abnormal Data Rate
- 524029.00 Inching Pedal Sensor Short to Power
- 524029.01 Inching Pedal Sensor Open or Short to Ground
- 524127.04 Declutch Pressure Switch Out of Range Low
- 524271.03 Clutch C Out of Range High
- 524271.05 Clutch C Out of Range Low
- 524272.03 Clutch B Out of Range High
- 524272.05 Clutch B Out of Range Low
- 524273.03 Clutch A Out of Range High
- 524273.05 Clutch A Out of Range Low


