FOTON AUMAN - BJ3253 Электропитание
(блок реле и предохранительный блок)
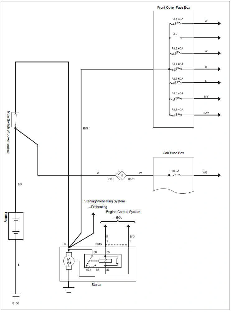
Positions of the Relay Box and Fuse Box

Front Cover Fuse Box

F/L1 40A
F/L3 60A
F/L4 80A Generator Fuse
F/L5 60A
F/L6 40A
F/L7 40A
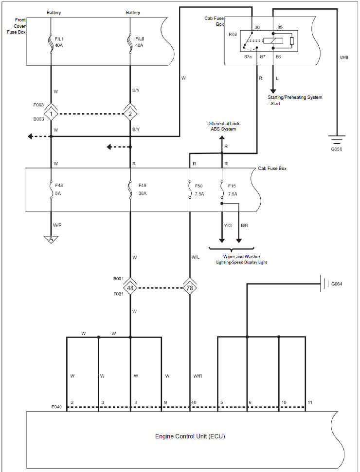
Relay Box and Cab Fuse box
Relay Box

R2 24V 30/20A IG Power Supply Relay
R3 24V 30/20A Brake Lamp Relay
R4 24V 30/20A Rear-View Mirror Heating Relay
R5 24V 30/20A Reversing Lamp Relay
R6 24V 30/20A Frame Side Lamp Relay
R7 24V 30/20A Blower Relay
R8 24V 30/20A Condenser Relay
R9 24V 30/20A Compressor Relay
R11 24V 30/20A Cigarette Lighter Relay
R12 24V 30/20A Fog Lamp Relay
R13 24V 30/20A Horn Relay
R14 24V 30/20A Upper Beam Relay
R15 24V 30/20A Lower Beam Relay
R16 24V 30/20A Speed Display Light B Relay
R17 24V 30/20A Body Side Lamp Relay
R18 24V 30/20A Speed Display Light A Relay
R19 24V 30/20A Brake Switch Relay
R20 24V 30/20A Speed Display Light C Relay
R21 24V 30/20A Electric/Air Horn Switching Relay
Fuse Box

F1 15A Ignition Lock Fuse
F2 10A Reversing Lamp Fuse
F3 7.5A Turn Signal Lamp Fuse
F6 10A Body Side Lamp Fuse
F7 10A Condenser and Compressor Fuse
F8 15A Blower Fuse
F9 15A Cigarette Lighter Fuse
F11 10A Wiper Motor Fuse
F12 10A Left High Beam Fuse
F13 10A Right High Beam Fuse
F15 7.5A IG Fuse
F16 10A Fuel Preliminary Filter Heating Fuse
F18 10A Frame Side Lamp Fuse
F21 5A Differential Block Fuse
F22 5A Left Dipped Headlamp Fuse
F23 5A Right Dipped Headlamp Fuse
F24 5A Interior Lamp Fuse
F26 7.5A Power Operated Heated Door Mirror Fuse
F27 15A ABS Fuse
F28 5A ABS 15 Fuse
F31 5A Driving Recorder Fuse
F36 5A Memory Fuse
F37 5A Radio & Tape Player Fuse
F38 7.5A Exhaust Brake Fuse
F39 7.5A Brake Lamp Fuse
F40 7.5A Instrument Cluster Fuse
F46 10A Fog Lamp Fuse
F48 5A Diagnostic Interface Fuse
F49 30A ECU General Fuse
F50 7.5A ECU (IG) Fuse
Controller Module in the Cab

A - Burnout Alarm Controller
A - Shutdown Controller (statetwo)
A - Preheating Controller
A - Dialer
A - Flash Relay
A - Twenty-one Controller
Power Supply

Engine Control System
ECU Power Supply/Grounding

Полный мануал в