См. также:
Перечень и расположение компонентов DAF CF75 IV/CF85 IV/XF105

Компонент с кодом A
A001 Разъем дополнительного оборудования прицепа, 7-контактный
A004 разъем ABS/EBS прицепа, 7-контактный
A038 разъем дополнительного оборудования, 2-контактный, 40 А
A043 разъем сиденья водителя, 2-контактный
A058 Разъем прицепа, 15-контактный
XF105
A068 Разъем ESC
XF105
A070 Вспомогательный разъем надстройки, 8-контактный
A076 разъем телефона
XF105
A095 разъем, вспомогательный, мусоровоз
A097 разъем FMS, 21-контактный
A098 разъем FMS, 18-контактный
A100 Диагностический разъем HD-OBD
A102 разъем модуля Bodybuilder, 8-контактный
A103 разъем модуля Bodybuilder, 12-контактный
A104 разъем запасной проводки
A105 разъем модуля Bodybuilder, CAN open, 7-контактный
A106 разъем CAN кабины, 9-контактный
A120 USB-разъем сети
XF105
A122 разъем гидравлической платформы, 9-контактный
XF105
A123 разъем гидравлической платформы, 21-контактный
XF105
A125 разъем подачи гидравлической платформы
XF105
A134 разъем проводки подачи мусоровоза
A138 разъем FMS, 12-контактный
XF105
A139 дополнительный разъем камеры
XF105
A140 дополнительный разъем камеры
A513 генератор
XF105
A517 аккумуляторные батареи стартера
XF105
A518 питание, аккумуляторные батареи
Компонент с кодом B
B000 электродвигатель, очиститель ветрового стекла
B001 Насос, омыватель ветрового стекла
B002 насос, омыватель фар
XF105
B003 электродвигатель регулировки зеркала, со стороны водителя
XF105
B004 электродвигатель регулировки зеркала, со стороны второго водителя
B005 электродвигатель регулировки зеркала со стороны водителя
B006 электродвигатель регулировки зеркала со стороны второго водителя
B009 электродвигатель люка крыши
B010 стартер
B015 вентилятор обогревателя
B017 обогрев зеркала, со стороны водителя
B018 обогрев зеркала, со стороны второго водителя
XF105
B024 громкоговоритель, задний левый
XF105
B025 громкоговоритель, задний правый
B026 Комплект CB
B028 сигнал
B030 прикуриватель, со стороны водителя
B032 обогреватель, сиденье водителя
B033 обогреватель, сиденье второго водителя
B042 обогреватель, осушитель воздуха
B043 компрессор кондиционера
XF105
B071 клапан, подъем подъемной оси
XF105
B072 клапан, опускание подъемной оси
XF105
B073 двигатель насоса, подъемное устройство
XF105
B084 клапан выпуска воздуха пневматической подвески
XF105
B088 пропорциональный клапан
XF105
B089 клапан подачи
XF105
B122 топливный насос дополнительного обогревателя
B129 электродвигатель регулировки высоты левой фары
B130 электродвигатель регулировки высоты правой фары
B131 электромагнитный клапан, насосный агрегат, цил. 1
B132 электромагнитный клапан, насосный агрегат, цил. 2
B133 электромагнитный клапан, насосный агрегат, цил. 3
B134 электромагнитный клапан, насосный агрегат, цил. 4
B135 электромагнитный клапан, насосный агрегат, цил. 5
B136 электромагнитный клапан, насосный агрегат, цил. 6
XF105
B166 Клапан передней оси ECAS
XF105
B168 свеча предпускового подогрева, дополнительный обогреватель
XF105, SUPERXC
B175 электродвигатель люка крыши
XF105
B176 звуковой сигнал, задний ход
XF105
B178 громкоговоритель, водитель
B179 громкоговоритель, водитель
B180 громкоговоритель, второй водитель
XF105
B181 громкоговоритель, второй водитель
XF105
B182 нагревательный элемент, влагоотделитель
XF105
B186 фильтр громкоговорителя, левый
XF105
B187 фильтр громкоговорителя, правый
B192 клапан, тормоз-замедлитель
B199 электродвигатель центрального замка двери со стороны водителя
B200 электродвигатель центрального замка двери со стороны второго водителя
XF105
B238 клапан питания ведущего моста
XF105
B241 нагревательный элемент, датчик, топливный фильтр/влагоотделитель
B243 клапан блокировки межколесного дифференциала
B244 клапан продольной блокировки
B245 клапан управления PTO 1
XF105
B246 клапан управления PTO 2
XF105
B250 клапан питания ведущего моста
B252 клапан рециркуляции
XF105
B253 клапан, ECAS, подача, ведущая ось
XF105
B254 клапан, ECAS, пневмобаллон подъема
XF105, FAD, FAT, ABS-D
B256 клапан, ABS, левый, передний
XF105, FAD, FAT, ABS-D
B257 клапан, ABS, правый, передний
XF105, FAD, FAT, ABS-D
B258 клапан, ABS, ведущая ось, левый
XF105, FAD, FAT, ABS-D
B259 клапан, ABS, ведущая ось, правый
XF105
B294 клапан подвески кабины
XF105
B305 вентилятор, дополнительный обогреватель
XF105
B306 клапан, резервный
XF105
B307 клапан, модулятор передней оси
XF105
B308 клапан, управление прицепом
XF105
B309 клапан, отключение
ASR XF105, EAS
B317 клапан, подогреватель бака, EAS
XF105, EAS-2
B317 клапан, подогреватель бака, EAS
XF105
B330 открытая дверь, стояночный тормоз не включен,звуковой сигнал
B335 муфта вентилятора с электронным управлением
XF105
B338 Сирена аварийной сигнализации
XF105
B341 элемент предпускового подогрева
XF105
B344 ECU, AGS
B356 холодильник Airbag-2
B360 натяжитель ремня безопасности, со стороны водителя Airbag-2
B361 подушка безопасности
XF105
B365 радиоприемник
B368 клапан, перепускной клапан
XF105
B372 блок клапанов регулирования расхода
B378 датчик/ обогреватель, топливный фильтр
XF105
B383 клапан, ECAS, задняя направляющая ось AS-Tronic
B385 исполнительный механизм сцепления
XF105
B386 блок клапанов управления цилиндром рулевого управления
B411 электромагнитный клапан тормоза MX Engine Brake, цилиндр 1
B412 электромагнитный клапан тормоза MX Engine Brake, цилиндр 2
B413 электромагнитный клапан тормоза MX Engine Brake, цилиндр 3
B414 электромагнитный клапан тормоза MX Engine Brake, цилиндр 4
B415 электромагнитный клапан тормоза MX Engine Brake, цилиндр 5
B416 электромагнитный клапан тормоза MX Engine Brake, цилиндр 6
B421 электромагнитный клапан форсунки, цилиндр 1
B422 электромагнитный клапан форсунки, цилиндр 2
B423 электромагнитный клапан форсунки, цилиндр 3
B424 электромагнитный клапан форсунки, цилиндр 4
B425 электромагнитный клапан форсунки, цилиндр 5
B426 электромагнитный клапан форсунки, цилиндр 6
B451 клапан, ATC
XF105, EAS
B455 модуль дозирования EAS-2
B455 модуль дозирования
XF105
B456 насос, водяной, дополнительный обогреватель Airbag-2
B458 натяжитель ремня безопасности, со стороны второго водителя
B460 разъем, цилиндры 1-3
B461 разъем, цилиндры 4-6
B462 оконечный резистор, часовая пружина
B465 клапан защиты коробки передач
B468 оконечный резистор D-CAN
XF105
B470 ECU, телефонный интерфейс
XF105
B471 основная плата, телефонный интерфейс
XF105
B472 оконечный резистор, EAS
B473 обогреватель
XF105
B474 громкоговоритель, класса high end, со стороны водителя
XF105
B475 громкоговоритель, класса high end, со стороны второго водителя
B476 микрофон
XF105, SUPERXC
B479 громкоговоритель, телефон
XF105
B484 электродвигатель, очиститель ветрового стекла
B488 резистор вентилятора обогревателя
B489 электродвигатель регулировки зеркала с большим углом обзора, со стороны водителя
B490 электродвигатель регулировки зеркала с большим углом обзора, со стороны второго водителя
B491 обогрев зеркала с большим углом обзора, со стороны водителя
B492 обогрев зеркала с большим углом обзора, со стороны второго водителя
B497 зеркало, со стороны водителя
B498 зеркало, со стороны второго водителя
B525 тахограф
Компонент с кодом C
C006 точечная лампа, левая
C007 точечная лампа, правая
C008 противотуманная фара, левая
C009 противотуманная фара, правая
C010 габаритные огни, левые
C011 габаритные огни, правые
C016 боковой указатель поворота, со стороны водителя
C017 боковой указатель поворота, со стороны второго водителя
COMF-XL
C046 лампа для чтения, со стороны водителя
SPACEXH
C064 лампа верхнего центрального отсека для хранения
XF105, SUPERXC
C066 лампа верхнего отсека для хранения, со стороны второго водителя
C067 лампа ящика для инструментов, со стороны второго водителя
C068 лампа ящика для инструментов, со стороны водителя
C071 рабочее освещение
C072 лампа освещения пепельницы, левая
XF105
C129 лампа PL с переключателем
C144 проблесковый маячок, левый
C145 проблесковый маячок, правый
SPACEXH
C150 лампа верхнего отсека для хранения, со стороны водителя
SPACEXH
C151 внутренняя центральная лампа
C156 1-й средний габаритный фонарь, левый
C157 1-й средний габаритный фонарь, правый
C158 2-й средний габаритный фонарь, левый
C159 2-й средний габаритный фонарь, правый
C191 лампа ночного освещения, со стороны второго водителя
XF105
C211 3-й габаритный фонарь, левый
XF105
C212 3-й габаритный фонарь, правый
XF105
C213 4-й габаритный фонарь, левый
XF105
C214 4-й габаритный фонарь, правый
C215 1-й фонарь дополнительного дорожного освещения на крыше
C216 2-й фонарь дополнительного дорожного освещения на крыше
C217 3-й фонарь дополнительного дорожного освещения на крыше
C218 4-й фонарь дополнительного дорожного освещения на крыше
C219 разъем фонаря подсветки ступеньки кабины, левый
C220 разъем фонаря подсветки ступеньки кабины, правый
C229 дополнительная лампа для чтения
C230 верхняя лампа центральной консоли
C231 нижняя лампа центральной консоли
XF105, SUPERXC
C232 лампа консоли крыши
XF105, SUPERXC
C233 лампа консоли крыши
XF105, SUPERXC
C234 лампа консоли крыши
XF105, SUPERXC
C235 лампа консоли крыши
C236 красный габаритный фонарь двери, со стороны водителя
C237 красный габаритный фонарь двери, со стороны второго водителя
C238 лампа ночного освещения, со стороны водителя
C239 лампа ночного освещения, со стороны второго водителя
XF105, SUPERXC
C244 лампа внутреннего освещения, со стороны водителя
C246 лампа внутреннего освещения, со стороны водителя
C247 лампа внутреннего освещения, со стороны второго водителя
XF105, SUPERXC
C248 лампа внутреннего освещения, со стороны водителя
XF105, SUPERXC
C249 лампа внутреннего освещения, со стороны второго водителя
XF105, SUPERXC
C250 лампа внутреннего освещения, верхнее спальное место
XF105, SUPERXC
C251 лампа внутреннего освещения, со стороны водителя
XF105, SUPERXC
C252 лампа внутреннего освещения, со стороны второго водителя
XF105, SUPERXC
C253 дополнительный фонарь дорожного освещения и габаритный фонарь на крыше, левые
XF105, SUPERXC
C254 дополнительный фонарь дорожного освещения и габаритный фонарь на крыше, правые
SPACEXH
C268 лампа для чтения, со стороны водителя
XF105, SUPERXC
C269 лампа центрального отсека для хранения, со стороны водителя
XF105, SUPERXC
C270 лампа верхнего центрального отсека для хранения
XF105
C539 замок зажигания/переключатель стартера
XF105
C716 переключатель, проблесковый маячок
C737 Переключатель, ASR
XF105
C739 переключатель, гидравлическое подъемное устройство
C740 переключатель, ECAS, нормальный уровень
XF105
C741 переключатель, подъемная ось
C742 переключатель, регулятор тягового усилия
C748 переключатель, поперечная блокировка
C749 переключатель, продольная блокировка
C750 переключатель, управление PTO 1
C751 переключатель, управление PTO 2
C760 переключатель, кондиционер
C763 регулятор яркости, подсветка приборов
C764 потенциометр, регулировка высоты пучка света фар
C774 переключатель, центральный замок дверей
XF105
C778 датчик, обогреватель кабины
C802 переключатель, рециркуляция
XF105
C813 переключатель, освещение, дополнительное дорожное, крыша
C832 левый подрулевой переключатель
XF105
C835 переключатель, отключение определения проникновения во внутреннее пространство
XF105
C836 переключатель, отключение контроля проникновения в грузовой отсек
C853 главный выключатель, кабина
XF105
C854 главный выключатель шасси
XF105
C881 переключатель, ECAS, подъемная ось
C882 переключатель вентилятора обогревателя
XF105
C883 переключатель, регулятор тягового усилия
XF105
C889 переключатель, подъемное приспособление в задней части автомобиля
XF105
C895 переключатель, повышение маневренности
C897 переключатель, лампа, крыша, второй водитель
XF105
C899 переключатель, 2-й уровень движения
XF105
C900 переключатель, ASR AS-Tronic
C906 подрулевой переключатель AS Tronic
C907 рулевая колонка, MGS/AGC
C915 потенциометр требуемой температуры
C916 переключатели на рулевом колесе
C918 переключатель, внутренний, главный
C922 переключатель, освещение на крыше
XF105
C923 переключатель, функция stop & go
C924 переключатель, внутренний точечный светильник
C925 переключатель электростеклоподъемника, со стороны второго водителя
XF105
C926 датчик, обогреватель кабины
C927 переключатель, освещение, дополнительное дорожное, крыша
XF105
C929 переключатель, функция помощи при трогании на подъеме
XF105
C931 переключатель, отключение определения проникновения во внутреннее пространство
XF105
C932 переключатель, отключение контроля проникновения в грузовой отсек
C933 замок зажигания
XF105
C935 переключатель, LDWA, включение
XF105
C937 переключатель направляющей седельно-сцепного устройства
XF105
C940 датчик, обогреватель кабины
XF105
C941 переключатель, тормоз двигателя
XF105
C944 переключатель, режим движения по бездорожью
XF105
C945 переключатель, опоясывающие габаритные огни
XF105
C946 переключатель, режим движения по бездорожью, ASR
XF105
C949 переключатель ACC вкл/выкл
XF105
C950 переключатель ACC установка дистанции
C953 переключатель, проблесковый маячок
Компонент с кодом D
CF75IV, CF85IV, XF105
D164 лампа, подъемное приспособление в задней части автомобиля опущено
CF75IV, CF85IV, XF105
D165 лампа, подъемное приспособление в задней части автомобиля задействовано
CF75IV, CF85IV, XF105
D302 блок зажигания ксеноновой фары, левый
CF75IV, CF85IV, XF105
D303 блок зажигания ксеноновой фары, правый
CF75IV, CF85IV, XF105
D305 балластный блок, левый
CF75IV, CF85IV, XF105
D306 балластный блок, правый
D307 Антенна, GSM, 2-полосная
D308 1-я 3-полосная антенна GSM
D309 2-я 3-полосная антенна GSM
CF75IV, CF85IV, XF105
D310 ECU, VIC-2
D311 ECU, ATC
CF75IV, CF85IV, XF105
D313 ECU, подушка безопасности-2
D315 ECU управления двери со стороны водителя
CF75IV, CF85IV, XF105
D318 ECU системы Toll Collect
CF75IV, CF85IV, XF105
D319 радар системы Toll Collect
CF75IV, CF85IV, XF105
D320 ECU главного выключателя
CF75IV, CF85IV, XF105
D324 ECU системы DAF Telematics and Infotainment
CF75IV, CF85IV, XF105
D332 ECU, предупреждение о покидании полосы движения
CF75IV, CF85IV, XF105
D333 ECU системы камер
CF75IV, CF85IV, XF105
D335 ECU, приглушение звука, левый
CF75IV, CF85IV, XF105
D336 ECU, приглушение звука, правый
D342 блок, EAS-2
CF75IV, CF85IV, XF105
D343 ECU ATC
CF75IV, CF85IV, XF105
D345 антенна системы Toll Collect
CF75IV, CF85IV, XF105
D348 усилитель High End
CF75IV, CF85IV, XF105
D351 ECU, система адаптивного круиз-контроля
CF75IV, CF85IV, XF105
D355 ECU приглушения звука
D357 интардер EST-52, ECU
D358 ECU VIC-3
CF75IV, CF85IV, XF105
D367 ECU приглушения звука
CF75IV, CF85IV, XF105
D503 ECU, подъемное устройство
CF75IV, CF85IV, XF105
D529 ECU дистанционного управления ECAS
D609 диод, переключатель освещения
D610 диод, дальний/ближний свет
CF75IV, CF85IV, XF105
D611 диод, клапан амортизации подъемного устройства, опускание
CF75IV, CF85IV, XF105
D612 диод, клапан амортизации подъемного устройства, подъем
CF75IV, CF85IV, XF105
D613 диод, реле амортизации подъемного устройства, насос
CF75IV, CF85IV, XF105
D622 диод, подъемное устройство, блокировка, подъем
CF75IV, CF85IV, XF105
D623 диод, подъемное устройство, блокировка, опускание
CF75IV, CF85IV, XF105
D715 Система сигнализации, LED
D758 диод, подавление обратной связи на VIC
D759 диод, подавление обратной связи на стоп-сигналы
D782 Диод, стеклоочиститель
D783 диод, освещение ступенек
CF75IV, CF85IV, XF105
D850 ECU, ABS/ASR-D
CF75IV, CF85IV, XF105
D871 ECU ACH-EA
D878 центральный блок
D895 ECU 24 В/12 В 10 A
D899 ECU, DIP-4
CF75IV, CF85IV, XF105
D902 ECU, интардер, EST-42
D904 Главный переключатель меню
D905 ECU, CDS
CF75IV, CF85IV, XF105
D906 ECU, интерфейсный модуль
CF75IV, CF85IV, XF105
D907 ECU, переключатель скорости
CF75IV, CF85IV, XF105
D911 ECU сигнализации ALS-S
D912 Иммобилайзер ECU
D931 LED иммобилайзера
CF75IV, CF85IV, XF105
D932 ECU EMAS
D954 Модулятор AS Tronic
D965 ECU DMCI
CF75IV, CF85IV, XF105
D975 блок, EAS
CF75IV, CF85IV, XF105
D977 ECU, EBS-2
CF75IV, CF85IV, XF105
D978 модулятор, задняя ось
CF75IV, CF85IV, XF105
D979 ECU, ACH-EW
CF75IV, CF85IV, XF105
D992 ECU ECAS-4
D993 ECU модуля Body Builder
D994 часовая пружина
CF75IV, CF85IV, XF105
D996 ECU, рычаг переключения передач, модуль E
Компонент с кодом E
E023 предохранитель, DIP/тахометр
E043 предохранитель, ABS/EBS прицепа
E052 предохранитель, рабочий фонарь
CF75IV, CF85IV, XF105
E112 предохранитель, сигнальная лампа предпускового подогрева
E142 предохранитель, ACC до замка зажигания
CF75IV, CF85IV, XF105
E153 предохранитель, тахограф, ADR/SLP
E163 предохранитель, дополнительное оборудование после замка зажигания
CF75IV, CF85IV, XF105
E164 предохранитель, подогреватель топлива
CF75IV, CF85IV, XF105
E167 предохранитель, стартер
E168 предохранитель, дополнительное оборудование
CF75IV, CF85IV, XF105
E170 предохранитель, подогреватель топлива
CF75IV, CF85IV, XF105
E171 предохранитель, подогреватель топлива
E184 предохранитель, двигатель
CF75IV, CF85IV, XF105
E186 предохранитель, дополнительное оборудование, прицеп
CF75IV, CF85IV, XF105
E199 предохранитель, интардер ZF
E279 предохранитель, генератор E286 предохранитель, источник электропитания
E351 предохранитель, электрические системы
E357 предохранитель, EAS
E391 предохранитель, генератор
E392 предохранитель, предварительный обогрев (решетка)
E394 предохранитель, питание, предохранитель, блок, 3-ступенчатый
CF75IV, CF85IV, XF105
E420 предохранитель, выключатель зажигания
CF75IV, CF85IV, XF105
E430 предохранитель, прицеп
CF75IV, CF85IV, XF105
E431 предохранитель, гнездо 12 В
CF75IV, CF85IV, XF105
E436 предохранитель, тахограф, ADR/SLP
CF75IV, CF85IV, XF105
E507 переключатель, нагрузка на ось (10T)
E509 датчик давления системы кондиционирования воздуха
E511 переключатель, стоп-сигналы
E514 выключатель замка двери со стороны водителя
E515 выключатель замка двери со стороны второго водителя
CF75IV, CF85IV, XF105
E524 переключатель, подъемное устройство, концевой выключатель
E528 переключатель ящика для хранения инструментов, со стороны второго водителя
E529 переключатель ящика для хранения инструментов, со стороны водителя
E564 переключатель, тормоз двигателя
CF75IV, CF85IV, XF105
E566 переключатель термостата Airtronic
E570 Переключатель муфты PTO / N10
E575 переключатель муфты сцепления
CF75IV, CF85IV, XF105
E579 термостат дополнительного обогревателя
CF75IV, CF85IV, XF105
E580 таймер дополнительного обогревателя
CF75IV, CF85IV, XF105
E581 таймер дополнительного обогревателя
CF75IV, CF85IV, XF105
E584 переключатель, нагрузка на ось (7,5T)
CF75IV, CF85IV, XF105
E589 переключатель, ECAS, ведущая ось
E592 переключатель положения заднего хода
E593 переключатель нейтрального положения
E594 переключатель, нейтральное положение/положение заднего хода
E595 переключатель нижнего диапазона
CF75IV, CF85IV, XF105
E598 переключатель стояночного тормоза
E599 переключатель, нейтральное положение
CF75IV, CF85IV, XF105
E602 переключатель режима движения
CF75IV, CF85IV, XF105
E603 переключатель ящика для хранения инструментов, левый
CF75IV, CF85IV, XF105
E612 переключатель давления защиты кулисы
Компонент с кодом F
F000 Переключатель стояночного тормоза
F006 1-й переключатель межколесной блокировки
XF105
F007 переключатель продольной блокировки FTT
F038 2-й переключатель межколесной блокировки
XF105
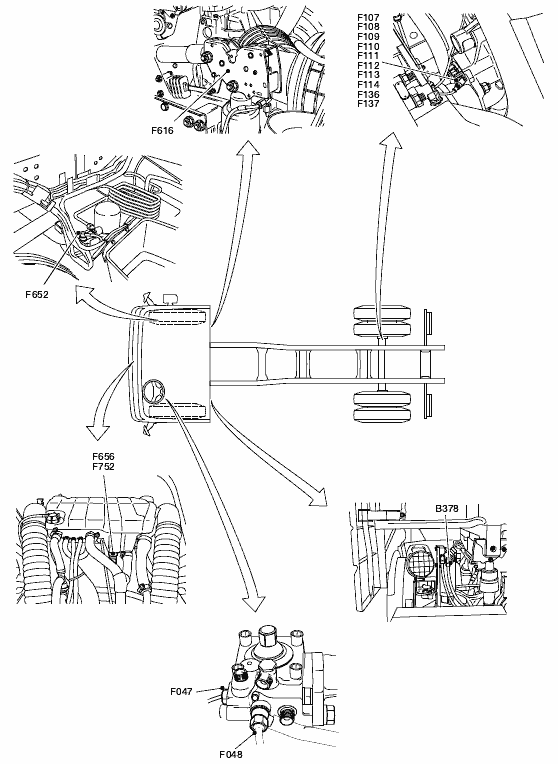
F047 переключатель системы рулевого управления 1
XF105
F048 переключатель системы рулевого управления 2
F087 Датчик состояния PTO 1
F088 Датчик состояния PTO 2
XF105
F097 переключатель, поддерживающая ось поднята
XF105
F107 датчик износа тормозных колодок 1-й передней оси, левый
XF105
F108 датчик износа тормозных колодок 1-й передней оси, правый
XF105
F109 датчик износа тормозных колодок 2-й передней оси, левый
XF105
F110 датчик износа тормозных колодок 2-й передней оси, правый
XF105
F111 датчик износа тормозных колодок 1-й задней оси, левый
XF105
F112 датчик износа тормозных колодок 1-й задней оси, правый
XF105
F113 датчик износа тормозных колодок 2-й задней оси, левый
XF105
F114 датчик износа тормозных колодок 2-й задней оси, правый
F118 датчик состояния делителя
XF105
F120 Переключатель, определение кулисы 3/4
F135 датчик давления воздуха PTO двигателя
XF105
F136 датчик износа тормозных колодок 3-й задней оси, левый
XF105
F137 датчик износа тормозных колодок 3-й задней оси, правый
XF105
F141 датчик давления воздуха, состояние PTO
F142 датчик состояния ремня безопасности FTT
F145 переключатель продольной блокировки, сдвоенный
XF105
F509 датчик температуры в кабине
F512 датчик скорости вращения левого колеса передней оси
F513 датчик скорости вращения правого колеса передней оси
F514 датчик скорости вращения левого колеса ведущей оси
F515 датчик скорости вращения правого колеса ведущей оси
F533 датчик, скорость автомобиля
XF105
F544 датчик температуры охлаждающей жидкости интардера
F552 датчик частоты вращения коленчатого вала
F558 датчик распределительного вала
F566 датчик температуры охлаждающей жидкости
F608 Датчик, уровень топлива
XF105
F612 Датчик высоты шасси на задней оси ECAS, левый
XF105
F613 Датчик высоты шасси на задней оси ECAS, правый
XF105
F614 Датчик высоты шасси на передней оси ECAS
XF105
F615 Датчик давления ведущей оси ECAS, правый
F616 датчик, замок кабины
XF105
F619 датчик системы сигнализации, замок кабины
XF105
F626 датчик, детектор воспламенения
XF105
F627 датчик, перегрев, дополнительный обогрев
XF105
F628 датчик, педаль тормоза
XF105
F649 датчик, давление наддува и температура воздуха на впуске
F651 датчик температуры окружающей среды
F652 датчик, давление воздуха
F656 датчик уровня охлаждающей жидкости
F672 датчик, педаль акселератора
F673 датчик уровня масла
XF105
F676 датчик, цилиндр откидывания, кабина
XF105
F686 Радарный датчик, система сигнализации
XF105
F687 датчик угла передней оси
XF105
F688 датчик угла поддерживающей оси
XF105
F691 комбинированный датчик, ACHE-A
XF105
F701 датчик угла поворота управляемых колес
XF105
F702 датчик модуля VSC
F705 датчик, скорость автомобиля
XF105
F713 датчик, давление и температура топлива
XF105, EAS
F718 датчик, температура отработавших газов после каталитического нейтрализатора EAS-2
F718 датчик, температура отработавших газов после каталитического нейтрализатора
XF105, EAS
F719 датчик, температура отработавших газов до каталитического нейтрализатора EAS-2
F719 датчик, температура отработавших газов до каталитического нейтрализатора
XF105, EAS
F723 датчик, температура/уровень AdBlue EAS-2
F723 датчик, темп./уровень AdBlue
F724 датчик уровня топлива 2
XF105
F731 датчик температуры масла
XF105
F734 датчик, охлаждающая жидкость, дополнительный обогрев
XF105
F735 Датчик давления ECAS, передний датчик
XF105
F736 Датчик давления ECAS, датчик ведущей оси, левый
XF105
F743 датчик, второй, температура охлаждающей жидкости
XF105
F744 датчик, давление и температура моторного масла
F745 датчик температуры в кабине с датчиком вентилятора
F746 датчик наружной температуры кабины
F747 датчик радиатора, температура обогревателя
XF105
F752 датчик, уровень охлаждающей жидкости
F754 датчик температуры системы кондиционирования воздуха
XF105
F758 датчик распознавания прицепа
XF105
F759 датчик давления контура центрирования PSY
XF105
F760 датчик давления рулевого управления PSX
XF105
F763 датчик, давление, EGR
F774 датчик, NOx, после каталитического нейтрализатора
XF105
F777 камера бокового вида
XF105
F780 камера переднего вида
F788 датчик, NOx, до каталитического нейтрализатора
XF105
F792 переключатель, поддерживающая ось поднята
F801 датчик давления топлива
F802 датчик давления наддува
F803 датчик температуры топлива
F804 датчик температуры наддува воздуха
F808 датчик температуры масла
F810 датчик давления масла
XF105
F814 датчик давления масла
F821 датчик, давление, EBL
Компонент с кодом G
XF105
G014 реле обогревателя решетки
G015 Контактное реле
G036 реле, стоп-сигнал
XF105
G052 реле, подъемное устройство, насос
XF105
G066 реле, подъемное устройство, передача контроля
XF105
G095 реле регулятора тягового усилия, выпуск воздуха
G126 реле питания
XF105
G170 реле вентилятора обогревателя ACH-EW
XF105
G203 реле, стартер, передача контроля
G236 реле очистителя ветрового стекла (скорость 1 или 2)
G237 реле очистителя ветрового стекла (положение "0")
G238 реле омывателя фар
XF105
G247 реле вентилятора обогревателя
G257 реле рециркуляции
G258 реле рециркуляции
XF105
G259 реле, PTO
G267 реле системы кондиционирования воздуха
G279 реле системы кондиционирования воздуха
G297 реле пневматической подвески кабины
G299 реле, дополнительное дорожное освещение
XF105
G301 реле, освещение для Швеции
XF105
G302 реле, освещение для Швеции
XF105
G328 реле, останов двигателя
G350 реле фонарей заднего хода
G351 реле, защита откидывания кабины
XF105
G360 реле, таймер, останов двигателя, 5 мин.
XF105
G371 реле, управление PTO
G372 реле, прерывание работы стартера
G377 реле электропитания дополнительного оборудования радиоприемника
XF105
G380 реле, подъемное устройство, подъем оси
XF105
G381 реле, подъемное устройство (7,5 T)
XF105
G421 Реле опускания направляющей задней оси ECAS
XF105
G422 Реле подъема направляющей задней оси ECAS
XF105
G423 Реле опускания направляющей задней оси ECAS
XF105
G424 Реле таймера опускания направляющей задней оси ECAS
G426 Контактное реле
XF105
G429 реле, работа двигателя, передача контроля
G462 Реле, рабочее освещение
XF105
G466 реле опускания заднего подъемного приспособления
XF105
G468 реле прерывателя запуска
XF105
G469 реле, включение тормоза
XF105
G488 реле сигнала Airglide
XF105
G493 реле передачи контроля
G497 реле ABS/EBS прицепа
G516 центральная точка "массы" в кабине
G523 центральная точка "массы" двигателя
XF105
G524 центральная точка "массы", элемент предпускового подогрева
G525 картер маховика, "масса"
G535 Блок распределения CAN
G736 центральное электропитание, кабина
G763 распределение питания в кабине
G769 центральная точка "массы" шасси
G808 электропитание через разъем
Компонент с кодом H
H000 разъем, переключатель ASR
XF105
H002 разъем, противотуманные фары
XF105
H004 разъем, реле, PTO (2x)
XF105
H005 разъем, реле, лампы для Швеции (2x)
XF105
H006 разъем, реле, ECAS (2x)
XF105
H007 разъем, реле, ECAS (2x)
H008 предохранитель, держатель
XF105
H009 предохранитель, держатель
H010 предохранитель, держатель
H011 предохранитель, держатель
H013 блок диодов, подъемное устройство H015 предохранитель, держатель
XF105
H017 предохранитель, держатель
XF105
H018 разъем лампы заднего подъемного приспособления
XF105
H019 разъем, реле, подъемное приспособление в задней части автомобиля
H020 разъем, реле, AGC-A
XF105
H023 разъем, реле, включение CAN
XF105
H029 разъем, управление стояночным тормозом
XF105
H034 разъем Royal Mail
XF105
H035 разъем Royal Mail H036 разъем, регулируемое седельно-сцепное устройство
XF105
H038 разъем, Airglide
XF105
H039 разъем, гидравлическая платформа
XF105
H041 разъем режима движения по бездорожью
XF105
H042 разъем, LDWA
Компонент с кодом I
XF105
I020 диод, защита выбора кулисы
I030 блок диодов, сигнал тормоза
XF105
I034 диод, амортизация, стоп-сигналы, реле
XF105
I035 блок диодов
XF105
I045 диод, ошибка EBS
I046 диод реле электродвигателя стартера
XF105
I050 диод, FCW, выключение звука громкоговорителей
Компонент с кодом L
XF105
L000 Клапан заправки аккумулятора SP041
XF105
L001 Пропорциональный клапан рулевого управления SP011
XF105
L002 Клапан сброса SP051
XF105
L003 Клапан аккумулятора SP071
XF105
L006 насос, регулировка уровня топлива
XF105
L012 компрессор кондиционера
XF105
L015 клапан управления стояночным тормозом
L024 оконечный резистор DTS
L025 электродвигатель стеклоподъемника с электронным управлением со стороны водителя
L026 электродвигатель стеклоподъемника с электронным управлением со стороны второго водителя
L030 насос регулировки уровня топлива
L031 сиденье, со стороны водителя
L032 сиденье, со стороны второго водителя
L036 громкоговоритель с двойной обмоткой
Компонент с кодом R
R000 реле, нейтральное положение коробки передач, AGC
R003 реле, CAN разомкн., вкл.
R006 реле, управление стояночным тормозом
R008 реле, двойной аккумулятор
R011 реле, стояночный тормоз
R012 реле, ECAS, откл.
R016 реле, таймер, интеллектуальные датчики CVSG
R024 реле, LDWA, функциональная лампа
R025 Реле, FCW, выключение звука громкоговорителей
Компонент с кодом S
S063 переключатель режима движения
Информация о расположении, центральный блок

Информация о расположении, двойной аккумулятор

Информация о расположении, соединения "массы"
XF105, XF105_BRA

Информация о расположении, ABS-D
Автомобиль, тип FAT

Автомобиль, тип FAD

Информация о расположении, ACC

Информация о расположении, AGS

Информация о расположении, подушка безопасности-2
XF105, XF105_BRA

Информация о расположении, система подачи воздуха
CF75IV, CF85IV, XF105

1. Устройство для обработки воздуха(2 )
2. Блок распределения воздуха, кабина
3. Перепускной клапан(1 )
4. Блок распределения воздуха, шасси(1 )
5. Редукционный клапан, управление коробкой передач(1 )
6. Устройство для обработки воздуха(1 )
7. Соединение для аварийного заполнения/проверки(2 )
8. Соединение для аварийного заполнения/проверки(1 )
9. Редукционный клапан(2 )
10. Блок распределения воздуха, шасси(2 )
11. Перепускной клапан(2 )
12. Редукционный клапан, управление PTO двигателя MX
(1) В случае с быстрым маршрутом
(2) В случае со стандартным маршрутом
CF85IV, XF105, FAR
Дополнительные компоненты при использовании пневмоподвески с ECAS и рабочим давлением 12 бар
Автомобилям XF105 FAR с пневмоподвеской ECAS и рабочим давлением 12 бар.
Неделя спецификации не ранее 49 недели 2010 г.
Автомобилям CF85IV FAR с пневмоподвеской ECAS и рабочим давлением 12 бар.
Неделя спецификации не ранее 13 недели 2011 г.

1 Перепускной клапан
2 Клапан ограничителя давления
Информация о расположении, Airtronic (ACH-EA)

Информация о расположении, ALS-S

Информация о расположении, AS Tronic
XF105

Информация о расположении, аудиосистема
CF75IV, CF85IV, XF105

Информация о расположении, система подъема поддерживающей оси FTM

Информация о расположении Body Builder Module (BBM), кабина

Информация о расположении, электронный модуль Body Builder Module (BBM)

Информация о расположении, обогреватель кабины

Информация о расположении, подвеска кабины, кабина

Информация о расположении, подвеска кабины, шасси

Информация о расположении, система откидывания кабины, кабина

Информация о расположении, система откидывания кабины, шасси

Согласующие резисторы V-CAN1

Согласующие резисторы V-CAN2

Согласующие резисторы D-CAN

Согласующие резисторы I-CAN

Согласующие резисторы BB-CAN

Информация о расположении, CDS-3

Информация о расположении, система камер

- A. Камера заднего вида
- B. Дополнительная камера (например, камера наблюдения)
- C. Переключатель
- D Система навигации
Информация о расположении, система DAF Telematics and Infotainment (DTS)

Информация о расположении, модуль двери

Информация о расположении, DMCI, двигатель

Информация о расположении, DMCI, кабина и шасси

Информация о расположении, DMCI, двигатель 1

Информация о расположении, DMCI, двигатель 2

Информация о расположении, DMCI, кабина и шасси
CF85IV, XF105

Информация о расположении, модуль двери: элементы
управления зеркалами и стеклами

Информация о расположении, ведомые оси

Информация о расположении, двойной аккумулятор

Информация о расположении, EAS

Информация о расположении, EAS-2

Информация о расположении, EBS-2

Информация о расположении, ECAS-4

Информация о расположении, EMAS, электрические компоненты
XF105

Информация о расположении, EMAS, механические компоненты
CF85IV, XF105, FAN


1. Насос
2. Резервуар
3. Аккумулятор
4. Цилиндр
5. Клапан регулирования расхода жидкости (только FAN)
Информация о расположении, обогреватель, система кондиционирования воздуха и ATC (Автоматический контроль температуры)
XF105, XF105_BRA

Информация о расположении, Hydronic 10 (ACH-EW)

Информация о расположении, иммобилайзер

Информация о расположении, LDWA
Информация о расположении относится к:
XF105, неделя спецификации не позднее 24 недели 2009 г.

XF105, неделя спецификации не ранее 25 недели 2009 г.

Информация о расположении, оплетка проводки двигателя, двигатель MX




Информация о расположении, сиденья

Информация о расположении, переключатели на рулевом колесе (SWS)

Информация о расположении, переключатели на консоли крыши
XF105

Информация о расположении, тахограф, B525, E023, F533

Информация о расположении, телефонный интерфейс

Информация о расположении, система подъема поддерживающей оси

Информация о расположении, VIC-2, кабина

Информация о расположении, VIC-2, шасси 1

Информация о расположении, VIC-2, шасси 2

Информация о расположении, VIC-3, кабина

Информация о расположении, VIC-3, очиститель/омыватель ветрового стекла

Информация о расположении, VIC-3, сигналы скорости

Информация о расположении, VIC-3, сигналы состояния

Информация о расположении, VIC-3, предупреждающие сигналы

Информация о расположении, ксеноновые фары

Информация о расположении, интардер ZF, EST-42

Информация о расположении, интардер ZF, EST-52

Информация о расположении, другие датчики, переключатели и компоненты

