См. также:
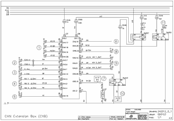
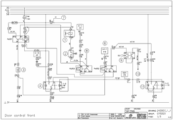
Электросхема автобуса BOVA Magiq




Просматривать и распечатывать в высоком качесте полную информацию
могут только пользователи
Подписывайтесь на наш канал в Telegram и будьте всегда в курсе самых последних сообщений и публикаций с сайта. |



