Электросхемы RENAULT Magnum

ПИТАНИЕ / ПУСК
2111 - Аккумуляторная батарея (батареи)
2121 - Реле питания после контакта
2165 - Общий выключатель
2211 - Стартер
2212 - Пусковое реле
2261 - Противоугонное устройство и электрический пуск
8216 - Контрольная лампа давления масла
8227 - Реле давления масла
8267 - Манометрический выключатель аварийного сигнала масла
8466 - Контакт нейтрального положения коробки передач

ПИТАНИЕ / ПУСК / ПРЕДВАРИТЕЛЬНЫЙ НАГРЕВ
2121 - Реле питания после контакта
2200 - Электронный блок с противоугонным устройством
2219 - Антенна ответчика
2220 - Ключ ответчика
2221 - Сигнальная лампа "Информация" электронного противоугонного устройства
2261 - Противоугонное устройство и электрический пуск
2311 - Генератор
2314 - Контрольная лампа зарядки батареи
2411 - Резисторы предпускового нагрева
2414 - Реле предпускового нагрева
2418 - Контрольная лампа предпускового нагрева
2461 - выключатель предпускового нагрева двигателя
7111 - Тахометр
9205 - Вычислительное устройство‘VMAC”

РЕЗЕРВНОЕ ПИТАНИЕ / РОЗЕТКИ ПРИЦЕПОВ
1121 - Резерв
1125 - Электрический блок на шасси
1220 - Верхняя выдвижная попка кабины
1229 - Соединительный блок шасси-кабина
1621 - Масса
2113 - Штепсельная розетка прицепа 7-контактная THna"24N“
2114 - Штепсельная розетка прицепа 7-контактная типа "24Р"
2115 - Штепсельная розетка прицепа 7-контакткая типа “24S"
2116 - Штепсельная розетка прицепа 7-контактная (для системы “АБС")
2122 - Электропитание прицепа + 24 В
2141 - Резервное питание (для освещения)
2142 - Резервное питание (после контакта ключа стартера)
2146 - Резервное питание (масса)
2147 - Резервное питание (после общего выключателя)
2157 - Резервное питание (для видео)
2158 - Резервные репе питания
3313 - Фонари указателей правого поворота прицепа
3314 - Фонари указатепей левого поворота прицепа
3515 - Противотуманный фонарь прицепа
3522 - Стоп-сигналприцепа
3523 - Стоп-сигнал прицепа (замедлитель на выхлопе)
3634 - Габаритные фонари прицепа
3727 - Стояночный фонарь прицепа правый
3728 - Стояночный фонарь прицепа левый
5511 - Подсветка клапанов
6326 - Фонарь заднего хода прицепа
7524 - Розетка "SAE"
8013 - Контрольная лампа системы АБС прицепа

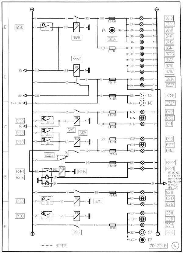
ОСВЕЩЕНИЕ
3511 - Противотуманный фонарь (или фонари)
3513 - Реле противотуманного фонаря (или фонарей
3515 - Противотуманный фонарь прицепа
3517 - Контрольная лампа противотуманного фонаря (или фонарей)
3611 - Габаритный Фонарь передний правый
3612 - Габаритный фонарь передний левый
3613 - Стояночный фонарь передний правый
3614 - Стояночный фонарь передний левый
3618 - Релестояночных фонарей
3634 - Габаритные фонари прицепа
3662 - Реле освещения
3714 - Габаритный сЬонарь задний левый
3715 - Габаритный фонарь задний правый
3716 - Габаритный фонарь центральный левый
3717 - Габаритный фонарь центральный правый
3725 - Стояночный фонарь задний правый
3726 - Стояночный фонарь задний левый
3727 - Стояночный фонарь прицепа правый
3728 - Стояночный фонарь прицепа левый
6111 - Фара ближнего света правая
6112 - Фара ближнего света левая
6113 - Фара дальнего света правая
6114 - Фара дальнего света левая
6119 - Репе фар ближнего света
6121 - Реле фар дальнего света
6123 - Контрольная пампа фар дальнего света
6130 - Переключатель освещения
А - габаритные фонари (подфарники)
В - ближний свет фар
С - дальний сеет фар
О - световой сигнализатор
Е - звуковой сигнализатор
F - указатель поворота
G - противотуманные фары
Н - противотуманный фонарь
6132 - Контрольная лампа фар ближнего света
6211 - Противотуманный прожектор левый
6212 - Противотуманный прожектор
6214 - Реле противотуманных фар
6215 - Реле фар дальнего света
6216 - Контрольная лампа фар дальнего света
6218 - Контрольная лампа противотуманных фар
6221 - Прожектор дальнего света правый
6222 - Прожектор дальнего света левый
6223 - Шунт (без прожекторов дальнего света)
6261 - Выключатель фар дальнего света
6527 - Подсветка выключателей
6534 - Подсветка приборов панвпи

СИГНАЛИЗАЦИЯ
1229 - Соединительный блок шасси-кабина
3101 - Блок-переключатель указателей поворота
3117 - Мигающая контрольная лампа "грузовик" или "тягач"
3118 - Мигающая контрольная пампа прицепа
3119 - Контрольная лампа аварийного сигнала
3161 - Кнопка управления аварийным сигналом
3211 - Передний указатель правого поворота
3212 - Передний указатель левого поворота
3213 - Боковой указатель правого поворота
3214 - Боковой указатель левого поворота
3311 - Задний указатель правого поворота
3312 - Задний указатель левого поворота
3313 - Фонари указателей правого поворота прицепа
3314 - Фонари указателей левого поворота прицепа
3410 - Электроклапан сирены на крыше
3411 - Звуковой сигнал
3512 - Реле стоп-сигналов
3520 - Стоп-сигналлевый
3521 - Стоп-сигнал правый
3522 - Стоп-сигналприцепа
6130 - Переключатель освещения
А - габаритные фонари (подфарники)
В - бпижний свет фар
С - дальний сеет фар
D - световой сигнализатор
Е - звуковой сигнализатор
F - указатель поворота
G - противотуманные фары
Н - противотуманный фонарь
6140 - Фонари дневного света
6321 - Фонарь сигнала заднего хода правый
6322 - Фонарь сигнала заднего хода левый
6326 - Фонарь заднего хода прицепа
8160 - Выключатель стоп-сигнала
8472 - Выключатель фонарей заднего хода

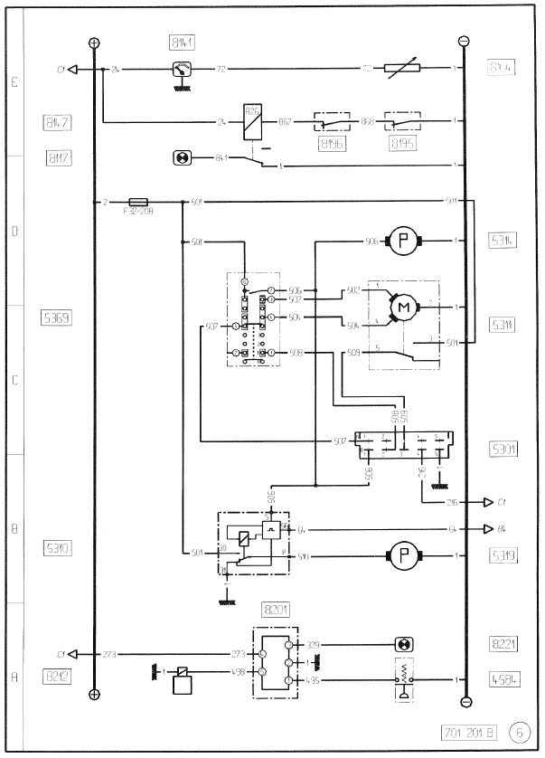
СТЕКЛООЧИСТИТЕЛИ / СТЕКЛООМЫВАТЕЛИ И ФАРЫ ЦЕНТРАЛИЗОВАННАЯ СМАЗКА
4584 - Датчик давления в системе централизованной смазки
5301 - Тактовая схема стеклоочистителя
5310 - Реле времени цепи управления омыеателями фар
5311 - Двигательстеклоочистителя (стеклоочистителей)
5314 - Насос стекгюомывателя (стеклоомывателей)
5319 - Насос омывателей фар
5369 - Выключатель стеклоочистителей / стеклоомывателей / омывателей фар
8104 - Датчик давления воздуха передний
8117 - Контрольная лампа износа тормозных колодок
8141 - Указатель давления воздуха передний
8147 - Реле сигнала износа фрикционных накладок
8195 - Выключатель сигнала износа тормозных накладок левого тормоза
8196 - Выключатель сигнала износа тормозных накладок правого тормоза
8201 - Реле времени системы централизованной смазки
8212 - Электроклалан централизованной смазки
8221 - Контрольная лампа централизованной смазки

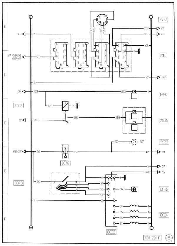
ПАНЕЛЬ ПРИБОРОВ ГЛАВНЫЙ ДИСПЛЕЙ
1119 - Реостат освещения панели приборов
2314 - Контрольная лампа зарядки батареи
3117 - Мигающая контрольная лампа ’грузовик" или "тягач”
3118 - Мигающая контрольная пампа прицепа
3411 - Звуковой сигнал
3517 - Контрольная лампа противотуманного фонаря (или фонарей)
4566 - Датчикнаружной температуры
6123 - Контрольная лампа фар дальнего света
6132 - Контрольная лампа фар ближнего света
6531 - Подсветка дисплея
6535 - Подсветка указателя уровня масла
7111 - Тахометр
7313 - Указатель температуры воды
7317 - Указатель уровня и давления масла
7362 - Датчик температуры в контуре охлаждения двигателя
7411 - Указательуровня топлива
7462 - Датчик уровня топлива в баке
7521 - Аварийный сигнализатор “DANGER” ( "Опасно, немедленно остановить")
7522 - Контрольная лампа “SERVICE"
7614 - Главный дисплей
8035 - Контрольная лампа электрозамедлителя
8105 - Датчик давления воздуха задний
8115 - Контрольная пампа стояночного тормоза
8123 - Сигнализатор неисправности пневмосистемы
8138 - Указатель давления воздуха тормозной системы
8165 - Манометрический выключатель воздуха задних тормозов
8166 - Манометрический выключатель воздуха передних тормозов
8174 - Мановыкпючатель воздуха стояночного тормоза и тормоза прицепа
8178 - Манометрический выключатель сигнализатора стояночного тормоза
8216 - Контрольная лампа давления масла
8217 - Контрольная лампа воды контура охлаждения двигателя
8254 - Аварийный сигнализатор масла сервопривода рулевого управления
8268 - Термоконтакт аварийного сигнала температуры в контуре охлаждения
8284 - Манометрический выключатель сигнализатора масла серворуля
8424 - Контрольная лампа демультипликатора
8466 - Контакт нейтрального положения коробки передач
8473 - Контакт на малых передачах
9510 - Аварийный сигнализатор системы торможения автопоезда

ПАНЕЛЬ ПРИБОРОВ ДОПОЛНИТЕЛЬНЫЙ ДИСПЛЕЙ
2221 - Сигнальная лампа Информация" электронного противоугонного устройства
2418 - Контрольная лампа предпускового нагрева
6218 - Контрольная лампа противотуманных фар
6315 - Контрольная лампа рабочего прожектора
7615 - Вторичный дисплей
7960 - Манометрический выключатель на самоустанавливающейся оси
8011 - Контрольная лампа системы АБС
8013 - Контрольная лампа системы АБС прицепа
8020 - Контрольная лампа пробуксовки колес или включения системы “ASFT
8117 - Контрольная лампа износа тормозных колодок
8218 - Контрольная лампа засорения воздушного фильтра
8221 - Контрольная лампа централизованной смазки
8225 - Аварийный сигнализатор уровня воды охлаждения двигателя
8262 - Датчик засорения воздушного фильтра
8317 - Контрольная лампа блокировки межосевого дифференциала
8318 - Контрольная лампа блокировки межколесного дифференциала
8319 - Контрольная лампа отбора мощности
8364 - Контакт на блокировке межколесного дифференциала
8365 - Контакт на блокировке межосевого дифференциала
8366 - Контакт на отборе мощности
8522 - Контрольная лампа подвески
8523 - Аварийная контрольная лампа подвески
8528 - Контрольная лампа самоустанавливаюшейся оси
9266 - Сигнализатор "информация" и контрольный тест "VMAC"
9511 - Сигнализатор неисправности системы торможения тягача

СКОРОСТЬ АВТОМОБИЛЯ
3523 - Стоп-сигнал прицепа (замедлитель на выхлопе)
7114 - Электронный тахограф
7935 - Электроклапан выпускного тормоза “J"
7938 - Реле выпускного тормоза "J”
8032 - Блок реле электрозамедпителя
8034 - Электрозамедлитель
8035 - Контрольная пампа электрозамедпителя
8070 - Привод электрозамедпителя
8076 - Ножной выключатель замедлителя на выпуске
8150 - Электроклапан замедлителя на выпуске
8461 - Датчик скорости автомобиля

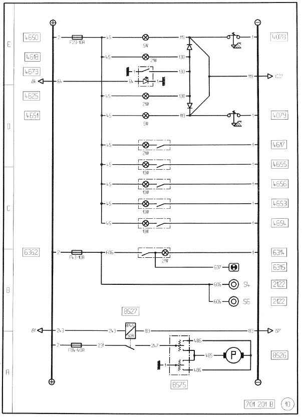
ОСВЕЩЕНИЕ И ОПРОКИДЫВАНИЕ КАБИНЫ
2122 - Электропитание прицепа + 24 В
4078 - Контакт двери со стороны водителя
4079 - Контакт двери со стороны пассажира
4617 - Плафон над верхней кушеткой
4618 - Плафон водителя
4625 - Плафон пассажира
4650 - Подсветка ступеньки со стороны водителя
4651 - Подсветка ступеньки со стороны пассажира
4653 - Лампа для чтения карт со стороны водителя
4654 - Лампа для чтения карт со стороны пассажира
4655 - ПласЬон нижней кушетки правый
4656 - Пласрон нижней кушетки левый
4673 - Выключатель плафонов водителя и пассажира
6314 - Рабочий прожектор (тягача)
6315 - Контрольная лампа рабочего прожектора
6362 - Выключатель рабочего прожектора
8526 - Привод опрокидывания кабины
8527 - Реле опрокидывания кабины
8575 - Выключатель опрокидывания кабины

ЭЛЕМЕНТЫ КОМФОРТА КАБИНЫ
4133 - Электропривод противосолнечной шторки лобового стекла
4135 - Электропривод аэратора крыши
4140 - Двигатель солнцезащитной шторки боковой пассажира
4141 - Двигатель солнцезащитной шторки боковой водителя
4160 - Выключатель электропривода аэратора крыши
4175 - Выключатель противосолнечной шторки лобового с текла
4177 - Выключатель боковой противосолнечной шторки со стороны пассажира
4178 - Выключатель боковой противосолнечной шторки со стороны водителя
4180 - Кнопка привода солнцезащитной шторки боковой водителя
4311 - Привод стеклоподъемника окна водителя
4312 - Привод стеклоподъемника окна пассажира
4361 - Управление стеклоподъемником окна водителя
4362 - Управление стеклоподъемником окна пассажира
4365 - Управление стеклоподъемником окна пассажира (на стороне водителя)
4826 - Холодильник

ЭЛЕМЕНТЫ КОМФОРТА КАБИНЫ
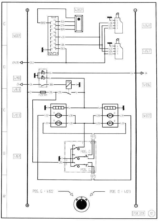
4001 - Блок централизованной блокировки дверей
4047 - Электрический замок со стороны пассажира
4048 - Электрический замок со сюроны водителя
4052 - Приемник инфракрасных сигналов
4118 - Контрольная лампа зеркал заднего вида с размораживанием
4122 - Поворотное зеркало заднего виса для водителя с размораживанием
4123 - Поворотное зеркало заднего вида для пассажира с размораживанием
4126 - Реле размораживания зеркал заднего вида
4161 - Выключатель ориентации наружного зеркала (зеркал) заднего вида
4163 - Выключатель размораживания зеркал заднего вида

ЭЛЕМЕНТЫ КОМФОРТА КАБИНЫ
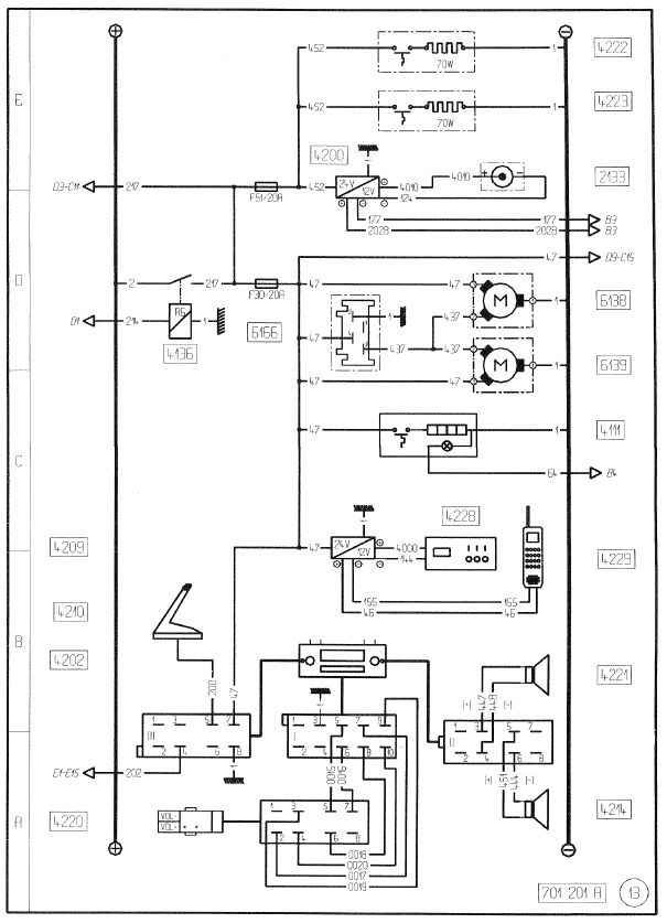
2133 - Розетка 12 В
4111 - Прикуриватель
4136 - Реле элементов дополнительного комфорта
4200 - Понижающий трансформатор (розетка 12 вольт)
4202 - Радиоприемник
4209 - Понижающий трансформатор
4210 - Антенна
4214 - Громкоговоритель водителя
4220 - Дистанционное управление радиоприемником
4221 - Громкоговоритель пассажира
4222 - Нагреваемое сиденье водителя
4223 - Нагреваемое сиденье пассажира
4228 - Радиостанция УКВ
4229 - Телефон
6138 - Двигатель регулировки положени левой фары
6139 - Двигатель регулировки положения правой фары
6166 - Выключатель регулировки фар

СИСТЕМА ЭЛЕКТРОННОГО УПРАВЛЕНИЯ ВПРЫСКОМ (VMAC)
2150 - Резервное питание (датчик давления турбокомпрессора}
2218 - Реле остановки двигателя (при опрокидывании кабине)
2266 - Выключатель остановки двигателя (при опрокидывании кабине)
3411 - Звуковой сигнал
5268 - Выключатель регулятора скорости и оборотов двигателя
5269 - Привод регулировки регулятора скорости и оборотов двигателя
5270 - Шунт ограничения скорости в экспортных модификациях
6535 - Подсветка указателя уровня масла
7317 - Указатель уровня и давления масла
7362 - Датчик температуры в контуре охлаждения двигателя
7368 - Датчик давления масла
7519 - Штепсельная розетка для диагностики
8169 - Манометрический выключатель стояночного тормоза
8217 - Контропьная лампа воды контура охлаждения двигателя
8225 - Аварийный сигнализатор уровня воды охлаждения двигателя
8261 - Датчик скорости вращения двигателя
8272 - Датчик уровня воды охлаждения двигателя
8275 - Датчик уровня масла в двигателе
8286 - Датчик температуры наддувочного воздуха
8366 - Контакт на отборе мощности
8466 - Контакт нейтрального положения коробки передач
8644 - Контактор сцепления
9205 - Вычислительное устройство “VMAC”
9217 - Реле питания вычислительного устройства "VMAC"
9218 - Эпекгрокпапан опережения впуска “ECONOVANCE "
9219 - Привод зубчатой рейки ТНВД
9227 - Датчик положения педали акселератора
9262 - Датчик режима ТНВД
9265 - Датчик положения зубчатой рейки ТНВД
9266 - Сигнализатор "информация” и контрольный тест "VМАС"

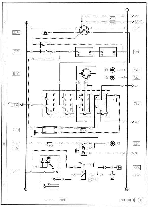
ОБОРУДОВАНИЕ МОДИФИКАЦИИ RTMDR
1621 - Масса
2111 - Аккумуляторная батарея (батареи)
2171 - Общий выключатель в модификациях "RTMOR”
2261 - Противоугонное устройство и электрический пуск
2311 - Генератор
2314 - Контрольная лампа зарядки батареи
5511 - Подсветка клапанов
5512 - Контрольная лампа подсветки клапанов в модификации RTMDR
5561 - Выключатель подсветки клапанов
7100 - Ограничитель тока
7114 - Электронный тахограф
8216 - Контропьная лампа давления масла
8227 - Репе давления масла
8267 - Манометрический выключатель аварийного сигнала масла
8461 - Датчик скорости автомобиля

ОБОРУДОВАНИЕ ABS / ASR
7519 - Штепсельная розетка для диагностики
8001 - Вычислительное устройство для системы “ABS-ASR”
8011 - Контрольная лампа системы АБС
8014 - Электроклапан системы АБС передний левый
8015 - Электроклапан системы АБС передний правый
8016 - Электроклапан системы АБС задний левый
8017 - Электрокпапан системы АБС задний правый
8020 - Контрольная лампа пробуксовки колес или включения системы ‘‘ASR’’
8021 - Реле электроклапанов системы "ABS/ASR" (Передн. прав. / Задн. лев.)
8022 - Реле электроклапанов системы "ABS/ASR" (Передн. лев. / Задн. прав.)
8023 - Реле включения системы АБС
8036 - Реле отключения электрозамедлителя
8038 - Электроклапан системы ASR левый
8039 - Электроклапан.системы ASR правый
8046 - Шунт (без АБС)
8060 - Выключатель системы противоскольжения
8061 - Датчик системы АБС передний левый
8062 - Датчик системы АБС передний правый
8063 - Датчик системы АБС задний левый
8064 - Датчик системы АБС задний правый
8070 - Привод эпектрозамедлителя
8076 - Ножной выключатель замедлителя на выпуске
8601 - Вычислительное устройство TBV
9205 - Вычислительное устройство “VMAC"

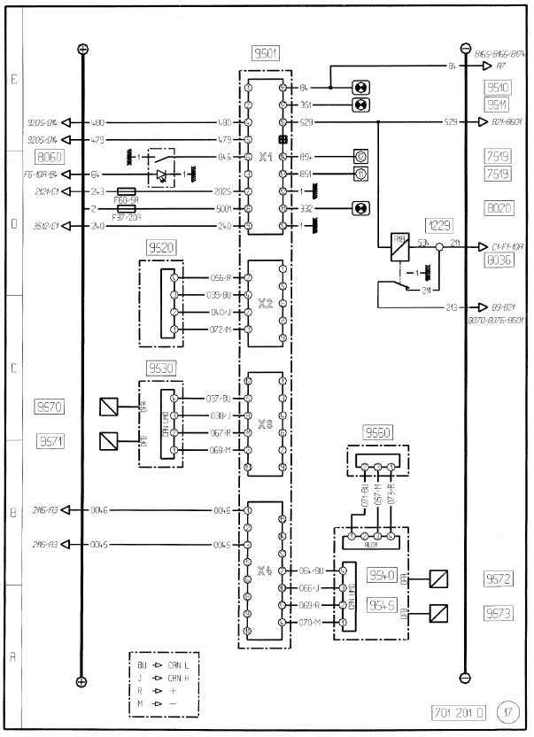
ОБОРУДОВАНИЕ EBS
1229 - Соединительный блок шасси-кабина
2116 - Штепсельная розетка прицепа 7-контактная (для системы “АБС ’’)
2121 - Реле питания после контакта
3512 - Реле стоп-сигналов
7519 - Штепсельная розетка для диагностики
8020 - Контрольная лампа пробуксовки колес или включения системы “ASR”
8036 - Реле отключения электрозамедлителя
8060 - Выключатель системы противоскольжения
8070 - Привод элекгрозамедпителя
8076 - Ножной выключатель замедлителя на выпуске
8165 - Манометрический выключатель воздуха задних тормозов
8166 - Манометрический выключатель воздуха передних тормозов
8174 - Мановыключатель воздуха стояночного тормоза и тормоза прицепа
8601 - Вычислительное устройство “TBV "
9205 - Вычислительное устройство "VMAC"
9501 - Вычислительное устройство "EBS”
9510 - Аварийный сигнализатор системы торможения автопоезда
9511 - Сигнализатор неисправности системы торможения тягача
9520 - Кран тормоза
9530 - Передний блок
9540 - Правый канал заднего блока (мост)
9545 - Левый канал заднего блока (мост)
9560 - Датчик давления “EBS” в подушках заднего моста
9570 - Датчи к скорости колеса переднего левого
9571 - Датчик скорости колеса переднего правого
9572 - Датчик скорости колеса заднего левого
9573 - Датчик скорости колеса заднего правого

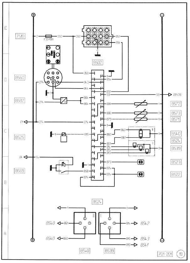
ПОДВЕСКА АВТОМОБИЛЯ (027 -4x2)
7519 - Штепсельная розетка для диагностики
8502 - Вычислительное устройство подвески
8522 - Контрольная лампа подвески
8523 - Аварийная контрольная лампа подвески
8524 - Блок электроклапанов задней подвески
8525 - Блок электроклапанов передней подвески
8541 - Главный электроклапан подушек задней подвески
8542 - Эпектроклалан правой задней подушки подвески
8543 - Электроклапан левой задней подушки подвески
8560 - Пульт дистанционного управления
8571 - Передний датчик уровня подвески
8572 - Задний правый датчик уровня подвески
8573 - Задний левый датчик уровня подвески

ПОДВЕСКА АВТОМОБИЛЯ (044 - 6x2 / 6x4)
7519 - Штепсельная розетка для диагностики
8502 - Вычислительное устройство подвески
8522 - Контрольная лампа подвески
8523 - Аварийная контрольная лампа подвески
8524 - Блок электроклаланов задней подвески
8525 - Блок электрокпапанов передней подвески
8539 - Блок электрокпапанов задней подвески (мост)
8540 - Блок электрокпапанов задней подвески (ось)
8541 - Главный электроклапан подушек задней подвески
8542 - Электроклапан правой задней подушки подвески
8543 - Электроклапан левой задней подушки подвески
8560 - Пульт дистанционного управления
8569 - Привод перераспределителя нагрузки на ось
8571 - Передний датчик уровня подвески
8572 - Задний правый датчик уровня подвески
8573 - Задний левый датчик уровня подвески
8582 - Датчик давления подушек заднего моста

САМОУСТАНАВЛИВАЮЩАЯСЯ ОСЬ
7519 - Штепсельная розетка для диагностики
8501 - Блок реле времени перераспределителя нагрузки на ось
8502 - Вычислительное устройство подвески
8522 - Контрольная лампа подвески
8523 - Аварийная контрольная лампа подвески
8525 - Блок электроклапанов передней подвески
8540 - Блок электроклапанов задней подвески (ось)
8541 - Главный электроклапан подушек задней подвески
8542 - Электроклапан правой задней подушки подвески
8543 - Электроклапан левой задней подушки подвески
8544 - Электроклапан самоустанавливающейся оси
8545 - Реле времени самоустанавливающейся оси
8546 - Реле аварийного отключения самоустанавливающейся оси
8560 - Пульт дистанционного управления
8569 - Привод перераспределителя нагрузки на ось
8570 - Датчикдавления подъемной подушки
8571 - Передний датчик уровня подвески
8572 - Задний правый датчик уровня подвески
8573 - Задний левый датчик уровня подвески
8574 - Манометрический выключатель аварийного сигнала воздуха пневмоподвески
8576 - Датчик давления левой пневмолодушки моста
8577 - Датчик давления правой пневмоподушки моста
8578 - Датчик давления левой пневмоподушки подъемной оси
8579 - Датчик давления правой пневмоподушки подъемной оси

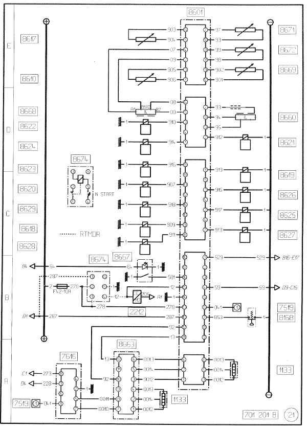
ДИСТАНЦИОННОЕ УПРАВЛЕНИЕ КОРОБКОЙ ПЕРЕДАЧ
1133 - Резистор
2212 - Пусково реле
7519 - Штепсельная розетка для диагностики
7616 - Матричный дисплей
8168 - Манометрический выключатель воздуха вспомогательных контуров
8601 - Вычислительное устройство "TBV "
8610 - Датчик сцепления
8617 - Датчик заднего реле
8618 - Электроклапан задней передачи
8619 - Электроклапан нейтрального положения
8620 - Электроклапан первой медленной передачи “CRAWLER "
8621 - Эпектроклапан переднего репе медленных скоростей
8622 - Эпектроклапан переднего репе быстрых скоростей
8623 - Эпектроклапан заднего реле медленных скоростей
8624 - Эпектроклапан заднего реле быстрых скоростей
8625 - Электроклапан первой передачи
8626 - Эпектроклапан второй передачи
8627 - Эпектроклапан третьей передачи
8628 - Эпектроклапан четвертой передачи
8629 - Эпектроклапан “DELTA 2"
8660 - Датчик скорости "на входе" коробки передач
8663 - Рычаг управления коробки передач
8667 - Выключатель "заднии ход с ограничением"
8668 - Датчи к переднего репе
А1 = "медленная передача"
А2 - питание (+ )
В1 * "быстрая передача”
В2 ■ питание (-)
8669 - Датчик "DELTA 2”
8671 - Датчик "первая - вторая"
8672 - Датчик "третья - четвертая"
8674 - Аварийный выключатель “TBV” (в модификации RTMDR )

АВТОНОМНЫЙ ОТОПИТЕЛЬ “D1LCC/D3ICC"
4422 - Автономный отолитель “D1LCC/D3LCC”
4466 - Выключатель автономного отопителя
4469 - Программируемое управление автономным отопителем
4487 - Вариатор температуры
4919 - Насос подачи топлива
4939 - Шунт (автономный отопитель “RTMDR”)
7519 - Штепсельная розетка для диагностики

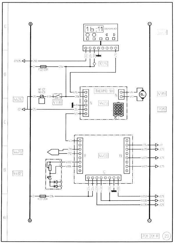
АВТОНОМНЫЙ ОТОПИТЕЛЬ “Thermo 90”
1229 - Соединительный блок шасси-кабина
4403 - Блок управления вентиляцией
4423 - Автономный отопитель "Thermo 90 "
4426 - Элекгроклапан главного водяного контура
4469 - Программируемое управление автономным отопителем
4470 - Датчик внутренней температуры
4487 - Вариатор температуры
4919 - Насос подачи топлива
4938 - Выключатель главного электроклапана контура охлаждения
7519 - Штепсельная розетка для диагностики

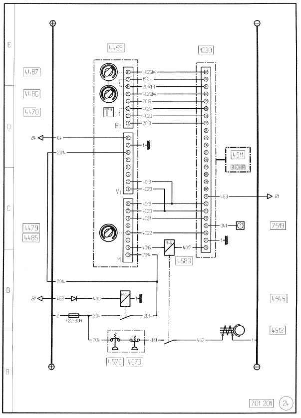
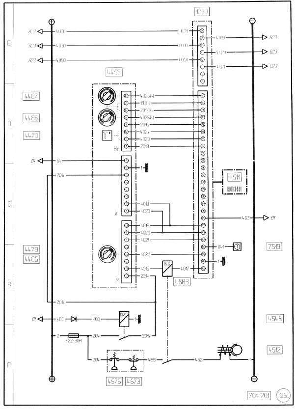
КОНДИЦИОНИРОВАНИЕ ВОЗДУХА
1230 - Проходная втулка
4459 - Панель управления вентиляцией
4470 - Датчик внутренней температуры
4479 - Привод вентиляции кабины
4485 - Привод принудительной циркуляции воздуха в кабине
4486 - Привод распределения воздуха в кабине
4487 - Вариатор температуры
4511 - Отопление и вентиляция
4512 - Компрессор установки кондиционирования
4545 - Реле кондиционирования воздуха
4573 - Прессостат низкого давления
4576 - Прессостат высокого давления
4583 - Реле компрессора кондиционера

КОНДИЦИОНИРОВАНИЕ ВОЗДУХА
АВТОНОМНЫЙ ОТОПИТЕЛЬ “Thermo 90”
1230 - Проходная втулка
4459 - Панель управления вентиляцией
4470 - Датчик внутренней температуры
4479 - Привод вентиляции кабины
4485 - Привод принудительной циркуляции воздуха в кабине
4486 - Привод распределения воздуха в кабине
4487 - Вариатор температуры
4511 - Отоплениеи вентиляция
4512 - Компрессор установки кондиционирования
4545 - Реле кондиционирования воздуха
4573 - Прессостат низкого давления
4576 - Прессостат высокого давления
4583 - Реле компрессора кондиционера