Автономный жидкостный отопитель Eberspacher D9W
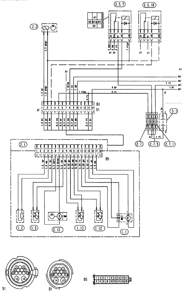
Электромонтажная схема / отопитель штатного исполнения
2S1815 / 251816

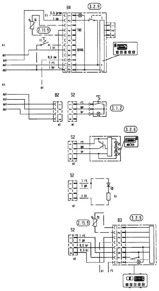
Жгут проводов и органы управления штатного исполнения - 251815 / 251816

Перечень деталей
- 1.1 Мотор горелки
- 1.2 Свеча накаливания
- 1.5 Датчик перегрева
- 1.12 Индикатор пламени
- 1.13 Датчик температуры
- 2.1 Блок управления
- 2.2 Дозировочный насос
- 2.5.7 Реле для включения вентилятора автомобиля
- 2.5.10 Реле переключения житкостного цикла
- 2.7 Главный предохранитель
- 2.7.1 Предохранитель запуска
- 2.7.5 Предохрвнитель вентилятора автомобиля на 25А
- 2.12 Водяной насос
- 2.15.9 Датчик наружной температуры
- 3.1.2 Выключатель (отопление)
- 3.2 5 Таймер
- 3.2.6 Мини-таймер
- 3.2.9 Таймер
- 5.1 Аккумуляторная батарея
- a) Точка подключения устройства управления
- b) Постороннее управпение водяным насосом (плюсовьм сигналом)
- c) Переключение жидкостного цикла: запирание реле происходит при 68 град.С, размыкание -при 63 град С охлаждающей жидкости.
- d) Зажигание (клемма 15)
- е) Ступенчатый переключатель вентилятора автомобиля
- f) Точка подключения зажима 58 (освещение)
- g) Точка подключения отопителя
- h) Индикация мигающего кода (по выбору), светодиод (любой), предварительное добавочное
- сопротивление 1.5 кОм
- i) Точка подключеиия дистанционной кнопки отопления
- k) Электропровода подсоединить к штекеру В2 или B4
- a2) Точка подключения для диагностирования отопителя
- аЗ) Сигнал включения 5+
- a4) Подача питания, плюсовой сигнал - 30
- а5) Подача питания, минус - 31
Для вывода кода неисправности необходимо на точку подключения b) подать плюсовой провод.

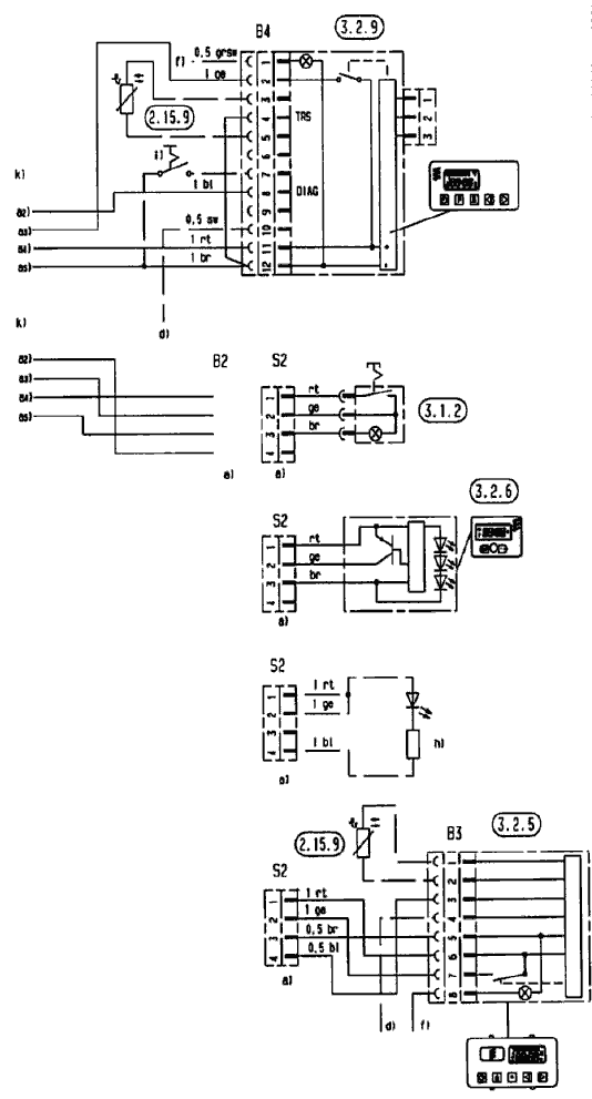
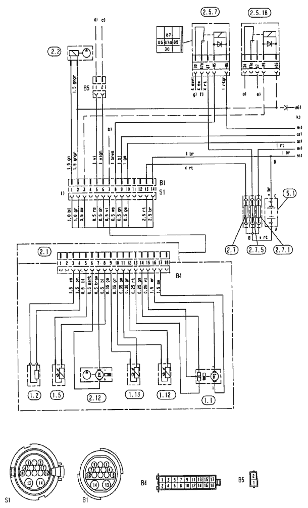
Электромонтажная схема / отопитель исполнения TRS 003 251815 / 251816

Жгут проводов и органы управления, исполнение TRS 003 251815 / 251816

Перечень деталей
- 1.1 Мотор горелки
- 1.2 Свеча накаливания
- 1.5 Датчик перегрева
- 1.12 Индикатор пламени
- 1.13 Датчик температуры
- 2.1 Блок управления
- 2.2 Дозировочный насос
- 2.5.7 Реле для включения вентилятора автомобиля
- 2.5.16 Реле переключения жидкостного цикла при необходимости монтируется зеказчикон
- 2.7 Главный предохранитель - 15A
- 2.7.1 Предохранитель запуска
- 2.7.5 Предохранитель вентилятора аятомобиля на 25А
- 2.12 Водяной насос (дополнительная нагрузка макс. 4А]
- 3.1.2 Выключатели (отопление), для продолжительного режима работы
- 3.2.9 Таймер
- 5.1 Аккумуляторная батарея
- h) Индикация мигающего кода (по выбору), светодиод (любой), предварительное/добавочное сопротивление 1.5 кОм

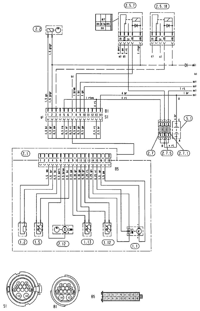
Электромонтажная схема / отопитоль штатного исполнения 251996 / 251997

Жгут проводов и органы управления штатного исполнения 251996 / 251997


Электромонтажная схема / отопитепь исполнения TRS 003 251996 / 251997

Жгут проводов и органы управления, исполнение TRS 003 251996 / 251997

