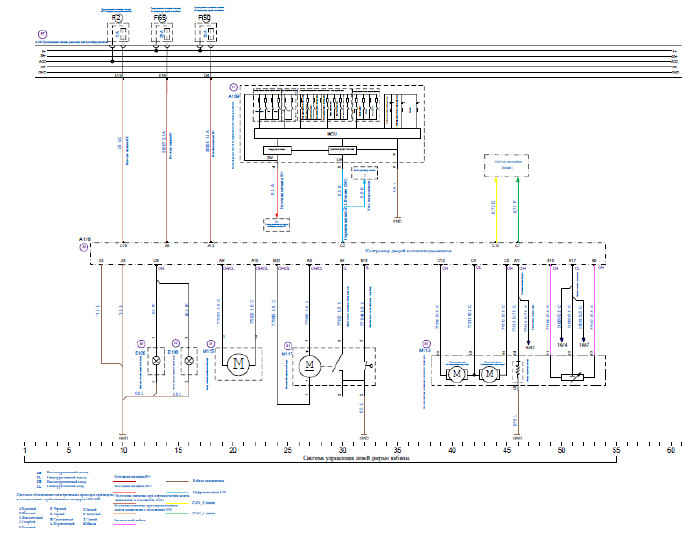
SHACMAN X600 - Описание электрической системы двери
Модуль управления дверьми осуществляет такие функции, как управление блокировкой и разблокировкой дверей, тепловая защита двигателя дверного замка, вывод сигнала обратной связи центрального дверного замка, автоматическое управление блокировкой, управление подъемом и спуском дверных и оконных стекол, тепловую защиту двигателя дверей и окон, регулировку зеркал заднего вида, теплозащиту зеркал заднего вида, размораживание зеркал заднего вида, управление дверными фонарями и подсветкой ступеньки.
Принципиальная схема системы электрооборудования двери автомобиля


Описание контактного вывода модуля управления дверями




Продолжение смотри в