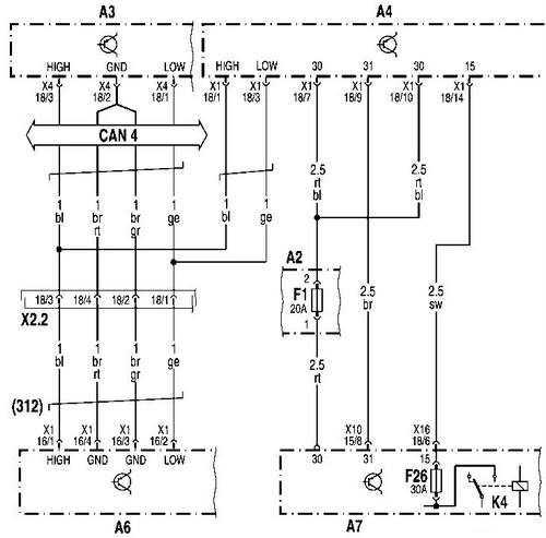
Электросхема предпускового подогрева FLA Mercedes Actros
- Цветовая маркировка проводов -
- bl Синий
- br Коричневый
- ge Жёлтый
- gn Зелёный
- gr Серый
- rs Розовый
- rt Красный
- sw Чёрный
- vi Фиолетовый
- ws Белый
- tk Бирюзовый (бензин)
- or Оранжевый
- tr Световое табло
Электропитание / CAN

- АЗ: Блок управления FR система управления движением
- А4: Блок управления FLA электрофакельный подогреватель воздуха
- Аб: Блок управления MR система управления двигателем
- А7: Базовый модуль
- F1-A2: Предохранитель блока управления Электрофакельный подогреватель воздуха, клемма 30
- F26-A7: Предохранитель кл. 15
- К4-А7: Реле 'Клемма 15'
- Х2.2: Плата штекеров кабина водителя - шасси
Электромагнитный клапан / Факельная свеча накаливания

- А4: Блок управления FLA электрофакельный подогреватель воздуха
- R3: Факельная свеча накаливания
- XI.2, Х2.3: Штекерные соединения платы штекеров кабина водителя - шасси
- Y5: Электромагнитный клапан электрофакельного подогревателя воздуха