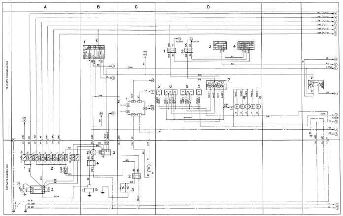
Электрические схемы HINO RANGER

А. ЭЛЕКТРОПИТАНИЕ
1. БЛОК ПЛАВКИХ ВСТАВОК №2
2. БЛОК ПЛАВКИХ ВСТАВОК №1
3. АККУМУЛЯТОРНЫЕ БАТАРЕИ
В. СИСТЕМА ЗАПУСКА И ЗАРЯДКИ
1. ЗАМОК ЗАЖИГАНИЯ
2. ВЫКЛЮЧАТЕЛЬ ЗАПРЕЩЕНИЯ ЗАПУСКА (модели с АКПП)
3. ГЕНЕРАТОР
4. РЕЛЕ СТАРТЕРА
5. СТАРТЕР
С. СВЕЧИ НАКАЛИВАНИЯ (опция)
1. ТАЙМЕР СВЕЧЕЙ НАКАЛИВАНИЯ
2. РЕЛЕ СВЕЧЕЙ НАКАЛИВАНИЯ
3. СВЕЧИ НАКАЛИВАНИЯ
4. ДАТЧИК ТЕМПЕРАТУРЫ ОХЛАЖДАЮЩЕЙ ЖИДКОСТИ
D. ФАРЫ
1. РЕЛЕ ДАЛЬНЕГО СВЕТА ФАР
2. РЕЛЕ БЛИЖНЕГО СВЕТА ФАР
3. ПЕРЕКЛЮЧАТЕЛЬ УПРАВЛЕНИЯ ОСВЕЩЕНИЕМ
4. ПЕРЕКЛЮЧАТЕЛЬ СВЕТА ФАР
5. СТОЯНОЧНЫЙ ОГОНЬ
6. ФАРА
7. БЛОК ПРЕДОХРАНИТЕЛЕЙ
8. ПОВТОРИТЕЛИ УКАЗАТЕЛЕЙ ПОВОРОТА
9. ГАБАРИТЫ
Схемы в высоком качестве смотри в