Изменения электросхеме начиная с шасси 0Е626381 DAF XF95

ОБЗОРНЫЕ СВЕДЕНИЯ ОБ ОСНОВНЫХ КОДАХ, ИСПОЛЬЗУЕМЫХ НА ПРИНЦИПИАЛЬНЫХ СХЕМАХ
Основной код Описание Номер на поисковой полоске
A000
Розетка прицепа (7-штырьковая)
83, 85, 239, 252, 292, 577
A001
Розетка задних противотуманных фонарей / фонарей заднего хода (7-штырьковая)
270, 277, 383
A004
Штепсельное гнездо ABS/EBS прицепа
803, 834
A007
Розетка 24 В (двухштырьковая)
403
A021
Розетка диагностики (16-штырьковая)
187
A027
Розетка для дополнительного оборудования 24 В (4-штырьковая)
298, 753, 778
A038
Розетка для дополнительного оборудования 40 А (двухштырьковая)
799
A043
Розетка в основании сиденья водителя (2 вывода)
478
A058
Розетка прицепа (15-штырьковая)
83, 84, 240, 253, 271, 277, 293, 385, 388, 390, 575, 752
A068
Функциональный разъем, управление частотой вращения вала двигателя
909
A070
Функциональный разъем, кузов (8-штырьковый)
35, 278, 294, 384, 387, 389, 575, 750
A074
Розетка автоматической коробки передач, кузов
746, 747, 749
A076
Телефонная розетка
708
А097
Разъем FMS (21-штырьковый)
755
А098
Разъем FMS (18-штырьковый)
760
A500
Аккумуляторные батареи (2х)
10, 14, 22
A510
Аккумуляторная батарея системы сигнализации
374
A513
Синхронный генератор переменного тока
18
B000
Электродвигатель механизма очистителя лобового стекла
93
B001
Электродвигатель насоса омывателя лобового стекла
90
B002
Электродвигатель омывателя фар головного света
98
B003
Электродвигатель электрического стеклоподъемника со стороны водителя
420
B004
Электродвигатель электрического стеклоподъемника со стороны пассажира
417
B005
Электродвигатель регулировки левого зеркала
432, 441
B006
Электродвигатель регулировки правого зеркала
437, 447
В009
Электродвигатель привода люка в крыше
361
В010
Стартер
24
В015
4-хскоростной вентилятор отопителя
468, 469, 470, 526, 527
В017
Обогрев зеркал со стороны водителя
451
В018
Обогрев зеркал со стороны пассажира
452
В024
Динамик, левый
711
В025
Динамик, правый
715
В026
СиБи-радиостанция
717
В028
Звуковой сигнал
402
В030
Прикуриватель со стороны водителя
405
В032
Подогрев водительского сидения
474
В033
Подогрев пассажирского сидения
476
В042
Нагревательный элемент осушителя воздуха
472
В043
Компрессор кондиционера
454
В071
Клапан подъема подъемного механизма
615
В072
Клапан опускания подъемного механизма
609
В073
Насос механического подъемного устройства
619
В079
Клапан защиты от включения нижнего ряда передач на высокой скорости
131
В084
Клапан стравливания воздуха из пневматической подвески
794
В088
Пропорциональный клапан интардера
1015
В089
Клапан подачи воздуха интардера
1013
В122
Дозировочный топливный насос отопителя кабины Eberspächer
506, 513, 531
В129
Двигатель корректора левой фары головного света
220
В130
Двигатель корректора правой фары головного света
222
В131
Электромагнитный клапан насосной секции, 1-ый цилиндр
922
В132
Электромагнитный клапан насосной секции, 2-ой цилиндр
924
В133
Электромагнитный клапан насосной секции, 3-ий цилиндр
925
В134
Электромагнитный клапан насосной секции, 4-ый цилиндр
927
В135
Электромагнитный клапан насосной секции, 5-ый цилиндр
929
В136
Электромагнитный клапан насосной секции, 6-ой цилиндр
931
В166
Клапан системы ECAS переднего моста
635, 664, 692
В175
Электродвигатель привода люка в крыше
357
В176
Зуммер заднего хода
280
В178
Динамик, левый
712
В179
Динамик, левый
713
В180
Динамик, правый
716
В181
Динамик, правый
717
В192
Электромагнитный клапан моторного тормоза
936
В199
Электродвигатель привода центрального замка, со стороны водителя
553
В200
Электродвигатель привода центрального замка, со стороны пассажира
548, 556
В237
Клапан системы ASR
821
В238
Клапан подачи воздуха левый/правый, система ECAS-2 (6х2), ведущий мост (FT)
634, 690
В243
Управляющий клапан межколесной блокировки дифференциала
281
В244
Управляющий клапан межосевой блокировки дифференциала
283
В245
Контрольный клапан механизма отбора мощности РТО
487
В246
Контрольный клапан механизма отбора мощности РТО
489, 500
В247
Электромагнитный клапан моторного тормоза DEB
937
В248
Электромагнитный клапан моторного тормоза DEB
939
В250
Клапан подачи воздуха левый/правый, система ECAS, ведущий мост (FA)
632, 689
В252
Клапан рециркуляции воздуха
466
В253
Клапан подачи воздуха левый/правый, система ECAS, ведущий мост
662
В254
Клапан подачи воздуха, левый/правый, в пневмобаллоны подвески, система ECAS, задний ведущий мост с управляемыми колесами/ вспомогательный мост
665
В256
Клапан системы ABS-D, ABS/ASR-E, передний мост, левый
814, 839
В257
Клапан системы ABS/ASR-D, передний мост, правый
815, 847
В258
Клапан системы ABS-D, ABS/ASR-E, ведущий мост, левый
817
В259
Клапан системы ABS/ASR-D, ведущий мост, правый
819
В293
Клапан защиты кулисы коробки передач
133
В294
Клапан пневматической подвески кабины, отключения регулировки высоты положения, передний
297
В306
Клапан избыточного давления системы EBS
859
В307
Модулятор переднего моста системы EBS
841
В308
Контрольный клапан системы EBS прицепа
844
В309
Отсечной клапан системы ASR
860
В335
Вискомуфта вентилятора с электронным управлением
940
В338
Звуковой сигнал системы сигнализации
377
В341
Свеча накаливания
19
В344
Насос автоматической системы смазки с встроенным электронным блоком
562
В356
Холодильник
778
В365
Радиоаппарат
712
В372
Пропорциональный клапан контроля расхода EMAS
727
В378
Нагревательный элемент топливного фильтра / влагоотделителя
567
В383
Клапан, система ECAS, FAK/FTM, задний ведущий мост
790
В385
Узел сцепления коробки передач AS Tronic
1040
В386
Блок клапанов управления силовым цилиндром рулевого управления
729
В403
Резистор системы ECAS, повышение уровня маневренности автомобиля, опускающий
693
В404
Резистор системы ECAS, повышение уровня маневренности автомобиля, поднимающий
694
В525
Модульный тахограф (MTCO)
49
С000
Ближний свет, левая фара
255
С001
Ближний свет, правая фара
256
С002
Дальний свет, левая фара
259
С003
Дальний свет, правая фара
261
С006
Фара-прожектор, левый
262
С007
Фара-прожектор, правый
264
С008
Левая передняя противотуманная фара
265
С009
Правая передняя противотуманная фара
266
С010
Габаритный огонь (фара), левый
230
С011
Габаритный огонь (фара), правый
243
С012
Габаритный фонарь, передний левый
232
С013
Габаритный фонарь, передний правый
244
С014
Указатель поворота, передний левый
76
С015
Указатель поворота, передний правый
80
С016
Повторитель указателя поворота, боковой левый
77
С017
Повторитель указателя поворота, боковой правый
81
С018
Указатель поворота, задний левый
78
С019
Указатель поворота, задний правый
82
С020
Стоп-сигнал, левый
290
С021
Стоп-сигнал, правый
291
С022
Задний фонарь, левый
233
С023
Задний фонарь, правый
246
С024
Противотуманный фонарь, задний левый
268
С025
Противотуманный фонарь, задний правый
270
С026
Фонарь заднего хода, левый
275
С027
Фонарь заднего хода, правый
276
С046
Лампа индивидуального освещения со стороны водителя
319, 344
С047
Лампа индивидуального освещения со стороны пассажира
320, 346
C052
Подсветка ручки управления вентилятором отопителя, левая
411
С053
Подсветка ручки управления вентилятором отопителя, правая
412
С062
Освещение подножки со стороны водителя
367
С063
Освещение подножки со стороны пассажира
368
С064
Освещение верхнего центрального вещевого отделения
304, 351
С065
Освещение нижнего центрального вещевого отделения
306
С066
Освещение правого вещевого отделения
307
С067
Освещение левого отделения для хранения инструментов
321, 352
С068
Освещение правого отделения для хранения инструментов
323, 354
С071
Лампа рабочего освещения
37
С072
Подсветка пепельницы, левая
409
С073
Подсветка пепельницы, правая
410
С074
Габаритный фонарь, задний левый
233
С075
Габаритный фонарь, задний правый
245
С110
Лампа освещения спального места с переключателем
347
С111
Лампа освещения спального места с переключателем
348
С115
Лампа освещения спального места с переключателем
303
С129
Внутреннее освещение с переключателем
327
С130
Ночная подсветка (красного цвета), со стороны водителя
341
С139
Ночная подсветка (красного цвета), со стороны пассажира
339
С144
Проблесковый маячок, левый
781
С145
Проблесковый маячок, правый
782
С148
Внутреннее освещение со стороны пассажира, 2 х 21Вт
313, 330
С149
Внутреннее освещение со стороны водителя, 2 х 21Вт
309, 333
С150
Освещение левого вещевого отделения
350
С151
Центральное внутреннее освещение с переключателем
324
С154
Освещение заднего номерного знака, слева (тягачи)
236
С155
Освещение заднего номерного знака, слева (тягачи)
249
С156
1-ый боковой габаритный фонарь, левый, (тягачи)
238
С157
1-ый боковой габаритный фонарь, правый, (тягачи)
250
С158
2-ой боковой габаритный фонарь, левый, (тягачи)
239
С159
2-ой боковой габаритный фонарь, правый, (тягачи)
251
С162
Фонарь-прожектор на крыше
765
С163
Габаритный фонарь/фара-прожектор на крыше
771
С164
Фонарь-прожектор на крыше
766
С165
Габаритный фонарь/фара-прожектор на крыше
772
С166
Фонарь-прожектор на крыше
768
С167
Габаритный фонарь/фара-прожектор на крыше
773
С168
Фонарь-прожектор на крыше
769
С169
Габаритный фонарь/фара-прожектор на крыше
775
С539
Выключатель дополнительного оборудования/зажигания/стартера
29
С622
Переключатель, освещение
207, 210
С694
Механический главный переключатель
14
С695
Выключатель регулировки зеркала, со стороны водителя
433, 442
С696
Выключатель регулировки зеркала, со стороны пассажира
437, 447
С697
Выключатель обогрева сидения, со стороны водителя
474
С698
Выключатель обогрева сидения, со стороны пассажира
476
С716
Выключатель проблескового маячка
782
С725
Выключатель лампы рабочего освещения
36
С727
Выключатель задних противотуманных фонарей и передних противотуманных фар
213
С731
Выключатель внутреннего освещения в антресоли (выключатель у спального места), со стороны пассажира в кабине F249 XC
313, 331
С733
Выключатель внутреннего освещения в антресоли (выключатель у спального места), со стороны водителя в кабине F249 XC
310, 334
С735
Выключатель внутреннего ночного освещения
316, 342
С736
Выключатель привода люка в крыше
357, 362
С737
Выключатель тягового усилия, ABS/ASR-D
830
С739
Выключатель механического подъемного устройства
616
C740
Выключатель системы ECAS, нормальное транспортное положение
623, 646, 675
С741
Выключатель подъема моста системой ECAS
649
С742
Выключатель увеличения тягового усилия
652
С743
Выключатель электрического стеклоподъемника со стороны пассажира (на водительской двери)
422
С744
Выключатель электрического стеклоподъемника со стороны пассажира (на пассажирской двери)
426
С745
Выключатель электрического стеклоподъемника со стороны водителя (на водительской двери)
429
С746
Выключатель обогрева зеркал
452
С748
Управляющий выключатель блокировки межколесного дифференциала
281
С749
Контрольный выключатель блокировки межосевого дифференциала
283
С750
Выключатель управления механизмом отбора мощности РТО
492
С751
Выключатель управления механизмом отбора мощности РТО
495
С760
Выключатель кондиционера
457
С763
Потенциометр регулировки яркости подсветки приборов
112
С764
Потенциометр, регулировка направленности светового потока фар головного света
219
С765
Выключатель аварийной сигнализации (со светодиодом подсветки)
85
С773
Выключатель задних противотуманных фонарей
216
С774
Выключатель центрального замка
549, 556
С778
Выключатель автономного отопителя Eberspächer
509, 537
С802
Переключатель заслонки рециркуляции
462
С813
Выключатель фар-прожекторов на крыше
777
С831
Подрулевой переключатель, круиз-контроль/управление оборотами/ ретардер
479, 1015
С832
Подрулевой переключатель, указатели поворотов/очиститель лобового стекла
76, 89, 91, 97, 224, 402
С835
Переключатель, отключение датчиков сигнализации внутри кабины
395
С836
Переключатель, отключение датчиков сигнализации в грузовом отделении, кузов / прицеп
398
С844
Выключатель отопителя кабины Eberspächer с таймером
516
С853
Выключатель «массы» в кабине
2
С854
Выключатель «массы» на раме
3
C859
Выключатель внутреннего освещения в консоли крыши, со стороны водителя
313, 334
C881
Выключатель системы ECAS, подъем
790
C882
Выключатель вентилятора отопителя
469, 526
C883
Выключатель системы увеличения тягового усилия FAG
796
C890
Выключатель отключения третьего тормоза
872
C895
Выключатель системы ECAS, повышение уровня маневренности автомобиля
678
C897
Внутреннее освещение в кабине SH, со стороны пассажира
331
D503
Электронный блок подъемного механизма
607
D529
Электронный блок дистанционного управления системы ECAS
620, 643, 672
D609
Диод, выключатель освещения
210
D610
Диод, дальний свет / ближний свет
224
D611
Диод, демпфирующий клапан опускания подъемного механизма
608
D612
Диод, демпфирующий клапан подъема подъемного механизма
614
D613
Диод, демпфирующее реле насоса подъемного механизма
611
D622
Диод, блокировка подъема подъемного механизма
614
D623
Диод, блокировка опускания подъемного механизма
609
D703
Диод, отключение автономного отопителя / контакт в водительской двери
494
D705
Диод отключения отопителя кабины при работающем двигателе
491
D709
Диод, внутреннее освещение, предотвращение обратной связи на выключатель пассажира
312, 329
D710
Диод, внутреннее освещение, предотвращение обратной связи на выключатель водителя
308, 334
D715
Светодиод, системы сигнализации
70, 378
D758
Диод, предотвращение обратной связи на блок VIC
300
D759
Диод, предотвращение обратной связи на стоп-сигналы
295
D782
Диод, предотвращение обратной связи при запирании дверей, со стороны водителя
95
D783
Диод, внутреннее освещение, со стороны водителя
366
D791
Диод переключателя в двери
370
D792
Диод переключателя в двери
371
D802
Электронный блок системы ECAS-2 (6х2)
660, 690
D814
Электронный блок UPEC
934
D826
Электронный блок ограничителя тока VLG
7
D850
Электронный блок, системы ABS/ASR, модель D
818
D851
Электронный блок системы ECAS-3 (4х2)
632
D871
Электронный блок отопителя кабины Airtronic D2
505, 514
D879
Модулятор заднего моста
855
D895
Электронный блок преобразователя (10А) с энергопитанием памяти радиоаппарата
706
D899
Приборный щиток DIP-4
57
D900
Электронный блок VIC
78, 92, 137, 486
D902
Электронный блок интардера ZF с CAN
1009
D904
Селектор меню, MCS
139
D905
Электронный блок центрального замка
550
D909
Электронный блок системы сигнализации с ультразвуковыми датчиками
381
D910
Электронный блок зарядного устройства аккумуляторной батареи
374
D911
Электронный блок системы сигнализации ALS-S
386
D912
Электронный блок иммобилайзера
45
D924
Электронный блок выключателя «массы»
6
D931
Светодиод иммобилайзера
72
D932
Электронный блок системы EMAS
729
D954
Модулятор коробки передач AS Tronic
1040
D955
Блок рычага переключения передач коробки передач AS Tronic
1028
D969
Диспетчер данных CAN (CDM)
197
D977
Электронный блок системы EBS – 2
855
D979
Электронный блок отопителя кабины Hydronic 10
531
Е000
Предохранитель, задний левый габаритный фонарь
229
Е001
Предохранитель, задний правый габаритный фонарь
242
Е004
Предохранитель, фара ближнего света со стороны водителя
254
Е005
Предохранитель, фара ближнего света / сигнальная лампа со стороны пассажира
255
Е006
Предохранитель, фара дальнего света со стороны водителя
258
Е007
Предохранитель, фара дальнего света / сигнальная лампа со стороны пассажира
260
Е008
Предохранитель, фары-прожекторы
261
Е009
Предохранитель, передние противотуманные фары
264
Е010
Предохранитель, задние противотуманные фонари
267
Е013
Предохранитель, стоп-сигналы
286
Е016
Предохранитель, фонари заднего хода / нейтральное положение коробки передач / электродвигатель привода очистителя лобового стекла / блокировка межколесного дифференциала
273
Е023
Предохранитель, выключатель холодного запуска /тахограф/программируемый таймер отопителя кабины/система сигнализации
46
Е025
Предохранитель, электродвигатель привода очистителя лобового стекла / электродвигатель привода омывателя фар головного света / электродвигатель омывателя лобового стекла
99
Е026
Предохранитель, прикуриватель / переключатели в дверях / электронный блок преобразователя 24/12В с энергопитанием памяти радиоаппарата
405
Е028
Предохранитель, внутреннее освещение / прикроватные лампы / центральный замок
301
Е031
Предохранитель вентилятора отопителя
453, 522
Е033
Предохранитель, электродвигатель стеклоподъемника со стороны пассажира
415
Е034
Предохранитель, электродвигатель стеклоподъемника со стороны водителя
419
Е035
Предохранитель, подсветка приборной панели и сигнальные лампы / выключатель стояночного тормоза
65
Е036
Предохранитель, розетка 24В
403
Е037
Предохранитель, выключатель зажигания
30
Е043
Предохранитель, системы ABS / EBS прицепа
801, 832
Е044
Предохранитель, обогрев зеркал/электропривод регулировки зеркал/электростеклоподъемник
422
Е048
Предохранитель, энергопитание прицепа
749
Е051
Предохранитель системы ECAS / EMAS
627, 656, 683, 721
Е052
Предохранитель, дистанционное управление системы ECAS / лампа рабочего освещения
36
Е053
Предохранитель, диагностический разъем (16-штырьковый)/светодиодный блок/ система сигнализации
182
Е062
Предохранитель, подъемный механизм/ECAS/EMAS
601, 620, 641, 783
Е084
Предохранитель, освещение
202
Е091
Предохранитель, нагревательный элемент осушителя воздуха/подрулевой переключатель/механизм отбора мощности/выключатель сцепления/ функциональный разъем управления частотой вращения двигателя
471
Е108
Предохранитель, система VIC
103
Е112
Предохранитель, сигнальная лампа включения свечей накаливания
20
Е114
Предохранитель, обогреватель кабины (Eberspacher)/сигнальные лампы
502, 511, 524
Е117
Предохранитель, подсветка органов управления автомобилем
228
Е118
Предохранитель, энергопитание системы UPEC
920
Е142
Предохранитель, дополнительное оборудование до замка зажигания
764
Е153
Предохранитель таймера главного выключателя/останова двигателя/ энергопитания главного выключателя
4
Е157
Предохранитель, автоматическая система смазки
561
Е163
Предохранитель, дополнительное оборудование после замка зажигания (разъем А027) / проблесковые маячки/привод люка в крыше
751
Е164
Предохранитель дополнительного оборудования / микроволновой печи
799
Е168
Предохранитель, электронный блок топливного фильтра / влагоотделителя
568
Е170
Предохранитель, электронный блок топливного фильтра/влагоотделителя, Racor
567
E171
Предохранитель нагревательного элемента топливного фильтра / влагоотделителя
802, 833
E172
Предохранитель, системы ABS / EBS прицепа
918
E184
Предохранитель, система UPEC
809, 837
E189
Предохранитель, система EBS заднего моста
810, 838
E190
Предохранитель, система ABS-D / ABS / ASR-E
1004
E199
Предохранитель, интардер ZF
104
E277
Предохранитель VIC
17
E279
Предохранитель регулятор натяжения подушки безопасности и ремней безопасности / регулятора напряжения генератора
105
E280
Предохранитель VIC
10
E286
Главный предохранитель
1034
E301
Предохранитель коробки передач AS Tronic
11
E330
Предохранитель, главные переключатели «контрольные» провода
41
E350
Предохранитель, различные электрические системы
40
E351
Предохранитель, различные электрические системы
605
E507
Бесконтактный выключатель защиты механического подъемного устройства от превышения осевой нагрузки (10 т)
471
E508
Термовыключатель, компрессор кондиционера
457
E509
Функциональный выключатель кондиционера, высокое/низкое давление
456
E511
Функциональный выключатель стоп-сигналов
287
E514
Функциональный переключатель, освещение подножки / выключатель внутреннего освещения в двери, со стороны водителя
366
E515
Функциональный переключатель, освещение подножки / выключатель внутреннего освещения в двери, со стороны пассажира
367
E524
Функциональный выключатель механического подъемного устройства, выключатель ограничителя давления масла
613
E525
Функциональный выключатель освещения верхнего центрального вещевого отделения
303, 350
E526
Функциональный выключатель освещения нижнего центрального вещевого отделения
305
E527
Функциональный выключатель освещения правого вещевого отделения
306
E528
Функциональный выключатель освещения левого отделения для хранения инструментов
320, 351
E529
Функциональный выключатель освещения правого вещевого отделения
322, 353
E560
Функциональный выключатель освещения левого вещевого отделения
349
E564
Выключатель, моторный тормоз
69
E566
Контрольный выключатель термостата автономного обогревателя Eberspacher Airtronic
507
E570
Бесконтактный переключатель, сцепление - механизм отбора мощности РТО N10
499
E571
Контрольный выключатель автономного обогревателя Thermo 90/Hydronic 10
533
E575
Бесконтактный переключатель, сцепление
66
E579
Функциональный переключатель, термостат / отопитель кабины, вентилятор, Eberspächer (жидкостный)
536
E580
Выключатель, термостат/обогреватель кабины, вентилятор, Eberspacher (таймер)
540
E581
Выключатель, таймер обогревателя кабины Eberspacher Airtronic
516
E584
Бесконтактный выключатель для защиты от превышения нагрузки на ось (7,5 тонн)
604
E589
Мембранный выключатель системы ECAS ведущего моста
784
E590
Селекторный выключатель коробки передач AS Tronic
1029
E592
Выключатель фонарей заднего хода
274
E593
Выключатель нейтрального положения коробки передач
1010
E595
Выключатель защиты от включения низших передач КПП на высокой скорости
133
E599
Выключатель нейтрального положения коробки передач
1025
F000
Контрольный выключатель стояночного тормоза
65
F006
Контрольный выключатель блокировки дифференциала, 1-ый дифференциал
120
F007
Контрольный выключатель блокировки дифференциала, 3-ий дифференциал
124
F011
Контрольный выключатель, давление масла в двигателе
116
F038
Контрольный выключатель блокировки дифференциала, 2-ой дифференциал
123
F047
Контрольный выключатель, рулевое управление (1-ый контур)
118
F048
Контрольный выключатель, рулевое управление (2-ой контур)
119
F050
Контрольный выключатель, давление блокировки дифференциала (1-ый и 2-ой дифференциал)
122
F087
Контрольный выключатель, отбор мощности с КПП
485
F088
Контрольный выключатель, отбор мощности с КПП
486
F097
Бесконтактный выключатель подъемного механизма, поддерживающий задний мост
601
F107
Датчик износа тормозных накладок, передний левый
879
F108
Датчик износа тормозных накладок, передний правый
880
F109
Датчик износа тормозных накладок, передний левый, 2-ой передний мост
881
F110
Датчик износа тормозных накладок, передний правый, 2-ой передний мост
883
F111
Датчик износа тормозных накладок, задний левый
884
F112
Датчик износа тормозных накладок, задний правый
886
F113
Датчик износа тормозных накладок, задний левый, 2-ой задний мост (6х2)
887
F114
Датчик износа тормозных накладок, задний правый, 2-ой задний мост (6х2)
888
F118
Контрольный выключатель сигнализации делителя
115
F120
Выключатель защиты сцепления
136
F509
Датчик температуры воздуха в кабине, отопитель кабины
516, 537
F512
Датчик частоты вращения колеса, передний мост, левый
808, 837
F513
Датчик частоты вращения колеса, передний мост, правый
809, 848
F514
Датчик частоты вращения колеса, ведущий мост, левый
810
F515
Датчик частоты вращения колеса, ведущий мост, правый
812
F533
Датчик скорости автомобиля (4-штырьковый,1-ый)
47
F544
Датчик температуры охлаждающей жидкости вторичного ретардера
1017
F552
Датчик положения коленчатого вала
919
F558
Датчик положения распределительного вала
918
F565
Датчик температуры топлива
921
F566
Датчик температуры охлаждающей жидкости двигателя
922
F608
Датчик уровня топлива
110
F612
Датчик высоты, система ECAS, задний мост, левый
625, 654, 680
F613
Датчик высоты, система ECAS, задний мост, правый
627, 655, 682
F614
Датчик высоты система ECAS передний мост
629, 656, 683
F615
Датчик давления системы ECAS, ведущий мост, левый / правый
658, 685
F616
Датчик запирания кабины
298
F619
Датчик запирания кабины, система сигнализации
379
F628
Тормозной кран системы EBS
862
F649
Датчик давления наддува и датчик температуры воздуха на впуске
924
F651
Датчик температуры окружающего воздуха
105
F652
Датчик давления воздуха
107
F656
Датчик уровня охлаждающей жидкости
110
F672
Датчик педали акселератора электронного блока UPEC
925
F673
Датчик уровня и температуры масла в двигателе
136
F686
Радарный датчик системы сигнализации
385
F687
Датчик угла поворота управляемых колес EMAS
723
F688
Датчик угла поворота управляемых колес EMAS
724
F701
Датчик угла поворота
850
F702
Блок системы VSC
851
F705
Датчик скорости
1043
G000
Реле, задние фонари / габаритные огни / подсветка органов управления автомобиля
209, 226
G001
Реле, ближний свет
223, 254
G002
Реле, дальний свет
225, 258
G003
Реле, фары-прожекторы
257, 261
G004
Реле, передние противотуманные фары
212, 264
G005
Реле, задние противотуманные фонари
129, 267
G014
Реле, свеча накаливания
19, 932
G015
Реле, зажигание
1, 30
G028
Реле, электрический стеклоподъемник, со стороны пассажира
414, 421
G029
Реле, электрический стеклоподъемник, со стороны пассажира
416, 422
G030
Реле, электрический стеклоподъемник, со стороны водителя
418, 428
G031
Реле, электрический стеклоподъемник, со стороны водителя
420, 429
G036
Реле стоп-сигналов
286, 289
G052
Реле, двигатель подъемного механизма
610, 618
G066
Реле перегрузки подъемного механизма
610, 612
G095
Реле усиления тягового усилия, 60 сек. стравливания воздуха
794
G126
Реле, источника энергопитания
919, 920
G170
Реле, вентилятор отопителя
524, 534
G185
Реле отключения стартерной цепи
27, 1024
G236
Реле, очиститель лобового стекла (скорость 1 и 2)
93, 96
G237
Реле, очиститель лобового стекла (автоматический возврат в исходное положение)
93, 94
G238
Реле, омыватель фар головного света
91, 98
G247
Реле, вентилятор отопителя кабины, обогреватель Eberspacher Hydronic
522, 528
G257
Реле клапана рециркуляции воздуха
462, 465
G258
Реле клапана рециркуляции воздуха
460, 465
G259
Реле, управление механизмом отбора мощности РТО
498, 499
G267
Реле кондиционера
453, 457
G279
Реле кондиционера
455, 467
G297
Реле, пневматическая подвеска кабины
296, 299
G299
Реле, фары-прожекторы на крыше
764, 776
G301
Реле, освещение D+
125, 204
G302
Реле, вариант освещения для Швеции
204, 208
G303
Реле, блокировка стартера
26, 126
G328
Реле, остановка двигателя
39, 905
G350
Реле, фонари заднего хода
273, 274
G367
Реле, энергопитание выключателя «массы»
5, 10
G377
Реле, энергопитание дополнительного оборудования для радиоаппарата
702, 712
G380
Реле, механический подъемный мост, верхнее положение
602, 605
G381
Реле, механический подъемный мост (7,5 тонн)
604, 615
G421
Реле системы ECAS, опускание заднего ведущего моста
783, 786
G424
Реле времени системы ECAS, опускание заднего ведущего моста
787
G426
Реле зажигания
32, 38
G462
Реле лампы рабочего освещения
36, 227
G469
Реле сигнала торможения
942, 944
G516
Центральная «масса» кабины, со стороны пассажира
581
G535
Распределительный блок системы связи CAN
176
G723
Проходное соединение центрального замка
557
G732
Проходное соединение, отопитель кабины (Eberspächer)
537
G734
Проходное соединение износа тормозных накладок
884
G736
Соединение V-CAN
191
G745
Проходное соединение, подъемный механизм
613
G755
Проходное соединение освещение для Швеции
210
G757
Проходное соединение для выключателя «массы»
31
I020
Диод, защита кулисы коробки передач
134
ПОДСХЕМЫ, ВЫДЕЛЕННЫЕ ИЗ ПРИНЦИПИАЛЬНЫХ СХЕМ
B Обзор соединений с «массой»
C Обзор системы CAN
8 VIC
20 Подсветка органов управления автомобиля
27 Система EBS – 2
30 Коробка передач AS Tronic
В ОЗОР СОЕДИНЕНИЙ С «МАССОЙ»
Данный раздел схемы содержит обзорные сведения обо всех соединениях с «массой», включая маркировку проводов и выводы разъемов.
ВАРИАНТЫ
Расположение
18 Разъем 597: место подсоединения освещения, кабина XC.
60,70 Разъем 658: разъем на кузове (устанавливается по специальному заказу).
67 Разъем 582: «масса» не используется.
44 Разъем 873 только на автомобилях типа FA.
Разъем 874 только на автомобилях типа FT.
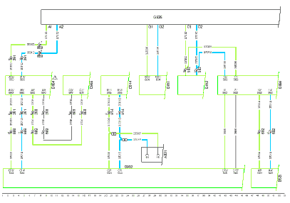
С ОБЗОР СИСТЕМЫ CAN
Данный раздел схем содержит обзорные сведения обо всех соединениях системы CAN, включая маркировку проводов и выводы разъемов.
ВАРИАНТЫ
Расположение
11
36, 39 Разъем 873 только на автомобилях типа FA.
Разъем 874 только на автомобилях типа FT.
37 Электронный блок D977 для системы EBS - 2.
Электронный блок D850 для системы ABS.

8 VIC
ВАРИАНТЫ
Расположение
141 Блок D979: отопитель кабины (устанавливается по специальному заказу).
144 Разъем 580: разъем на кузове (устанавливается по специальному заказу).
201 Для системы EBS – 2: разъем 584,
Для системы ABS: разъем 585.




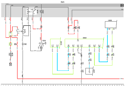
20 ПОДСВЕТКА ОРГАНОВ УПРАВЛЕНИЯ
ПОДСВЕТКА ОРГАНОВ УПРАВЛЕНИЯ
Подсветка органов управления обеспечивается лампами или светодиодами в различных переключателях.
При включении переключателя освещения (С622), напряжение подается на реле G000 (контактный вывод 85) через предохранитель Е084 и выключатель освещения (С622), контакты 2 – 1 и провод 2100,.
Реле G000 активируется (соединение между контактными выводами 30 – 87). На данном этапе напряжение подается на подсветку органов управления через проводник печатной платы 2101 и предохранитель Е117 (через провод 2630). Все цепи подсветки, соединенные с ним, ставятся под напряжение.
Лампы имеются в следующих переключателях: С052, С053, С072, С073, С716 и С813.
Следующие переключатели подсвечиваются светодиодами:
С725, С727, С731, С733, С735, С736, С737, С739, С740, С741, С748, С749, С750, С751, С760, С763, С764, С765, С774, С742, С802, С835, С836, С844, С853 и С890.
ЗУММЕР ВКЛЮЧЕНИЯ ОСВЕЩЕНИЯ
При включении переключателя освещения (С622), напряжение подается через диод D609 на контактный вывод 85 реле G000 через предохранитель Е084 и выключатель освещения (С622) (контакты 2 – 4) и провод 2110.
Реле G000 активируется, и напряжение подается на подсветку органов управления (провод 2630) через предохранитель Е117. Этот провод также соединен со штырьковым выводом С7 VIС (D900).
Если удовлетворено предварительно запрограммированное в VIC условие, VIC посылает сообщение на DIP, который, в свою очередь, включает зуммер (встроенный в DIP).
ВАРИАНТЫ
Расположение
34 С737: Выключатель тягового усилия, ABS/ASR-D (устанавливается по специальному заказу).



27 СИСТЕМА EBS – 2
ВАРИАНТЫ
Расположение
13, 19, 22, 24, 33, 36:
Для автомобилей типа FA: разъем 873,
Для автомобилей типа FT: разъем 874.
122 Выключатель Е511 для системы EBS – 2 не установлен.



30 AS TRONIC


Электросхемы в высоком качестве - доступны только пользователям



