ISUZU ELF / N-SERIES NKR / NPR / NHR / NQR / NPS / NKS
c 1993 r.
АББРЕВИАТУРЫ
- А Ампер
- kW Киловатт
- ABS Антиблокировочная система тормозов
- LH Левый
- ASM В сборе
- LWB Длинная база (расстояние между осями)
- АС Переменный ток
- М/Т Механическая коробка передач
- А/С Система кондиционирования
- OD Повышенная передача
- АСС Аксессуары
- ОРТ Опция
- А/Т Автоматическая коробка передач
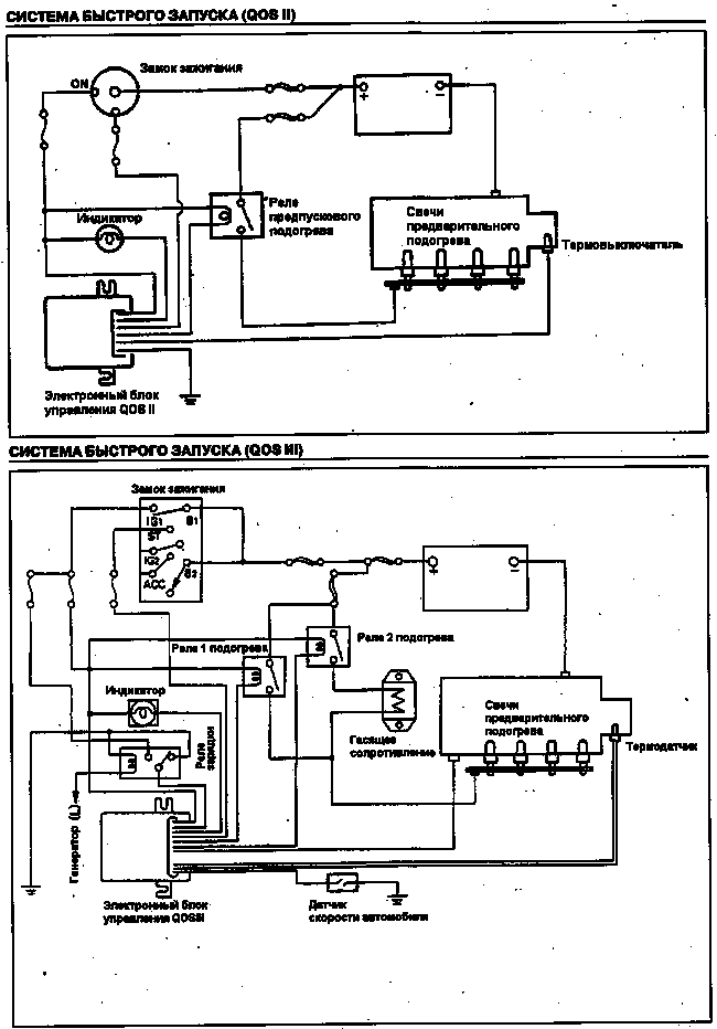
- QOS Система предпускового подогрева
- С/В Реле обратного тока
- RH Правый
- CSD Устройство холодного запуска
- RR Задний
- DIS Направленная система зажигания
- RWAL Антиблокировочная система тормозов задних колес
- ЕВСМ Электронный блок управления тормозами
- ST Пуск
- ECGI Электронное управление впрыском топлива
- STD Стандартный (номинальный)
- ЕСМ Электронный модуль управления
- SW Выключатель
- ECU Электронный блок управления
- SWB Короткая база (расстояние между осями)
- EFE Раннее впрыскивание топлива
- TCM Блок управления коробкой передач
- 4 А/Т 4-х ступенчатая автоматическая коробка передач
- ЗА/Т 3-х ступенчатая автоматическая коробка передач
- 4x4 Полный привод V Вольт
- FL Плавкая перемычка
- VSV Вакуумный выключатель
- FRT Передний
- W Ватт
- H/L Головное освещение (фары)
- WOT Полностью открытая дроссельная заслонка
- 1C Интегральная схема W/ С (чем-либо)
- IG Зажигание w /o Без (чего либо)



























