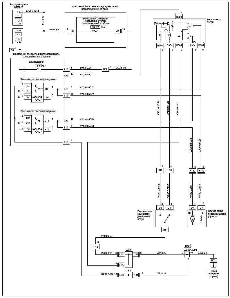
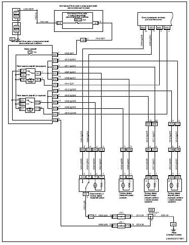
ISUZU СЕРИЯ N Замки дверей / Система доступа без ключа
(NLR, NMR, NNR, NPR, NQR, NPS, NQ)


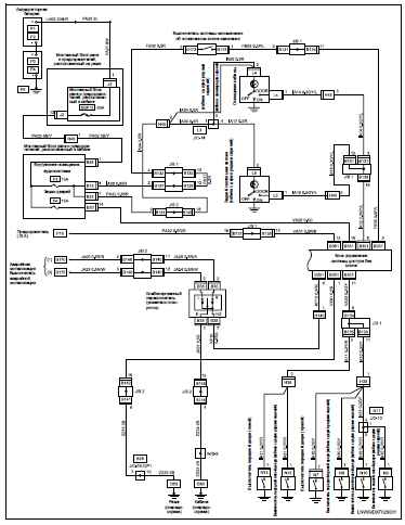
Стеклоподъемник


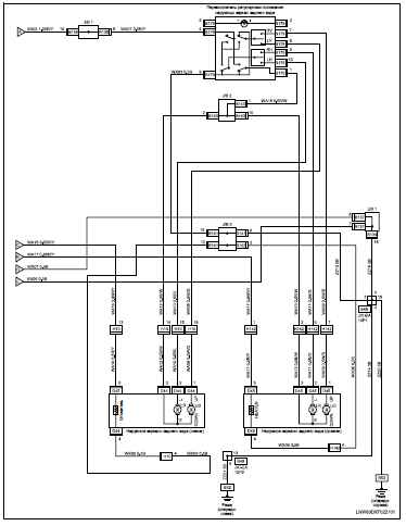
Переключатель регулировки положения наружных зеркал заднего вида / обогрев наружных зеркал заднего вида


Все схемы в
Подписывайтесь на наш канал в Telegram и будьте всегда в курсе самых последних сообщений и публикаций с сайта. |





