Топливная система Scania HPI с блоком управления EDC S6
Оглавление
-Предупреждение
-Топливная система HPI Общие сведения о системе
-Гидравлическая схема топливной системы
-Цикловая подача топлива и опережение впрыскивания
-Узлы топливной системы
-Топливоподкачивающий насос
-Топливный фильтр
-Регулятор давления топлива
-Гидравлический демпфер
-Топливная рампа
-Насос-форсунка
-Электронная система управления топливоподачей EDC S6 Общие сведения
-Элементы системы EDC, расположенные на двигателе
-Электромагнитные клапаны
-Клапан отсечки топлива V102
-Датчик давления подачи и температуры топлива T91
-Датчики давления топлива T92 и T93
-Датчики частоты вращения коленвала двигателя T74 и T75
-Датчик давления наддува и температуры воздуха во впускном коллекторе T47
-Датчик температуры охлаждающей жидкости T33
-Датчик давления масла T5
-Блок управления EDC E44
-Элементы системы EDC, расположенные на рабочем месте водителя
-Органы управления системой круиз-контроля
-Сигнализатор неисправности и вывод кодов неисправностей
-Взаимодействие системы EDC с другими системами
Предупреждение
Перед началом выполнения любых работ с топливной системой необходимо внимательно ознакомиться с мерами по технике безопасности и предостережениями, которые содержатся в Руководстве по
ремонту топливной системы.
Поэтому недопустимо производить ремонт топливной системы, используя в качестве руководства только техническое описание системы.
Топливная система HPI
Общие сведения о системе Топливная система Scania HPI (High Pressure Injection), кроме топливопроводов и топливного бака, состоит из следующих узлов.
1 Топливоподкачивающий насос
2 Топливный фильтр
3 Электронный блок управления
4 Корпус клапанного блока
5 Регулятор давления топлива (давление открытия 17 бар)
6 Два электромагнитных клапана регулирования цикловой подачи топлива в цилиндры двигателя
7 Два электромагнитных клапана регулирования опережения впрыскивания топлива
8 Клапан отсечки топлива
9 Топливная рампа
10 Насос-форсунка типа HPI (одна насос-форсунка на каждый цилиндр)
11 Два гидравлических демпфера
12 Клапан выпуска воздуха
13 Предохранительный клапан (давление открытия 26,2 бар)

Топливная система включает также электронную систему управления топливоподачей. Система управления топливоподачей включает в себя, кроме блока управления и электромагнитных клапанов, также датчики и другие блоки управления. Более подробные сведения об электронной системе управления топливоподачей приведены в соответствующем разделе на стр. 24-62.
Электронная система управления топливоподачей EDC, которая описана в настоящей инструкции, имеет обозначение S6.
Топливная система разделена на два отдельных блока. Цилиндры 1, 2 и 3 образуют передний блок, цилиндры 4, 5 и 6 – задний блок.
Поскольку порядок работы цилиндров 6-цилиндрового рядного двигателя 1-5-3-6-2-4, то одновременно будут открыты по одной насос-форсунке в переднем и заднем блоке топливной системы. Для того чтобы обеспечить распределение топлива по насос-форсункам, используются электромагнитные
клапаны, которые направляют топливо в соответствующий блок топливной системы.
Форсунки относятся к открытому типу. Это означает, что распылитель форсунки открыт в процессе фазы заполнения. При этом продукты горения проходят через насос-форсунку и по сливной магистрали попадают в топливный бак. В топливном баке можно обнаружить наличие некоторого количества
отработавших газов, что не является признаком неисправности. В системе могут также увеличиваться отложения продуктов неполного сгорания топлива.
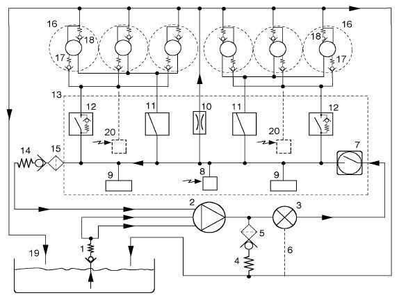
Гидравлическая схема топливной системы
Топливоподкачивающий насос забирает топливо из бака по двум всасывающим топливопроводам. В топливном баке в начале всасывающих магистралей установлен обратный клапан, препятствующий обратному сливу топлива в бак. Топливоподкачивающий насос прокачивает топливо через фильтр и клапан отсечки топлива. Топливо проходит в корпус клапанного блока и далее через электромагнитные клапаны поступает в топливную рампу, соединенную с соответствующим блоком насос-форсунок.
Назначением клапана отсечки топлива является прекращение подачи топлива при выключении двигателя или при появлении отказа.
В корпусе клапанного блока расположен регулятор давления топлива, поступающего к насос-форсункам. Если давление нагнетания топливоподкачивающего насоса становится слишком большим, открывается клапан регулятора и часть топлива поступает обратно на вход топливоподкачивающего насоса.
В корпусе клапанного блока расположены также электромагнитные клапаны, которые управляют подводом топлива к насос-форсункам. Два электромагнитных клапана дозируют цикловую подачу топлива в цилиндры. Два других электромагнитных клапана дозируют топливо для регулирования опережения впрыскивания топлива. В корпусе клапанного блока расположены также два гидравлических демпфера, предназначенных для гашения резких изменений и стабилизации давления
топлива.
По топливным рампам топливо поступает к насос-форсункам, установленным в соответствующих головках цилиндров.
Топливная рампа разделена на две отдельные части: для питания топливом переднего и заднего блоков форсунок.
Блок управления EDC регулирует процесс заполнения насос-форсунок топливом.
Опережение впрыскивания топлива в цилиндр двигателя зависит от углового положения распределительного вала и объема топлива, находящегося в управляющей камере насос-форсунки.
Топливо, используемое для регулирования опережения впрыскивания, поступает затем по сливной магистрали в топливный бак.
Топливо, остающееся после выключения двигателя в каналах между электромагнитными клапанами и насос-форсунками, подогревается остаточным теплом двигателя. Для того чтобы предотвратить вытеснение топлива в насос-форсунки из-за избыточного давления, часть топлива стравливается через обратные клапаны в электромагнитных клапанах и затем через дроссельное отверстие в корпусе клапанного блока попадает в топливный бак.

1 Топливоподкачивающий насос
2 Топливный фильтр
3 Корпус клапанного блока
4 Топливная рампа
5 Регулятор давления топлива
6 Электромагнитные клапаны регулирования цикловой подачи топлива
7 Электромагнитные клапаны регулирования опережения впрыскивания топлива
8 Клапан отсечки топлива
9 Гидравлические демпферы
Гидравлическая схема топливной системы

1 Обратный клапан
2 Топливоподкачивающий насос
3 Топливный фильтр
4 Предохранительный клапан (расположен в корпусе фильтра), давление открытия 26,2 бар
5 Топливный сетчатый фильтр, 0,12 мм
6 Дренажный канал (для слива топлива при замене фильтрующего элемента)
7 Клапан отсечки топлива
8 Датчик давления и температуры топлива
9 Гидравлические демпферы
10 Дроссельное отверстие
11 Электромагнитные клапаны регулирования опережения впрыскивания топлива
12 Электромагнитные клапаны регулирования цикловой подачи топлива
13 Корпус клапанного блока
14 Регулятор давления топлива, давление открытия 17 бар
15 Топливный сетчатый фильтр, 0,55 мм
16 Цилиндры с насос-форсунками
17 Обратный клапан (в насос-форсунке)
18 Подпорный клапан (в насос-форсунке)
19 Топливный бак
20 Датчики давления топлива (на автомобилях, выпущенных до ноября 2001 года.
Цикловая подача топлива и опережение впрыскивания
Регулятор давления топлива поддерживает в топливной системе постоянное давление. При работе двигателя давление топлива должно находиться в пределах 17-20 бар.
Электронная система управления топливоподачей EDC (Electronic Diesel Control) регулирует цикловую подачу топлива, а также опережение впрыскивания топлива в цилиндры двигателя.
Топливо для впрыскивания в цилиндры и топливо для регулирования опережения впрыскивания, поступающее в насос-форсунки, дозируется электромагнитными клапанами. Два электромагнитных клапана дозируют цикловую подачу топлива и два электромагнитных клапана дозируют топливо для регулирования опережения впрыскивания – по одному электромагнитному клапану каждого вида на
соответствующий блок форсунок.
Длительность управляющего импульса (т.е. продолжительность открытого состояния электромагнитного клапана) определяет объем топлива, поступающий в насос-форсунку. Давление топлива поддерживается постоянным, а длительность фазы регулируется. Длительность
управляющего импульса устанавливается блоком управления EDC.
Блок управления выполняет функцию мозга системы EDC. Блок управления обрабатывает сигналы как от датчиков и устройств, входящих в систему EDC, так и данные, получаемые от блоков управления
других систем автомобиля. После обработки полученных данных блок EDC выдает сигналы управления электромагнитными клапанами, которые в свою очередь регулируют количество топлива, поступающего в насос-форсунки.
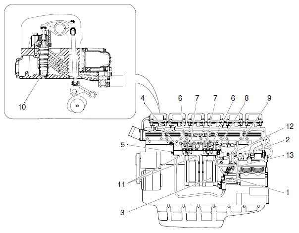
Узлы топливной системы
Топливоподкачивающий насос В качестве топливоподкачивающего насоса применяется шестеренный насос.
Топливоподкачивающий насос установлен на задней стенке картера воздушного компрессора и приводится во вращение от коленчатого вала компрессора.
Производительность насоса обеспечивает поддержание требуемого давления в топливной системе при полной подаче топлива ко всем насос-форсункам.
Снизу топливоподкачивающего насоса выполнено отверстие, которое служит для индикации течи топлива и масла.

Топливный фильтр
Топливный фильтр снабжен сменным фильтрующим элементом.
Расположение топливного фильтра 126 724
В корпусе топливного фильтра установлен предохранительный клапан, который открывается при давлении около 26,2 бар.
Предохранительный клапан открывается, если фильтрующий элемент забит, и возвращает поступающе топливо в бак. При этом давление топлива в корпусе фильтра падает. Если падение давления топлива
вызывает появление кода неисправности, то мощность двигателя ограничивается.
Кроме того, топливо начинает сливаться в бак через предохранительный клапан, если сработал клапан отсечки топлива.
Фильтрующий элемент закреплен на крышке фильтра. При вынимании фильтрующего элемента топливо автоматически сливается из корпуса фильтра.


1 Входной штуцер Слив топлива из корпуса фильтра
2 Выходной штуцер
3 Штуцер слива топлива из топливной рампы
4 Штуцер слива топлива в бак
5 Клапан выпуска воздуха
6 Предохранительный клапан
7 Топливный сетчатый фильтр
Регулятор давления топлива
Регулятор давления топлива поддерживает заданное давление в системе. Давление подачи топлива должно находиться в пределах 17 - 20 бар. Если давление подачи топлива слишком велико, клапан регулятора давления открывается и пропускает часть топлива во всасывающую полость
топливоподкачивающего насоса.

Гидравлические демпферы
В корпусе клапанного блока расположены два гидравлических демпфера. Назначением демпферов является сглаживание флуктуаций давления топлива.

Топливная рампа
Топливная рампа распределяет топливо по всем насос-форсункам двигателя. Топливная рампа разделена на две части. Одна часть рампы предназначена для подвода топлива к переднему блоку насос-форсунок (1-3 цилиндры), а вторая часть рампы – к заднему блоку насос-форсунок (4-6
цилиндры). Топливо, сливаемое из насос-форсунок, собирается в общем дренажном канале в топливной рампе.

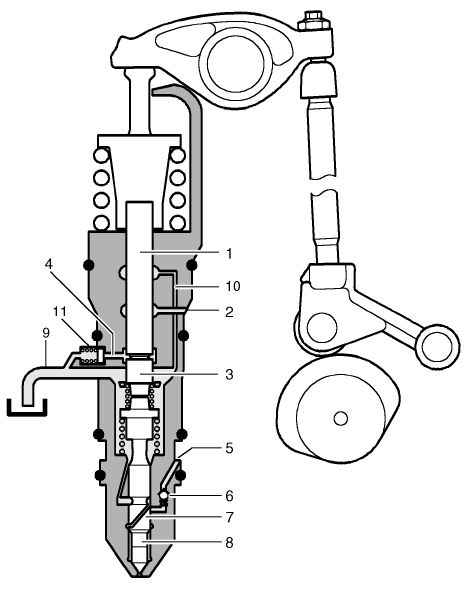
Насос-форсунка
Общие сведения На каждом цилиндре двигателя установлена отдельная насос-форсунка. Плунжер насос-форсунки приводится в действие от распределительного вала двигателя. Привод плунжера насос-форсунки состоит из кулачка распределительного вала, роликового толкателя, штанги толкателя и
коромысла.
К насос-форсунке подходят три топливных канала: по одному каналу поступает топливо для подачи в цилиндр, по второму – топливо для регулирования опережения впрыскивания, по третьему каналу топливо отводится в бак.
В канале, по которому поступает топливо для подачи в цилиндр, имеется обратный клапан, препятствующий прорыву продуктов горения в этот канал.
На насос-форсунке предусмотрен ограничитель хода плунжера вверх.
Поэтому при максимальном подъеме коромысла между верхним штоком насос-форсунки и концом коромысла образуется зазор. Это предусмотрено для улучшения условий смазки и снижения износа в
механизме привода насос-форсунок.
В процессе заполнения насос-форсунки топливом распылитель остается открытым.
В конструкции форсунки отсутствует подпружиненная запорная игла, запирающая с определенным усилием распылитель.
После впрыскивания топлива насос-форсунка механически закрывается усилием от кулачка распределительного вала. Затем насос-форсунка удерживается распределительным валом в закрытом
положении до следующей фазы заполнения топливом.
Насос-форсунка должна быть обеспечена запирающей силой определенной величины.
Если сила запирания слишком мала, то распылитель насос-форсунки не будет надежно закрыт, и отработавшие газы будут прорываться внутрь насос-форсунки, вызывая интенсивный рост отложений в
топливной системе продуктов неполного сгорания топлива. При этом сократится срок службы топливного фильтра.

1 Верхний плунжер
2 Канал подвода топлива для регулирования опережения впрыскивания
3 Средний плунжер
4 Канал слива топлива, используемого для регулирования опережения впрыскивания
5 Канал подвода топлива для впрыскивания в цилиндр
6 Обратный клапан
7 Сливной канал для сброса давления топлива, оставшегося в камере над запорным седлом распылителя
8 Нижний плунжер
9 Сливной канал
10 Дренажный канал
11 Подпорный клапан
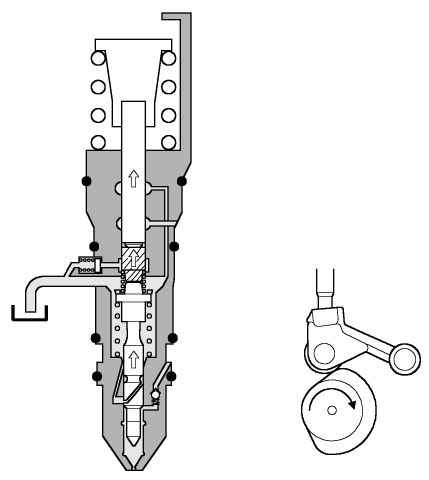
Фаза 1

Насос-форсунка находится в закрытом состоянии. Кулачок распределительного вала прижимает друг к другу плунжеры насос-форсунки, действуя через роликовый толкатель, штангу толкателя и коромысло.
Нижний плунжер прижат к седлу распылителя.
Насос-форсунка закрыта как для подачи топлива, предназначенного для впрыскивания в цилиндр, так и для подачи топлива для регулирования опережения впрыскивания.
Фаза 2

Следуя за подъемом коромысла, плунжеры в насос-форсунке также синхронно поднимаются до тех пор, пока нижний плунжер не дойдет до упора.
Канал, по которому подается топливо, предназначенное для впрыскивания в цилиндр, открыт. Если электромагнитный клапан открыт, то топливо начинает заполнять полость распылителя насос-
форсунки.
Фаза 3

Самый верхний плунжер насос-форсунки занимает свое наивысшее положение, дойдя до упора.
Электромагнитный клапан дозирования цикловой подачи открыт, происходит заполнение полости распылителя топливом, предназначенным для впрыскивания в цилиндр.
Канал для подачи топлива, предназначенного для регулирования опережения впрыскивания, открыт.
Фаза 4

Электромагнитный клапан регулирования опережения впрыскивания открывается, и происходит заполнение топливом управляющей полости насос-форсунки.
Средний плунжер под действием давления поступающего топлива опускается вниз к нижнему плунжеру.
Заполнение предназначенным для впрыскивания топливом камеры распылителя должно завершиться до того, как нижний плунжер перекроет подводящий канал.
Фаза 5

Верхний плунжер насос-форсунки опускается вниз коромыслом под действием кулачка распределительного вала. Средний плунжер также опускается вниз за счет давления топлива, заключенного в полости между верхним и средним плунжерами. Средний плунжер упирается в нижний плунжер.
Все три плунжера начинают опускаться вместе.
Нижний плунжер сжимает воздух, который прошел в распылитель насос-форсунки во время такта сжатия в цилиндре двигателя.
Как только давление в полости распылителя начинает превышать давление воздуха в камере сгорания, плунжер вытесняет воздух обратно в цилиндр. Впрыскивание начинается, когда нижний плунжер вытеснил из полости распылителя весь воздух и там осталось только топливо.
Фаза 6

Впрыскивание топливо завершено. Нижний плунжер находится в самом нижнем положении. Кулачок распределительного вала через коромысло продолжает опускать вниз верхний плунжер.
Средний плунжер находится в положении, когда сливной канал открыт. Топливо из управляющей полости, которая обеспечивает регулирование опережения впрыскивания, поступает в сливной канал через открытый подпорный клапан.
В этом положении плунжеров остаточное давление топлива, заключенного в камере распылителя, падает за счет сброса топлива в сливной канал через канал в нижнем плунжере.
Фаза 7

Кулачок распределительного вала через толкатель, штангу и коромысло обеспечивает закрытое состояние насос-форсунки.
Электронная система управления топливоподачей EDC S6
Общие сведения
На рисунке показано, с какими узлами и системами взаимодействует блок управления EDC. Связь с некоторыми блоками управления осуществляется через блок-координатор.

Связь с элементами, расположенными в зоне рабочего места водителя, происходит через блок-
координатор (COO).
1 Датчик давления подачи и температуры топлива
2 Клапан отсечки топлива
3 Два датчика частоты вращения коленвала двигателя
4 Датчик давления наддува и температуры воздуха во впускном коллекторе
5 Датчик температуры охлаждающей жидкости
6 Датчик давления масла
7 Датчики давления топлива (для каждого блока насос-форсунок) – только на автомобилях, выпущенных до ноября 2001 года
8 Электромагнитный клапан регулирования цикловой подачи топлива, передний блок насос-форсунок
9 Электромагнитный клапан регулирования опережения впрыскивания, передний блок насос-форсунок
10 Электромагнитный клапан регулирования цикловой подачи топлива, задний блок насос-форсунок
11 Электромагнитный клапан регулирования опережения впрыскивания, задний блок насос-форсунок
12 Блок управления ABS/TC и EBS
13 Блок управления гидрозамедлителем
14 Блок управления системой Opticruise
15 Блок-координатор, соединяющий систему EDC с элементами, расположенными в зоне рабочего места
водителя
Элементы системы EDC, расположенные на двигателе

1 Блок управления EDC
2 Клапан отсечки топлива
3 Электромагнитные клапаны регулирования цикловой подачи топлива
4 Электромагнитные клапаны регулирования опережения впрыскивания топлива
5 Датчик давления топлива в переднем блоке насос-форсунок, цилиндры 1-3*
6 Датчик давления наддува и температуры воздуха во впускном коллекторе
7 Датчик давления подачи и температуры топлива
8 Датчик давления топлива в заднем блоке насос-форсунок, цилиндры 4-6*
9 Датчик температуры охлаждающей жидкости
10 Два датчика частоты вращения коленвала
11 Датчик давления масла
* Датчики давления топлива установлены только на автомобилях, выпущенных до ноября 2001
года.
Электромагнитные клапаны
В системе питания топливом установлено два электромагнитных клапана для регулирования цикловой подачи топлива и два электромагнитных клапана для регулирования опережения впрыскивания
топлива.
Электромагнитные клапаны расположены снаружи крышек распределительного вала.
Это означает отсутствие электрической проводки в крышках распределительного вала и возможность легкого доступа к электромагнитным клапанам в случае их замены.
Блок управления EDC подает на электромагнитные клапаны импульсный сигнал с широтной модуляцией напряжением +24 В (более подробные сведения о сигналах управления см. в соответствующем
подразделе на стр. 61). На электромагнитный клапан сначала подается напряжение 120 В, которое затем уменьшается до 24 В.
Длительность открытого состояния электромагнитного клапана регулирует блок управления EDC: чем больше скважность импульсного сигнала, тем дольше открыт электромагнитный клапан.

1 Электромагнитный клапан регулирования цикловой подачи топлива, передний блок насос-форсунок
2 Электромагнитный клапан регулирования опережения впрыскивания топлива, передний блок насос-форсунок
3 Электромагнитный клапан регулирования опережения впрыскивания топлива, задний блок насос-форсунок
4 Электромагнитный клапан регулирования цикловой подачи топлива, задний блок насос-форсунок
Обнаружение отказов электромагнитных клапанов
На двигателях, выпущенных до ноября 2001 года, отказы электромагнитных клапанов обнаруживаются с помощью датчиков давления топлива T92 и T93. Описание процедуры диагностики отказов приведено в подразделе, посвященном датчикам давления топлива. На двигатели, изготовленные позже ноября 2001, датчики давления топлива больше не устанавливаются.
Для диагностики отказов электромагнитных клапанов используются сигналы датчиков частоты вращения коленчатого вала двигателя. Блок управления контролирует сигналы датчиков частоты вращения, сравнивая угловое ускорение коленчатого вала после каждого впрыска топлива в
цилиндры. Это позволяет обнаружить наличие ненормальной разницы развиваемого крутящего момента на рабочих тактах в передней (1-3) и задней (4-6) группах цилиндров, что может быть обусловлено нарушением подачи топлива из-за отказа одного из электромагнитных клапанов.
При обнаружении разницы развиваемых крутящих моментов по группам цилиндров блок управления EDC устанавливает соответствующий код неисправности.
Одновременно крутящий момент двигателя начинает ограничиваться. Если разница в развиваемых моментах настолько велика, что существует опасность превышения допустимых оборотов, то подача топлива ограничивается клапаном отсечки.
Электромагнитные клапаны регулирования цикловой подачи топлива V100 и V101
Электромагнитные клапаны предназначены для регулирования цикловой подачи топлива в цилиндры двигателя. Электромагнитный клапан переднего блока насос-форсунок регулирует цикловую подачу топлива в цилиндры 1-3. Электромагнитный клапан заднего блока насос-форсунок регулирует
цикловую подачу топлива в цилиндры 4-6.
Объем топлива, впрыскиваемого в цилиндр, зависит от длительности фазы открытия электромагнитного клапана. Длительность фазы открытого состояния клапана регулируется блоком управления EDC.
Если блок управления не в состоянии нормально управлять электромагнитными клапанами, то устанавливается соответствующий код неисправности.

Схема электрического соединения электромагнитных клапанов с блоком управления EDC E44
V100 = электромагнитный клапан регулирования цикловой подачи топлива,
передний блок насос-форсунок
V101 = электромагнитный клапан регулирования цикловой подачи топлива,
задний блок насос-форсунок.
Электромагнитные клапаны регулирования опережения впрыскивания топлива V98 и V99
Электромагнитные клапаны предназначены для регулирования опережения впрыскивания топлива. Электромагнитный клапан переднего блока насос-форсунок регулирует опережение впрыскивания
топлива в цилиндры 1-3. Электромагнитный клапан переднего блока насос-форсунок регулирует опережение впрыскивания топлива в цилиндры 4-6.
Опережение впрыскивания зависит от объема топлива, поступившего в управляющую полость насос-форсунки от электромагнитного клапана. Объем топлива в управляющей полости зависит от
длительности фазы открытия электромагнитного клапана. Длительность фазы открытого состояния клапана регулируется блоком управления EDC.
Если блок управления не в состоянии нормально управлять электромагнитными клапанами, то устанавливается соответствующий код неисправности.

Схема электрического соединения электромагнитных клапанов с блоком
управления EDC E44
V98 = электромагнитный клапан регулирования опережения впрыскивания
топлива, передний блок насос-форсунок
V99 = электромагнитный клапан регулирования опережения впрыскивания
топлива, задний блок насос-форсунок
Клапан отсечки топлива V102
Назначением клапана является прекращение питания двигателя топливом. Клапан отсечки топлива управляется блоком EDC. Клапан прекращает подачу топлива при глушении двигателя, а также если блок управления EDC обнаружил отказы, требующие остановки двигателя. При работе двигателя
на клапан отсечки топлива подается напряжение +12 В. При подаче напряжения клапан открыт, при отсутствии напряжения – закрыт.
При запуске двигателя система управления должна получить сигнал от датчиков частоты вращения коленчатого вала, который подтверждает, что коленвал прокручивается стартером. Только после этого на клапан отсечки топлива подается управляющее напряжение.
При выключении двигателя система EDC выполняет проверку клапана отсечки топлива. При обнаружении отказа клапана отсечки топлива (когда он не способен нормально прекратить подачу топлива в двигатель) устанавливается соответствующий код неисправности.


Схема электрического соединения клапана отсечки топлива с блоком управления EDC E44
Датчик давления подачи и температуры топлива T91
1 Датчик давления подачи и температуры топлива T91

Датчик давления подачи топлива
Датчик дает сигнал для блока управления EDC о текущем значении давления подачи топлива. Сигнал датчика соответствует абсолютному давлению топлива, т.е. сумме атмосферного давления и избыточного давления, обеспечиваемого топливоподкачивающим насосом.
Блок управления EDC использует сигнал датчика, чтобы компенсировать отклонения давления топлива от номинального значения и тем самым поддержать номинальный уровень развиваемой мощности и уровень вредных выбросов.
Блок управления получает от датчика сигнал по напряжению. Напряжение сигнала датчика прямо пропорционально давлению подачи топлива. Высокое давление соответствует высокому напряжению
сигнала и наоборот.
При нарушении нормального сигнала датчика блок управления начинает использовать предварительно
запрограммированную величину давления подачи топлива. Одновременно устанавливается соответствующий код неисправности. В целях безопасности, крутящий момент двигателя будет при этом ограничен.

Схема электрического соединения датчика с блоком управления EDC E44.
Датчик температуры топлива
Датчик дает сигнал для блока управления EDC о текущем значении температуры топлива.
Блок управления EDC использует сигнал датчика, чтобы компенсировать отклонения температуры топлива от номинального значения и тем самым поддержать номинальный уровень развиваемой
мощности и уровень вредных выбросов.
Блок управления получает от датчика сигнал по напряжению. Напряжение сигнала датчика обратно пропорционально температуре топлива. Чем выше температура топлива, тем ниже напряжение сигнала и наоборот.
Если напряжение сигнала датчика выходит за допустимые пределы, блок управления начинает использовать предварительно запрограммированную величину температуры топлива. Одновременно
устанавливается соответствующий код неисправности.
Датчики давления топлива T92 и T93
На двигателях, выпущенных позже ноября 2001 года, датчики давления топлива T92 и T93
отсутствуют. Задача, которую решали эти датчики – обнаружение отказов электромагнитных
клапанов – сейчас выполняется с помощью датчиков частоты вращения коленчатого вала.
Описание применяемой в настоящее время процедуры диагностики отказов электромагнитных
клапанов приведено в подразделе, посвященном электромагнитным клапанам.

1 Датчик давления топлива T92, передний блок насос-форсунок
2 Датчик давления топлива T93, задний блок насос-форсунок
Для каждого блока насос-форсунок предусмотрен один датчик давления топлива.
Датчики посылают в блок управления сигналы о наличии импульсов давления топлива между электромагнитным клапаном регулирования цикловой подачи топлива и соответствующей группой цилиндров. Блок управления EDC проверяет соответствие импульсов давления топлива величине
цикловой подачи топлива, установленной блоком управления. Датчики измеряют абсолютное давление, т.е. сумму атмосферного давления и избыточного давления топлива.
Блок управления получает от датчиков сигналы по напряжению. Напряжение сигнала датчика прямо пропорционально давлению топлива. Высокое давление соответствует высокому напряжению
сигнала и наоборот.
При нарушениях электрического сигнала устанавливается соответствующий код неисправности. При этом блок управления начинает использовать предварительно запрограммированную величину давления топлива. В целях безопасности, крутящий момент двигателя будет ограничен.
Если импульсы давления топлива для одного или двух цилиндров из одной группы различаются, устанавливается соответствующий код неисправности. Если импульсы давления для всех цилиндров одной группы слишком велики, то двигатель с помощью клапана отсечки топлива будет принудительно переведен на холостой ход.
Будет установлен соответствующий код неисправности, а работа двигателя будет отличаться сильной неравномерностью хода.

Схема электрического соединения датчика давления топлива T92 с блоком управления EDC E44

Схема электрического соединения датчика давления топлива T92 с блоком управления EDC E44.
Датчики частоты вращения коленвала T74 и T75
В системе EDC используются два датчика частоты вращения коленчатого вала: датчик 1 и датчик 2. Оба датчика индуктивного типа.
Это значит, что датчики генерируют сигнал только при вращении коленчатого вала.
Амплитуда сигнала может сильно изменяться, она зависит как от величины зазора между датчиком и маховиком, так и от оборотов двигателя. Блок управления EDC выполняет оценку амплитуды сигнала при различных оборотах двигателя. Если амплитуда сигнала становится слишком малой, устанавливается соответствующий код неисправности.

1 Датчик 1 частоты вращения коленвала, T74
2 Датчик 2 частоты вращения коленвала, T75
Оба датчика 1 и 2 частоты вращения позволяют определять угловое положение маховика. Это значит, что система EDC не может непосредственно и однозначно определять, на каком такте находится тот или иной цилиндр двигателя: например, в каком цилиндре, в 1-м или 6-м поршень пришел в
ВМТ на такте сжатия. Каждый раз при выключении двигателя и питания бортовой сети угловое положение маховика запоминается. При последующем включении питания бортовой сети занесенное в память положение маховика используется для того чтобы определить, на каких тактах находятся
цилиндры двигателя. После запуска двигателя система проверяет правильность занесенного в память положения маховика.

Расположение датчиков частоты вращения коленвала На увеличенном фрагменте
рисунка видны несколько радиальных отверстий в маховике, которые генерируют
сигналы датчиков частоты вращения коленвала.
Блок управления EDC получает сигналы от обоих датчиков частоты вращения коленвала. Если блок управления получает ненормальный сигнал или вообще не получает никакого сигнала от любого из
датчиков частоты вращения, то крутящий момент двигателя ограничивается (в качестве меры безопасности). После того как сигнал восстановится, двигатель продолжит работать в обычном режиме, без каких-либо дополнительных ограничений.
Если блок управления получает ненормальные сигналы или вообще не получает никаких сигналов от обоих датчиков частоты вращения, то запуск двигателя становится невозможным. Если при этом двигатель работает, то он будет заглушен.

Электрическая схема соединения датчиков частоты вращения коленвала с блоком
управления EDC E44
При вращении маховика датчики частоты вращения реагируют на отверстия, выполненные в маховике. При прохождении мимо датчика каждого отверстия генерируется импульсный сигнал, который
получает блок управления EDC. Это позволяет блоку управления рассчитать, на какой стадии рабочего цикла находится тот или иной цилиндр двигателя. Блок управления контролирует угловую скорость
коленвала и сравнивает ее изменение после рабочего хода в каждом цилиндре. Блок управления стремится убеспечивать одинаковые угловые ускорения коленвала после рабочих тактов во всех цилиндрах двигателя. Для этого блок управления корректирует цикловую подачу топлива
индивидуально для каждого цилиндра.
Расстояние между двумя отверстиями в маховике выполнено большим, чем расстояния между всеми остальными отверстиями. По прохождению мимо датчиков этого увеличенного интервала блок
управления узнает, что коленвал находится в определенном положении по отношению к верхней мертвой точке в определенном цилиндре (TDC UP).
При обнаружении блоком управления каких-либо отказов устанавливаются соответствующие коды неисправностей.
Датчик давления наддува и температуры воздуха во впускном коллекторе T47
Датчик давления наддува и датчик температуры воздуха во впускном коллекторе выполнены в едином блоке. На следующей странице приведено более подробное описание обоих датчиков.


Электрическая схема соединения датчика с блоком управления EDC E44
Датчик давления наддува
Датчик давления наддува измеряет абсолютное давление во впускном коллекторе двигателя, то есть атмосферное давление плюс избыточное давление, которое обеспечивается турбокомпрессором.
Блок управления EDC использует сигнал датчика, для того чтобы ограничить цикловую подачу топлива в случае падения давления наддува ниже определенного предела. Чем ниже абсолютное давление,
тем сильнее блок управления ограничивает цикловую подачу топлива. Это предотвращает выброс сажи с отработавшими газами.
Блок управления получает от датчика сигнал по напряжению. Напряжение сигнала прямо пропорционально давлению воздуха во впускном коллекторе. Чем выше абсолютное давление, тем выше напряжение сигнала и наоборот.
В зависимости от положения педали акселератора, оборотов двигателя, ускорения коленчатого вала и температуры воздуха во впускном коллекторе блок управления прогнозирует определенное значение давления наддува. Отклонение фактического давления наддува от прогнозируемого значения может быть получено с помощью программы диагностического сканера.
При каком-либо нарушении сигнала датчика устанавливается соответствующий код неисправности. При этом блок управления будет использовать предварительно запрограммированное значение давления
наддува. В целях безопасности, крутящий момент двигателя будет при этом ограничен.
Датчик температуры воздуха во впускном коллекторе
Датчик предназначен для измерения температуры воздуха во впускном коллекторе двигателя. Блок управления EDC использует сигнал датчика температуры воздуха для тонкой регулировки цикловой подачи топлива, с тем чтобы исключить выброс сажи. Чем теплее воздух во впускном коллекторе, тем сильнее блок управления уменьшает цикловую подачу топлива.
В качестве чувствительного элемента датчика температуры используется терморезистор, сопротивление которого зависит от температуры. При увеличении температуры сопротивление датчика падает.
Если напряжение сигнала выходит за допустимые пределы, блок управления использует предварительно запрограммированную величину температуры воздуха, одновременно устанавливается соответствующий код неисправности.
При этом двигатель медленнее, чем обычно, реагирует на нажатие педали акселератора при низкой температуре окружающего воздуха, поскольку блок управления EDC считает температуру воздуха выше, чем она есть в действительности.
Датчик температуры охлаждающей жидкости T33
Сигнал датчика температуры охлаждающей жидкости используется блоком управления EDC для определения цикловой подачи топлива и опережения впрыскивания при запуске двигателя, в том числе при запуске холодного двигателя. Кроме того, этот сигнал используется блоком управления EDC
для регулирования частоты холостого хода и ограничения максимальной частоты вращения колевала до прогрева двигателя, а также для ограничения мощности при слишком высокой температуре
охлаждающей жидкости.
Если при запуске двигателя блок управления EDC получает сигнал о низкой температуре охлаждающей жидкости (запуск холодного двигателя), то происходит следующее. Если двигатель не запустился в течение 2 секунд, цикловая подача топлива последовательно увеличивается до тех пор, пока двигатель не запустится.
Непосредственно после запуска холодного двигателя обороты коленчатого вала ограничены на уровне 1000 об/мин, для того чтобы защитить двигатель от повреждения.
Обороты холостого хода увеличиваются до 600 об/мин.
Продолжительность действия ограничения оборотов двигателя зависит от температуры охлаждающей жидкости:
Ниже +10°C 30 секунд
Выше +20°C 3 секунды
Частота холостого хода возвращается к нормальному значению, когда температура охлаждающей жидкости достигает 20 - 60°C (указанная температура зависит от модели двигателя).


Схема электрического соединения датчика температуры охлаждающей жидкости с
блоком управления EDC E44
На некоторых двигателях развиваемая мощность ограничивается, если температура охлаждающей жидкости превышает 104°C.
См. график на рис. Ограничение развиваемой мощности предохраняет двигатель от перегрева. Одновременно с ограничением мощности устанавливается соответствующий код неисправности.
Блок управления EDC получает от датчика сигнал по напряжению. Если напряжение сигнала выходит за допустимые границы, блок управления использует предварительно запрограммированную величину
температуры охлаждающей жидкости.
При этом характеристики холодного запуска двигателя ухудшаются, а дымление после запуска увеличивается.

Датчик давления масла T5
Датчик предназначен для измерения давления масла в системе смазки двигателя.
Блок управления EDC получает от датчика сигнал по напряжению. Если напряжение сигнала выходит за допустимые границы, то показывающий прибор, расположенный на панели управления, будет показывать 0 бар, независимо от оборотов двигателя.
Одновременно будет установлен соответствующий код неисправности.
В зависимости от оборотов двигателя блок управления EDC прогнозирует определенное значение давления масла. До 1000 об/мин давление масла должно быть не ниже определенного уровня. При частоте вращения коленвала выше 1000 об/мин давление масла должно возрасти, для того чтобы обеспечить эффективное охлаждение поршней маслом и т.д. Если давление масла ниже требуемого уровня, то загорается сигнализатор падения давления масла.
Сигнализатор падения давления масла включается при различном давлении масла, которое зависит от оборотов двигателя.


Схема электрического соединения датчика давления масла с блоком управления EDC E44
Блок управления EDC E44
Блок управления EDC получает информацию от различных датчиков и преобразует ее в команды управления цикловой подачей топлива и опережением впрыскивания.
Напряжение бортовой системы электрооборудования составляет 24 В.
Электрооборудование выполнено по однопроводной схеме с соединением с "массой" отрицательного полюса системы.
Блок управления понижает напряжение бортовой сети до напряжения около 5 В, которое используется для питания датчиков и других электрических приборов. Эти датчики всегда соединяются с "массой" через блок управления.
Конфигурация блока управления может быть выполнена с помощью программы Scania Programmer. Например, можно установить ограничение максимальной скорости.
Каждый раз при выполнении конфигурации блока управления в его запоминающее устройство заносится дата и идентификационный номер блока VCI. Это предусмотрено для тех же целей
безопасности, что и плобировка приборов.

Группы датчиков
Все датчики разделены на несколько групп.
Под этим понимается, что датчики одной группы подключены к одному выводу питания на блоке управления. Если, например, какой-либо датчик выходит из строя из-за короткого замыкания, то это
может повлиять на все остальные датчики этой группы.
Группа 2 включает следующие датчики:
• Датчик температуры охлаждающей жидкости T33
• Датчик давления наддува T47
• Датчик температуры воздуха во впускном коллекторе T47
• Датчик давления топлива заднего блока насос-форсунок T93 (на автомобилях с датчиком давления топлива)
• Датчик давления подачи топлива T91
Группа 1 включает следующие датчики:
• Датчик давления масла T5
• Датчик давления топлива переднего блока насос-форсунок T92 (на автомобилях с датчиком давления
топлива)
• Датчик температуры топлива T91

Подключение напряжения питания Подключение напряжения питания
датчиков группы 2 датчиков группы 1
Электрические разъемы блока управления EDC

Блок управления EDC соединяется с элементами системы EDC и другими системами автомобиля с помощью двух блочных разъемов A и B. См. рис.
Ниже приведен перечень контактных выводов разъемов с указанием их назначения.
Разъем Вывод
A1 1 Напряжение питания +5 В, датчик давления топлива
заднего блока насос-форсунок. (На автомобилях,
выпущенных до ноября 2001 года).
A1 2 Напряжение питания +5 В, датчик давления топлива
переднего блока насос-форсунок (На автомобилях,
выпущенных до ноября 2001 года).
A1 3 Входной сигнал датчика давления топлива переднего
блока насос-форсунок. Блок управления измеряет
напряжение между выводами 3 и 8. (На автомобилях,
выпущенных до ноября 2001 года).
A1 4 Соединение с "массой" электромагнитного клапана
регулирования цикловой подачи топлива, задний блок
насос-форсунок.
A1 5 Питание электромагнитного клапана регулирования
цикловой подачи топлива, задний блок насос-форсунок.
A1 6 Входной сигнал датчика давления топлива заднего блока
насос-форсунок. Блок управления измеряет напряжение
между выводами 6 и 7. (На автомобилях, выпущенных до
ноября 2001 года).
A1 7 Соединение с "массой" датчика давления топлива заднего
блока насос-форсунок. (На автомобилях, выпущенных до
ноября 2001 года).
A1 8 Соединение с "массой" датчика давления топлива
переднего блока насос-форсунок. (На автомобилях,
выпущенных до ноября 2001 года).
A1 9 Соединение с "массой" электромагнитного клапана
регулирования опережения впрыскивания, задний блок
насос-форсунок.
A1 10 Питание электромагнитного клапана регулирования
опережения впрыскивания, задний блок насос-форсунок.
A2 1-10 Не используется
A3 1-2 Не используется
A4 1-2 Не используется
A5 1 Входной сигнал датчика 1 частоты вращения коленвала
двигателя.
A5 2 Соединение с "массой" датчика 1 частоты вращения
коленвала двигателя.
A6 1 Входной сигнал датчика 2 частоты вращения коленвала
двигателя.
A6 2 Соединение с "массой" датчика 2 частоты вращения
коленвала двигателя.
A7 1 Входной сигнал датчика температуры охлаждающей
жидкости.
A7 2 Соединение с "массой" датчика температуры
охлаждающей жидкости.
A8 1-2 Не используется
A9 1 Не используется
A9 2 Напряжение питания +5 В датчика давления масла.
A9 3 Входной сигнал датчика давления масла. Блок
управления измеряет напряжение между выводами 3 и 4.
A9 4 Соединение с "массой" датчика давления масла.
A9 5 Не используется
A10 1 Напряжение питания +5 В датчика давления наддува.
A10 2 Входной сигнал датчика давления наддува. Блок
управления измеряет напряжение между выводами 2 и 3.
A10 3 Соединение с "массой" датчика давления наддува.
A10 4 Входной сигнал датчика температуры воздуха во
впускном коллекторе. Блок управления измеряет
напряжение между выводами 3 и 4.
A10 5 Не используется
B1 1 Напряжение питания +24 В блока управления.
B1 2 Соединение с "массой" блока управления.
B1 3 Входной сигнал +24 В от замка стартера (ключ повернут в
положение включения питания бортовой сети).
B1 4 Не используется
B1 5 Не используется
B1 6 Напряжение питания +24 В блока управления.
B1 7 Соединение с "массой" блока управления.
B1 8 Не используется
B1 9 Провод H шины CAN.
B1 10 Провод L шины CAN.
B2 1 Соединение с "массой" электромагнитного клапана
регулирования цикловой подачи топлива, передний блок
насос-форсунок.
B2 2 Напряжение питания электромагнитного клапана
регулирования цикловой подачи топлива, передний блок
насос-форсунок.
B2 3 Входной сигнал датчика температуры топлива. Блок
управления измеряет напряжение между выводами 3 и 10.
B2 4 Напряжение питания клапана отсечки топлива.
B2 5 Соединение с "массой" клапана отсечки топлива.
B2 6 Соединение с "массой" электромагнитного клапана
регулирования опережения впрыскивания, передний блок
насос-форсунок.
B2 7 Напряжение питания электромагнитного клапана
регулирования опережения впрыскивания, передний блок
насос-форсунок.
B2 8 Напряжение питания +5 В датчика давления подачи
топлива.
B2 9 Входной сигнал датчика давления подачи топлива. Блок
управления измеряет напряжение между выводами 9 и 10.
B2 10 Соединение с "массой" датчика давления подачи топлива.
B3 1-2 Не используется
B4 1-2 Не используется
B5 1-2 Не используется
B6 1-2 Не используется
B7 1-2 Не используется
B8 1-2 Не используется
B9 1-5 Не используется
B10 1-5 Не используется
Элементы системы EDC, расположенные на рабочем месте водителя
Все приборы и устройства, расположенные в рабочей зоне водителя, подключены к блоку-координатору. При этом блок управления EDC будет получать информацию о состоянии периферийных элементов системы только по шине CAN. Периферийные элементы описаны в подразделе, посвященном функционированию блока-координатора. Ниже приведено краткое
описание того, как блок управления EDC использует информацию, получаемую от блока-координатора.
Датчик положения педали акселератора
Блок управления EDC получает по шине CAN от блока-координатора информацию о положении педали акселератора. Блок EDC использует эту информацию для управления электромагнитными клапанами цикловой подачи топлива и опережения впрыскивания топлива.
Блок выключателей круиз-контроля S51
Блок управления EDC получает по шине CAN от блока-координатора информацию о параметрах функционирования системы круиз-контроля. Блок управления EDC обрабатывает эту информацию и
поддерживает заданную скорость автомобиля или заданные обороты двигателя.
Конечные выключатели тормозной педали Блок управления EDC получает по шине CAN от блока-координатора информацию о состоянии конечных выключателей тормозной педали. Блок управления
использует эту информацию для выполнения некоторых функций, связанных, например, с системой круиз-контроля.
Конечный выключатель педали сцепления
Блок управления EDC получает по шине CAN от блока-координатора информацию о состоянии конечных выключателей педали сцепления. Блок управления использует эту информацию для выполнения некоторых функций, связанных, например, с системой
круиз-контроля.
Тахограф O4
Блок управления EDC получает по шине CAN от блока-координатора информацию о скорости автомобиля. Сигнал скорости автомобиля необходим для выполнения некоторых функций, связанных, например, с системой круиз-контроля или с ограничением максимальной скорости.
Если блок управления EDC не располагает никакой информацией о скорости автомобиля, то он использует предварительно запрограммированную величину 15 км/ч.
Сигнализатор неисправности EDC W27
Блок управления EDC передает в блок-координатор информацию о том, должен гореть или нет сигнализатор неисправности EDC.
Сигнализатор неисправности EDC загорается на несколько секунд при включении ключом стартера питания бортовой сети. Это предусмотрено для проверки исправности сигнализатора.
После глушения двигателя сигнализатор горит, пока блок управления EDC не выполнит функциональный тест системы EDC. После завершения теста сигнализатор гаснет.
При работе двигателя сигнализатор неисправности EDC должен быть выключен.
Сигнализатор загорается при обнаружении неисправности в системе EDC.
Если сигнализатор постоянно мигает и двигатель не запускается, то это свидетельствует о наличии серьезной неисправности блока управления EDC. При этом будет невозможно установить связь с
блоком управления. В этом случае необходимо заменить блок управления.
Органы управления системой круиз-контроля
Примечание: Установите выключатель в положение OFF, если круиз-контроль не используется. Если выключатель оставить в положении ON, то можно по ошибке активизировать функции круиз контроля.
Ниже приведено описание функций системы круиз-контроля.
Включение
Для того чтобы система круиз-контроля могла функционировать, скорость автомобиля должна составлять не менее 20 - 35 км/ч (минимальная предельная скорость зависит от модели двигателя).
1 Установите выключатель в положение ON.
2 Поддерживайте желаемую скорость движения автомобиля. Нажмите на выключатель ACC или RET, для того чтобы активизировать круиз-контроль, и затем отпустите педаль акселератора.
Установка скорости движения автомобиля
Измените установленную скорость автомобиля с помощью выключателей ACC или RET. Отпустите выключатель ACC/RET, как только будет достигнута желаемая скорость автомобиля.
Короткое нажатие на выключатель приводит к изменению скорости движения на 1 км/ч.

Отключение круиз-контроля
Круиз-контроль отключается при любом из следующих условий:
• Включение гидрозамедлителя или моторного замедлителя
• Нажатие на выключатель круиз-контроля. Нажмите выключатель в положение OFF (подпружиненное
положение).
• Нажатие на тормозную педаль
• Нажатие на педаль сцепления
• Нажатие на педаль акселератора - если скорость автомобиля будет превышать
установленное значение стабилизируемой скорости дольше 30 секунд.
Возвращение к предварительно заданной скорости автомобиля
Например, после торможения можно легко вернуться к предварительно заданной скорости движения автомобиля, если нажать на выключатель RES.
Значение предварительно заданной скорости сохраняется в памяти блока управления до выключения двигателя или до задания нового значения стабилизируемой скорости.
Установка оборотов двигателя вручную
Установка оборотов двигателя вручную используется, например, при работе грузоподъемного крана. Для этого используются органы управления системой круиз-контроля. Установка оборотов двигателя вручную возможна на неподвижном автомобиле и при скорости движения не более 10 км/ч.
Если автомобиль должен двигаться, то необходимо включить передачу и отпустить педаль сцепления, прежде чем будет возможно устанавливать вручную обороты двигателя.

Включение
1 Установите выключатель круиз-контроля в положение ON.
2 Нажмите на кнопку RES, двигатель будет поддерживать обороты, которые были заданы предварительно.
3 Нажмите на кнопку ACC или RET, для того чтобы установить новое значение оборотов двигателя.
4 Затем нажмите и удерживайте кнопку RES не менее трех секунд, чтобы зафиксировать в памяти новое значение оборотов двигателя.
Установленное значение оборотов остается в памяти блока управления до следующего изменения, даже если двигатель выключается.
Перевод двигателя на обороты холостого хода
• Нажмите на кнопку OFF
или
• нажмите на тормозную педаль или педаль сцепления
или
• включите моторный замедлитель или гидравлический замедлитель.
Установка оборотов холостого хода
Имеется возможность установить обороты холостого хода в пределах от 500 до 700 об/мин. Установка производится с помощью органов управления круиз-контролем. Вообще говоря, оборотыхолостого хода должны быть установлены на минимальном уровне, когда двигатель еще работает ровно.
При установке оборотов холостого хода необходимо удерживать тормозную педаль нажатой. Двигатель должен быть прогрет до температуры охлаждающей жидкости не менее +40°C.
1 Прогрейте двигатель до нормальной рабочей температуры.
2 Установите выключатель круиз-контроля в положение ON.
3 Нажмите на тормозную педаль и удерживайте ее до завершения установки оборотов холостого хода.
4 Нажмите и удерживайте кнопку RES не менее трех секунд. При этом будет установлено стандартное значение оборотов холостого хода 500 об/мин
5 С помощью выключателей ACC и RET установите требуемые обороты холостого хода. Каждое нажатие изменяет обороты на 10 об/мин.
6 Нажмите и удерживайте кнопку RES не менее трех секунд. Теперь обороты холостого хода установлены.
7 Отпустите тормозную педаль.
Установленное значение оборотов холостого хода остается в памяти блока управления до следующего изменения, даже если двигатель выключается.
Сигнализатор неисправности и вывод кодов неисправностей
Общие сведения
Сигнализатор неисправности EDC, используемый на грузовых автомобилях
При возникновении неисправности в системе EDC блок управления EDC выполняет одну или несколько из перечисленных ниже операций (в зависимости от вида обнаруженной неисправности).
• Включение сигнализатора неисправности EDC. После исчезновения неисправности сигнализатор часто выключается самостоятельно. Однако, при некоторых неисправностях, для того чтобы погасить
сигнализатор, может потребоваться выключить и снова включить ключом стартера питание бортовой сети автомобиля или заглушить и снова запустить двигатель.
• Выключение таких функций, как круиз-контроль и регулировка оборотов двигателя вручную.
• Ограничение крутящего момента двигателя.
• При работе на холостом ходу обороты двигателя немного превышают нормальное значение оборотов холостого хода.
• Глушение двигателя.
• Двигатель будет принудительно переведен на холостой ход.
Блок управления выполняет перечисленные выше операции, для того чтобы предотвратить негативные последствия возникновения отказа (дорогостоящий ремонт, а в худшем случае – поломка двигателя вследствие работы вразнос).
Если двигатель не заглушен, автомобиль часто может двигаться своим ходом на сервисную станцию. Однако, необходимо помнить о том, что в этом случае система обладает меньшим запасом безопасности, чем обычно, особенно, если мощность двигателя ограничена.
Тест при глушении двигателя
Каждый раз при глушении двигателя блок управления EDC осуществляет специальный тест системы EDC. В процессе выполнения этой проверки сигнализатор неисправности EDC продолжает гореть. После завершения теста происходит следующее: блок управления EDC выключается, и сигнализатор гаснет. Блок управления постоянно подключен к аккумуляторной батарее.
Если в процессе проверки, выполняемой при глушении двигателя, блок управления EDC обнаружил неисправность, то при следующем запуске двигателя загорится сигнализатор неисправности. Сигнализатор включится, даже если эта неисправность больше не проявляется. Для тогочтобы сигнализатор погас, блок управления должен выполнить проверку при глушении двигателя, в процессе
которой неисправности будут полностью отсутствовать.
Коды неисправностей
При обнаружении отказа или нарушения нормального функционирования системы блок управления EDC устанавливает соответствующий код неисправности.
Система диагностики может присваивать неисправностям около 125 различных кодов.
В системе EDC S6 один код, выдаваемый мигающим сигнализатором, эквивалентен нескольким различным кодам неисправностей. Более подробную информацию можно найти в Руководстве по
техобслуживанию и ремонту, инструкция 03:04-06.
Структура кодов неисправности
Коды неисправности, выдаваемые мигающим сигнализатором, имеют определенную структуру. Количество длинных вспышек (продолжительностью по 1 с), которые выдаются в первую очередь, соответствует цифре в разряде десятков. Количество коротких вспышек (продолждительностью
по 0,3 с), которые следуют за длинными вспышками, соответствует цифре в разряде единиц.
Пример на рисунке справа показывает последовательность вспышек сигнализатора для кода неисправности 25.
Одиночная продолжительная вспышка
длительность 4 секунды обозначает
отсутствие кодов неисправностей в
запоминающем устройстве блока управления
EDC.
Хранение кодов неисправностей в памяти блока управления
Запоминающее устройство блока управления EDC обладает достаточной емкостью, для того чтобы хранить до 40 кодов неисправностей.
Коды неисправностей хранятся в двух различных сегментах памяти блока управления. Стирание кодов неисправностей с помощью диагностического выключателя приводит к уничтожению кодов только из
того сегмента памяти, откуда они могут выдаваться с помощью мигающего сигнализатора.
Однако, коды неисправности остаются в другом сегменте памяти, доступ в который возможен только из программы Scania Diagnos. Программа Diagnos позволяет узнать, сколько раз была зафиксирована
каждая из неисправностей. Эта информация может быть полезна, например, при ненадежном контакте в электрическом разъеме. Программа Scania Diagnos одновременно стирает коды неисправностей
из обоих сегментов памяти блока управления.
Аварийный режим работы
Если потенциометр датчика положения педали акселератора неисправен, то блок-координатор установит соответствующий код неисправности. Код неисправности будет также установлен и блоком
управления EDC - как следствие появления кода неисправности в блоке-координаторе.
При этом автомобиль может двигаться в аварийном режиме до ближайшей сервисной станции. Аварийный режим включается при отпускании педали акселератора. Это необходимо для того, чтобы блок управления мог проверить исправность конечного выключателя педали акселератора.
При следующем нажатии на педаль акселератора конечный выключатель педали замыкается. Замкнутый конечный выключатель обеспечивает такую же подачу топлива в двигатель, как при перемещении педали аксерератора на половину полного хода.
При отпускании педали акселератора двигатель переходит на холостой ход.
Если конечный выключатель педали акселератора неисправен, то двигатель будет работать при 750 об/мин.
Взаимодействие системы EDC с другими системами
ABS/TC и EBS
Системы ABS/TC и EDC при функционировании взаимодействуют между собой.
Блок управления ABS/TC постоянно контролирует пробуксовку колес автомобиля. При буксовании ведущих колес происходит автоматическое уменьшение подачи топлива в двигатель, независимо от
положения педали акселератора. Это ограничение продолжается до прекращения буксования ведущих колес.
Блок управления EDC получает по шине CAN от блока-координатора сигнал о текущем положении педали акселератора.
Блок управления EDC посылает сигнал о положении педали акселератора в блок управления ABS/TC.
Блоки управления EBS и ABS/TC взаимодействуют с блоком управления EDC аналогичным образом.
Система Opticruise
Системы Opticruise и EDC при функционировании взаимодействуют между собой.
Блок управления Opticruise постоянно получает от блока управления EDC такие данные, как обороты двигателя и положение педали акселератора. Блок управления EDC получает по шине CAN от блока-
координатора сигнал о текущем положении педали акселератора.
Во время переключения передач блок управления Opticruise регулирует обороты двигателя, пользуясь приоритетом над блоком управления EDC.
Моторный замедлитель
Блок управления моторным замедлителем при функционировании оказывает влияние на блок управления EDC, но не наоборот.
При включении моторного замедлителя в блок управления EDC посылается соответствующий сигнал, при этом блок EDC выключает систему круиз-контроля.
Если моторный замедлитель включен от тормозной педали, подача топлива в двигатель прекращается.
Гидравлический замедлитель
Блоки управления гидравлическим замедлителем и EDC при функционировании взаимодействуют между собой.
При включении гидравлического замедлителя в блок управления EDC посылается соответствующий сигнал, при этом блок EDC выключает систему круиз-контроля.
При нажатии на педаль акселератора во время работы гидравлического замедлителя последний мгновенно выключается и автомобиль будет нормально реагировать на управление подачей топлива.

Импульсные сигналы с широтной модуляцией
Примечание: Импульсный сигнал с широтной модуляцией не может быть измерен с помощью обычного мультиметра. Вместо этого, для того чтобы установить причину любой неисправности, следует использовать коды неисправностей.

Обозначение PWM соответствует импульсному сигналу с широтной модуляцией.
Импульсный сигнал с широтной модуляцией представляет собой периодический сигнал постоянной частоты (Т) с прямоугольной формой импульса. Максимальный уровень напряжения сигнала (U) также постоянен.
Переменной величиной является скважность сигнала - определяемая в процентах относительная длительность импульса (полный период сигнала обозначен на рисунке величиной 100%).
Импульсный сигнал с широтной модуляцией обеспечивает очень надежную передачу данных.
Шина CAN
Примечание: Изготовителям кузовного оборудования автомобилей и кузовов автобусов запрещается подключать к шине CAN собственные электронные системы без одобрения компании Scania. Подключение любого оборудования, кроме установленного на сборочном заводе, может отрицательно повлиять на безопасность и надежность автомобиля.
Примечание: С помощью мультиметра невозможно измерить или проверить сигнал, передаваемый по шине CAN. Для того чтобы установить причину неисправности, следует использовать коды неисправностей.
Обозначение СAN используется для краткого названия сети с периферийными контроллерами. Шина СAN обеспечивает сокращение количества проводов на автомобиле и одновременно с этим повышает надежность. Шина передачи данных состоит из двух проводов: CAN H и CAN L.

К этим проводам подключены несколько различных систем, которые образуют коммуникационную сеть. Данная сеть используется для соединения между собой, например, блоков управления EDC, ABS/TC,
EBS, блока управления гидравлическим замедлителем, Opticruise и блока-координатора.
Для упрощения можно считать, что сеть CAN похожа на радиосеть. Данные, передаваемые по проводам шины CAN, можно сравнить с радиоволнами, которые распространяются в эфире.
При прослушивании радиопередачи приемник настроен на определенную станцию. Можно единовременно прослушивать только одну радиостанцию, несмотря на то, что в то же самое время
вещает множество других радиостанций.
Блок управления, подключенный к шине CAN, принимает предназначенные для него данные аналогично радиоприемнику, настроенному на определенную волну. Блок управления может принимать, например,
данные, передаваемые по шине CAN блоком управления EDC и касающиеся температуры охлаждающей жидкости, и затем использовать эти данные для собственных расчетов.
Блок управления принимает несколько сообщений, передаваемых по шине CAN, и записывает их в специальную память. Эту память можно сравнить с несколькими радиоприемниками, которые работают
одновременно, но настроены на различные радиостанции и одновременно принимают несколько радиопрограмм. Таким образом, блок управления может всегда контролировать функционирование и
состояние системы.