Система Power Train Manager (PTM) MAN
(тренинт персонала)


Вместо использующегося до сих пор компьютера FFR внедряется Power Train Manager.
Ниже даны указания работникам сервисных центров.
Замена FFR на PTM и наоборот невозможна.
B начале серийной установки Power Train Manager (PTM) получил те же функции, что и FFR (стр. 13).
B отличие от FFR, PTM не издаёт звук переключения реле при включении или отключении зажигания.
Как и FFR, разные PTM устанавливаются в автомобили с автоматизированной (TipMatic) и ручной системой переключения передач.
Прежде всего, FFR и PTM отличаются друг от друга гнёздами и соединениями для них.
Соединения имеют контакты, ранее не применявшиеся в автомобилях MAN. Их установка требует других головок для обжимных щипцов.
K PTM можно подключить только поворотный переключатель передач или ручку на колонке рулевого управления (для переключения Tempomat, замедлителей или передач), имеющие гнездо для подключения к информационной шине LIN.
B автомобилях c PTM должен быть установлен ACC не ниже Step 5. Использование ранних версий вызывает неисправности.
B автомобилях c PTM в текстовых сообщениях указывается точный источник неисправности.
B отличие от автомобилей c FFR, регулировка педали управления подачей топлива в автомобилях c PTM не требуется.
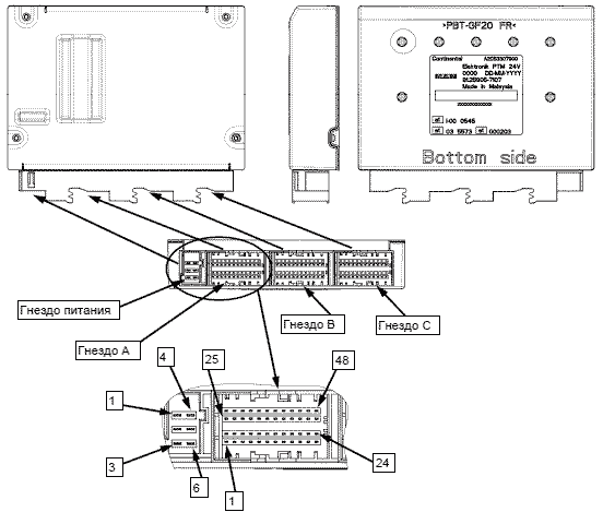
Гнёзда и назначение выводов

Гнездо питания
1 клемма 31
2 не занят
3 клемма 15
4 *
5 *
6 клемма 30
2 не занят
3 клемма 15
4 *
5 *
6 клемма 30
Гнездо A
1 не занят
2 магнитный клапан "медленных передач" переднего делителя (выход High)²
3 магнитный клапан цилиндра усиления сцепления (выход High)²
4 не занят
5 не занят
6 * **
7 *
8 не занят
9 не занят
10 не занят
11 не занят
12 не занят
13 не занят
14 магнитный клапан "быстрых передач" переднего делителя (выход High)²
15 не занят
16 не занят
17 магнитный клапан цилиндра усиления сцепления (выход Low)²
18 не занят
19 не занят
20 магнитный клапан 1-го отбора мощности (выход High)
21 магнитный клапан 2-го отбора мощности (выход High)
22 не занят
23 не занят
24 не занят
25 не занят
26 магнитный клапан блокировки передач (выход High)²
27 магнитный клапан "медленных передач" заднего делителя (выход High)²
28 магнитный клапан заднего делителя/блокировки передач (выход Low)²
29 магнитный клапан передач переднего делителя (выход Low)²
30 не занят
31 не занят
32 не занят
33 не занят
34 не занят
35 не занят
36 не занят
37 не занят
38 не занят
39 магнитный клапан "быстрых передач" заднего делителя (выход High)²
40 не занят
41 не занят
42 не занят
43 не занят
44 не занят
45 не занят
46 не занят
47 не занят
48 не занят
Гнездо B
1 *
2 не занят
3 не занят
4 диагностика (CAN High)
5 шина CAN (CAN High) двигателя
6 шина CAN (CAN High) трансмиссии
7 не занят
8 сигнал частоты на входе коробки передач (вход)
9 сигнал уровня масла двигателя (вход)
10 педаль акселератора (вход 2)
11 датчик температуры окружающего воздуха (отрицательный вывод)
12 не занят
13 датчик противодавления ОГ (положительный вывод)
14 не занят
15 не занят
16 диагностика (CAN Low)
17 шина CAN (CAN Low) двигателя
18 шина CAN (CAN Low) трансмиссии
19 не занят
20 *
21 сигнал противодавления ОГ (вход)
22 сигнал хода механизма сцепления (отрицательный вывод) **
23 датчик числа оборотов маховика (отрицательный вывод)
24 не занят
25 датчик числа оборотов маховика (положительный вывод)
26 не занят
27 не занят
28 *
29 *
30 *
31 информационный провод противоугонного устройства (вход)
32 не занят
33 сигнал температуры масла двигателя (вход)
34 сигнал хода механизма сцепления (вход)²
35 датчик частоты на входе коробки передач (отрицательный вывод)
36 ограничение крутящего момента двигателя/макс. скорости (отрицательный вывод)
37 EVB (выход High)
38 муфта вентилятора (выход High)
39 поворотный переключатель передач (LIN)
40 не занят
41 многофункциональное рулевое колесо (LIN)
42 *
43 сигнал числа оборотов маховика (вход 2)
44 не занят
45 педаль акселератора (вход 1)
46 датчик противодавления ОГ (отрицательный вывод)
47 датчик уровня/температуры масла двигателя (отрицательный вывод)
48 не занят
Гнездо C
1 сигнал температуры окружающего воздуха (вход)
2 не занят
3 не занят
4 сигнал включения передачи раздаточной коробки для движения по бездорожью (вход)
5 *
6 не занят
7 запрос пуска двигателя снаружи (вход)
8 сигнал включения 2-го отбора мощности (вход)
9 не занят
10 запрос EVB (вход)
11 *
12 запрос 1-го переключателя ComfortShift (вход) **
13 не занят
14 запрос передач заднего делителя (вход) **
15 не занят
16 не занят
17 запрос пуска двигателя - "клемма 50" (вход)
18 *
19 запрос отключения двигателя снаружи (вход)
20 включение стояночного тормоза (вход)
21 запрос передач переднего делителя (вход) **
22 запрос 2-го ограничения крутящего момента двигателя/макс. скорости (вход)
23 запрос 1-го регулирования промежуточной частоты вращения (вход)
24 * **
25 не занят
26 запрос ограничения макс. скорости (вход)
27 не занят
28 не занят
29 не занят
30 не занят
31 запрос 1-го отбора мощности (вход)
32 не занят
33 запрос 2-го переключателя ComfortShift (вход)²
34 запрос интеллектуального торможения (вход)
35 запрос 2-го регулирования промежуточной частоты вращения (вход)
36 сигнал включения передачи заднего хода (вход) **
37 запрос ограничения крутящего момента двигателя (вход)
38 не занят
39 не занят
40 не занят
41 не занят
42 *
43 запрос 2-го отбора мощности (вход)
44 сигнал включения 1-го отбора мощности (вход)
45 не занят
46 запрос регулирования/ограничения скорости движения (вход)
47 запрос 3-го регулирования промежуточной частоты вращения (вход)
48 нейтральное положение передач с ручным управлением (вход) **
* При внедрении PTM не использовался.
** Только в автомобилях c ручным переключением передач
Поворотный переключатель и ручка на колонке рулевого управления
B отличие от автомобилей c FFR, переключатель и ручка подключаются к PTM только по шине LIN.

Схемы соединений
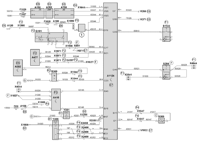
Power Train Manager (TGS или TGX)
- A100 центральная распределительная установка
- A302 компьютер ZBR
- A410 педаль акселератора
- A477 датчик противоугонного устройства
- A1124 Power Train Manager (PTM)
- B269 датчик температуры наружного воздуха
- B369 переключатель управления стояночным тормозом
- F236 предохранитель схемы управления двигателем (клемма 15)
- F1026 предохранитель PTM (клемма 30)
- F1027 предохранитель PTM (клемма 15)
- F1028 предохранитель PTM (клемма 15) для схемы ZDR
- G101 батарея 2
- K266 реле стояночного тормоза (в устройстве пуска/останова)
- K371 реле фары заднего хода
- K871 реле блокировки стартера в кузове с холодильной установкой
- S284 переключатель FGR/FGB
- S1133 кнопочный переключатель замедлителя
- Q101 замок зажигания
- X669 разъёмное соединение блокировки стартера
- X1544 3-e разъёмное соединение для рамы
- X1547 разъёмное соединение левой двери
- X1559 4-e разъёмное соединение для двигателя/EDC/КПП
- X1644 точка заземляющей шины в кабине у распред. установки
- X1827 обжимное соединение провода 31000
- X1904 болт M6 (в ящике соединений сверху двигателя) для провода 31000
- X1966 разъёмное соединение замка зажигания
- X1971 разъёмное соединение противоугонного устройства
- X1996 разъёмное соединение схемы ZDR (FFR/PTM)
- X2408 разъёмное соединение модуля EVB
- X2541 распределитель потенциала провода 31000
- X3385 разъёмное соединение EVB/моторного тормоза
- X4397 разъёмное соединение многофункционального руля
- X4644 распределитель потенциала провода 60028
- V1022 группа диодов V783, V818, V921, V922
- Y281 магнитный клапан EVB
- Y355 модуль EVB
- 1 блокировка заднего хода
bl синий
br коричневый
Места установки
- B1 Двигатель
- C Передняя часть автомобиля
- E6 У центральной распределительной установки
- E7 Отделения для блоков управления
- F Панель приборов
- F1 Средняя часть автомобиля
- F2 Вал/Колесо рулевого управления
- F3 Педали
- F4 Внутренняя сторона передней стенки слева
- F5 Внутренняя сторона передней стенки справа
- G Ящик батарей
- R1 Передняя часть рамы
- R2 Задняя часть рамы
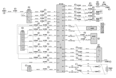
- A143 блок управленпия ECAS/EFR
- A144 блок управления ретардером
- A302 компьютер ZBR
- A312 модуль KSM для внешних устройств управления
- A330 блок управления TipMatic
- A402 блок управления EBS
- A435 блок управления EDC
- A479 блок управления ACC
- A609 блок управления LGS
- A626 блок управления HydroDrive
- A969 муфта вентилятора с датчиком частоты вращения
- A1124 Power Train Manager (PTM)
- B362 датчик перемещения механизма сцепления
- B368 индуктивный датчик частоты на входе коробки передач
- R283 нагрузочный резистор для HD OBD-CAN
- S172 переключатель нейтрального положения передач
- S477 переключатель ручки переключения передач
- X200 гнездо для проверочного оборудования
- X1551 2-e разъёмное соединение двигателя/EDC/КПП
- X1553 3-e разъёмное соединение двигателя/EDC/КПП
- X1559 4-e разъёмное соединение двигателя/EDC/КПП
- X1604 разъёмное соединение переключателя кнопки переключения
- X1904 болт M6 (в ящике соединений сверху двигателя) для провода 31000
- X1948 разъёмное соединение двигателя/EDC/КПП (в ящике соединений сверху двигателя)
- X1972 разъёмное соединение педалей снаружи
- X1983 болт M6 (в ящике соединений сверху двигателя) для провода 31000
- X3934 обжимное соединение провода 185
- X3935 обжимное соединение провода 186
- X4644 распределитель потенциала провода 60028
- Y307 магнитный клапан передач переднего и заднего делителя
- Y308 цилиндр усиления сцепления
bl синий
bl/rt синий/красный
bl/ws синий/белый
ge жёлтый
ws/bl белый/синий
ws/ge белый/жёлтый
Места установки
- B1 Двигатель
- B2 Система переключения передач
- E7 Отделения для блоков управления
- F1 Средняя часть автомобиля
- F2 Вал/Колесо рулевого управления
- F3 Педали
- F4 Внутренняя сторона передней стенки слева
- F8 Средняя панель переключений
- H1 Средняя стойка кабины со стороны водителя
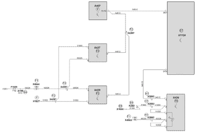
- A437 переключатель замедлителя
- A1124 Power Train Manager (PTM)
- B270 датчик уровня масла
- G101 батарея 2
- R134 группа резисторов EDC
- S219 переключатель указателя работы 1-го отбора мощности
- S220 переключатель указателя работы 2-го отбора мощности
- S222 переключатель 1-го отбора мощности
- S223 переключатель 2-го отбора мощности
- X327 соединение магнитного клапана в раме
- X1551 2-e разъёмное соединение двигателя/EDC/КПП
- X1552 разъёмное соединение 1-го отбора мощности, дополнительного отопителя (ADR)
- X1554 разъёмное соединение 2-го отбора мощности, дополнительного отопителя (ADR)
- X1557 разъёмное соединение рамы слева
- X1559 4-e разъёмное соединение двигателя/EDC/КПП
- X1644 точка заземляющей шины в кабине у распред. установки
- X1983 болт M6 (в ящике соединений сверху двигателя) для провода 31000
- X1996 разъёмное соединение схемы ZDR (FFR/PTM)
- X2541 распределитель потенциала провода 31000
- X3462 разъёмное соединение отбора мощности от двигателя
- X4397 разъёмное соединение многофункционального руля
- X4644 распределитель потенциала провода 60028
- Y153 магнитный клапан 1-го отбора мощности
- Y154 магнитный клапан 2-го отбора мощности
bl синий
bl/rt синий/красный
bl/ws синий/белый
ge жёлтый
ws/bl белый/синий
ws/ge белый/жёлтый
Места установки
- B1 Двигатель
- B2 Коробка передач
- E6 У центральной распределительной установки
- E7 Отделения для блоков управления
- F1 Средняя часть автомобиля
- F2 Вал/Колесо рулевого управления
- F4 Внутренняя сторона передней стенки слева
- F5 Внутренняя сторона передней стенки справа
- G Ящик батарей
- R1 Передняя часть рамы
- A100 центральная распределительная установка
- A407 приборы управления
- A434 переключатель передач
- A942 ручка переключения ретардера и передач на рулевой колонке
- A943 многофункциональное рулевое колесо
- A1124 Power Train Manager
- F1029 предохранитель PTM (клемма 15) переключателей/датчиков
- 64512 информационный провод шины LIN для связи PTM, рулевого колеса, ручки на рулевой колонке и приборов
- K250 реле фары заднего хода
- X1644 точка заземляющей шины в кабине у распред. установки
- X1827 обжимное соединение провода 31000
- X2002 разъёмное соединение переключателя передач у средней стойки
- X4397 разъёмное соединение многофункционального руля
- X4644 распределитель потенциала провода 60028
- 64515 информационный провод шины LIN для связи PTM и поворотного переключателя передач
Места установки
- E6 У центральной распределительной установки
- E7 Отделения для блоков управления
- F Панель приборов
- F1 Средняя часть автомобиля
- F2 Вал/Колесо рулевого управления
- F8 Средняя панель переключений
- H1 Средняя стойка кабины со стороны водителя
- A100 центральная распределительная установка
- A407 приборы управления
- A429 ручка переключения передач и Tempomat
- A434 поворотный переключатель
- A437 переключатель замедлителя
- A1124 Power Train Manager
- F1029 предохранитель PTM (клемма 15) переключателей/датчиков
- 64512 информационный провод шины LIN для связи PTM, рулевого колеса, ручки на рулевой колонке и приборов
- K250 реле фары заднего хода
- X1644 точка заземляющей шины в кабине у распред. установки
- X1827 обжимное соединение провода 31000
- X2002 разъёмное соединение переключателя передач в средней стойке
- X4397 разъёмное соединение многофункционального руля
- X4644 распределитель потенциала провода 60028
- 64515 информационный провод шины LIN для связи PTM и поворотного переключателя передач
Места установки
- E6 У центральной распределительной установки
- E7 Отделения для блоков управления
- F Панель приборов
- F1 Средняя часть автомобиля
- F2 Вал/Колесо рулевого управления
- F8 Средняя панель переключений
- H1 Средняя стойка кабины со стороны водителя
Вся информация в высоком качестве - в




