PETERBILT Diagnostic - Electrical System 387 Model
(FOR CHASSIS WITH TRAILER LOAD CENTERS)

1) INDEX SYMBOL KEY
2) HARNESS FLOW CHART
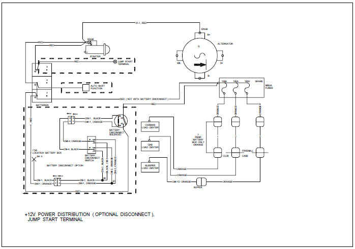
3) +12V POWER DISTRIBUTION ( OPTIONAL DISCONNECT, START JUMP TERMINALS )
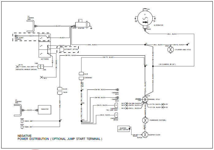
4) NEGATIVE POWER DISTRIBUTION
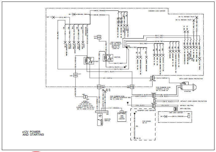
5) +12V POWER AND STARTING
6) WIPER / WASHER
7) HORN
8) MANUAL FAN CONTROL
9) HVAC CUMMINS / CATERPILLAR
10) TURN SIGNAL / STOP / HAZARDS / AUX TRAILER
11) REVERSE LAMPS
12) MARKER LAMPS
13) HEAD LAMP / DRL
14) FOG LAMPS
15) AIR DRYER
16) INTERFACE MODULE
17) SPOT LAMPS
18) LOAD LAMPS BRACKET MOUNTED / FLUSH MOUNTED / MULTIPLE / COIL 10'
19) FLUORESCENT LAMP SLEEPER
20) FLOOR LAMP
21) WINDOW LIFT
22) CENTRAL DOOR LOCKS
23) DOOR LAMPS / DOME LAMPS
24) PREMIUM SOUND
25) SLEEPER TOOL BOX LAMPS
26) SLEEPER CLOCK
27) AUX FAN
28) SLEEPER READING LAMPS
29) REFRIGERATOR UNIT REFER
30) SLEEPER POWER ACCESS OUTLETS
31) SLEEPER FLOOR LAMP
32) SLEEPER HVAC
33) DIGITAL MESSAGE CENTER / NAVIGATION / ROAD RELAY
34) E-BASIC ABS CAB HARNESS
35) E-BASIC ABS CHASSIS HARNESS
36) CAB CIGAR LIGHTER POWER CONNECTION
37) SPARE SWITCHES
38) TWO SPEED / INTER / FIFTH WHEEL / DIFF LOCK / PTO
39) LOW COOLANT
40) EATON TOP 2 TRANSMISSION
41) MIRROR CONTROL / HEATER / GLARESTOPPER
42) ENGINE BRAKE / CRUISE CONTROL / DIAGNOSTIC
43) RADIO
44) SPARE POWER SYSTEM EXPANSION SLEEPER
45) CATERPILLAR CUMMINS ENGINE ECU / TPS / SPEED SENSOR / INTERUPT / WARNING LAMPS
46) SMC SPEEDO MESSAGE CENTER
47) DATA LINK
48) CAB SPARE POWER / SYSTEM EXPANSION
49) CB RADIO
50) BACKLIGHTING +12VOLTS
51) NEGATIVE SWITCH LINKS
52) SPLICE LOCATION - DISTRIBUTION
53) SPLICE LOCATION - DISTRIBUTION
54) ASH TRAY
55) FUEL HOT LINE
56) CAB LOAD CENTER ( CLC )
57) SLEEPER LOAD CENTER ( SLC )
58) CHASSIS LOAD CENTER DECAL
59) TRAILER-DECAL
60) SLEEPER SPARES LOAD CENTER DECAL
61) CAB SPARES LOAD CENTER DECAL
62) TRAILER LOAD CENTER
63) FREEDOMLINE TRANSMISSION
64) AUTO SHIFT
65) ULTRASHIFT TRANSMISSION
66) SWITCHED 7th WIRE HOT
67) EATON VORAD
68) WARNING LIGHTS
69) WARNING LIGHT BAR
70) SPEED SENSITIVE DIFF LOCK
71) REMOTE KEYLESS ENTRY INSTRUMENTATION
72) SLPR LOW VOLTAGE DISCONNECT
73) CUMMINS ICON2 IDLE CONTROL SYSTEM



Полная информация в