Электрический интерфейс грузоподъемного борта MAN
Электрогидравлический грузоподъемный борт необходимо подключить к соответствующим
электрическим цепям.
Дооснащение сопряжено с дополнительными расходами и требует внедрения в бортовую сеть, что может проводиться только квалифицированными специалистами сервисных центров MAN.
Оно включает следующие детали:
• выключатель
• контрольную лампу
• устройство блокировки пуска двигателя
• и проводку электропитания
Установленную на заводе транспортировочную защиту перед началом работ необходимо удалить.
Дооснащение сопряжено с дополнительными расходами и требует внедрения в бортовую сеть, что может проводиться только квалифицированными специалистами сервисных центров MAN.
Предприятие, выполняющее работы, должно проверить электрическую схему грузоподъемного борта на
совместимость с автомобилем MAN. В обычном режиме на разъем А358 должны подаваться только
постоянные сигналы 24 В — не «мигающие» импульсы. В случае сбоя на реле К467 может кратковременно подаваться прерывистый сигнал.
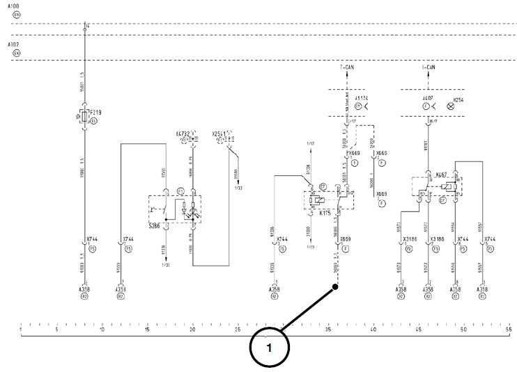
При подключении электрических цепей грузоподъемного борта используйте следующую схему.
Схема подключения электрических цепей грузоподъемного борта для TG с компьютером управления автомобилем (FFR)

1) Разъедините разъем Х669 и подсоедините разъем жгута проводки гидроборта
- А100 255 Центральный блок предохранителей и реле
- А302 352 Центральный компьютер 2
- А358 Блок управления грузоподъемного борта
- А403 339 Компьютер управления автомобилем
- А407 342 Комбинация приборов
- F219 118 Предохранитель грузоподъемного борта (кл. 15)
- Н254 Контрольная лампа грузоподъемного борта (Высокая активность)
- К175 281 Реле блокировки стартера
- К467 281 Реле грузоподъемного борта
- S286 547 Включатель грузоподъемного борта
- Х669 Разъем для блокировки пуска
- Х744 Разъем для подключения грузоподъемного борта
- Х2541 246 Делитель напряжения 21-конт. кабель 31000
- Х2542 246 Делитель напряжения 21-конт. кабель 58000
- Х3186 Разъем для подключения грузоподъемного борта
Проводники 91003, 91336, 91555, 91556, 91557, 91572 и 91573 ведут к 7-контактной коммутационной панели в задней части рамы (скручены в бухту).
Схема подключения электрических цепей грузоподъемного борта для TG с системой управления трансмиссией (РТМ)

1) Разъедините разъем Х669 и подсоедините разъем жгута проводки гидроборта.
- А100 255 Центральный блок предохранителей и реле
- А302 352 Центральный компьютер 2
- А358 Блок управления грузоподъемного борта
- А407 342 Комбинация приборов
- А1124 865 РТМ (Power Train Manager)
- F219 118 Предохранитель грузоподъемного борта (кл. 15)
- Н254 Контрольная лампа грузоподъемного борта (Высокая активность)
- К175 281 Реле блокировки стартера
- К467 281 Реле грузоподъемного борта
- S286 547 Включатель грузоподъемного борта
- Х669 Разъем для блокировки пуска
- Х744 Разъем для подключения грузоподъемного борта
- Х2541 246 Делитель напряжения 21-конт. кабель 31000
- Х3186 Разъем для подключения грузоподъемного борта
- Х4732 246 Потенциал линии распределения
- 16000 Выключатель освещения
Проводники 91003, 91336, 91555, 91556, 91557, 91572 и 91573 ведут к 7-контактной коммутационной панели в задней части рамы (скручены в бухту).