См. также:
Схемы электронного модуля Body Builder Module (BBM) DAF XF105

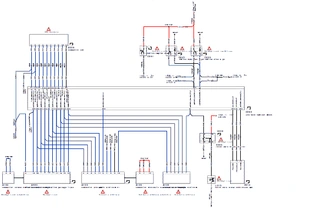
До 2007 г.
Основной код Описание Расположение на автомобиле Расположение на схеме Варианты
- A098 разъем, FMS, 18-контактный A2b1 3J
- A124 разъем, 12 В - 10H
- B245 клапан, управление МОМ 1 B4d3 3J На автомобилях, оборудованных системой МОМ 1
- B246 клапан, управление МОМ 2 B4d3 4J 5J
- C750 переключатель, управление МОМ 1 B2c1 7B На автомобилях, оборудованных системой МОМ 1
- C751 переключатель, управление МОМ 2 B2c1 9B На автомобилях, оборудованных системой МОМ 2
- D871 ЭБУ, ACH-EA A3c1 12J На автомобилях, оборудованных системой ADR
- D979 ЭБУ, ACH-EW B4c1 11J
- D993 ЭБУ, электронный модуль Body Builder Module A2c1 3F
- E570 переключатель, сцепление, МОМ/N10 C2c1 7H
- F087 переключатель, состояние МОМ, 1-й B4c3 4B На автомобилях, оборудованных системой МОМ 1
- F088 переключатель, состояние МОМ, 2-й B4c3 6B 5B
- F135 переключатель, давление воздуха, двигатель-МОМ - 9B На автомобилях с двигателем MX и
- возможностью включения и выключения МОМ двигателя
- F141 переключатель, давление воздуха, состояние МОМ - 4B
- G259 реле, МОМ A1c1 8H На автомобилях, оборудованных системой МОМ N10
- G516-10 Обзор клемм M8 A1c1 8K
- H004 разъем, реле, МОМ (2x) A2b1 8H
- 107F BK 8 B5d3 4I 5C 6C 6I 5C
- 110C GY 12 A1c1 11G 11H
- 118C VT 6 A1c1 7C 8C
- 120C VT 21 A1c1 10A 10D 11G 3H 8D 9D
- 133C WH 1 C1c1 6G При отсутствии МОМ N10: разъем
- 134C подсоединяется к разъему 133C
- 134C WH 1 C1c1 7G При отсутствии МОМ N10: разъем
- 134C подсоединяется к разъему 133C
- 139C BU 9 A1c1 12H 12I
- 153C YE 18 A1c1 3I При отсутствии системы FMS установите вместо
- D994 оконечный резистор (проводка FMS A098).
- 220C GN 9 B2c1 8C 9C
- 222C YE 18 B2a1 3H
- 4D BU 12 A1c1 8C 9C
- 8A YE 12 A1c1 10G 12G 4H 5D
- 6D 6H 8D 9G
- 8C GN 12 A1c1 11H 11I
- 9C GY 6 A1c1 7C 8C
- A068 разъем, ESC A4d3 2C На автомобилях с разъемом ESC
- A095 разъем, вспомогательный, мусоровоз A1c1 2I На мусоровозах (проходной разъем 56A)
- A122 разъем, гидравлическая платформа, 7-контактный - 7I
- A123 разъем, гидравлическая платформа, 21-контактный - 5I
- A125 разъем, гидравлическая платформа, подача - 8J
- C923 переключатель, функция stop & go - 11C На мусоровозах с надстройкой и коробкой передач Allison
- C941 переключатель, тормоз двигателя 8C
- C945 переключатель, обрамляющие лампочки - 12C
- D312 ЭБУ, AGC-A A1c1 13I
- D993 ЭБУ, электронный модуль Body Builder Module A2c1 2F
- H029 разъем, управление стояночным тормозом A1c1 10H
- L015 клапан, управление стояночным тормозом B4d3 11I На автомобилях с подготовкой под надстройку мусоровоза
- R006 реле, управление стояночным тормозом A1c1 10H На автомобилях с подготовкой под надстройку мусоровоза
- 8C GN 12 A1c1 11B 11D 8D
- 9C GY 6 A1c1 12I 12K
- 9C_2 GY 6 A1c1 12I 12K
С 2007 г.
С 2011 г.





