Букварь по DAVIE и EAS (EAS 2) AdBlue
Регулирующие функции
Обзор системы EAS
Проверка EAS
С помощью DAVIE можно выполнить несколько проверок EAS, чтобы проверить всю систему EAS.
С помощью DAVIE можно выполнить следующие проверки:
- Проверка фильтра AdBlue на наличие утечек
- Проверка контура AdBlue
- Проверка пневматического контура
- Проверка дозирующего модуля
Данную функцию можно использовать для слежения за системой EAS (фаза запуска, фаза работы, фаза завершения работы и т.д.) во время движения.
Регулировочные функции приведены:
1. Температура
Например, можно считывать следующие показания:
- Температура окружающей среды
- Температура в баке
- Температура блока EAS
- Температура охлаждающей жидкости двигателя
- Температура до каталитического нейтрализатора
- Температура после каталитического нейтрализатора
- Состояние клапана подогревателя бака
2. Давление
Например, можно считывать следующие показания:
- Давление AdBlue
- Давление воздуха перед отверстием
- Давление воздуха после отверстия
- Внешнее давление воздуха
- Расход AdBlue
- Частота вращения насоса
- Состояние клапана дозирования
- Состояние клапана вентиляции
- Состояние клапана давления воздуха
3. Общий вид
Например, можно считывать следующие показания:
- Расход AdBlue
- Давление AdBlue
- Частота вращения насоса
- Состояние клапана дозирования
- Состояние клапана вентиляции
- Давление воздуха перед отверстием
- Давление воздуха после отверстия
- Состояние клапана давления воздуха
- Температура до каталитического нейтрализатора
- Температура после каталитического нейтрализатора
- Клапан подогрева бака
Проверка фильтра AdBlue на наличие утечек
С помощью данной проверки систему
EAS можно проверить на наличие утечек AdBlue после технического обслуживания или ремонта.
Например, данную проверку можно выполнить в следующей ситуации:
- Фильтр AdBlue заменен.
- Линии AdBlue отсоединены от блока EAS.
- Линии AdBlue отсоединены от бака AdBlue.
- Линии AdBlue отсоединены от модуля дозирования.
Проверка контура AdBlue
Во время данной проверки проверяется контур AdBlue.
Например, данную проверку можно выполнить в следующей ситуации:
- В системе EAS имеется неисправность, касающаяся контура AdBlue или соответствующих компонентов
- контура AdBlue.
- Система EAS была отремонтирована.
- Компоненты системы EAS были изменены.
Проверка пневматического контура
Во время данной проверки проверяется пневматический контур.
Например, данную проверку можно выполнить в следующей ситуации:
- В системе EAS имеется неисправность, касающаяся пневматического контура или соответствующих компонентов пневматического контура.
- Система EAS была отремонтирована.
- Компоненты системы EAS были изменены.
Проверка дозирующего модуля
Во время данной проверки проверяется пневматический контур модуля дозирования.
Например, данную проверку можно выполнить в следующей ситуации:
- В системе EAS имеется неисправность, касающаяся дозирующего клапана.
- Необходимо проверить правильность работы дозирующего клапана.
Проверка фильтра AdBlue на наличие утечек
Главной целью данной проверки является проверка крышки фильтра AdBlue и соединений линий AdBlue на наличие утечек после ремонта или технического обслуживания.
Объяснение проверки
Проверка состоит из трех фаз:
1. Фаза промывки (приблизительно 30 секунд)
2. Фаза подачи давления (максимум 120 секунд)
3. Фаза завершения работы (приблизительно 40 секунд)
Данная проверка полностью автоматическая, поэтому все фазы последовательны. Проверку можно
прекратить в любой момент времени.
Фаза промывки
Проверка начинается с фазы промывки. Стравливающий клапан блока EAS открывается. Насос AdBlue
блока EAS подает AdBlue из бака AdBlue в блок EAS. Через стравливающий клапан AdBlue возвращается в бак для продувки контура AdBlue.
Фаза подачи давления
Фаза подачи давления начинается после завершения фазы промывки.
Во время данной фазы стравливающий клапан закрыт. Насос AdBlue работает для повышения давления AdBlue.
Когда в системе имеется давление, можно проверить крышку фильтра AdBlue и соединения AdBlue на
наличие утечек.
Если давление AdBlue не достигло значения 1,5 бара по прошествии 10 секунд, проверка автоматически
прекращается.
Фаза завершения работы
Последней частью данной проверки является фаза завершения работы.
После нажатия кнопки остановки или по завершении фазы подачи давления начинается последняя
фаза. Во время данной фазы стравливающий клапан открыт, чтобы стравит давление из системы.
Фаза завершения работы выполняется всегда, даже при отмене проверки.
Проверка контура AdBlue
Данную проверку можно выполнять, впрыскивая AdBlue или нет.
Проверка контура AdBlue без впрыскивания AdBlue
Основной целью данной проверки является проверка того, может ли система EAS увеличить давление
AdBlue. Помимо проверки давления AdBlue данная проверка также используется для отслеживания
механических неисправностей системы EAS.
Убедитесь, что жидкости AdBlue в баке достаточно для проведения проверки.
Убедитесь, что давление воздуха на входе выше 8 бар.
Объяснение проверки
Проверка состоит из трех фаз:
1. Фаза промывки (приблизительно 30 секунд)
2. Фаза подачи давления (приблизительно 45 секунд)
3. Фаза завершения работы (приблизительно 30 секунд)
Данная проверка полностью автоматическая, поэтому все фазы последовательны. Проверку можно
прекратить в любой момент времени.
Давление AdBlue должно находиться в указанных пределах.
Фаза промывки
Проверка начинается с фазы промывки. Вентиляционный клапан блока EAS открывается. Насос AdBlue
блока EAS подает AdBlue из бака AdBlue в блок EAS. Через вентиляционный клапан AdBlue
возвращается в бак для слива контура AdBlue.
Фаза подачи давления
Фаза подачи давления начинается после завершения фазы промывки.
Во время данной фазы вентиляционный клапан закрыт.
Насос AdBlue работает для повышения давления AdBlue.
Данную часть проверки можно использовать для отслеживания механических неисправностей системы EAS, например, утечки в модуле дозирования, засора подводящего трубопровода AdBlue, внутренней утечки в блоке EAS.
Фаза завершения работы
Последней частью данной проверки является фаза завершения работы.
Если нажата кнопка "ok/unknown" (принять/неизвестно), вводится последняя фаза. Во время данной
фазы вентиляционный клапан открыт для снижения давления в системе.
Фаза завершения работы
Выполняется всегда, даже при отмене проверки.
Механические неисправности
Давление AdBlue слишком низкое или давление отсутствует
Возможные причины слишком низкого давления AdBlue или его отсутствия:
Подводящий трубопровод AdBlue и возвратный трубопровод AdBlue поменяны местами.
Засорение или частичное засорение подводящего трубопровода AdBlue.
Засорение или частичное засорение предварительного фильтра AdBlue внутри соединения подачи в блоке EAS.
Засорение или частичное засорение фильтра AdBlue.
Засорение или частичное засорение фильтра бака AdBlue.
Механическая неисправность вентиляционного клапана.
Утечка в модуле дозирования.
Внутренняя утечка в блоке EAS.
Проверка контура AdBlue с впрыскиванием AdBlue
Основной целью данной проверки является запуск блока EAS и модуля дозирования во время фазы
дозирования и проверка того, что определенное количество жидкости AdBlue подается в указанный период времени. Помимо проверки подачи данная проверка также используется для отслеживания механических неисправностей системы EAS, например, модуля дозирования и линий AdBlue.
Убедитесь, что жидкости AdBlue в баке достаточно для проведения проверки.
Убедитесь, что давление воздуха на входе выше 8 бар.
Объяснение проверки
Проверка состоит из трех фаз:
1. Фаза промывки (приблизительно 30 секунд)
2. Фаза подачи давления (приблизительно 60 секунд)
3. Фаза дозирования (приблизительно 70 секунд)
4. Фаза завершения работы (приблизительно 40 секунд)
Данная проверка полностью автоматическая, поэтому все фазы последовательны. Проверку можно
прекратить в любой момент времени.
Фаза промывки
Проверка начинается с фазы промывки. Вентиляционный клапан блока EAS открывается. Насос AdBlue
блока EAS подает AdBlue из бака AdBlue в блок EAS. Через вентиляционный клапан AdBlue возвращается в бак для слива контура AdBlue.
Фаза подачи давления
Фаза подачи давления начинается после завершения фазы промывки.
Во время данной фазы вентиляционный клапан закрыт.
Насос AdBlue работает для повышения давления AdBlue.
Фаза дозирования
Фаза дозирования начинается по завершении фазы подачи давления.
Во время данной фазы дозирующий клапан включается и подает AdBlue в линию дозирования AdBlue.
В зависимости от версии программного обеспечения на этом этапе проверки может активироваться клапан регулирования давления воздуха.
Фаза завершения работы
Последней частью данной проверки является фаза завершения работы.
Если нажата кнопка "ok/unknown" (принять/неизвестно), вводится последняя фаза. Во время данной
фазы вентиляционный клапан открыт для снижения давления в системе.
Фаза завершения работы
Выполняется всегда, даже при отмене проверки.
Выполнение проверки
Проверку модуля дозирования необходимо выполнять согласно указаниям и условиям, указанным на
экране DAVIE.
1. Снимите линию дозирования AdBlue с форсунки.
2. Поместите линию дозирования AdBlue в измерительный контейнер.
3. По завершении проверки в измерительном контейнере должно находиться столько жидкости AdBlue, сколько отображается на экране DAVIE.
Не заливайте измеренное количество AdBlue в бак AdBlue.
4. Установите линию дозирования AdBlue в форсунку AdBlue.
Механические неисправности.
Подача AdBlue слишком низкая или подача отсутствует
Возможные причины слишком низкой подачи AdBlue или ее отсутствия по завершении проверки:
Подводящий трубопровод AdBlue и возвратный трубопровод AdBlue поменяны местами.
Засорение или частичное засорение подводящего трубопровода AdBlue.
Засорение или частичное засорение предварительного фильтра AdBlue внутри соединения подачи в блоке EAS.
Засорение или частичное засорение фильтра AdBlue.
Засорение или частичное засорение фильтра бака AdBlue.
Засорение или частичное засорение подводящего трубопровода AdBlue, идущего к модулю дозирования.
Засорение или частичное засорение линии дозирования AdBlue.
Слишком низкое давление AdBlue.
Внутренняя утечка в блоке EAS.
Механическая неисправность дозирующего клапана.
Проверка пневматического контура
Основной целью данной проверки является проверка пневматического контура системы EAS. Данную проверку можно использовать для отслеживания механических неисправностей системы EAS, например, блока EAS, линии подачи к модулю дозирования, модуля дозирования, линии дозирования и форсунки AdBlue.
Показание давления датчиков и падение давления в отверстии должны быть в пределах нормы, см. информацию по системе и компонентам.
Объяснение проверки
Проверка состоит из двух фаз:
1. Фаза подачи воздуха (приблизительно 35 секунд)
2. Фаза завершения работы (приблизительно 40 секунд)
Данная проверка полностью автоматическая, поэтому все фазы последовательны. Проверку можно
прекратить в любой момент времени.
Подача воздуха должна быть выше 8 бар. Проверка также выполняется при более низкой подаче воздуха. Однако из-за этого показания до и после отверстия считать невозможно.
Фаза подачи воздуха
Проверка начинается с фазы подачи воздуха. Клапан регулирования давления воздуха включается, и
давление воздуха подается через отверстие, линию подачи воздуха к дозирующему клапану, дозирующий клапан, линию дозирования в форсунку.
Во время данной фазы отображается значение датчиков давления до и после отверстия.
Фаза завершения работы
Последней частью данной проверки является фаза завершения работы.
После нажатия кнопки "ok / unknown" (принять/неизвестно) начинается последняя фаза. Во время данной фазы стравливающий клапан открыт, чтобы стравит давление из системы.
Фаза завершения работы
выполняется всегда, даже при отмене проверки.
Механические неисправности
Слишком низкое давление перед отверстием
Возможные причины слишком низкого давления воздуха перед отверстием:
Слишком низкая подача воздуха от автомобиля.
Засорение или частичное засорение линии подачи воздуха.
Засорение или частичное засорение воздухо/маслоотделителя.
Механическая неисправность клапана регулирования давления воздуха.
Отсутствие падения давления в отверстии
Возможные причины отсутствия падения давления в отверстии:
Засорение линии подачи воздуха, ведущей к модулю дозирования.
Засорение модуля дозирования.
Засорение линии дозирования AdBlue.
Засорение форсунки AdBlue.
Слишком низкое падение давления в отверстии
Возможные причины слишком низкого падения давления в отверстии:
Слишком низкое давление перед отверстием.
Частичное засорение линии подачи воздуха, ведущей к модулю дозирования.
Частичное засорение модуля дозирования.
Частичное засорение линии дозирования AdBlue.
Частичное засорение форсунки AdBlue.
Слишком высокое падение давления в отверстии
Возможные причины слишком высокого падения давления в отверстии:
Утечка в линии или соединении линии подачи воздуха, ведущей к модулю дозирования, модуле
дозирования, линии дозирования AdBlue или форсунке AdBlue.
Повреждение форсунки AdBlue.

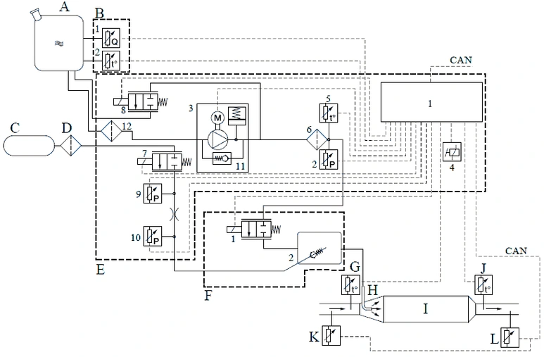
- A Бак AdBlue
- B датчик температуры/уровня AdBlue
- B1 Датчик уровня AdBlue
- B2 Датчик температуры AdBlue
- C Подача воздуха
- D Воздушный фильтр
- E Блок EAS
- E1 Электронный блок
- E2 Датчик давления AdBlue
- E3 Насос AdBlue
- E4 Внутреннее реле
- E5 Датчик температуры AdBlue
- E6 фильтр AdBlue
- E7 Клапан регулирования давления воздуха
- E8 Вентиляционный клапан
- E9 Датчик давления воздуха перед отверстием
- E10 Датчик давления воздуха после отверстия
- E11 Разгрузочный клапан
- E12 Предварительный фильтр
- F Модуль дозирования
- F1 Дозирующий клапан
- F2 Смесительная камера
- G Датчик температуры отработавших газов до каталитического нейтрализатора
- H Форсунка AdBlue
- I Каталитический нейтрализатор
- J Датчик температуры отработавших газов после каталитического нейтрализатора
Проверка дозирующего модуля
Главной целью данного тестирования является проверка модуля дозирования системы EAS.
Данную проверку также можно использовать, чтобы отследить механические неисправности в линии подачи воздуха, ведущей к модулю дозирования, в линии дозирования AdBlue и в форсунке AdBlue.
Объяснение проверки
Проверка состоит из не более чем трех фаз:
1. Фаза проверки модуля дозирования (приблизительно 35 секунд)
2. Фаза проверки модуля дозирования с отсоединенной линией дозирования AdBlue (приблизительно 35 секунд)
3. Фаза завершения работы (приблизительно 40 секунд)
Чтобы получить достоверные результаты проверки, ее необходимо выполнить полностью. Проверку
можно прекратить в любой момент времени.
Фаза проверки модуля дозирования
Включается клапан регулирования давления воздуха, и воздух под давлением проходит через отверстие
и линию подачи воздуха в модуль дозирования. Из модуля дозирования он проходит через линию
дозирования в форсунку AdBlue.
После стабилизации давления воздуха DAVIE вычисляет среднее значение давления воздуха после
отверстия.
Если среднее значение ниже 4000 мбар, модуль дозирования исправен, и начинается фаза завершения
работы.
Если среднее значение выше 4000 мбар, требуется проверка модуля дозирования с отсоединенной линией дозирования AdBlue.
Фаза проверки модуля дозирования с отсоединенной линией дозирования AdBlue
Линия дозирования AdBlue между модулем дозирования (F) и форсункой AdBlue (H) должна быть отсоединена на стороне модуля дозирования.
Включается клапан регулирования давления воздуха, и воздух под давлением проходит через отверстие
и линию подачи воздуха через модуль дозирования.
После стабилизации давления воздуха DAVIE вычисляет среднее значение давления воздуха после
отверстия.
Если среднее значение выше 3000 мбар, проверка модуля дозирования завершилась неудачно. В этом случае проверьте линию подачи воздуха, ведущую в модуль дозирования, и сам модуль дозирования. Если линия подачи воздуха, ведущая в модуль дозирования, открыта, и кристаллы AdBlue не обнаружены, причина проблемы находится в модуле дозирования.
Если среднее значение ниже 3000 мбар, модуль дозирования исправен.
В этом случае возможно засорение линии дозирования AdBlue между модулем дозирования и форсункой
AdBlue и/или форсунки AdBlue.
Когда система EAS выключена, и процедура завершения работы закончена, в форсунке AdBlue всегда остается некоторое количество жидкости AdBlue. Данная жидкость AdBlue может со временем кристаллизоваться и заблокировать отверстия форсунки AdBlue. В нормальных условиях эксплуатации данные кристаллы растворяются под действием высокой температуры отработавших газов.
Для блокировки линии дозирования AdBlue/форсунки AdBlue предусмотрен код неисправности. При отсутствии кода неисправности форсунку AdBlue прочищать не нужно.
Фаза завершения работы
Последней частью данной проверки является фаза завершения работы.
Если нажата кнопка "ok/unknown" (принять/неизвестно), вводится последняя фаза. Во время данной
фазы стравливающий клапан открыт, чтобы стравит давление из системы.
Фаза завершения работы выполняется всегда, даже при отмене проверки.

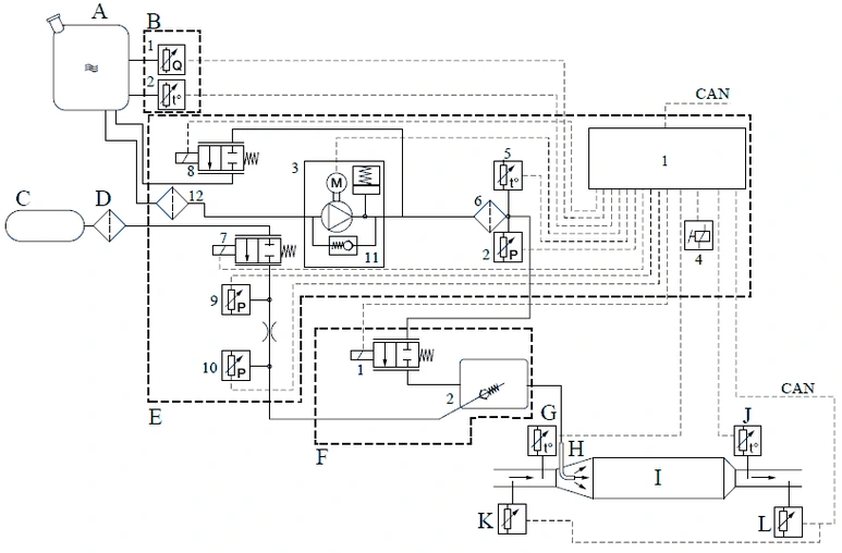
- A Бак AdBlue
- B Датчик температуры/уровня AdBlue
- B1 Датчик уровня AdBlue
- B2 Датчик температуры AdBlue
- C Подача воздуха
- D Воздушный фильтр
- E Устройство EAS
- E1 Блок электроники
- E2 Датчик давления AdBlue
- E3 Насос AdBlue
- E4 Внутреннее реле
- E5 Датчик температуры AdBlue
- E6 Фильтр AdBlue
- E7 Клапан регулирования давления воздуха
- E8 Вентиляционный клапан
- E9 Датчик давления перед отверстием
- E10 Датчик давления после отверстия
- E11 Регулятор давления
- E12 Предварительный фильтр
- F Дозирующий модуль
- F1 Дозирующий клапан
- F2 Смесительная камера
- G Датчик температуры отработавших газов до каталитического нейтрализатора
- H Форсунка AdBlue
- I Каталитический конвертер
- J Датчик температуры отработавших газов после каталитического нейтрализатора
- K Датчик NOx до каталитического нейтрализатора
- L Датчик NOx после каталитического нейтрализатора
Обзор системы EAS 2
Пример записи данных датчиков NOx
Проверка работы датчиков NOx на неподвижном автомобиле
Запишите условия для контроля датчиков NOx при неподвижном автомобиле:
1. Подсоедините DAVIE к автомобилю. Желательно, чтобы кабель передачи данных находился между DAVIE и VCI.
2. Выберите регулирующие функции EAS.
3. Запустите двигатель.
4. Двигайтесь на автомобили с нагрузкой, чтобы система EAS начала работать.
5. Процедура нагрева датчика NOx начинается, когда температура после каталитического нейтрализатора достигает 150°C. Процедура нагрева занимает приблизительно 5-10 минут при движении автомобиля.
Пока процедура нагрева не будет завершена, данные PPM не отображаются в DAVIE.
6. Когда температура достигает уровня приблизительно 210°C, система EAS начинает впрыск AdBlue для снижения содержания NOx.
7. Продолжайте двигаться с нагрузкой, пока температура отработавших газов не достигнет приблизительно 350°C и не будут отображаться показания датчика NOx.
8. Остановите автомобиль и включите стояночный тормоз.
9. Установите систему управления частотой оборотов двигателя на 1200 об/мин.
10. Отключите все возможные потребители (например, систему кондиционирования воздуха, освещение, воздушный компрессор).
11. Убедитесь, что крутящий момент двигателя равен 0 Нм с помощью DAVIE (DAVIE показывает крутящий момент двигателя с разрешением 256 Нм).
12. При помощи DAVIE убедитесь, что впрыск AdBlue не производится.
13. Запустите функцию сохранения данных.
Если функция сохранения данных включается сразу после эксплуатации двигателя под нагрузкой и впрыска AdBlue, остатки AdBlue могут присутствовать в каталитическом нейтрализаторе.
Наличие остатков AdBlue в каталитическом нейтрализаторе приводит к снижению уровня NOx, и для стабилизации значений NOx потребуется больше времени. Промойте систему и/или используйте
остатки AdBlue в каталитическом нейтрализаторе до подведения окончательных результатов.
Программное обеспечение EAS требует, чтобы два датчика NOx, установленные на одном автомобиле, измеряли значения PPM (промилле) в пределах допустимой разницы 20% друг относительно друга при подаче определенного количества промилле NOx.
Если значения датчиков NOx выходят за рамки заданных пределов, рекомендуется заменить датчик NOx, показывающий значения PPM значительно ниже 200 PPM или значительно выше 200 PPM на
неподвижном автомобилей. После замены датчика NOx необходимо повторить проверку работы датчика NOx. Новые измеренные значения необходимо сравнить со значениями предыдущей проверки и проверить на соответствие допустимому диапазону 20%.
Датчик NOx, снятый из-за несоответствия заданной норме, может работать хорошо в паре с другим датчиком NOx, который выдает похожие показания.
Пример 1
В этом примере, записанные данные импортируются из файла проверки автомобиля в таблицу (например, Excel) для построения приведенного ниже графика.
Верхние и нижние пределы датчиков NOx рассчитываются.

A Значение датчика NOx до каталитического нейтрализатора, данные журнала
B Значение датчика NOx после каталитического нейтрализатора, данные журнала
C Значение датчика NOx до каталитического нейтрализатора +20%, рассчитанный верхний предел
D Значение датчика NOx после каталитического нейтрализатора +20%, рассчитанный верхний предел
E Значение датчика NOx до каталитического нейтрализатора -20%, рассчитанный нижний предел
F Значение датчика NOx после каталитического нейтрализатора -20%, рассчитанный нижний предел
Заключение
Значение датчика NOx до каталитического нейтрализатора находится в рамках заданных предельных значений датчика NOx после каталитического нейтрализатора.
Значение датчика NOx после каталитического нейтрализатора находится в рамках заданных пределов датчика NOx до каталитического нейтрализатора.
Оба датчика NOx в хорошем состоянии.
Пример 2
В этом примере, записанные данные импортируются из файла проверки автомобиля в таблицу (например, Excel) для построения приведенного ниже графика.
Верхние и нижние пределы датчиков NOx рассчитываются.

A Значение датчика NOx до каталитического нейтрализатора, данные журнала
B Значение датчика NOx после каталитического нейтрализатора, данные журнала
C Значение датчика NOx до каталитического нейтрализатора +20%, рассчитанный верхний предел
D Значение датчика NOx после каталитического нейтрализатора +20%, рассчитанный верхний предел
E Значение датчика NOx до каталитического нейтрализатора -20%, рассчитанный нижний предел
F Значение датчика NOx после каталитического нейтрализатора -20%, рассчитанный нижний предел
Заключение
Значение датчика NOx до каталитического нейтрализатора находится в рамках заданных предельных значений датчика NOx после каталитического нейтрализатора.
Значение датчика NOx после каталитического нейтрализатора находится в рамках заданных пределов датчика NOx до каталитического нейтрализатора.
Оба датчика NOx в хорошем состоянии.
Пример 3
В этом примере, записанные данные импортируются из файла проверки автомобиля в таблицу (например, Excel) для построения приведенного ниже графика.
Верхние и нижние пределы датчиков NOx рассчитываются.

A Значение датчика NOx до каталитического нейтрализатора, данные журнала
B Значение датчика NOx после каталитического нейтрализатора, данные журнала
C Значение датчика NOx до каталитического нейтрализатора +20%, рассчитанный верхний предел
D Значение датчика NOx после каталитического нейтрализатора +20%, рассчитанный верхний предел
E Значение датчика NOx до каталитического нейтрализатора -20%, рассчитанный нижний предел
F Значение датчика NOx после каталитического нейтрализатора -20%, рассчитанный нижний предел
Заключение
Значение датчика NOx до каталитического нейтрализатора находится вне заданных пределов датчика NOx после каталитического нейтрализатора.
Значение датчика NOx после каталитического нейтрализатора находится вне заданных пределов
датчика NOx до каталитического нейтрализатора.
Значение датчика NOx после каталитического нейтрализатора также гораздо ниже 200 PPM и,
соответственно, неисправность этого датчика более вероятна.
Пример 4
В этом примере, записанные данные импортируются из файла проверки автомобиля в таблицу (например, Excel) для построения приведенного ниже графика.
Верхние и нижние пределы датчиков NOx рассчитываются.

A Значение датчика NOx до каталитического нейтрализатора, данные журнала
B Значение датчика NOx после каталитического нейтрализатора, данные журнала
C Значение датчика NOx до каталитического нейтрализатора +20%, рассчитанный верхний предел
D Значение датчика NOx после каталитического нейтрализатора +20%, рассчитанный верхний предел
E Значение датчика NOx до каталитического нейтрализатора -20%, рассчитанный нижний предел
F Значение датчика NOx после каталитического нейтрализатора -20%, рассчитанный нижний предел
Заключение
Значение датчика NOx до каталитического нейтрализатора находится вне заданных пределов датчика NOx после каталитического нейтрализатора.
Значение датчика NOx после каталитического нейтрализатора находится в рамках заданных пределов датчика NOx до каталитического нейтрализатора.
Значение датчика NOx до каталитического нейтрализатора также гораздо выше 200 PPM и, соответственно, неисправность этого датчика более вероятна.
Проверка работы датчиков NOx при движении под нагрузкой
Запишите условия для контроля датчиков NOx при движении под нагрузкой:
1. Подсоедините DAVIE к автомобилю. Желательно, чтобы кабель передачи данных находился между DAVIE и VCI.
2. Выберите регулирующие функции EAS.
3. Запустите двигатель.
4. Двигайтесь на автомобили с нагрузкой, чтобы система EAS начала работать.
5. Процедура нагрева датчика NOx начинается, когда температура после каталитического нейтрализатора достигает 150°C.
Процедура нагрева занимает приблизительно 5-10 минут при движении автомобиля.
Пока процедура нагрева не будет завершена, данные PPM не отображаются в DAVIE.
6. Когда температура достигает уровня приблизительно 210°C, система EAS начинает впрыск AdBlue для снижения содержания NOx.
7. Двигайтесь с неизменной скоростью под нагрузкой без впрыска AdBlue. Обратите внимание, что AdBlue не впрыскивается, когда частота вращения коленчатого вала двигателя ниже приблизительно
900 об/мин.
Для движения с постоянной скоростью выберите передачу, которая соответствует дорожным условиям, и используйте настройки ограничителя скорости.
8. При помощи DAVIE убедитесь, что впрыск AdBlue не производится.
9. Запустите функцию сохранения данных.
Если функция сохранения данных включается сразу после эксплуатации двигателя под нагрузкой и впрыска AdBlue, остатки AdBlue могут присутствовать в каталитическом нейтрализаторе. Наличие
остатков AdBlue в каталитическом нейтрализаторе приводит к снижению уровня NOx, и для
стабилизации значений NOx потребуется больше времени.
Промойте систему и/или используйте остатки AdBlue в каталитическом нейтрализаторе до подведения окончательных результатов.
Программное обеспечение EAS требует, чтобы два датчика NOx, установленные на одном автомобиле, измеряли значения PPM (промилле) в пределах допустимой разницы 20% друг относительно друга
при подаче определенного количества промилле NOx.
Пример записи данных подачи AdBlue
Проверка подачи AdBlue системы EAS во время движения
Запишите условия проверки подачи AdBlue во время движения автомобиля:
1. Подсоедините DAVIE к автомобилю. Желательно, чтобы кабель передачи данных находился между DAVIE и VCI.
2. Выберите регулирующие функции EAS.
3. Запустите двигатель.
4. Двигайтесь на автомобили с нагрузкой, чтобы система EAS начала работать.
5. Процедура нагрева датчика NOx начинается, когда температура после каталитического нейтрализатора достигает 150°C. Процедура нагрева занимает приблизительно 5-10 минут при движении автомобиля.
Пока процедура нагрева не будет завершена, данные PPM не отображаются в DAVIE.
6. Когда температура достигает уровня приблизительно 210°C, система EAS начинает впрыск AdBlue для снижения содержания NOx.
7. Двигайтесь с неизменной скоростью под нагрузкой с впрыском AdBlue.
Для движения с постоянной скоростью выберите передачу, которая соответствует дорожным условиям, и используйте настройки ограничителя скорости.
8. При помощи DAVIE убедитесь, что впрыск AdBlue производится.
9. Запустите функцию сохранения данных.
Пример
В этом примере, автомобиль имеет неисправности, связанные с эффективностью снижения
концентрации NOx.
Записанные данные импортируются из файла проверки автомобиля в таблицу (например, Excel) для
построения приведенного ниже графика.

A Значение датчика NOx до каталитического нейтрализатора
B Значение датчика NOx после каталитического нейтрализатора
C Температура до каталитического нейтрализатора
D Температура после каталитического нейтрализатора
E фактическое количество дозирования AdBlue
F Частота вращения коленчатого вала двигателя
G Крутящий момент двигателя
Заключение
Движение осуществлялось с постоянной скоростью и под нагрузкой. Это подтверждается частотой вращения коленчатого вала и крутящим моментом двигателя.
Программное обеспечение EAS определяет, что значение преобразования NOx не соответствует техническим условиям. Система EAS увеличивает количество впрыскиваемого Adblue.
Количество увеличивается, пока не будет достигнуто максимально допустимое значение для этой
ситуации. После того как увеличение количества выполнено несколько раз без снижения значения NOx после каталитического нейтрализатора, система активирует ошибку эффективности снижения
концентрации NOx.
Возможные причины:
Качество AdBlue не соответствует техническим условиям.
Низкая эффективность системы дозирования EAS-2. Например, утечка, засорение или ограничения проходимости в компонентах системы дозирования.
Низкая эффективность датчиков NOx.
Низкая эффективность каталитического нейтрализатора. Например, загрязнение масла или охлаждающей жидкости, ограничения потока или засорение.
Комментарии к проверкам EAS-2
Проверка EAS-2
С помощью DAVIE можно выполнить несколько проверок EAS-2, чтобы проверить всю систему EAS-2.
С помощью DAVIE можно выполнить следующие проверки:
- Проверка фильтра AdBlue на наличие утечек
- Автономная проверка системы
- Проверка контура AdBlue
- Проверка пневматического контура
- Проверка дозирующего модуля
Проверка фильтра AdBlue на наличие утечек
С помощью данной проверки систему
EAS-2 можно проверить на наличие утечек AdBlue после технического обслуживания или ремонта.
Например, данную проверку можно выполнить в следующей ситуации:
- Фильтр AdBlue заменен.
- Линии AdBlue отсоединены от блока EAS-2.
- Линии AdBlue отсоединены от бака AdBlue.
- Линии AdBlue отсоединены от модуля дозирования.
Автономная проверка системы
Во время данной проверки система EAS-2 проверяется в течение короткого периода времени.
Данная проверка позволяет определить общее состояние системы EAS-2.
Например, данную проверку можно выполнить в следующей ситуации:
- В системе EAS-2 имеется неисправность.
- Система EAS-2 была отремонтирована.
- Компоненты системы EAS-2 были изменены.
Проверка контура AdBlue
Во время данной проверки проверяется контур AdBlue.
Например, данную проверку можно выполнить в следующей ситуации:
- В системе EAS-2 имеется неисправность, касающаяся контура AdBlue или соответствующих компонентов
- контура AdBlue.
- Система EAS-2 была отремонтирована.
- Компоненты системы EAS-2 были изменены.
Проверка пневматического контура
Во время данной проверки проверяется пневматический контур.
Например, данную проверку можно выполнить в следующей ситуации:
- В системе EAS-2 имеется неисправность, касающаяся пневматического контура или соответствующих компонентов пневматического контура.
- Система EAS-2 была отремонтирована.
- Компоненты системы EAS-2 были изменены.
Проверка дозирующего модуля
Во время данной проверки проверяется пневматический контур модуля дозирования.
Например, данную проверку можно выполнить в следующей ситуации:
- В системе EAS-2 имеется неисправность, касающаяся дозирующего клапана.
- Необходимо проверить правильность работы дозирующего клапана.
Проверка фильтра AdBlue на наличие утечек
Главной целью данной проверки является проверка крышки фильтра AdBlue и соединений линий AdBlue на наличие утечек после ремонта или технического обслуживания.
Объяснение проверки
Проверка состоит из трех фаз:
1. Фаза промывки (приблизительно 30 секунд)
2. Фаза подачи давления (максимум 120 секунд)
3. Фаза завершения работы (приблизительно 40 секунд)
Данная проверка полностью автоматическая, поэтому все фазы последовательны. Проверку можно
прекратить в любой момент времени.
Фаза промывки
Проверка начинается с фазы промывки. Стравливающий клапан блока EAS-2 открывается. Насос AdBlue блока EAS-2 подает AdBlue из бака AdBlue в блок EAS-2. Через стравливающий клапан AdBlue
возвращается в бак для продувки контура AdBlue.
Фаза подачи давления
Фаза подачи давления начинается после завершения фазы промывки.
Во время данной фазы стравливающий клапан закрыт. Насос AdBlue работает для повышения давления AdBlue.
Когда в системе имеется давление, можно проверить крышку фильтра AdBlue и соединения AdBlue на
наличие утечек.
Если давление AdBlue не достигло значения 1,5 бара по прошествии 10 секунд, проверка автоматически
прекращается.
Фаза завершения работы
Последней частью данной проверки является фаза завершения работы.
После нажатия кнопки остановки или по завершении фазы подачи давления начинается последняя фаза. Во время данной фазы стравливающий клапан открыт, чтобы стравить давление из системы.
Фаза завершения работы выполняется всегда, даже при отмене проверки.
Автономная проверка системы
Основной целью данной проверки является проверка системы EAS-2. Во время данной проверки выполняется плановая проверка электрических и механических соединений и компонентов системы EAS-2. На проведение всей проверки требуется 220 секунд максимум.
Датчики NOx не проверяются.
Объяснение проверки
Проверка выполняется в три этапа:
1. Электрические соединения
2. Пневматические соединения и соединения AdBlue
3. Давление
1. Электрические соединения. После проверки могут отобразиться следующие результаты проверки:
Проверка электрических компонентов успешно завершена.
Проверка электрических компонентов, результат: неисправность одной или нескольких ступеней электропитания.
Проверка электрических компонентов, результат: неисправность одного или нескольких электрических аналоговых входов.
2. Пневматические соединения и соединения AdBlue. После проверки могут отобразиться следующие результаты проверки:
Проверка пневматических соединений и линий AdBlue успешно завершена.
Проверка пневматических соединений и линий AdBlue, результат: дозирующий клапан загрязнен или открыт
Проверка пневматических соединений и линий AdBlue, результат: слишком высокое или слишком низкое давление сжатого воздуха перед отверстием.
Проверка пневматических соединений и линий AdBlue, результат: слишком высокое или слишком низкое давление сжатого воздуха после отверстия.
Проверка пневматических соединений и линий AdBlue, результат: слишком высокое или слишком низкое давление AdBlue.
3. Давление. После проверки могут отобразиться следующие результаты проверки:
Проверка давления AdBlue и продувка завершены.
Проверка давления AdBlue и продувка, результат: скорость насоса AdBlue все допустимого предела.
Проверка давления AdBlue и продувка, результат: насос AdBlue работает, но давление AdBlue растет.
Проверка пневматических соединений, линий AdBlue, давления AdBlue и продувка, результат: неисправность стравливающего клапана.
Отмена. После проверки могут отобразиться следующие результаты проверки:
Автономная проверка системы отменена DAVIE
Автономная проверка системы отменена из-за несоответствующих условий проверки.
Автономная проверка системы отменена из-за выключения зажигания.
Завершение. После проверки могут отобразиться следующие результаты проверки:
Автономная проверка системы завершена.
Это значит, что завершена вся проверка. Это не значит, что система работает нормально.
Система в хорошем состоянии, когда отображаются следующие результаты:
Проверка электрических компонентов успешно завершена.
Проверка пневматических соединений и линий AdBlue успешно завершена.
Проверка давления AdBlue и продувка завершены.
Автономная проверка системы завершена.
Данная проверка полностью автоматическая, поэтому все фазы последовательны. Проверку можно прекратить в любой момент времени.
В зависимости от результата проверки, компоненты, не прошедшие проверку, можно проверить, выполнив функциональную проверку или еще одну проверку EAS-2.
Результаты действительны только после полного завершения проверки.
Проверка контура AdBlue
Данную проверку можно выполнять, впрыскивая AdBlue или нет.
Проверка контура AdBlue без впрыскивания AdBlue.
Основной целью данной проверки является проверка того, может ли система EAS-2 увеличить давление
AdBlue. Помимо проверки давления Adblue данная проверка также используется для отслеживания
механических неисправностей системы EAS-2.
Убедитесь, что жидкости AdBlue в баке достаточно для проведения проверки.
Убедитесь, что давление воздуха на входе выше 8 бар.
Объяснение проверки
Проверка состоит из трех фаз:
1. Фаза промывки (приблизительно 30 секунд)
2. Фаза подачи давления (приблизительно 45 секунд)
3. Фаза завершения работы (приблизительно 30 секунд)
Данная проверка полностью автоматическая, поэтому все фазы последовательны. Проверку можно
прекратить в любой момент времени.
Давление AdBlue должно находиться в указанных пределах.
Фаза промывки
Проверка начинается с фазы промывки. Вентиляционный клапан блока EAS-2 открывается. Насос
AdBlue блока EAS-2 подает AdBlue из бака AdBlue в блок EAS-2. Через вентиляционный клапан AdBlue
возвращается в бак для слива контура AdBlue.
Фаза подачи давления
Фаза подачи давления начинается после завершения фазы промывки.
Во время данной фазы вентиляционный клапан закрыт.
Насос AdBlue работает для повышения давления AdBlue.
Данную часть проверки можно использовать для отслеживания механических неисправностей системы EAS-2, например, утечки в модуле дозирования, засора подводящего трубопровода AdBlue, внутренней утечки в блоке EAS-2.
Фаза завершения работы
Последней частью данной проверки является фаза завершения работы.
Если нажата кнопка "ok/unknown" (принять/неизвестно), вводится последняя фаза. Во время данной
фазы вентиляционный клапан открыт для снижения давления в системе.
Фаза завершения работы
выполняется всегда, даже при отмене проверки.
Механические неисправности Давление AdBlue слишком низкое или давление отсутствует
Возможные причины слишком низкого давления AdBlue или его отсутствия:
Подводящий трубопровод AdBlue и возвратный трубопровод AdBlue поменяны местами.
Засорение или частичное засорение подводящего трубопровода AdBlue.
Засорение или частичное засорение предварительного фильтра AdBlue внутри соединения подачи в блоке EAS-2.
Засорение или частичное засорение фильтра AdBlue.
Засорение или частичное засорение фильтра бака AdBlue.
Механическая неисправность вентиляционного клапана.
Утечка в модуле дозирования.
Внутренняя утечка в блоке EAS-2.
Проверка контура AdBlue с впрыскиванием AdBlue.
Основной целью данной проверки является запуск блока EAS-2 и модуля дозирования во время фазы
дозирования и проверка того, что определенное количество жидкости AdBlue подается в указанный период времени. Помимо проверки подачи данная проверка также используется для отслеживания механических неисправностей системы EAS-2, например, модуля дозирования и линий AdBlue.
Убедитесь, что жидкости AdBlue в баке достаточно для проведения проверки.
Убедитесь, что давление воздуха на входе выше 8 бар.
Объяснение проверки
Проверка состоит из трех фаз:
1. Фаза промывки (приблизительно 30 секунд)
2. Фаза подачи давления (приблизительно 60 секунд)
3. Фаза дозирования (приблизительно 70 секунд)
4. Фаза завершения работы (приблизительно 40 секунд)
Данная проверка полностью автоматическая, поэтому все фазы последовательны. Проверку можно
прекратить в любой момент времени.
Фаза промывки
Проверка начинается с фазы промывки. Вентиляционный клапан блока EAS-2 открывается. Насос
AdBlue блока EAS-2 подает AdBlue из бака AdBlue в блок EAS-2. Через вентиляционный клапан AdBlue
возвращается в бак для слива контура AdBlue.
Фаза подачи давления
Фаза подачи давления начинается после завершения фазы промывки.
Во время данной фазы вентиляционный клапан закрыт.
Насос AdBlue работает для повышения давления AdBlue.
Фаза дозирования
Фаза дозирования начинается по завершении фазы подачи давления.
Во время данной фазы дозирующий клапан включается и подает AdBlue в линию дозирования AdBlue.
В зависимости от версии программного обеспечения на этом этапе проверки может активироваться клапан регулирования давления воздуха.
Фаза завершения работы
Последней частью данной проверки является фаза завершения работы.
Если нажата кнопка "ok/unknown" (принять/неизвестно), вводится последняя фаза. Во время данной
фазы вентиляционный клапан открыт для снижения давления в системе.
Фаза завершения работы выполняется всегда, даже при отмене проверки.
В зависимости от версии программного обеспечения на этом этапе проверки может активироваться клапан регулирования давления воздуха.
Выполнение проверки
Проверку модуля дозирования необходимо выполнять согласно указаниям и условиям, указанным на
экране DAVIE.
1. Снимите линию дозирования AdBlue с форсунки.
2. Поместите линию дозирования AdBlue в измерительный контейнер.
3. По завершении проверки в измерительном контейнере должно находиться столько жидкости AdBlue, сколько отображается на экране DAVIE.
Не заливайте измеренное количество AdBlue в бак AdBlue.
4. Установите линию дозирования AdBlue в форсунку AdBlue.
Механические неисправности
Подача AdBlue слишком низкая или подача отсутствует
Возможные причины слишком низкой подачи AdBlue или ее отсутствия по завершении проверки:
Подводящий трубопровод AdBlue и возвратный трубопровод AdBlue поменяны местами.
Засорение или частичное засорение подводящего трубопровода AdBlue.
Засорение или частичное засорение предварительного фильтра AdBlue внутри соединения подачи в блоке EAS-2.
Засорение или частичное засорение фильтра AdBlue.
Засорение или частичное засорение фильтра бака AdBlue.
Засорение или частичное засорение подводящего трубопровода AdBlue, идущего к модулю дозирования.
Засорение или частичное засорение линии дозирования AdBlue.
Слишком низкое давление AdBlue.
Внутренняя утечка в блоке EAS-2.
Механическая неисправность дозирующего клапана.
Проверка пневматического контура
Основной целью данной проверки является проверка пневматического контура системы EAS-2. Данную проверку можно использовать для отслеживания механических неисправностей системы EAS-2, например, блока EAS-2, линии подачи к модулю дозирования, модуля дозирования, линии дозирования и форсунки AdBlue.
Показание давления датчиков и падение давления в отверстии должны быть в пределах нормы, см. информацию по системе и компонентам.
Объяснение проверки
Проверка состоит из двух фаз:
1. Фаза подачи воздуха (приблизительно 35 секунд)
2. Фаза завершения работы (приблизительно 40 секунд)
Данная проверка полностью автоматическая, поэтому все фазы последовательны. Проверку можно
прекратить в любой момент времени.
Подача воздуха должна быть выше 8 бар. Проверка также выполняется при более низкой подаче воздуха. Однако из-за этого показания до и после отверстия считать невозможно.
Фаза подачи воздуха
Проверка начинается с фазы подачи воздуха. Клапан регулирования давления воздуха включается, и
давление воздуха подается через отверстие, линию подачи воздуха к дозирующему клапану, дозирующий клапан, линию дозирования в форсунку.
Во время данной фазы отображается значение датчиков давления до и после отверстия.
Фаза завершения работы
Последней частью данной проверки является фаза завершения работы.
После нажатия кнопки "ok / unknown" (принять/неизвестно) начинается последняя фаза. Во время данной фазы стравливающий клапан открыт, чтобы стравит давление из системы.
Фаза завершения работы
Выполняется всегда, даже при отмене проверки.
Механические неисправности Слишком низкое давление перед отверстием
Возможные причины слишком низкого давления воздуха перед отверстием:
Слишком низкая подача воздуха от автомобиля.
Засорение или частичное засорение линии подачи воздуха.
Засорение или частичное засорение воздухо/маслоотделителя.
Механическая неисправность клапана регулирования давления воздуха.
Отсутствие падения давления в отверстии
Возможные причины отсутствия падения давления в отверстии:
Засорение линии подачи воздуха, ведущей к модулю дозирования.
Засорение модуля дозирования.
Засорение линии дозирования AdBlue.
Засорение форсунки AdBlue.
Слишком низкое падение давления в отверстии
Возможные причины слишком низкого падения давления в отверстии:
Слишком низкое давление перед отверстием.
Частичное засорение линии подачи воздуха, ведущей к модулю дозирования.
Частичное засорение модуля дозирования.
Частичное засорение линии дозирования AdBlue.
Частичное засорение форсунки AdBlue.
Слишком высокое падение давления в отверстии
Возможные причины слишком высокого падения давления в отверстии:
Утечка в линии или соединении линии подачи воздуха, ведущей к модулю дозирования, модуле
дозирования, линии дозирования AdBlue или форсунке AdBlue.
Повреждение форсунки AdBlue.
Проверка дозирующего модуля
Главной целью данного тестирования является проверка модуля дозирования системы EAS-2. Данную проверку также можно использовать, чтобы отследить механические неисправности в линии подачи воздуха, ведущей к модулю дозирования, в линии дозирования AdBlue и в форсунке AdBlue.
Объяснение проверки
Проверка состоит из не более чем трех фаз:
1. Фаза проверки модуля дозирования (приблизительно 35 секунд)
2. Фаза проверки модуля дозирования с отсоединенной линией дозирования AdBlue (приблизительно 35 секунд)
3. Фаза завершения работы (приблизительно 40 секунд)
Чтобы получить достоверные результаты проверки, ее необходимо выполнить полностью. Проверку
можно прекратить в любой момент времени.
Фаза проверки модуля дозирования
Включается клапан регулирования давления воздуха, и воздух под давлением проходит через отверстие
и линию подачи воздуха в модуль дозирования. Из модуля дозирования он проходит через линию
дозирования в форсунку AdBlue.
После стабилизации давления воздуха DAVIE вычисляет среднее значение давления воздуха после
отверстия.
Если среднее значение ниже 4000 мбар, модуль дозирования исправен, и начинается фаза завершения
работы.
Если среднее значение выше 4000 мбар, требуется проверка модуля дозирования с отсоединенной линией дозирования AdBlue.
Фаза проверки модуля дозирования с отсоединенной линией дозирования AdBlue
Линия дозирования AdBlue между модулем дозирования (F) и форсункой AdBlue (H) должна быть отсоединена на стороне модуля дозирования.
Включается клапан регулирования давления воздуха, и воздух под давлением проходит через отверстие
и линию подачи воздуха через модуль дозирования.
После стабилизации давления воздуха DAVIE вычисляет среднее значение давления воздуха после
отверстия.
Если среднее значение выше 3000 мбар, проверка модуля дозирования завершилась неудачно. В этом случае проверьте линию подачи воздуха, ведущую в модуль дозирования, и сам модуль дозирования. Если линия подачи воздуха, ведущая в модуль дозирования, открыта, и кристаллы AdBlue не обнаружены, причина проблемы находится в модуле дозирования.
Если среднее значение ниже 3000 мбар, модуль дозирования исправен.
В этом случае возможно засорение линии дозирования AdBlue между модулем дозирования и форсункой
AdBlue и/или форсунки AdBlue.
Когда система EAS-2 выключена, и процедура завершения работы закончена, в форсунке AdBlue всегда остается некоторое количество жидкости AdBlue.
Данная жидкость AdBlue может со временем кристаллизоваться и заблокировать отверстия форсунки AdBlue. В нормальных условиях эксплуатации данные кристаллы растворяются под действием высокой
температуры отработавших газов.
Для блокировки линии дозирования AdBlue/форсунки AdBlue предусмотрен код неисправности. При отсутствии кода неисправности форсунку AdBlue прочищать не нужно.
Фаза завершения работы
Последней частью данной проверки является фаза завершения работы.
Если нажата кнопка "ok/unknown" (принять/неизвестно), вводится последняя фаза. Во время данной
фазы стравливающий клапан открыт, чтобы стравит давление из системы.
Фаза завершения работы выполняется всегда, даже при отмене проверки.

- A Бак AdBlue
- B датчик температуры/уровня AdBlue
- B1 Датчик уровня AdBlue
- B2 Датчик температуры AdBlue
- C Подача воздуха
- D Воздушный фильтр
- E Блок EAS-2
- E1 Электронный блок управления
- E2 Датчик давления AdBlue
- E3 Насос AdBlue
- E4 Внутреннее реле
- E5 Датчик температуры AdBlue
- E6 фильтр AdBlue
- E7 Клапан регулирования давления воздуха
- E8 Вентиляционный клапан
- E9 Датчик давления воздуха перед отверстием
- E10 Датчик давления воздуха после отверстия
- E11 Разгрузочный клапан
- E12 Предварительный фильтр
- F Модуль дозирования
- F1 Дозирующий клапан
- F2 Смесительная камера
- G Датчик температуры отработавших газов до каталитического нейтрализатора
- H Форсунка AdBlue
- I Каталитический нейтрализатор
- J Датчик температуры отработавших газов после каталитического нейтрализатора
- K Датчик NOx до каталитического нейтрализатора
- L Датчик NOx после каталитического нейтрализатора