Электросхема RENAULT PREMIUM euro 5
МОДЕЛЬНЫЙ РЯД СЕМЕЙСТВО ВАРИАНТ
RENAULT PREMIUM DXi 11 13105/27
RENAULT PREMIUM DXi 7 29AB - PR 4X2 - LC 13105/27
RENAULT PREMIUM DXi 7 29BB - TR 4X2 - LC 13105/27
RENAULT PREMIUM DXi 7 29CB - PR 6X2 - LC 13105/27
RENAULT PREMIUM DXi 7 29NB - PR 6X4 - LC 13105/27
RENAULT PREMIUM DXi 7 29RB - PR 6X2 13105/27
RENAULT PREMIUM DXi 7 29SB - PR 4X2 13105/27
RENAULT PREMIUM DXi 7 29TB - TR 4X2 13105/27
ПЕРЕЧЕНЬ ЭЛЕКТРОСХЕМ
- Система электропитания без ADR
- Система электропитания с ADR
- Электронный блок управления ADR
- Электрическое распределение (1/7)
- Электрическое распределение (2/7)
- Электрическое распределение (3/7)
- Электрическое распределение (4/7)
- Электрическое распределение (5/7)
- Электрическое распределение (6/7)
- Электрическое распределение (7/7)
- Электронные системы автомобиля (1/2)
- Электронные системы автомобиля (2/2)
- Главный информационный дисплей
- Тахограф
- FMS бортовое управление
- Бортовой компьютер DATAMAX
- Бортовой компьютер OPTIFLEET
- 7-литровый двигатель, электронное управление (1/2)
- 7-литровый двигатель, электронное управление (2/2)
- 11-литровый двигатель, электронное управление (1/2)
- 11-литровый двигатель, электронное управление (2/2)
- Управление подачей мочевины
- Блокировка дифференциала
- Роботизированная коробка передач
- Коробка передач ALLISON 3000V
- Электрический замедлитель
- Гидравлический замедлитель ECOSPLIT 2
- Гидравлический замедлитель ECOSPLIT 4
- Гидравлическая система OptiTrack
- Оборудование EBS 4x2
- Оборудование EBS 6x2
- Оборудование EBS 6x4
- Оборудование EBS 8x4
- Задняя пневматическая подвеска 4x2 с электронным управлением
- Полная пневматическая подвеска 4x2 с электронным управлением
- Полная пневматическая подвеска 6x2 с электронным управлением
- Задняя пневматическая подвеска 6x4 с электронным управлением — 8x4
- Управляемая ось 1/2
- Управляемая ось 2/2
- Система управления пневмопитанием
- Управление дверями / иммобилайзером
- Сигнализация
- Контроль давления в шинах
- Управление освещением и приборами внешней сигнализации (1/3)
- Управление освещением и приборами внешней сигнализации (2/3)
- Управление освещением и приборами внешней сигнализации (3/3)
- Боковые, контурные, опознавательные и габаритные огни
- Электрические стеклоподъёмники, люк крыши
- Регулируемые зеркала заднего вида с подогревом
- Аксессуары комфорта
- Радио
- Автономный отопитель AT 2000 ST
- Автономный отопитель THERMO 90ST
- Кондиционер
- Управление предустановками для кузовного оборудования
- Доступные источники электроэнергии (1/2)
- Доступные источники электроэнергии (2/2)
- Разъемы для подключения прицепа
- Диагностический разъём
- Зона передачи данных, ШИНА CAN J1587-1
- Зона передачи данных, ШИНА CAN J1939-1
- Зона передачи данных, ШИНА CAN J1939-2
- Зона передачи данных, ШИНА CAN J1939-ENG
Архитектура ШИНЫ связи
- C077 Датчик концентрации оксидов азота
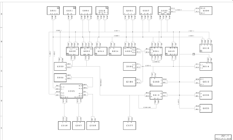
- D001 Главный информационный дисплей
- D004 Тахограф
- G001 Электронный блок управления автомобилем
- G002 Электронный блок управления двигателем
- G003 Электронный блок управления подготовками к кузовному оборудованию
- G004 Электронный блок пневмоподвески
- G005 Электронный блок управления системой торможения EBS
- G007 Узел-модулятор усиления торможения на передней оси
- G008 Узел-модулятор усиления торможения на мосту
- G012 Электронный блок управления освещением и сигнализацией
- G016 Узел-модулятор системы усиления торможения на второй задней оси
- G018 Электронный блок связи с бортовым компьютером
- G019 Электронный блок перебора скоростей
- G020 Электронный блок автоматической коробки передач
- G021 Электронный блок гидравлического замедлителя
- G025 Электронный блок управления иммобилайзером
- G026 Электронный блок охранной сигнализации
- G027 ЭВМ регулируемой оси
- G030 Модуль насоса регулирования подачи мочевины
- G041 Электронный блок управления системой OptiTrack
- G051 Электронный блок управления производством воздуха
- G100 Электронный блок DATAMAX GATEWAY
- G104 Электронный блок контроля накачки шин
- H014 Радиоприемник в сборе
- X200 Разъём резервного питания
- X906 Штепсельная розетка прицепа для ABS/EBS
- X913 Диагностический разъем автомобиля
- X924 Диагностический разъём системы OptiTrack
AH : с автоматической коробкой передач
BO : с гидравлическим замедлителем ECOSPLIT
BP : с гидравлическим замедлителем ECOSPLIT 4
BQ : с оборудованием FMS
CO : с оборудованием OPTIFLEET
DE : с оборудованием DATAMAX
ES : с оборудованием OptiTrack
Система электропитания без ADR
- A001 Блок электрического распределения в кабине
- A002 Коммутационный блок рама-кабина
- A004 Аккумуляторная(-ые) батарея(-и)
- A006 Главный рубильник с электрическим переключателем
- A007 Главный рубильник с ручным переключателем
- A009 Генератор
- A014 Блок комплекта силовых предохранителей (FM01–FM04)
- B103 Комплект ключевого контактора
- D006 Хронометр автомобиля
- M002 Стартерный электродвигатель
- S004 Реле №1 питания вспомогательного оборудования
- S020 Реле запуска
- S022 Реле питания, управляемое генератором (работающий двигатель)
- W100 Резистор вызова цепи генератора переменного тока
- W503 Диод цепи питания реле информационного сигнала (двигатель работает)
- W506 Диод централизованного запирания дверей
- X001 Электрический вывод
- X907 Разъем сбора данных парка
AA : с электрическим главным выключателем аккумуляторной батареи
AC : с механическим главным выключателем аккумуляторной батареи
AE : с электрическим замедлителем
BE : с 7-литровым двигателем
CQ : с 11-литровым двигателем
Все электросхемы в высоком качестве - доступны только пользователям
КОМПОНЕНТЫ
- A001 Блок электрического распределения в кабине
- A002 Коммутационный блок рама-кабина
- A004 Аккумуляторная(-ые) батарея(-и)
- A006 Главный рубильник с электрическим переключателем
- A007 Главный рубильник с ручным переключателем
- A009 Генератор
- A013 Преобразователь напряжения (24 / 12В - 15A) для системы звукового общения
- A014 Блок комплекта силовых предохранителей (FM01–FM04)
- A020 Преобразователь напряжения (24В / 12В) - Розетки 12 и 24В встроенные
- A200 Резервное питание (отрезанные изолированные провода)
- A201 Доступный источник питания (заземление машины)
- A204 Доступный источник питания (после выключателя аккумуляторной батареи)
- A205 Резервное питание (после контакта)
- A212 Резервное питание (регулировка уставки режима работы двигателя)
- A213 Резервное питание (механизм отбора мощности №1)
- A226 Резервное питание («-» радиостанции УКВ)
- A227 Резервное питание («+» радиостанции УКВ)
- A229 Резервное питание (привод кузовной оснастки)
- A230 Резервное питание (указатель оборудования в дорожном положении)
- A231 Резервное питание (указатель оборудования в рабочем положении)
- A240 Резервное питание (освещение)
- A246 Резервное питание (привод механизма отбора мощности №1)
- A247 Резервное питание (информация генератора переменного тока при вращении двигателя)
- A248 Резервное питание (информация генератора переменного тока / оборотов двигателя)
- A249 Резервное питание (информация тахографа откорректированной скорости)
- A250 Резервное питание (привод механизма отбора мощности №2)
- A251 Резервное питание (указатель механизма отбора мощности №2)
- A252 Резервное питание (регулирование электровентиля механизма отбора мощности №2)
- A253 Резервное питание (информация заднего хода)
- A254 Резервное питание (информация стояночного тормоза)
- A255 Резервное питание (данные о нахождении коробки передач в нейтральном положении)
- A256 Резервное питание (запрос включения функции управления оборотами двигателя с шасси)
- A257 Резервное питание (выбор оборотов двигателя №1)
- A258 Резервное питание (выбор оборотов двигателя №2)
- A259 Резервное питание (запрос повышения оборотов двигателя)
- A260 Резервное питание (запрос уменьшения оборотов двигателя)
- A261 Резервное питание (отключение запрета заднего хода)
- A270 Резервное питание (автоматический возврат на стандартные обороты двигателя)
- A280 Резервное питание (низкая скорость)
- A281 Доступный источник питания (управление выключением двигателя)
- A282 Резервное питание (привод пуска двигателя)
- A283 Доступный источник питания (оповещение о запуске двигателя)
- A284 Доступный источник питания (предупреждение по двигателю)
- A285 Доступный источник питания (частотный выход с задаваемыми параметрами)
- A286 Доступный источник питания (ПЛК 2 мин. выход)
- A287 Доступный источник питания (ПЛК 1 мин. выход)
- A288 Доступный источник питания (ПКЛ 1 мин. вход)
- A289 Доступный источник питания (ПКЛ 2 мин. вход)
- A290 Резервное питание (ШИНА CAN J1939, высокий уровень)
- A291 Резервное питание (ШИНА CAN J1939, низкий уровень)
- A294 Доступный источник питания (левый задний габаритный фонарь (и))
- A295 Доступный источник питания (правый задний габаритный фонарь (и))
- A297 Резервное питание (ночное освещение)
- A303 Бортовая предварительная подготовка (блок управления)
- A311 Резервное питание (информация включенного механизма отбора мощности №1)
- A312 Резервное питание (оборудование в опасном положении)
- A313 Резервное питание (дезактивация шины CAN)
- A314 Резервное питание (утверждение уставки режима работы двигателя)
- A315 Резервное питание (регулирование электровентиля механизма отбора мощности №3)
- A317 Резервное питание (привод механизма отбора мощности №3)
- A318 Резервное питание (указатель механизма отбора мощности №3)
- A319 Резервное питание (привод уровня подвески)
- A320 Резервное питание (включение привода уровня подвески)
- A321 Резервное питание (ограничение до 6 км/ч)
- A322 Резервное питание (ограничение до 30 км/ч)
- A323 Резервное питание (выключение аварийного сигнала)
- A324 Резервное питание (модуль периметрической защиты цельнорамного грузовика)
- A325 Резервное питание (отключение автономного отопления)
- A343 Резервное питание (запрос на блокировку запуска автомобиля)
- A351 Резервное питание (запрос дополнительного крутящего момента)
- A352 Свободное питание (+24 В, Электронный блок управления кузовным оборудованием)
- B001 Дистанционное управление пневматической подвеской
- B002 Управление верхним положением пневматической подвески
- B003 Управление нижним положением пневматической подвески
- B004 Управление внесенным в память положением пневматической подвески
- B026 Привод автоматической коробки передач
- B103 Комплект ключевого контактора
- B105 Переключатель отключения двигателя
- B106 Переключатель аварийной сигнализации
- B108 Переключатель проблесковых маячков
- B111 Кнопка предупредительного сигнала
- B113 Переключатель стояночных подфарников
- B116 Переключатель запирания дверей
- B117 Переключатель открытия / закрытия люка на крыше (на панели приборов)
- B118 Переключатель наладки поворотных зеркал заднего вида
- B119 Переключатель размораживания зеркал заднего вида и ветрового стекла
- B125 Переключатель авторадиоприёмника
- B126 Переключатель стеклоподъемника окна водителя (привод со стороны водителя)
- B127 Переключатель стеклоподъемника окна переднего пассажира (привод со стороны переднего пассажира)
- B130 Переключатель стеклоподъемника окна переднего пассажира (привод со стороны водителя)
- B135 Переключатель включения регулятора скорости и оборотов двигателя
- B136 Переключатель наладки регулятора скорости и оборотов двигателя
- B137 Переключатель стеклоомывателя(-ей)
- B138 Переключатель стеклоочистителя(-ей)
- B139 Переключатель стеклоочистителя(-ей) / стеклоомывателя(-ей) / омывателей фар
- B140 Переключатель фар ближнего света
- B141 Переключатель фар дальнего света
- B142 Переключатель регулятора высоты фар
- B143 Комплект подрулевых переключателей №1
- B144 Переключатель фар дальнего света
- B145 Переключатель противотуманных фар
- B146 Переключатель противотуманного(-ых) фонаря(-ей)
- B148 Переключатель включения рабочей фары
- B151 Кнопка отключения звукового предупредительного сигнала заднего хода
- B155 Гидравлический или электрический тормоз-замедлитель, орган управления
- B156 Кнопка отключения "ASR"
- B159 Кнопка задания оборотов двигателя для движения по пересеченной местности
- B162 Выключатель опрокидывания кабины
- B163 Кнопка отключения тревожного режима охранной сигнализации
- B164 Переключатель блокировки заднего межколёсного дифференциала
- B165 Переключатель подъёма второй задней оси
- B167 Переключатель включения автономного отопителя
- B168 Кнопка разрешения контроля тяги
- B169 Кнопка разрешения удержания тормоза прицепа
- B170 Кнопка аварийной остановки в кабине
- B171 Кнопка аварийной остановки на шасси
- B172 Кнопка уменьшения громкости тревожного сигнала
- B175 Переключатель для кузовного оборудования номер N°1
- B176 Привод для кузовного оборудования номер N°2
- B177 Переключатель запроса приведения в действие механизма отбора мощности №1 (в кабине)
- B181 Переключатель указателя поворота
- B182 Выбор авто/ручной, орган управления
- B183 Переключатель слива воды из топлива
- B184 Переключатель активации перераспределения нагрузки на ось
- B185 Переключатель запроса приведения в действие механизма отбора мощности №2 (в кабине)
- B187 Переключатель блокировки межмостового дифференциала
- B190 Переключатель запроса приведения в действие механизма отбора мощности №3 (в кабине)
- B194 Переключатель освещения плафона (подсветка)
- B197 Переключатель электроклапана контура охлаждающей жидкости
- B200 Переключатели регулятора скорости
- B201 Переключатель смены схемы переключения передач (режим работы на стройке)
- B207 Аварийный проблесковый световой сигнал, орган управления
- B220 Привод Optiroll
- B222 Ручка управления системой OptiTrack
- B224 Привод хода/остановки системы OptiTrack
- C001 Датчик износа тормозных накладок левого переднего колеса
- C002 Датчик износа тормозных накладок правого переднего колеса
- C005 Датчик износа тормозных накладок левого колеса поднимающейся оси или второй задней оси
- C006 Датчик износа тормозных накладок правого колеса поднимающейся оси или второй задней оси
- C007 Датчик скорости левого переднего колеса
- C008 Датчик скорости правого переднего колеса
- C009 Датчик скорости левого заднего колеса
- C010 Датчик скорости правого заднего колеса
- C011 Датчик скорости заднего левого колеса поднимающейся оси или второй задней оси
- C012 Датчик скорости заднего правого колеса поднимающейся оси или второй задней оси
- C013 Датчик положения для информации об открытой водительской двери
- C014 Датчик положения для информации об открытой передней пассажирской двери
- C019 Комплект датчика давления и датчика температуры наддувочного воздуха
- C020 Датчик температуры наддувочного воздуха
- C021 Датчик давления наддувочного воздуха
- C022 Датчик уровня моторного масла
- C023 Датчик давления моторного масла
- C024 Комплект датчика температуры и датчика уровня моторного масла
- C025 3-позиционный датчик давления кондиционирования воздуха
- C027 Датчик низкого давления кондиционирования
- C028 Датчик высокого давления кондиционирования
- C029 Датчик среднего давления кондиционирования
- C030 Датчик включенного положения блокировки межколёсного дифференциала заднего моста
- C035 Датчик положения для информации о включенном механизме отбора мощности №1
- C036 Датчик положения для информации о включенном механизме отбора мощности №2
- C038 Правый датчик положения подвески моста
- C039 Левый датчик положения подвески моста
- C045 Датчик внутренней температуры
- C046 Датчик наружной температуры
- C048 Датчик температуры в контуре охлаждения двигателя
- C051 Датчик уровня топлива
- C053 Стоп-контакт
- C054 Датчик засорения воздушного фильтра
- C056 Датчик скорости для тахографа
- C057 Датчик положения нейтрали
- C058 Датчик положения включенного заднего хода
- C059 Датчик температуры масла на замедлителе
- C060 Датчик температуры охлаждающей жидкости замедлителя
- C061 Датчик положения подвески передней оси
- C062 Датчик положения на сцеплении
- C063 Датчик скорости автоматической коробки передач
- C064 Датчик давления воздуха на замедлителе
- C065 Датчик уровня масла автоматической коробки передач.
- C066 Датчик температуры охлаждающей жидкости замедлителя
- C067 Датчик оборотов двигателя на маховике двигателя
- C068 Датчик оборотов двигателя на распределительном валу
- C070 Датчик положения для информации о включенном механизме отбора мощности №3
- C071 УЗ радиопередатчик охранной сигнализации
- C072 УЗ радиоприемник охранной сигнализации
- C075 Датчики температуры и уровня мочевины в баке
- C076 Датчик температуры отработавших газов
- C077 Датчик концентрации оксидов азота
- C078 Датчик температуры отработавших газов на выходе каталитического нейтрализатора
- C079 Датчик давления системы усиления торможения прицепа
- C084 Датчик температуры моторного масла
- C086 Датчик угла поворота колёс
- C087 Датчик скорости ускорения рыскания шасси
- C088 Датчик уровня жидкости охлаждения двигателя
- C090 Датчик температуры для автономного отопления
- C091 Датчик давления воздуха замедлителя
- C096 Датчик давления переключателя диапазона скоростей
- C109 Датчик наличия воды в топливе
- C110 Датчик давления индикатора стояночного тормоза
- C111 Датчик положения педали акселератора
- C112 Датчик N°2 отпущенного положения педали акселератора
- C113 Датчик N°1 отпущенного положения педали акселератора
- C114 Комплект датчика педали акселератора
- C115 Датчик давления воздуха в подушке подъёма
- C116 Датчик давления воздуха в подвеске задней оси
- C117 Датчик давления воздуха в передней подушке
- C118 Левый датчик давления подвески моста
- C119 Правый датчик давления подвески моста
- C120 Датчик уровня масла управляемой оси
- C121 Датчик угла поворота ведомой оси
- C122 Датчик угла поворота передней оси
- C123 Датчик износа тормозных накладок левого заднего колеса (мост №1)
- C124 Датчик износа тормозных накладок правого заднего колеса (мост №1)
- C125 Датчик износа тормозных накладок левого заднего колеса (мост №2)
- C126 Датчик износа тормозных накладок правого заднего колеса (мост №2)
- C130 Датчик положения педали сцепления
- C132 Датчик давления подачи топлива в двигатель
- C133 Датчик скорости вентилятора охлаждения двигателя
- C134 Комплект датчика тормозной педали
- C135 Датчик смены положения тормозной педали
- C140 Датчик износа тормозных накладок левого переднего колеса (мост или ось №2)
- C141 Датчик износа тормозных накладок правого переднего колеса (мост или ось №2)
- C142 Датчик износа тормозных накладок левого переднего колеса (мост или ось №1)
- C143 Датчик износа тормозных накладок правого переднего колеса (мост или ось №1)
- C144 Датчик скорости вращения левого переднего колеса (мост или ось №1)
- C145 Датчик скорости вращения правого переднего колеса (мост или ось №1)
- C146 Датчик скорости вращения левого переднего колеса (мост или ось №2)
- C147 Датчик скорости вращения правого переднего колеса (мост или ось №2)
- C148 Датчик высокого давления топлива
- C149 Датчик непристегнутого ремня безопасности водителя
- C150 Датчик давления внутри моторного блока
- C172 Датчики положения сцепного устройства
- C174 Датчик включенного положения блокировки межколёсного дифференциала заднего моста №2
- C175 Датчик давления масла усилителя рулевого управления (главный контур)
- C177 Датчик циркуляции масла усилителя рулевого управления
- C212 Датчик температуры трансмиссионного масла
- C213 Датчик температуры масла замедлителя
- C215 Датчик оборотов турбины
- C216 Датчик оборотов двигателя
- C217 Диагностический датчик давления №1
- C227 Датчик давления масла в магистрали охлаждения поршней
- C260 Датчик температуры испарителя
- C263 Внутренний датчик температуры мочевины
- C264 Внутренний датчик давления мочевины
- C268 Датчик давления масла гидравлического замедлителя
- C269 Датчик температуры на автономном отопителе
- C270 Датчик наличия пламени
- C271 Датчик перегрева
- C274 Датчик температуры масла системы OptiTrack
- C275 Датчик давления переднего хода системы OptiTrack
- C276 Датчик давления заднего хода системы OptiTrack
- C277 Датчик давления нагнетания масла системы OptiTrack
- C278 Датчик засорения масляного фильтра системы OptiTrack
- C279 Датчик углового положения кулачковой муфты
- C285 Датчик низкого уровня масла системы OptiTrack
- C288 Датчик давления воздуха дополнительной направляющей оси
- C289 Датчик давления воздуха пневмоподушки дополнительной направляющей оси
- C290 Датчик температуры
- C291 Датчик низкого уровня масла в баке
- C292 Датчик положения дополнительной направляющей оси
- D001 Главный информационный дисплей
- D004 Тахограф
- D006 Хронометр автомобиля
- E008 Плафон одинарный со стороны водителя
- E010 Плафон одинарный со стороны переднего пассажира
- E012 Подсветка – верхний правый плафон (двери)
- E025 Подсветка для чтения со стороны водителя
- E026 Подсветка для чтения со стороны переднего пассажира
- E027 Подсветка прикуривателя
- E028 Комплект из плафона и подсветки для чтения со стороны водителя
- E029 Комплект из плафона и подсветки для чтения со стороны пассажира
- E030 Подсветка ящика с инструментом
- E031 Подсветка облицовки радиатора
- E032 Подсветка плафона нижней кушетки
- E033 Подсветка – верхний левый плафон (двери)
- E034 Подсветка плафона левого (мягкий свет)
- E035 Подсветка плафона правого (мягкий свет)
- E036 Подсветка плафона верхней кушетки
- E100 Передний(-ие) правый(-ые) указатель(-и) поворота
- E101 Передний(-ие) левый(-ые) указатель(-и) поворота
- E102 Освещение ступеньки со стороны водителя
- E103 Освещение ступеньки со стороны переднего пассажира
- E104 Правый указатель поворота на крыше
- E105 Левый указатель поворота на крыше
- E109 Задний(-ие) правый(-ые) указатель(-и) поворота
- E110 Задний(-ие) левый(-ые) указатель(-и) поворота
- E114 Проблесковый маячок №1
- E115 Проблесковый маячок №2
- E116 Задний(-ие) правый(-ые) противотуманный(-ые) фонарь(-и)
- E117 Задний(-ие) левый(-ые) противотуманный(-ые) фонарь(-и)
- E119 Левый(-ые) стоп-сигнал(-ы)
- E120 Правый(-ые) стоп-сигнал(-ы)
- E122 Правый габаритный фонарь №1
- E123 Правый габаритный фонарь №2
- E124 Передний(-ие) левый(-ые) стояночный(-ые) подфарник(-и)
- E125 Передний(-ие) правый(-ые) стояночный(-ые) подфарник(-и)
- E128 Левый габаритный фонарь №3
- E129 Левый габаритный фонарь №4
- E131 Правый габаритный фонарь №3
- E132 Правый габаритный фонарь №4
- E133 Левый габаритный фонарь №1
- E134 Левый габаритный фонарь №2
- E135 Комплект задних левых огней
- E136 Комплект задних правых огней
- E137 Задний(-ие) правый(-ые) стояночный(-ые) подфарник(-и)
- E138 Задний(-ие) левый(-ые) стояночный(-ые) подфарник(-и)
- E141 Левый(-ые) огонь(-ни) заднего хода
- E142 Правый(-ые) огонь(-ни) заднего хода
- E144 Левый стояночный подфарник на крыше
- E145 Правый стояночный подфарник на крыше
- E149 Габаритные фонари слева на козырьке
- E150 Габаритные фонари справа на козырьке
- E500 Передняя правая фара ближнего света
- E501 Передняя левая фара ближнего света
- E502 Передняя правая фара дальнего света
- E503 Передняя левая фара дальнего света
- E504 Правый оптический узел фар
- E505 Левый оптический узел фар
- E506 Противотуманный прожектор, левый
- E507 Противотуманный прожектор, правый
- E508 Прожектор дальнего света правый
- E509 Прожектор дальнего света левый
- E510 Рабочая фара
- G001 Электронный блок управления автомобилем
- G002 Электронный блок управления двигателем
- G003 Электронный блок управления подготовками к кузовному оборудованию
- G004 Электронный блок пневмоподвески
- G005 Электронный блок управления системой торможения EBS
- G006 Электронный блок управления электропитанием автомобиля (ADR)
- G007 Узел-модулятор усиления торможения на передней оси
- G008 Узел-модулятор усиления торможения на мосту
- G012 Электронный блок управления освещением и сигнализацией
- G016 Узел-модулятор системы усиления торможения на второй задней оси
- G017 Электронный блок регулирования температуры в кабине
- G018 Электронный блок связи с бортовым компьютером
- G019 Электронный блок перебора скоростей
- G020 Электронный блок автоматической коробки передач
- G021 Электронный блок гидравлического замедлителя
- G022 Электрический тормоз-замедлитель, блок управления
- G025 Электронный блок управления иммобилайзером
- G026 Электронный блок охранной сигнализации
- G027 ЭВМ регулируемой оси
- G028 Электронный блок централизованного закрытия дверей
- G029 Комплект датчиков и исполнительных механизмов автоматической коробки передач
- G030 Модуль насоса регулирования подачи мочевины
- G041 Электронный блок управления системой OptiTrack
- G051 Электронный блок управления производством воздуха
- G053 Электронный блок автономного отопителя типа воздух/воздух
- G100 Электронный блок DATAMAX GATEWAY
- G102 Электронный блок управления бортовым компьютером
- G104 Электронный блок контроля накачки шин
- H001 Антенна иммобилайзера
- H005 Спутниковая антенна
- H011 Громкоговоритель, левый передний
- H012 Громкоговоритель, правый передний
- H014 Радиоприемник в сборе
- H019 Микрофон
- J001 Прикуриватель
- J002 Правое сиденье с подогревом в сборе
- J003 Левое сиденье с подогревом в сборе
- J007 Холодильник
- K001 Автономный отопитель типа воздух/вода
- K002 Автономный отопитель типа воздух/воздух
- K003 Электронный блок кондиционирования воздуха
- L004 Наружный звуковой предупредительный сигнал
- L006 Звуковой сигнал – сирена охранной сигнализации
- L008 Электрический звуковой сигнал
- M002 Стартерный электродвигатель
- M020 Привод стеклоочистителя(-ей)
- M021 Привод насоса стеклоомывателя(-ей)
- M022 Привод насоса омывателей фар
- M023 Привод регулятора высоты левой фары
- M024 Привод регулятора высоты правой фары
- M056 Привод стеклоподъемника двери водителя
- M057 Привод стеклоподъемника двери переднего пассажира
- M060 Привод люка в крыше
- M080 Привод горизонтального поворачивания правого зеркала заднего вида
- M081 Привод вертикального поворачивания правого зеркала заднего вида
- M082 Привод горизонтального поворачивания левого зеркала заднего вида
- M083 Привод вертикального поворачивания левого зеркала заднего вида
- M101 Привод вентилятора автономного отопителя
- M102 Электромотор опрокидывания кабины
- M107 Насос системы охлаждения автономного отопителя типа воздух/вода
- M200 Электрическая муфта компрессора кондиционирования воздуха
- M202 Привод вентилятора радиатора на водительском месте
- M203 Привод насоса подачи топлива для автономного отопителя
- M205 Электромагнитная муфта сцепления насоса системы охлаждения
- M209 Вентилятор системы охлаждения масла системы OptiTrack
- N001 Нагревательный элемент для подогрева топлива №2
- N002 Нагревательный элемент для подогрева топлива
- N004 Нагревательный элемент для подогрева воздуха
- N008 Нагревательный элемент левого зеркала заднего вида
- N009 Нагревательный элемент размораживания правого зеркала заднего вида
- N010 Нагревательный элемент размораживания ветрового стекла
- N015 Нагревательный элемент мочевины (в контуре от бака до насосного модуля)
- N016 Нагревательный элемент мочевины (в контуре от насосного модуля до бака)
- N017 Нагревательный элемент мочевины (в контуре от насосного модуля до дозирующего электроклапана)
- N018 Нагревательный элемент мочевины (в контуре от дозирующего электроклапана до насосного модуля)
- N019 Нагревательный элемент мочевины (в фильтре на насосе)
- N027 Комплект резисторов управления привода вентилятора радиатора
- N034 Резистор зажигания автономного отопителя
- S001 Реле №1 питания после контакта
- S002 Реле №2 питания после контакта
- S003 Реле №3 питания после контакта
- S004 Реле №1 питания вспомогательного оборудования
- S005 Реле №2 питания вспомогательного оборудования
- S020 Реле запуска
- S021 Реле заземления контура генератора переменного тока (ADR)
- S022 Реле питания, управляемое генератором (работающий двигатель)
- S100 Реле питания стоп-сигналов
- S101 Реле питания противотуманных огней
- S102 Реле питания фар дальнего света
- S103 Реле питания противотуманных фар
- S104 Реле питания огней заднего хода
- S105 Реле питания стояночных подфарников и габаритных огней справа и слева
- S106 Реле питания светотехнического обозначения выключателя
- S107 Реле питания стояночных подфарников и габаритных огней справа и слева (на прицепе и кузове)
- S108 Реле питания проблескового(-ых) маячка(-ов)
- S109 Реле питания прожектора дальнего света
- S110 Реле отключения противотуманных фонарей при включенных фарах дальнего света
- S200 Реле питания электронного блока управления автоматической коробкой передач
- S201 Реле питания электронных блоков управления автомобилем и двигателем
- S202 Реле питания электронного блока пневматической подвески
- S300 Реле безопасности и разрешения опрокидывания кабины
- S400 Реле замедления на срабатывание привода стеклоочистителя (-ей)
- S401 Реле питания привода насоса омывателя фар
- S402 Блок реле электрозамедлителя
- S403 Электрический замедлитель
- S452 Реле управления вентилятором кондиционирования воздуха
- S453 Реле питания автономного отопителя
- S500 Реле питания зеркал заднего вида с электроподогревом и регулировкой положения
- S501 Реле подогрева воздуха
- S502 Реле управления размораживанием ветрового стекла
- S600 Реле питания привода опрокидывания кабины
- S900 Реле резервного питания (кузовное оборудование)
- S920 Реле управления системой OptiTrack
- S921 Реле управления переключением режима авто/руч. системы OptiTrack
- S922 Реле управления поддержанием давления в системе OptiTrack
- S923 Реле управления вентилятором системы охлаждения масла системы OptiTrack
- S926 Реле управления дополнительной направляющей осью
- V001 Электроклапан контура охлаждающей жидкости
- V002 Электроклапан блокировки заднего межколёсного дифференциала
- V003 Электроклапан системы предотвращения блокировки переднего левого колеса
- V004 Электроклапан системы предотвращения блокировки переднего правого колеса
- V005 Узел электроклапанов для управления осью
- V006 Электроклапан управления для поворота направо
- V007 Электроклапан управления для поворота налево
- V008 Предохранительный электроклапан
- V009 Предохранительный электроклапан для автомобиля от 60 тонн
- V010 Электроклапан включения механизма отбора мощности №1
- V011 Электроклапан отключения высокой скорости
- V012 Электроклапан включения высокой скорости
- V013 Электроклапан включения малой скорости
- V014 Электроклапан отключения малой скорости
- V015 Пропорциональный электроклапан для замедлителя
- V016 Аккумулирующий электроклапан для замедлителя
- V018 Электроклапан включения механизма отбора мощности №2
- V021 Электроклапан моторного тормоза №1
- V022 Электроклапан моторного тормоза №2
- V023 Электроклапан моторного тормоза
- V030 Комплект электроклапанов управления подвеской моста
- V031 Главный электроклапан задней подвески моста
- V032 Электроклапан задней подвески моста (справа)
- V033 Электроклапан задней подвески моста (слева)
- V034 Комплект электромагнитных клапанов управления подвеской задней оси
- V035 Главный электроклапан подвески задней оси
- V036 Электроклапан подвески задней оси
- V037 Электроклапан управления пневмобаллоном подъёма
- V038 Электроклапан передней подвески
- V040 Электроклапан включения механизма отбора мощности №3
- V050 Вспомогательный электроклапан для торможения
- V051 Электроклапан впуска/выпуска системы торможения прицепа
- V052 Электроклапан демультипликатора
- V053 Электроклапан управления проходным реле
- V054 Комплект управления проходным реле и делителем передач
- V055 Электроклапан ответвления водяного контура двигателя
- V056 Дозировочный электроклапан подачи мочевины
- V060 Электроклапан на насосе высокого давления
- V101 Электроклапан форсунки цилиндра №1
- V102 Электроклапан форсунки цилиндра №2
- V103 Электроклапан форсунки цилиндра №3
- V104 Электроклапан форсунки цилиндра №4
- V105 Электроклапан форсунки цилиндра №5
- V106 Электроклапан форсунки цилиндра №6
- V107 Пневматический звуковой предупредительный сигнал
- V108 Электроклапан прочистки осушителя
- V109 Электроклапан регулирования скорости вентилятора охлаждения двигателя
- V110 Электроклапан блокировки межосевого дифференциала
- V115 Электроклапан сцепления гидротрансформатора
- V116 Электроклапан главного модуля
- V117 Электроклапан регулирования давления №1
- V118 Электроклапан регулирования давления №2
- V119 Электроклапан регулирования давления №3
- V120 Электроклапан регулирования давления №4
- V121 Электроклапан регулирования давления №5
- V123 Электроклапан переключения передачи №1
- V124 Электроклапан переключения передачи №2
- V126 Электроклапан охлаждения поршней
- V127 Электроклапан охлаждения масла двигателя
- V128 Электроклапан управления ограничением давления наддува
- V141 Электроклапан контура охлаждения мочевины
- V142 Электроклапан управления масляным насосом гидравлического замедлителя
- V143 Электроклапан управления потоком главного масляного контура гидравлического замедлителя
- V144 Электроклапан поддержания давления в системе OptiTrack
- V145 Электроклапан управления переключением на холостой ход
- V146 Электроклапан приведения в действие усилителя системы OptiTrack
- V147 Электроклапан 1 управления гидравлическим потоком системы OptiTrack
- V148 Электроклапан 2 управления гидравлическим потоком системы OptiTrack
- V151 Байпасный электроклапан
- W100 Резистор вызова цепи генератора переменного тока
- W500 Диоды(-ы)
- W502 Диод цепи информационного сигнала после контакта для блока управления автомобилем
- W503 Диод цепи питания реле информационного сигнала (двигатель работает)
- W504 Диод цепи питания реле заземления генератора переменного тока
- W505 Диод цепи питания реле заземления генератора переменного тока
- W506 Диод централизованного запирания дверей
- W507 Диод установки автомобиля на охранную сигнализацию
- X001 Электрический вывод
- X200 Разъём резервного питания
- X203 Разъем группового типа для шины CAN
- X207 Дополнительный аудио разъем
- X208 Аудио USB-разъем
- X900 15-контактный разъем для подключения прицепа
- X902 Розетка питания 24 Вольт
- X906 Штепсельная розетка прицепа для ABS/EBS
- X907 Разъем сбора данных парка
- X908 Розетка питания 12 Вольт
- X909 Дополнительная розетка питания 24 Вольт
- X913 Диагностический разъем автомобиля
- X915 Диагностический разъем автоматической коробки передач
- X924 Диагностический разъём системы OptiTrack
- Z001 Узел подогрева топлива
- Z003 Узел регулятора вентилятора охлаждения двигателя
- Z004 Узел замедлителя
- Z005 Комплект автоматической коробки передач
- Z008 Левое зеркало зеркало заднего вида с электрообогревом и регулировкой положения
- Z009 Правое зеркало зеркало заднего вида с электрообогревом и регулировкой положения
- Z010 Замочный комплект передней пассажирской двери
- Z011 Замочный комплект водительской пассажирской
- Z014 Комплект модулятора EBS для управления тормозом прицепа
- Z021 Комплект модуля насоса мочевины
- Z022 Узел модуля насоса системы OptiTrack
- Z026 Защитный узел гидравлического контура дополнительной направляющей оси

